- 安森美半導體滿足“能源之星”最新外部電源規范要求的解決方案
- 功率低于75 W的適配器特性及控制器解決方案
- 功率高于75 W的適配器特性及控制器解決方案
- 功率大于75 W的電源應用需要增加功率因數校正(PFC),低于75 W無此要求
- 提高工作能效的方法:
降低開關頻率,在輕載時采用頻率反走技術來實現;
通過采用谷底開關(valley switching)技術降低關閉時的漏極電壓 - 降低空載能耗的方法:
采用具有極低啟動電流的外部啟動電阻
采用關斷時泄漏電流極低的集成啟動電流源 - 連接啟動電路至半波整流交流輸入
- 采用單段式PFC架構可在提高能效的同時并不過多增加電路復雜度
電源是電子系統中必不可少的組件。除了電視和計算機等產品中所使用的內部電源轉換器,外部電源適配器也廣泛應用于手機、DSL調制解調器、打印機、筆記本電腦及游戲機等領域,以至于一個普通家庭可能就會擁有少則三五個、多則逾十個的電源適配器。這些適配器的應用規模非常龐大,而且其功率消耗又在一定程度上與用戶的使用習慣密切相關。例如,許多用戶在將電源適配器(或稱充電器)從應用端(如筆記本電腦)撥出后,仍將插頭插在墻式插座上,使其在不使用的情況下仍然消耗電流。
因此,電源適配器的工作能效及待機能耗成為美國環保署(EPA)“能源之星”等規范瞄準改善的目標。2008年11月開始生效的“能源之星”外部電源(EPS) 2.0版規范(簡稱EPA 2.0)就在1.1版基礎上提高了要求,如表1所示(Ln為額定輸出功率的自然對數)。例如,額定功率大于49 W的外部電源在標準工作模式的能效基準要求從0.84提到0.870,而交流-直流(AC-DC) EPS最大空載待機能耗也大幅降低。

表1:美國環保署“能源之星”外部電源的1.1及2.0版規范。
不同適配器的功率等級相關較大,如手機充電器的功率低至5 W,而游戲機適配器功率則可達250 W。根據IEC61000-3-2等標準的要求,功率大于75 W的電源應用需要增加功率因數校正(PFC),低于75 W則無此要求。因此,我們就以75 W為界線,分別著重討論功率低于75 W適配器和高于75 W適配器滿足EPA 2.0新規范所需要的特性,以及能夠提供這些所需特性的安森美半導體高性能、高能效控制器示例。
功率低于75 W的適配器特性及控制器解決方案
對于功率低于75 W的適配器而言,在工作能效提升方面,首先就需要考慮其損耗來源。事實上,其損耗主要包括兩個方面,分別是開關損耗和門電荷(Qgate)損耗,這兩類損耗分別可以用等式(1)和等式(2)來量化:

從這兩個等式中可以看出,要提升能效,可以從開關頻率(FSW)及關閉時的漏極電壓(VDRAIN(turn-off))著手,即要降低開關頻率,特別是在輕載時可以采用頻率反走技術來實現;而通過采用谷底開關(valley switching)技術,也可以降低關閉時的漏極電壓。
而在降低空載能耗方面,可以首先分析出空載損耗主要在于啟動電路中的靜態損耗,即在空載條件下,啟動電阻仍會持續地從大電容消耗電流,造成功率損耗。而降低啟動電路損耗的途徑有多種,如采用具有極低啟動電流的外部啟動電阻、采用關斷時泄漏電流極低的集成啟動電流源,以及連接啟動電路至半波整流交流輸入等。
作為全球領先的高性能、高能效硅解決方案供應商,安森美半導體提供兩種新系列的控制器,提供滿足上述適配器工作能效提升及空載能耗降低要求的特性。其中一系列控制器是NCP1237、NCP1238、NCP1287和NCP1288,另一系列是NCP1379和NCP1380。其中,就NCP12xx系列的這四款新器件而言,它們屬于固定頻率控制器,帶集成啟動電流源,有助于降低空載輸入功率(即空載能耗);并采用頻率反走技術和跳周期模式,幫助降低輕載時的開關損耗及門電荷損耗,從而提升適配器工作能效。這幾款器件的開關頻率會在25 kHz時鉗位,從而消除可聽噪聲問題。

圖1:NCP1237/38/87/88在輕載時采用頻率反走技術降低開關損耗
從所測得的實際案例工作能效來看,NCP1237/38/87/88系列固定頻率控制器與前一代產品NCP1271在額定輸出功率的100%(65 W)、75%(49 W)、50%(32 W)和25%(16 W)條件下,在115 Vac及230 Vac電壓時的能效總體更優,其中在230 Vac條件時平均能效高達87.7%。在輕載及空載能耗方面,以NCP1237為例,與前一代產品NCP1027相比,在10.7 W、1.3 W、0.5 W輕載及0 W空載條件下,在115 Vac及230 Vac電壓時能耗下降了10 mW到710 mW不等,其中這兩種輸入電壓條件下的空載能耗分別僅為71 mW和97 mW。這些能效及能耗測試數值均滿足并超越EPA 2.0規范要求。
除了提供滿足最新能效及能耗要求的特性,NCP1237/38/87/88還具有多種保護特性,如輸入欠壓和主電源過壓保護、可調節過功率保護、嚴苛故障條件下的閂鎖保護,并提供雙路過流保護選項。這些器件工作電壓可達30 V,采用SOIC-7封裝,并均可根據不同終端應用要求提供A、B版本的選擇,適合于筆記本、LCD顯示器、打印機和游戲機以及DVD和機頂盒(STB)等應用。
另一系列的NCP1379/80新器件屬于谷底開關控制器,具有極低啟動電流和頻率反走等特性,同樣滿足降低空載能耗和提升工作能效要求。就其頻率反走特性而言,當反饋電壓(VFB)低于0.8 V(輸出功率POUT下降)或反饋電壓低于1.6 V(輸出功率上升)時,就發生頻率反走。值得一提的是,NCP1379/80能夠提升所有負載等級時的能效(即不限于輕載能效),并將待機和空載能耗降至極低水平,如表2所示。

表2:NCP1380谷底開關控制器的工作能效及待機能耗(a、工作能效;b、輕載及空載能耗)
綜上所述,可以采用安森美半導體支持輕載時頻率反走的兩系列新控制器,來滿足并超越“能源之星”等適配器的87%最低工作能效要求,而且即便在有啟動電阻的情況下,仍然能夠實現規范所要求的低于0.3 W的空載能耗。
功率高于75 W的適配器特性及控制器解決方案
對于功率大于75 W的適配器而言,以筆記本應用為例,常見額定功率包括75 W、90 W和120 W等,其中以用于90 W平臺的批量最大,所以我們將重點圍繞90 W應用來探討。
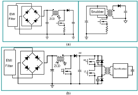
如前所述,一旦功率大于75 W,除了滿足上述工作能效及空載能耗要求外,電路中還面臨著加入PFC的要求,這在改善功率因數、使電網電能得到更高效利用的同時,也會使得電路結構更為復雜。在這類應用中,傳統電源架構是PFC+PWM的兩段式架構,即在非連續導電模式(DCM)或臨界導電模式(CrM)段后跟隨著準諧振反激段,每個段都使用一個控制器,如圖2(a)所示。
與這種兩段式架構不同,近年來涌現出一種新穎的單段式PFC架構,如安森美半導體新推的一款組合控制器NCP1901。它在單顆IC中結合了CrM PFC和半橋諧振轉換段,能夠提供實現高能效、小外形因數筆記本適配器所需的全部功能,如圖2(b)所示。這種架構使用的元器件數量更少,為兩段式架構提供了良好的替代選擇。

圖2:傳統兩段式架構(a)與新穎的單段式架構(b)對比
NCP1901半橋諧振段工作在固定的頻率和占空比,從而降低開關損耗。這器件通過調制半橋電源段實現穩壓,而其在初級端的穩壓消除了反饋環路,簡化了電路。安森美半導體并基于NCP1901推出新的90 W筆記本適配器參考設計,如圖3所示。這參考設計在115 Vac和230 Vac輸入條件下測得的工作能效分別為89.4%和90.9%,115 Vac條件下的空載能耗為420 mW,且符合IEC61000-3-2要求的EPA 2.0規范對功率因數的要求(即115 Vac條件下功率因數不低于0.9),以及EPA 2.0對工作能效的要求。

圖3:安森美半導體基于NCP1901組合控制器的90 W筆記本適配器參考設計。
值得一提的是,這高能效90 W筆記本適配器參考設計可以采用極小的散熱片,且高底很低,可用于實現外形因數更小的適配器解決方案。
總結:
最新實現的“能源之星”外部電源規范對電源適配器的工作能效、空載能耗等提出了更高的要求。本文分別基于低于75 W應用及高于75 W需要PFC的應用,分析了電源控制器實現這些規范所需要具備的特性,特別是采用安森美半導體NCP1237/38/87/88系列固定頻率控制器、NCP1379/80系列谷底開關控制器和NCP1901組合式控制器所能實現的工作能效提升、輕載及空載能耗降低效果,并提供相關的測試數據予以佐證。客戶采用安森美半導體的這些器件及相關GreenPointTM參考設計,能夠滿足最新規范要求,縮短產品開發周期,并加快上市進程。
供稿:安森美半導體




