- MOSFET簡化三相無刷電機驅動
- 使用具有快速體二極管恢復特性MOSFET
- MOSFET內部的體二極管用作續流二極管
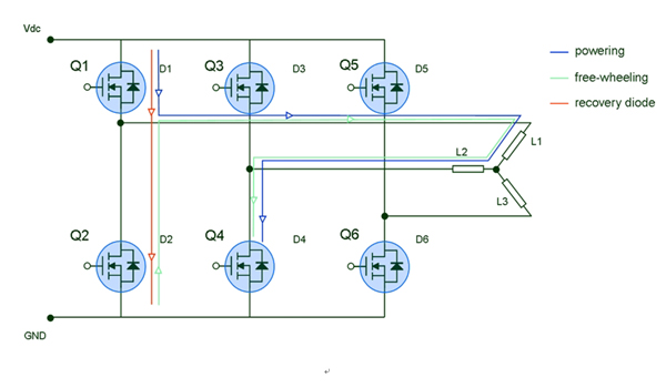
標準的三相功率級(powerstage)被用來驅動一個三相無刷直流電機,如圖1所示。功率級產生一個電場,為了使電機很好地工作,這個電場必須保持與轉子磁場之間的角度接近90°。六步序列控制產生6個定子磁場向量,這些向量必須在一個指定的轉子位置下改變。霍爾效應傳感器掃描轉子的位置。為了向轉子提供6個步進電流,功率級利用6個可以按不同的特定序列切換的功率MOSFET。下面解釋一個常用的切換模式,可提供6個步進電流。
MOSFETQ1、Q3和Q5高頻(HF)切換,Q2、Q4和Q6低頻(LF)切換。當一個低頻MOSFET處于開狀態,而且一個高頻MOSFET處于切換狀態時,就會產生一個功率級。
步驟1)功率級同時給兩個相位供電,而對第三個相位未供電。假設供電相位為L1、L2,L3未供電。在這種情況下,MOSFETQ1和Q2處于導通狀態,電流流經Q1、L1、L2和Q4。
步驟2)MOSFETQ1關斷。因為電感不能突然中斷電流,它會產生額外電壓,直到體二極管D2被直接偏置,并允許續流電流流過。續流電流的路徑為D2、L1、L2和Q4。
步驟3)Q1打開,體二極管D2突然反偏置。Q1上總的電流為供電電流(如步驟1)與二極管D2上的恢復電流之和。

圖1:三相逆變器拓撲結構圖
圖2所示MOSFET器件的截面圖,顯示出其中的體-漏二極管。在步驟2,電流流入到體-漏二極管D2(見圖1),該二極管被正向偏置,少數載流子注入到二極管的區和P區。

圖2:MOSFET器件的截面圖,電流流經其內部的體二極管[page]
當MOSFETQ1導通時,二極管D2被反向偏置,N區的少數載流子進入P+體區,反之亦然。這種快速轉移導致大量的電流流經二極管,從N-epi到P+區,即從漏極到源極。電感L1對于流經Q2和Q1的尖峰電流表現出高阻抗。Q1表現出額外的電流尖峰,增加了在導通期間的開關損耗。圖4a描述了MOSFET的導通過程。
為改善在這些特殊應用中體二極管的性能,研發人員開發出具有快速體二極管恢復特性MOSFET。當二極管導通后被反向偏置,反向恢復峰值電流Irrm較小,完成恢復所需要的時間更短(見圖3)。

圖3:具有快速體二極管恢復特性MOSFET,反向恢復峰值電流較小,恢復時間縮短。
我們對比測試了標準的MOSFET和快恢復MOSFET。ST推出的STD5NK52ZD(SuperFREDmesh系列)放在Q2(LF)中,如圖4b所示。在Q1MOSFET(HF)的導通工作期間,開關損耗降低了65%。采用STD5NK52ZD時效率和熱性能獲得很大提升(在不采用散熱器的自由流動空氣環境下,殼溫從60°C降低到50°C)。在這種拓撲中,MOSFET內部的體二極管用作續流二極管,采用具有快速體二極管恢復特性MOSFET更為合適。


圖4:a)Q2采用標準MOSFET的開狀態操作;b)Q2采用ST公司的STD5NK52ZDMOSFET開狀態操作
SuperFREDmesh技術彌補了現有的FDmesh技術,具有降低導通電阻,齊納柵保護以及非常高的dv/dt性能,并采用了快速體-漏恢復二極管。N溝道520V、1.22歐姆、4.4ASTD5NK52ZD可提供多種封裝,包括TO-220、DPAK、I2PAK和IPAK封裝。
該器件為工程師設計開關應用提供了更大的靈活性。其他優勢包括非常高的dv/dt,經過100%雪崩測試,具有非常低的本征電容、良好的可重復制造性,以及改良的ESD性能。此外,與其他可選模塊解決方案相比,使用分立解決方案還能在PCB上靈活定位器件,從而實現空間的優化,并獲得有效的熱管理,因而這是一種具有成本效益的解決方案。





