- 用于音頻放大器的多路輸出反激式電源
- 限制線性穩壓器(5V和15V)中的功率耗散
- 使用高增益光耦器U2來驅動小型信號晶體管
- 磁芯大小和繞組線徑大小根據峰值功率的平均值和連續輸出功率的平均值進行選擇
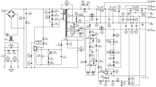
傳統的音頻系統通常使用基于線性變壓器的電源,不但體積笨重,而且隨著原材料價格的飛漲,制造成本日益昂貴。本文將為您介紹使用PowerIntegrationsPKS607YN設計的一款75W/126W峰值輸出電源。PeakSwitch產品系列為高質量的音頻及視頻產品電源提供出色解決方案,為高動態內容的音樂提供穩定的功率輸出。降低了THD(總諧波失真),并極大地提高了音頻的質量。如下介紹的設計使用一個PeakSwitch器件設計一個多路輸出的電源,并使用一個合適的磁放大器控制電路來確保兩個主輸出上的交叉穩壓。
電源電路
圖1中所示的通用輸入電源有多路輸出:±26VDC、±15VDC和+5VDC。±26V輸出都可以提供2.42A峰值的最小輸出電流(受溫度影響)和1.45A的連續輸出電流。此外不僅穩壓,而且更為重要的瞬態響應,在整個負載范圍內(空載到滿載)都極為出色。

圖1 75W連續輸出、126W峰值的音頻放大器電源電路[page]
U1中的控制器可跳過開關周期,根據饋入到其EN/UV引腳的電流對輸出電壓進行調節。當從此引腳流出的電流超過240μA時,將產生一個低邏輯電平(禁止)。在每個周期開始時,都會對EN/UV引腳狀態進行采樣;如果為高電平,功率MOSFET會在那個周期導通(啟用),否則功率MOSFET將仍處于關閉狀態(禁止)。啟動時,開關被抑制,直到流入EN/UV引腳的電流大于25mA時,輸入電壓超出欠壓閾值為止。
在±26V(52V)輸出上通過VR4、U2A和VR5來關閉初級側反饋電路。這可以確保±26V輸出上的電壓總和得以調節。為了改善交叉穩壓,在±26V輸出電路中使用了兩個獨立的磁放大器。磁放大器是一種飽和電抗器或電感,它采用具有矩形B-H曲線的磁芯材料。它可以通過調節磁放大器的電流(磁通)調節阻斷電流的周期。
為了改善交叉穩壓,本電路設計中采用了兩個磁放大器(L2和L3)。這與音頻設計特別相關,因為功率是在各種音頻頻率下由電源提供的。最高輸出功率分量出現在較低的頻率,在頻率較低下,各輸出交替(并非同時)提供電流。
通過調節L2和L3的電流,U7A、Q1和Q2形成的電路可以控制變壓器中存儲能量的份額,當PeakSwitch內部MOSFET關斷時向+26V和-26V輸出提供能量。在極端情況下,即一個輸出滿載而另外一個空載,幾乎所有能量都會提供給滿載輸出。重要的是,不可同時阻斷兩路輸出,否則將導致箝位過度損耗。即使負載瞬態非常大(音頻電源通常為25%~100%),兩個輸出上的輸出穩壓仍需保持在±5%的范圍內。
共模扼流圈L1與兩個Y電容C8和C9構成共模EMI濾波器。共模扼流圈L1還可以同X電容C1配合工作,提供差模EMI濾波。
設計要點
由于音樂源的高峰值因數,因此可使用體積較小的散熱片。
±15VDC和+5VDC輔助輸出從線性穩壓器獲得。為了限制線性穩壓器(5V和15V)中的功率耗散,向變壓器T1另外添加了一個18V輸出。
由于X電容C1的值大于0.1mF,因此認證機構的安全要求規定R1和R2應當用于為C1放電。選用電阻R1和R2,且需滿足(R1+R2)×C11s。
為了減少開關周期分組,使用高增益光耦器U2來驅動小型信號晶體管Q3,可以將電流從EN/UV引腳拉出。電容C34向反饋信號添加高頻率增益。
在三線繞制系統中,將Y電容(C17、C18)放置在相線/零線與地線之間,有助于減少共模EMI。
磁芯大小和繞組線徑大小是根據峰值功率的平均值和連續輸出功率的平均值進行選擇的。
在U1漏極和源極之間添加了RC緩沖器(R51和C48),用于降低輻射EMI。
使用此電路的音頻電源元件數量少,緊湊輕巧。其在滿載時效率大于82%,在265V交流輸入時的空載功耗小于800mW。減少了散熱片的使用并省去了獨立待機電源。此外,本設計降低了散熱片的使用,并省去了獨立待機電源。出色的瞬態響應提高了音頻質量,而集成的頻率調制特性加上簡單的EMI濾波器,能使設計符合CISPR-22/EN55022B傳導EMI要求。此電路還集成了安全及可靠性能:精確的、自動恢復且具有遲滯特性的過熱關斷功能使PCB板的溫度在各種條件下均維持在安全范圍內。當在輸出短路及反饋環路開環時,電路就進入鎖存關斷狀態。





