- 太陽電池串聯均壓控制系統原理
- 太陽電池串聯均壓控制模型和試驗結果
- 采用雙向功率流動CUK變換器
- 采用傳統的電壓外環,電流內環的雙閉環控制方案
為適應不同負載所需的電壓等級,實際使用中以多塊太陽能電池串聯。為實現系統高效率運行,需要研究系統總輸出功率與各太陽能電池電氣參數之間的關系。有關資料表明,多塊太陽能電池串聯系統的輸出功率與各太陽能電池端電壓密切相關:當各太陽能電池板端電壓相等時的的輸出功率較端電壓不相等時有很大提高。
由太陽能電池的直流模型可知,太陽能電池是一個復雜的非線性系統,其特性受自身工藝參數,太陽電池溫度,外界光照條件等諸多因素影響。圖1是兩塊太陽能電池I—V曲線(Uoc是開路電壓,Is是短路電流)。本文從兩塊太陽能電池串聯系統出發,探討系統的輸出功率在各太陽能電池端電壓的變化趨勢。

圖1太陽能電池特性曲線
雙向功率流動CUK變換器
在DC--DC變換器中,用具有單向導電性的晶體管和場效應管做開關,只能實現功率的單方向流動,而實際各太陽能電池板開路電壓差別正負是隨機的。需要一種可以實現功率雙方向流動DC--DC變換器。
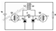
功率雙向流動CUK變換器(圖2)與傳統的單向功率流動CUK變換器不同的是:在原來開關管Q1和二極管D1兩端分別反向并聯二極管D2和開關管Q2如圖3所示。這個電路具有對稱性,輸入輸出電流方向可正可負。右邊負載R換為下正上負電壓源Vs,左邊電壓源Vs換為負載R,則功率從右向左倒流[2]。

圖2 功率雙向流動CUK變換器
[page]
工作原理
1主電路
在上述雙向功率流動的CUK變換器的基礎上,組成了雙太陽能電池串聯均壓系統的主電路,如圖3所示。其中:PANELA PANELB分別為兩塊相串聯的太陽能電池板,L1,L2為緊耦合電感,C為能量交換電容,G1G2為開關管,D1D2為快恢復二極管,R1R2為開關管漏極電流取樣電阻,R為負載電阻。

圖3 系統主電路原理圖
2控制電路
系統控制框圖如圖4所示。調節系統以美國德州儀器公司(TEXASINSTRUMENTS)的脈寬調制芯片TL494為核心,采用傳統的電壓外環,電流內環的雙閉環控制方案。TL494是一種電壓型脈寬調制芯片,內置兩個誤差放大器。這里使用其中一個做為電流內環。

圖4 控制框圖
兩塊太陽能電池板端電壓Ua,Ub對地極性相反,同時加到電壓環輸入端。經過電壓環比例積分環節和絕對值運算,送到TL494的誤差放大器反相輸入端(2腳),作為電流環的給定,同時電壓環比例積分調節器的輸出經放大后決定封鎖G1或G2。即作為極性開關,采樣電流送至TL494的誤差放大器同相輸入端(1腳)。TL494的13腳上拉為高電平,設置為推挽輸出方式,調制脈沖輸出端8腳和11腳輸出脈沖頻率為振蕩器頻率1/2的PWM的方波,經圖騰柱電路放大后,推動開關管Q1和Q2。
系統投入運行后,假設Ua>Ub,電壓環比例積分調節器的輸出高電平封鎖Q2的驅動電路,TL494的調制脈沖輸出端A(8腳)輸出PWM方波無效,只有Q1導通,功率從PANEL A流向PANELB,Ua下降,Ub上升,最終Ua=Ub。反之,Ua<Ub,電壓環比例積分調節器的輸出高電平封鎖Q1的驅動電路,TL494的調制脈沖輸出端B(11)腳輸出PWM方波無效,只有Q2導通,功率從PANELB流向PANELA,Ua上升,Ub下降,最終亦Ua=Ub。
實驗結果
實驗電路參數如下:
控制系統投入前,Ua=17.1v,Ub=15.5v,I=75.1ma,R=434歐姆。
控制系統投入后,Ua=16.0v,Ub=16.1v,I=81.7ma。R=434歐姆
實際測得負載電流比投入調節系統前增大約10%,由P=I2*R,考慮控制系統自身少量開關損耗,可以認為整個系統輸出功率比投入調節系統前增大約20%,整個串聯太陽能電池系統效率明顯改善。
本文以功率可雙向流動的CUK變換器調節兩組串聯太陽能電池功率流動,實現端電壓均衡,提高了輸出功率;證明了多塊太陽能電池板串聯系統的輸出功率與各太陽能電池板端電壓密切相關。在目前太陽能電池光電轉換效率還比較低的實際情況下(平均轉換效率還不到18%),這一實驗結果對太陽能電池利用系統應該具有一定的實踐借鑒意義.




