- 開關電源控制環基本概念
- 開關電源的理想增益相位圖
- 實際設計分析舉例
- 誤差放大器補償網絡G3(S)
- 誤差信號傳輸
- 小信號環路
在開關模式的功率轉換器中,功率開關的導通時間是根據輸入和輸出電壓來調節的。因而,功率轉換器是一種反映輸入與輸出的變化而使其導通時間被調制的獨立控制系統。由于理論近似,控制環的設計往往陷入復雜的方程式中,使開關電源的控制設計面臨挑戰并且常常走入誤區。下面幾頁將展示控制環的簡單化近似分析,首先大體了解開關電源系統中影響性能的各種參數。給出一個實際的開關電源作為演示以表明哪些器件與設計控制環的特性有關。測試結果和測量方法也包含在其中。
基本控制環概念
1傳輸函數和博得圖
系統的傳輸函數定義為輸出除以輸入。它由增益和相位因素組成并可以在博得圖上分別用圖形表示。整個系統的閉環增益是環路里各個部分增益的乘積。在博得圖中,增益用對數圖表示。因為兩個數的乘積的對數等于他們各自對數的和,他們的增益可以畫成圖相加。系統的相位是整個環路相移之和。

2極點
數學上,在傳輸方程式中,當分母為零時會產生一個極點。在圖形上,當增益以20dB每十倍頻的斜率開始遞減時,在博得圖上會產生一個極點。圖1舉例說明一個低通濾波器通常在系統中產生一個極點。其傳輸函數和博得圖也一并給出。

3零點
零點是頻域范圍內的傳輸函數當分子等于零時產生的。在博得圖中,零點發生在增益以20dB每十倍頻的斜率開始遞增的點,并伴隨有90度的相位超前。圖2描述一個由高通濾波器電路引起的零點。
存在第二種零點,即右半平面零點,它引起相位滯后而非超前。伴隨著增益遞增,右半平面零點引起90度的相位滯后。右半平面零點經常出現于BOOST和BUCK-BOOST轉換器中,所以,在設計反饋補償電路的時候要非常警惕,以使系統的穿越頻率大大低于右半平面零點的頻率。右半平面零點的博得圖見圖3。
[page]開關電源的理想增益相位圖
設計任何控制系統首先必須清楚地定義出目標。通常,這個目標是建立一個簡單的博得圖以達到最好的系統動態響應,最緊密的線性和負載調節率和最好的穩定性。理想的閉環博得圖應該包含三個特性:足夠的相位裕量,寬的帶寬,和高增益。高的相位裕量能阻尼振蕩并縮短瞬態調節時間。寬的帶寬允許電源系統快速響應線性和負載的突變。高的增益保證良好的線性和負載調節率。

1相位裕量
參看圖4,相位裕量是在穿越頻率處相位高于0度的數量。這不同于大多數控制系統教科書里提出的從-180度開始測量相位裕量。其中包括DC負反饋所提供的180度初始相移。在實際測量中,這180度相移在DC處被補償并允許相位裕量從0度開始測量。
根據奈奎斯特穩定性判據,當系統的相位裕量大于0度時,此系統是穩定的。然而,有一個邊界穩定區域存在,此處(指邊界穩定區,譯注),系統由于瞬態響應引起振蕩到經過一個長的調節時間最終穩定下來。如果相位裕量小于45度,則系統在邊界穩定。當相位裕量超過45度時,能提供最好的動態響應,短的調節時間和最少過沖。
2增益帶寬
增益帶寬是指單位增益時的頻率,見圖4,增益帶寬就是穿越頻率Fcs。最大穿越頻率的主要限制因素是電源的開關頻率。根據采樣定理,如果采樣頻率小于2倍信號頻率(更嚴謹一點的說法是應該小于2倍最大信號頻率,譯注),則被采樣的信息就不能被完全讀取。
在開關電源中,開關頻率可以從輸出紋波中看得出來,它是錯誤的信息,并且必須不被控制環路所傳遞。因此,系統的穿越頻率必須小于開關頻率的一半,否則,開關噪聲和紋波會扭曲輸出電壓中想要得到的信息,并導致系統不穩定。
3增益
高的系統增益對于保證好的線性和負載調節率提供重要貢獻。它能夠使PWM比較器在響應輸入輸出電壓的變化時精確地改變電源開關的占空比,通常,需要在決定高增益和低相位裕量之間做出權衡。
實際設計分析舉例
用經典環路控制分析方法,開關調整器的控制環分為四個主要部分:輸出濾波器,PWM電路,誤差放大器補償和反饋。圖5用方塊圖舉例說明這四部分,圖6舉例說明一個開關電源電路圖。

首先,輸出電壓被反饋網絡降壓,然后把這個反饋電壓送入誤差放大器,使之與基準電壓相比較而產生一個誤差電壓信號。脈寬調制部分拾取這個誤差電壓并且把它與功率變壓器的電流相比較并轉化為合適的占空比去控制輸出部分功率脈沖調制的數量。輸出濾波器部分使來自于功率變壓器的斬波電壓或電流平滑,使反饋控制環完善。下面確定每一部分的增益和相位,并把他們聯合起來形成系統的傳輸函數和系統的增益相位點。

1反饋網絡H(s)
反饋網絡把輸出電壓降到誤差放大器參考電壓的水平,其傳輸式按簡單的電阻分壓式得到:
[page]2輸出濾波部分G1(S)
在電流模式控制系統中,輸出電流被調節以達到目標的輸出電壓。輸出濾波部分把脈動的輸出電流轉換為目標輸出電壓。小信號分析得到:

輸出電容的ESR和反饋網絡的電阻(R1+R2=RFB)反映出輸出濾波器傳輸函數的特性。圖7的電路分析給出ESR和RSENSE的影響。
傳輸函數G1(S)給出RFB的初始低頻增益。這個增益在fPOLE=1/2*π*(RFB+ESR)*C處開始滾降,并在fZERO=1/2*π*ESR*C變為水平。G1(S)的博得圖見圖8。

3PWM電路部分G2(S)
光耦電路把誤差放大網路產生的誤差信號傳輸到主邊。AS3842PWM電路把這個誤差電壓與通過主邊功率變壓器的電流進行比較。然后功率場效應管的占空比被調制,以提供足夠的電流到副邊來維持想要的輸出。

光耦的小信號傳輸函數是與光耦的電流傳輸比成比例的固定增益。R5(原文誤為R6,式5一并改為R5,譯注)是與光耦的二極管串聯的限流電阻,并且是AS3842誤差放大器的輸出阻抗(此句應該理解為R5是這個AS3842開關電源電路中,誤差放大器部分的輸出阻抗,譯注)。這一點在應用文檔“SecondaryerroramplifierwiththeAS431”中有深入的闡述。從誤差放大器的輸出到AS3842的COMP腳的傳輸函數是:
VCATHODE是AS431的陰極電壓,也就是誤差補償放大器的輸出電壓。CTR是光耦的電流傳輸比。R5(原文為R6,譯注)是與光耦的二極管串聯的限流電阻。RCOMP是AS3842的COMP腳當其試圖拉電流超過它的最大輸出電流時的輸出阻抗。

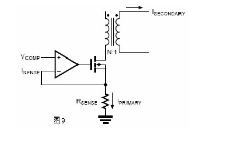
當誤差信號傳遞到補償腳以后,將其與電流檢測信號比較。圖9表示一個電流檢測比較器和開關部分的簡單框圖:
在閉環系統中,VCOMP與ISENSE維持同樣的電平。因此,IPRIMARY被VCOMP有效的調節:

從ISECONDARY以后(見圖9),副邊電流或者說輸出電流與主邊電流成比例,把等式(4)重新排列表示出副邊電流與VCOMP之間的關系。

結合等式(3)和(6)得到PWM部分的傳輸函數:

傳輸函數G2(s)僅包含增益沒有相移。
[page]4誤差放大器補償網絡G3(S)
一旦輸出濾波器和PWM電路部分的傳輸函數確定下來,然后可以設定誤差放大器補償網絡以取得最優化的系統性能。圖10例舉出一個在低頻時提供高的頻率滾降和高增益的補償方案。
這個補償方案有一些很好的特性適合于誤差放大器的補償,它有很高的直流增益和易控的滾降。
5整個系統
因為這是一個線性系統,可以用疊加的方法得到整個系統的傳輸函數。通過把整個環路各部分的增益和相位疊加起來,產生整個系統的博得圖。通過放置補償網絡的極點和零點使系統的性能最優化。圖11把各部分的博得圖結合起來,負反饋系統的180度相移也加入進來了。

測量結果
構造一個150W的電流模式正激轉換器,經過修正的小信號環路特性顯示出它在系統瞬態響應時所起的作用。圖13(原文誤為圖12,譯注)給出它的增益-相位圖。與圖11所展示的一樣,獲得了相同的博得圖曲線。此增益相位圖顯示這個系統有86.7度的相位裕量。意味著穩定的系統有快速的瞬態響應。圖15(原文誤為圖13,譯注)給出系統的瞬態響應。為了展示相位裕量的作用,通過增加整個系統的增益和提高穿越頻率,系統的相位裕量會減少。穿越頻率提高時系統的相位裕量在減少。圖12(原文誤為圖14,譯注)給出更高的穿越頻率和更少的相位裕量(65度)時的系統博得圖。其瞬態響應見圖14(原文誤為圖15,譯注),注意更少的相位裕量導致更大的振蕩和更長的調節時間。表1比較了這兩個不同增益大小的系統之間線性和負載調節率的變化。正如前面所述,高的環路增益得到更緊密的線性和負載調節率。還應該注意需在高的相位裕量和較低的環路增益之間取得平衡。


測量方法
為了保證準確的結果,測試信號接入節點的阻抗必須大于它的輸出阻抗。在圖6的測試電路中,誤差放大器在副邊,PWM電路在主邊。測試信號在光耦的輸出和AS3842的VCOMP輸入之前接入。輸入阻抗是從VCOMP腳看入時的阻抗,輸出阻抗是光耦的輸出阻抗。在其他誤差放大器和PWM電路沒有隔離的應用中,測試信號可以在輸出濾波電容之后接入,使其與誤差放大器的輸入相串聯。



