中心議題:
- 電子鎮流器的組成
- 電子鎮流器中電磁干擾的來源及影響
- 電子鎮流器中電磁干擾的抑制措施
解決方案:
- 傳導干擾抑制措施
- 輻射干擾抑制措施
- 諧波干擾抑制措施
1 電子鎮流器
電子鎮流器(Electricalballast),是鎮流器的一種,是指采用電子技術驅動電光源,使之產生所需照明的電子設備。與之對應的是電感式鎮流器(或鎮流器)。現代日光燈越來越多的使用電子鎮流器,輕便小巧,甚至可以將電子鎮流器與燈管等集成在一起,同時,電子鎮流器通常可以兼具起輝器功能,故此又可省去單獨的起輝器。電子鎮流器還可以具有更多功能,比如可以通過提高電流頻率或者電流波形(如變成方波)改善或消除日光燈的閃爍現象;也可通過電源逆變過程使得日光燈可以使用直流電源。
2 電子鎮流器的組成
電子鎮流器由抗干擾濾波器、整流濾波電路、功率因數調整器、高頻變換、諧振電路、異常狀態保護電路和熒光燈組成,各部分作用如下:
1) 抗干擾濾波器:防止電子鎮流器產生的高頻干擾信號進入到電網造成幅射。
2) 整流濾波電路:將220V的工頻(50Hz或60Hz)交流電變換成310V的直流電,作為電子鎮流器的電源。
3) 功率因數調整器:對本機的功率因數進行調整和補償。
4) 高頻變換電路:電子鎮流器的心臟電路,將直流電源變換成20K~50KHz左右高頻電源,去驅動熒光燈。本電路通常采用一對功率管(三極管或場效應管)組成的自激振蕩器來實現。
5) 諧振電路:用來取代普通熒光燈的啟輝器,它在熒光燈起輝前,可以等效為一個串聯諧振電路,其振蕩頻率與高頻變換電路的頻率一致,諧振時,在電容C上產生一個很高的電壓,確保燈管著火點亮。燈管點亮其等效電阻減小,此電阻與電容C并聯,大大地降低了諧振電路的Q值,該電路又成為了一個RL串聯電路,L變成了一個限流器。
6) 異常狀態保護電路:當熒光燈不能正常點亮時,很高的諧振電壓會使功率器件燒毀,本電路的作用是保護功率器件在異常狀態時不會燒毀。
7) 熒光燈:作用是將20K~50KHz左右高頻電能變換成光能。
3 電子鎮流器中電磁干擾的來源及其影響
3.1 傳導干擾的來源及其影響
電子鎮流器工作時所產生的電磁噪聲通過輸入電源線傳導到電網中,引發傳導干擾,對周圍環境造成污染并影響相關電子設備或系統的正常工作。電子鎮流器的傳導干擾源主要來自以下幾個方面:
(1)元器件的固有噪聲。主要有熱噪聲、散粒噪聲、接觸噪聲等。
(2)半導體二極管在開關過程中產生的電磁噪聲。在快速開通和關斷的同時,瞬時變化的電壓和電流會形成很強的電磁噪聲。
(3)功率半導體器件在開關過程中,會產生很高的瞬態電壓或電流并引起振蕩。開關速度越快,開關電流越大,所引起的瞬態電磁噪聲也越大。功率半導體器件在交流電網上產生直接的傳導干擾,這種噪聲分差模與共模。
(4)在采用高頻泵或雙泵電路的無源功率因數校正結構中,功率開關管的高頻開關信號通過反饋元件加到輸入端,經過電源進線送入電網中,形成傳導干擾。
3.2輻射干擾的來源及其影響
電子鎮流器工作時,形成的磁場、電場通過輸入、輸出導線及負載或某些元器件以電磁波的形式向外輻射,與周邊電子、電器設備之間以電磁波傳播而形成的騷擾稱為輻射干擾。輻射干擾主要以磁場的形式存在,是通過磁場產生的干擾,由導體間的互感引起的。當電路中電流發生突變時,交鏈到電路的磁通也隨之發生變化,進而感應出干擾電壓。
3.3諧波干擾的來源及其影響
由于電子鎮流器的負載屬非線性負載,工作時會產生諧波。另外,低功率因數電路或功率因數校正電路處置不當的電子鎮流器,其輸出電流波形將產生嚴重諧波畸變。諧波的影響和危害主要表現在:增加電路的損耗,提高溫升,降低效率和使用壽命;增加絕緣中的介質損耗和局部放電量,加速絕緣老化;增加噪音等。
[page]
4 電子鎮流器電磁干擾的抑制措施
4.1傳導干擾的抑制措施
1)合理接地
傳導干擾是通過電子鎮流器的公共接地線以及接地網絡中的公共阻抗產生的。應該合理安排接地,地線盡量短,而且輸入地和輸出地分開,使用獨立地線并聯一點的接地方式,這樣可以防止各個地之間的傳導耦合,減少控制信號之間的干擾。外殼接地可以實現對電場的屏蔽,用屏蔽削弱對內外電路的干擾。例如電源的相線及中線通過Y電容接外殼及大地,可以減小系統的傳導干擾噪聲。
2)在直流供電電路中加去耦電路
在開關管供電電路中加RC去耦電路,使開關管開通瞬間所需的電流不再由電源提供,而由去耦電容為器件提供一個電流補償源,以減少電源及接地系統中所引起的電流波動而形成的噪聲。此外,在電子鎮流器的半橋逆變電路中,半橋中點到地之間所接的電容,可以減小△U/△t及△I/△t,有助于抑制電磁干擾噪聲。
3)采用無源濾波器
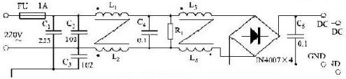
采用無源的EMI濾波器是抑制傳導干擾最有效的辦法。即在電路中插入一個帶通濾波器,讓50 Hz交流電暢通,其余頻率的信號受阻。但要嚴格控制濾波器LC元件的寄生參數,它們的制作工藝、安裝位置、走線方式,都會影響EMI濾波效果。加接圖1所示的濾波電路,可以控制通過傳導耦合進入電網的噪聲電平。

圖1 EMI濾波器電路
濾波器的輸出端與噪聲源相接,而輸入端則與電網相接,目的是防止各種高頻及瞬態噪聲通過傳導方式進入電網。濾波器抑制電磁噪聲的效果,可由插入損耗來衡量:插入損耗越大,濾波效果越好,對傳導干擾的抑制作用越大。
傳導干擾主要表現為差模干擾和共模干擾。
(1)共模干擾抑制

圖2 帶共模扼流圈的濾波器
共模扼流圈是共模插入損耗中起主導作用的電感元件。根據電磁感應原理,在圖2中,由于共模電流(Icm和I‘cm)方向相同,所以在磁環中所形成的磁力線是相互疊加的,即磁通相互疊加。由于磁通Ф=LI,故共模扼流圈的總電感L=(Ф1+Ф2)/Icm。若將共模扼流圈串在電路中,則相當于在電路中串入了一個低通濾波元件,起到了共模抑制作用。
[page]
(2)差模干擾抑制
差模扼流圈是差模插入損耗中起主導作用的電感元件。它采用單個繞組結構繞制,其線上的信號電流在磁環中也產生一定量的磁通,故很容易達到飽和。因此差模扼流圈電感值較小,數量級一般在μH。共模扼流圈在一個磁心上采用兩個相同繞組的結構,兩個繞組電流方向相反,其信號電流在磁環中產生的磁通相互抵消,故不會存在磁飽和現象。因此其電感值可以較大,共模磁環的數量級一般在mH。

圖3 帶差模扼流圈的濾波器
根據電磁感應原理,在圖3中,由于差模電流(Idm和I‘dm)的作用,在磁環中產生磁通,因而產生電感,所以在電路中串入了一個低通濾波元件,從而起到了差模抑制作用。當然,由于Icm同樣會產生磁通,進而產生電感,所以差模扼流圈對共模干擾同樣有抑制,但抑制共模干擾需要產生較大的電感,而差模扼流圈產生的電感量較小,所以對共模干擾的抑制作用較小。
同樣,根據電磁感應原理,由于差模電流(Idm和I‘dm)方向相反,所以在磁環中所形成的磁力線是相互抵消的,即磁通相互抵消,因此共模扼流圈對差模電流五抑制作用。在實際生產中,由于兩條線(1和2)不可能做到完全平衡(引線長度和漏感的不完全對稱),所以存在不平衡電感Le,Le的值一般小于L/100。因此,共模扼流圈對差模干擾也起作用,但作用很小。
上述無源EMI濾波器是互易的,它既能抑制電子鎮流器的電磁干擾送入電網,又能抑制電網內的電磁干擾進入電子鎮流器中。
帶共模電感的EMI濾波器的元件參數,不能按沒有互感的濾波器所得到的公式進行計算。通常要先決定所采用的電路結構,然后利用共模等效電路,用網絡分析理論,求出它的共模插入損耗。
4.2輻射干擾的抑制措施
1)屏蔽
電子鎮流器雖然自身產生輻射干擾,并且輸出導線和燈管也產生輻射電磁干擾,但可以通過將電子鎮流器裝進帶有接地點的金屬屏蔽外殼,連同燈具金屬殼體可靠接地的方法解決。屏蔽是減少輻射干擾最有效的辦法。
2)隔離
電子鎮流器內部電路產生的輻射干擾,在電路周圍以電 磁場的形式,通過電磁耦合對其它線路形成干擾。防止這種干擾最簡單有效的方法是將電子鎮流器與其它線路隔離開來,切斷或削弱它們之間的電磁耦合。隔離的原則和方法是:
(1)干擾線路和其它線路盡可能不要平行排列;
(2)敏感線路與一般線路如平行排列,其間距應大于50 mm;
(3)電源饋線與信號線應予隔離。
4.3 諧波干擾的抑制措施
抑制電流諧波含量與降低燈電流波峰系數往往是相互矛盾的,這兩個參數之間的矛盾可以采用有源功率因數校正技術解決。但是,采用PFC的電子鎮流器,當插入EMI濾波器網絡后,可能會對輸入電流諧波總量(THD)、輸入功率因數(PF)和燈電流波峰比(CF)等技術指標有一定影響。


