中心議題:
- 開關電源EMI特點、分類及仿真分析
- 開關電源EMI的頻域預測
- 降低開關電源EMI的設計方法及策略
解決方案:
- 基于頻域方法的SMPS等效電路模型
- 降低開關電源EMI的設計
本文針對開關電源設計階段應考慮的EMC問題,介紹了PCB及其結構寄生參數提取和頻域仿真的方法,在開關電源設計階段對其傳導EMI進行預測,定位開關電源傳導EMI傳播路徑的影響因素,在此基礎上給出開關電源PCB及其結構設計的基本原則。對開關電源EMI預測過程中需要注意的問題以及降低開關電源傳導EMI的方法策略進行了分析和總結。
1 引言
隨著開關頻率的提高以及功率密度的增加,開關電源內部的電磁環境越來越復雜,其電磁兼容問題成為電源設計中的一大重點,同時也成為電源設計工作的一大難點。常規設計方法中,依靠經驗設計處理EMC問題,樣機建立完畢之后才能對EMC問題做最后的考慮。傳統的EMC的補救辦法只能增加額外的元器件,而增加元件有可能影響原始的控制環帶寬,造成重新設計整個系統的最壞情況,增加了設計成本。為了避免出現這樣的情況,需要在設計過程中考慮EMC的問題,對開關電源的EMI進行一定精度的分析和預測,并根據干擾產生的機理及其在各頻帶的分布情況改進設計,降低EMI水平,從而降低設計成本。
2 開關電源EMI特點及分類
對開關電源傳導電磁干擾進行預測,首先需要明確其產生機理以及噪聲源的各項特性。由于功率開關管的高速開關動作,其電壓和電流變化率都很高,上升沿和下降沿包含了豐富的高次諧波,所以產生的電磁干擾強度大;開關電源的電磁干擾主要集中在二極管、功率開關器件以及與其相連的散熱器和高頻變壓器附近;由于開關管的開關頻率從幾十kHz到幾MHz,所以開關電源的干擾形式主要是傳導干擾和近場干擾。其中,傳導干擾會通過噪聲傳播路徑注入電網,干擾接入電網的其他設備。
開關電源傳導干擾分為2大類。
1)差模(DM)干擾。DM 噪聲主要由di/dt引起,通過寄生電感,電阻在火線和零線之間的回路中傳播,在兩根線之間產生電流Idm,不與地線構成回路。
2)共模(CM)干擾。CM 噪聲主要由dv/dt引起,通過PCB的雜散電容在兩條電源線與地的回路中傳播,干擾侵入線路和地之間,干擾電流在兩條線上各流過二分之一,以地為公共回路;在實際電路中由于線路阻抗不平衡,使共模信號干擾會轉化為不易消除的串擾干擾。
3 開關電源EMI的仿真分析
從理論上來講,無論是時域仿真還是頻域仿真,只要建立了合理的分析模型,其仿真結果都能正確反映系統的EMI量化程度。
時域仿真方法需要建立變換器中包含所有元件參數的電路模型,利用PSPICE或Saber軟件進行仿真分析,使用快速傅里葉分析工具得到EMI的頻譜波形,這種方法在DM 噪聲的分析中已經得到了驗證。然而開關電源中的非線性元件如MOSFET,IGBT 等半導體器件,其非線性特性和雜散參數使模型非常復雜,同時開關電源電路工作時其電路拓撲結構不斷改變,導致了仿真中出現不收斂的問題。在研究CM 噪聲時,必須包含所有的寄生元件參數,由于寄生參數的影響,FFT結果和實驗結果很難吻合;開關功率變換器通常工作在很大的時間常數范圍內,主要包括3組時間常數:與輸出端的基本頻率有關的時間常數(幾十ms);與開關元件的開關頻率有關的時間常數(幾十μs);與開關元件導通或關斷時的上升時間和下降時間有關的時間常數(幾ns)。
正因如此,在時域仿真中,必須使用非常小的計算步長,并且需要用很長時間才能完成計算;另外,時域方法得到的結果往往不能清晰地分析電路中各個變量對干擾的影響,不能深層解釋開關電源的EMI行為,而且缺乏對EMI機理的判斷,不能為降低EMI給出明確的解決方案。
頻域仿真是基于噪聲源和傳播途徑阻抗模型基礎上的分析方法。利用LISN為噪聲源提供標準負載阻抗。如圖1所示,從LISN看過去,整個系統可以簡化成噪聲源、噪聲路徑和噪聲接收器(LISN)。頻域方法可以大大降低仿真計算的時間,一般不會出現計算結果不收斂的情況。

圖1 噪聲源與傳播路徑概念
圖1中,噪聲路徑包括PCB傳導、耦合路徑,散熱片電容耦合路徑,變壓器耦合路徑等。
[page]
4 基于頻域方法的SMPS等效電路模型
對開關電源進行頻域仿真,首先要建立開關電源的頻域仿真模型。開關電源EMI頻域預測的重點是對噪聲路徑的建模,其中包括:無源器件的高頻模型;PCB及結構寄生參數的抽取。
在考慮無源器件、PCB及結構寄生參數的基礎上,建立開關電源集中參數的電路模型,可以通過計算或仿真得到該電路的阻抗,諧振點等,從而為降低EMI提供有力的依據。
由于差模噪聲和共模噪聲的傳播路徑不同,有必要對DM 傳播路徑和CM 傳播路徑分別建模。這樣可以更好地分析各種干擾的特點,而且還可以為設計濾波器提供有力的依據。
4.1 噪聲源的模型建立
由于需要分別對DM 噪聲和CM 噪聲進行分析,所以對DM 噪聲源和CM 噪聲源也需要分別建模。M.Nave提出使用電流源作為DM 噪聲源,使用電壓源作為CM 噪聲源的方法,就是因為DM 噪聲主要由di/dt引起,而CM 噪聲則主要由dv/dt引起。在此基礎上對CM 噪聲源進行改進,考慮了電壓過沖和下沖,并且在線路阻抗近似平衡的情況下,利用DM 電流源和一個電壓源來表示CM 噪聲源(如圖2所示)。

圖2 共模噪聲源的表示
文獻基本都是用梯形波來表示噪聲源的,但實際中并不是每個電路中的開關器件的波形都能很好地用梯形波近似,圖3所示即為一個反激電源開關管的電流電壓波形,除了梯形波之外,還有電流尖峰,電壓過沖和下沖等分量,會導致噪聲源的頻譜與梯形波有一定的不同。所以不能盲目地使用梯形波來表征噪聲源,而是需要對電路進行分析或者仿真,從而得到開關器件的電流或電壓波形,基于此波形再對噪聲源進行建模,這樣才能更精確地反映開關電源的電磁干擾。

圖3 某反激電源開關管的電流電壓波形[page]
4.2 無源器件的高頻模型
在EMI的頻率范圍內,常用的無源器件都不能再被認為是理想的,他們的寄生參數嚴重影響著其高頻特性。
在各種無源器件中,電阻、電感和電容的高頻等效寄生參數可以用高頻阻抗分析儀測得。表1所示為各種無源器件的理想模型和高頻等效模型。

表1 電阻、電容、電感及變壓器的高頻等效模型
對于高頻變壓器,提出可以使用有限元分析方法和實驗測量法求取,從而可以得到漏感、原副邊自電容和原副邊互電容這些引起電路震蕩、增加傳導EMI的主要參數。使用ansoft公司的Maxwell仿真軟件,可以通過輸入變壓器的繞組和磁芯的幾何尺寸與電磁參數,利用有限元分析的方法得到各寄生參數。實驗測量法的總體思路就是在所建立模型的基礎上,推導出變壓器在不同工作狀態下的阻抗特性(如原副邊繞組開路,短路的不同組合)方程,然后測量這些狀態下的阻抗,從而得到漏感和寄生電容。
4.3 PCB及結構寄生參數的提取
除了元器件選取、電路及其結構設計,PCB的布局、布線設計、線路板加工對電磁兼容會造成很大影響,是一個非常重要的設計環節。由于開關電源的PCB布線基本上都是依據經驗手工布置,有很大的隨意性,這就增加了PCB分布參數提取的難度。PCB的寄生參數會造成開關電源噪聲傳播途徑的阻抗變化,影響控制器對開關電源輸出電壓電流的控制作用。PCB的布局不合理還會形成開關電源向外輻射電磁干擾的途徑,同時也會通過該途徑吸收外界電磁干擾,從而降低開關電源的電磁干擾抗擾度。所以PCB的布局布線是開關電源EMC設計中極為重要的環節。
對于傳導干擾,寄生參數的提取精確度是通過仿真有效預測EMI水平的關鍵。盡管對于結構簡單的元件來說,寄生參數是很容易計算的,但是對于復雜結構中的元件來說,并不是那么容易就能得到寄生參數,例如多層板和直流母線的寄生參數。
為了建立開關電源PCB的高頻模型,需要對PCB的結構寄生參數進行抽取。提取PCB寄生參數的方法有很多,其中TDR(時域反射)方法可以在不知道實際幾何形狀的情況下對寄生電感和寄生電容進行提取,但是TDR(時域反射)方法需要時域反射儀,用于樣機建成后,這就使開發成本大大增加,而且TDR方法不能尋找到復雜結構中的耦合效應;然而FEA(有限元分析)方法則可以克服這一缺點,用于樣機建成前。利用FEA工具可以準確地得到PCB的寄生參數,并能考慮復雜幾何結構的耦合情況。
有很多對PCB結構進行寄生參數抽取軟件,如InCa,SIwave,Q3D 等,分別用不同的方法對PCB的寄生參數進行計算和提取,如部分元等效電路方法、有限元分析方法、有限元分析方法和矩量法結合的方法等。其中InCa軟件只能計算分布電感,不適合計算分布電容,不宜處理共模干擾的仿真分析;SIwave軟件提取出來的是電路的S參數,不能清晰地反映PCB中的耦合情況及其對開關電源EMI的影響;Q3D 軟件利用FEA 和MOM結合的方法求解電磁場,可以得到PEEC部分元等效電路,也可以得到PCB上各導體的互感互容,可以清晰地分析各種情況下PCB結構對開關電源EMI的影響。
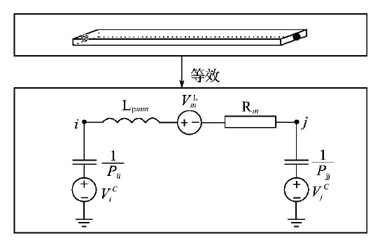
J.Ekman提出了基于寄生參數矩陣的等效電路的建立方法,即把所有互感、互容等效成受控的電壓源,與自感、自容連接(相當于把所有互感、互容對電路的影響等效到受控電壓源上),從而建立等效電路模型。圖4所示為任意兩個節點間的等效電路模型。

圖4 任意兩節點間的等效電路模型
圖4中:

式中:Lpmn為m和n兩導線間的互感。
[page]
雖然這樣可以提高仿真的準確性,但是加大了分析的計算量,可以通過忽略一些對結果影響不是很大的互感、互容,減少計算量。
散熱片與開關管之間會有電容效應,噪聲可以通過該效應在電路和地之間進行傳播。
還有其他的在空間通過電感或電容耦合傳到接收器的噪聲,不可以忽略。
模型建立之后,就可以使用仿真軟件對開關電源EMI進行仿真,得到開關電源傳導EMI的頻譜波形,通過分析波形可以定位開關電源EMI的問題所在,進而通過解決該問題而降低EMI。
5 降低EMI的設計方法及策略
降低開關電源EMI,需要從噪聲源和傳播路徑入手。首先,對于噪聲源,可以通過加吸收電路,減小di/dt和dv/dt來降低其EMI水平,但是這樣一來,開關電源的效率將會受到影響,需要對這兩者進行一定的取舍。
然后是對傳播路徑進行改進。改進的目的是要使傳播路徑對于干擾的阻抗增大,阻斷其向接收器的傳播,而對于電網提供的功率,阻抗要小,從而增加開關電源的工作效率。
選取元件時需要盡量選取寄生參數影響小的元件,比如電容的ESR和ESL要盡量小,電感的寄生電容要小等。在PCB以及散熱片的位置等設計過程中,也要盡可能增大對干擾傳播路徑的阻抗,使噪聲盡可能少的通過PCB路徑傳導到接收器。
如果以上所有降低EMI的措施都完成了還沒有達到EMC的標準,就可以根據前面仿真分析得到的差模和共模干擾的波形對濾波器進行設計。在設計濾波器的時候,也同樣要注意元件的布局,還有PCB寄生參數對濾波器阻抗的影響,其本質也是增大對干擾的阻抗,使干擾無法通過傳播路徑。開關電源設計流程如圖5所示。

圖5 開關電源設計流程
6 結論
綜上所述,目前對于開關電源傳導干擾的預測方法有時域方法和頻域方法兩種,由于時域方法需要使用很小的計算步長,需要花費很長的計算時間,容易出現仿真結果不收斂的問題。同時,時域仿真得到的結果往往不能清晰地分析電路中各個變量對干擾的影響。而頻域仿真物理意義清晰,更容易判斷各參數對EMI的影響,能夠為降低EMI提供有力依據,關鍵問題是建立合理的干擾源和傳播途徑的頻域模型。
對于PCB寄生參數的提取,有很多軟件,這些軟件適合的領域不盡相同,可以根據任務需求進行選擇。
對于高頻等效電路模型,可以通過電路分析的方法忽略一些對EMI影響很小的互感、互容等因素,既減少計算量,又不會降低過多的計算精度。
降低EMI的主要方法就是使傳播路徑對電磁干擾的阻抗增大,使電磁干擾盡可能少的通過傳播路徑,對于濾波器設計可以分別根據DM 噪聲和CM 噪聲的仿真結果進行設計,并且需要特別注意濾波器的元件布局,好的布局能夠更好地抑制噪聲的傳播。



