中心議題:
- 電源模塊N+m冗余結構的好處
- 集中傳統的電源模塊并聯均流電路
1 概述
隨著電力電子技術的發展,各種電子裝置對電源功率的要求越來越高,對電流的要求也越來越大,但受構成電源模塊的半導體功率器件,磁性材料等自身性能的影響,單個開關電源模塊的輸出參數(如電壓、電流、功率)往往不能滿足要求。若采用多個電源模塊并聯供電,如圖1所示,就不但可以提供所需電流,而且還可以形成N+m冗余結構,提高了系統的穩定性,可謂一舉兩得。

圖1 多個電源模塊并聯供電框圖
但是,在電源模塊并聯運行時,由于各個模塊參數的分散性,使其輸出的電流不可能完全一樣,導致有些模塊負荷過重,有些模塊過輕。這將使系統的穩定性降低,會給我們的生產和生活帶來嚴重的后果,而且電源模塊自身的壽命也會大大縮短。國外有資料表明,電子元器件在工作環境溫度超過50℃時的壽命是在常溫(25℃)時的1/6。因此,使各并聯電源模塊的輸出電流平均分配,是提高并聯電源系統穩定性的一個必須解決的問題。
本文從均流電路的拓撲結構出發,介紹幾種傳統的并聯均流方案,對于其他均流方案(比如按熱應力自動均流法),暫不做討論。對于文中提到的每一種均流方法,都做了詳細的介紹,并結合簡單電路圖,講述其工作原理及優缺點。
2 N+m冗余結構的好處
采用N+m冗余結構運行,可以提高系統穩定性。
N+m冗余結構,是指N+ m個電源模塊一起給系統供電。這里N表示正常工作時電源模塊的個數,m表示冗余模塊個數。m值越大,系統工作可靠性越高,但是系統成本也會相應增加。
在正常的工作情況下,由N個模塊供電。當其中某個或者某些模塊發生故障時,它們就退出供電,而由m個模塊中的一個或全部頂替,從而保證整個系統工作的持續性及穩定性。
以某個輸出電流為100A的系統為例來說明冗余結構運行的好處,這里只討論1+1,2+1,3+1三種工作方式,如圖2所示。各電源模塊的工作情況由Kn的閉合情況決定。

(a) 1+1

(b) 2+1

(c) 3+1
圖2 三種冗余結構
如果采用1+1冗余結構,即采用兩個輸出電流為100A的電源模塊并聯供電。正常情況下只有一個模塊工作,當它發生故障,退出工作時,另一個模塊開始工作,系統仍然能正常運行。
如果采用2+1冗余結構,即采用3個輸出電流為50A的電源模塊并聯供電。正常情況下只有兩個模塊工作,當其中之一發生故障,退出工作時,另一個模塊開始工作,系統仍然能正常運行。
如果采用3+1冗余結構,即采用4個輸出電流為33A的電源模塊并聯供電,正常情況下只有3個模塊工作,當其中之一發生故障,退出工作時,另一個模塊開始工作,系統仍然能正常運行。
比較上面三種工作方式,采用2+1這種方式最好,這是因為,1+1方式中有一半的功率被閑置,而3+1方式中使用元器件太多,成本過高,經濟性不好。
[page]
3 幾種傳統的并聯均流方案
3.1 下垂法
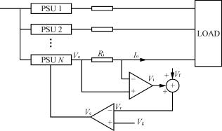
下垂法全稱外特性下垂法,也叫做斜率控制法。在并聯電源模塊系統中,各個電源模塊是獨立工作的。每個模塊根據其外特性以及電壓參數值來確定輸出電流。在下垂法中,主要是利用電流反饋信號來調節各模塊的輸出阻抗,也就是調節Vo=f(Io)的斜率,從而調節輸出電流。其工作原理圖如圖3所示。

圖3 下垂法工作原理圖
Ri為任一并聯模塊輸出電流Io的采樣電阻,經電流放大產生電流反饋電壓信號Vi,Vf為輸出電壓反饋,Vr為Vi與Vf的和,Vg為控制基準電壓(5V),Ve為誤差電壓。當某一模塊輸出電流Io偏大時,電壓與電流反饋合成信號Vr=Vi+Vf增大,與Vg進行比較后,使Ve減小,Ve反饋回電源模塊的控制部分,使該模塊的輸出電壓Io下降,則Io減小,即Vo=f(Io)外特性下調。每個模塊各自調整自己的輸出電流,就可以實現各模塊的并聯均流。
這種方法的優點是簡單,不需要外加專門的均流裝置,屬于開環控制。缺點是調整精度不高,每個模塊必須進行個別調整,如果并聯的模塊功率不同的話,容易出現模塊間電流不平衡的現象。
3.2 主從電源法
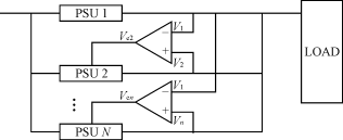
主從電源法是將并聯的多個電源模塊中的一個作為主模塊,其他模塊跟隨主模塊工作。具體工作過程是:主模塊的工作電流與輸出反饋信號進行比較,將差值信號反饋回各電源模塊(包括主模塊和從模塊)的控制電路,從而調節各模塊的輸出電流大小。
如圖4所示,設模塊1為主模塊,其輸出電流的采樣電壓為V1,其他模塊輸出電流的采樣電壓為Vn。當某一模塊輸出電流偏大時,相應的Vn增大,與V1比較,得到的Ven減小,反饋給該模塊的控制電路中,減小其輸出電流,從而實現均流。

圖4 主從電源法工作原理圖
主從模塊法的優點是不須外加專門的控制電路。其缺點是,各個模塊間需要有通信聯系,連線比較復雜;其最大缺點是,一旦主模塊出現故障,則整個電源系統將崩潰,所以,不能用于冗余結構中。
3.3 自動均流法和最大電流法
自動均流法也叫單線法,其工作原理是,將各電源模塊都通過一個電流傳感器及一個采樣電阻接到一條均流母線上。
如圖5所示,當輸出達到均流時,輸出電流I1為零。反之,則電阻R上由于有電流I1流過,在其兩端產生一個電壓Uab,這個電壓經過放大器A輸出電壓Uc,它與基準電壓Ur比較后的ΔU,反饋回電源模塊的控制部分,從而調節輸出電流,最終實現均流。

圖5 單線法工作原理圖
自動均流法的優點是,電路簡單,容易實現。缺點是,如果有一個模塊與均流總線短路,則系統就無法均流,而且單個模塊限流也可能引起系統不穩定。
[page]
若將圖5中的電阻用一個二極管代替,二極管正端接a,負端接b。這樣,N個并聯的電源模塊中,只有輸出電流最大的那個模塊的電流才能使與它連接的二極管導通,從而均流總線電壓就等于該模塊的輸出電壓,其他模塊則以均流總線上的電壓為基準,來調節各自的輸出電流,從而實現均流。
如果單純以二極管來代替采樣電阻,則由于二極管本身有正向壓降存在,所以,主模塊的均流精度會降低,而從模塊不受影響。這里可以用圖6所示的緩沖器來代替,從而提高均流精度。

圖6 緩沖器電路
采用這種均流方式,參與均流的N個電源模塊,以輸出電流最大的為基準,這個最大電流模塊是隨機的,這種均流方法也叫做“民主均流法”。由于最大均流單元工作于主控狀態,別的單元工作于被控狀態,所以,也把這種方法叫做“自動主從均流法”。
美國Unitrode公司開發的UC3907系列集成均流控制芯片就是采用這種工作方式。 UC3907芯片使多個并聯在一起的電源模塊分別承擔總負載電流的一部分,并且所承擔的負載電流大小相等。通過監測每個模塊的電流,電流均衡母線確定哪個并聯模塊的輸出電流最高,并把它定為主模塊,再根據主模塊的電流調節其他模塊的輸出電流,從而實現均流。
3.4 外部控制器法
外部控制器法就是在各并聯電源模塊之外,加一個專門進行并聯均流控制的外部模塊,如圖7所示。

圖7 外部控制法工作原理圖
每個模塊的輸出電流采樣,轉化為電壓信號,與給定的電壓Vcc進行比較,所得差值輸入到各電源模塊的控制部分,這樣就可以實現各模塊輸出電流的并聯均流。
這種工作方式,需要外加專門控制器,加大了投資,而且控制器與個電源模塊要進行多路連接,連線較復雜,但是均流效果非常好,各模塊輸出電流基本相等。




