- 感測系統設計方案
- TSL256x的內部結構和工作原理
- 采用光強傳感器TSL256x
- 軟件的設計
- 硬件的設計
- 采用數字信號輸出方式
TSL256x是TAOS公司推出的一種高速、低功耗、寬量程、可編程靈活配置的光強傳感器芯片。本文簡要介紹了TSL256x的基本特點、引腳功能、內部結構和工作原理,給出了TSL2561的實用電路、軟件設計流程以及核心程序。
1 TSL256x簡介
TSL2560和TSL2561是TAOS公司推出的一種高速、低功耗、寬量程、可編程靈活配置的光強度數字轉換芯片。該芯片可廣泛應用于各類顯示屏的監控,目的是在多變的光照條件下,使得顯示屏提供最佳的顯示亮度并盡可能降低電源功耗;還可以用于街道光照控制、安全照明等眾多場合。該芯片的主要特點如下:
◇ 可編程設置許可的光強度上下閾值,當實際光照度超過該閾值時給出中斷信號;
◇ 數字輸出符合標準的SMBus(TSL2560)和I2C(TSL2561)總線協議;
◇ 模擬增益和數字輸出時間可編程控制;
◇ 1.25 mm×1.75 mm超小封裝,在低功耗模式下,功耗僅為0.75 mW;
◇ 自動抑制50 Hz/60 Hz的光照波動。
2 TSL256x的引腳功能
TSL256x有2種封裝形式: 6LEAD CHIPSCALE和6LEAD TMB。封裝形式不同,相應的光照度計算公式也不同。圖1為這兩種封裝形式的引腳分布圖。

圖1 TSL256x封裝
各引腳的功能如下:
腳1和腳3: 分別是電源引腳和信號地。其工作電壓范圍是2.7~3.5V。
腳2: 器件訪問地址選擇引腳。由于該引腳電平不同,該器件有3個不同的訪問地址。訪問地址與電平的對應關系如表1所列。
表1 器件訪問地址與引腳2電平的對應關系

腳4和腳6: I2C或SMBus總線的時鐘信號線和數據線。
腳5: 中斷信號輸出引腳。當光強度超過用戶編程設置的上或下閾值時,器件會輸出一個中斷信號。
[page]
3 TSL256x的內部結構和工作原理
TSL256x是第二代周圍環境光強度傳感器,其內部結構如圖2所示。通道0和通道1是兩個光敏二極管,其中通道0對可見光和紅外線都敏感,而通道1僅對紅外線敏感。積分式A/D轉換器對流過光敏二極管的電流進行積分,并轉換為數字量,在轉換結束后將轉換結果存入芯片內部通道0和通道1各自的寄存器中。當一個積分周期完成之后,積分式A/D轉換器將自動開始下一個積分轉換過程。微控制器和TSL2560可通過標準的SMBus( System Management Bus) V1.1或V2.0實現,TSL2561則可通過I2C總線協議訪問。對TSL256x的控制是通過對其內部的16個寄存器的讀寫來實現的,其地址如表2所列。

圖2 TSL256x內部結構圖
表2 TSL256x內部寄存器地址及作用

4 TSL256x應用設計
TSL256x的訪問遵循標準的SMBus和I2C協議,這使得該芯片軟硬件設計變得非常簡單。這兩種協議的讀寫時序雖然很類似,但仍存在不同之處。下面僅以TSL2561芯片為例,說明TSL256x光強傳感器的實際應用。
4.1 硬件設計
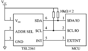
TSL2561可以通過I2C總線訪問,所以硬件接口電路非常簡單。如果所選用的微控制器帶有I2C總線控制器,則將該總線的時鐘線和數據線直接與TSL2561的I2C總線的SCL和SDA分別相連;如果微控制器內部沒有上拉電阻,則還需要再用2個上拉電阻接到總線上。如果微控制器不帶I2C總線控制器,則將TSL2561的I2C總線的SCL和SDA與普通I/O口連接即可;但編程時需要模擬I2C總線的時序來訪問TSL2561,INT引腳接微控制器的外部中斷。硬件連接如圖3所示。

圖3 微控制器與TSL2561的硬件連接圖
4.2 軟件設計
微控制器可以通過I2C總線協議對TSL2561進行讀寫。寫數據時,先發送器件地址,然后發送要寫的數據。TSL2561的寫操作過程如下:先發送一組器件地址;然后寫命令碼,命令碼是指定接下來寫寄存器的地址00h~0fh和寫寄存器的方式,是以字節、字或塊(幾個字)為單位進行寫操作的;最后發送要寫的數據,根據前面命令碼規定寫寄存器的方式,可以連續發送要寫的數據,內部寫寄存器會自動加1。對于I2C協議具體的讀寫時序,可以參考相關資料,在此不再贅述。TSL2561的軟件設計流程如圖4所示。

圖4 軟件設計流程
限于篇幅,在此給出對TSL2561讀寫操作的部分程序:
[page]
unsigned char TSL2561_write_byte( unsigned char addr, unsigned char c) {
unsigned char status=0;
status=twi_start();//開始
status=twi_writebyte(TSL2561_ADDR|TSL2561_WR);//寫TSL2561地址
status=twi_writebyte(0x80|addr);//寫命令
status=twi_writebyte(c);//寫數據
twi_stop( );//停止
delay_ms(10);//延時10 ms
return 0;
}
unsigned char TSL2561_read_byte( unsigned char addr, unsigned char *c) {
unsigned char status=0;
status= twi_start( );//開始
status=twi_writebyte(TSL2561_ADDR|TSL2561_WR);//寫TSL2561地址
status=twi_writebyte(0x80|addr);//寫命令
status=twi_start( );//重新開始
status=twi_writebyte(TSL2561_ADDR|TSL2561_RD);//寫TSL2561地址
status=twi_readbyte(c,TW_NACK);//寫數據
twi_stop( );
delay_ms(10);
return 0;
}
當積分式A/D轉換器轉換完成后,可以從通道0寄存器和通道1寄存器讀取相應的值CH0和CH1,但是要以Lux(流明)為單位,還要根據CH0和CH1進行計算。對于TMB封裝,假設光強為E(單位為Lux),則計算公式如下:
① 0<CH1/CH0≤0.50
E=0.030 4×CH0-0.062×CH0×(CH1/CH0)1/4
② 0.50<CH1/CH0≤0.61
E=0.022 4×CH0-0.031×CH1
③ 0.61<CH1/CH0≤0.80
E=0.012 8×CH0-0.015 3×CH1
④ 0.80<CH1/CH0≤1.30
E=0.001 46×CH0-0.001 12×CH1
⑤ CH1/CH0>1.30
E=0
對于CHIPSCALE封裝,計算公式可以查看相應的芯片資料。
5 結論
采用TSL256x實現光強度實時監測的系統,具有精度高、成本低、體積小等優點。芯片內部集成了積分式A/D轉換器,采用數字信號輸出,因此抗干擾能力比同類芯片強。該芯片在光強監測控制領域已得到廣泛應用。



