【導讀】隨著帶寬的不斷增加,有線和無線基礎電信系統中的放松管制和競爭推動了對于低成本設備解決方案的需求。電信設備電源管理要求中需要應對的挑戰不斷增加,這就愈加要求設計人員能夠為各種數字信號處理器 (DSP)、現場可編程門陣列 (FPGA)、專用集成電路 (ASIC) 和微處理器提供更多的電壓軌。
簡而言之,就是要求電源管理解決方案能夠在更小的空間內,更高效地生成更多不同的電壓和更大的電流,并降低噪聲。另外,如果說這些要求還不夠具有挑戰性的話,那么這種解決方案還必須要實現低成本,這恐怕就頗具挑戰性了!
更加靠近用戶地部署接入設備要求更小的附件(襯墊和安裝孔),其必須能夠經受得住較為惡劣的環境考驗。由于局端的空間非常小,因此基礎設施設備將被設計為更加小型化。推動電源管理產品發展的因素是外形尺寸、散熱管理、成本,以及電氣性能(穩壓、瞬態響應以及噪聲產生)。本文將讓您對板上電源系統的發展以及最新一代解決方案如何以更小的封裝實現更高的性能和更低的成本等方面有一個基本的了解。
外形尺寸/效率/成本
同時解決外形尺寸、效率和成本問題的需要,再一次激發了人們對電源架構的興趣。第一代板上電源使用的電源架構被稱為分布式電源架構 (DPA)(請參見圖1)。這種架構每個電壓軌均使用了一個隔離式(磚形)電源模塊,因此其在電源軌非常有限的情況下能夠很好地工作,但是每增加一個電壓軌,成本和 PCB空間都會隨之大大增加。電壓軌的排序也同樣非常困難,而且還要求增加外部電路,從而會增加成本和板級空間占用。

圖1:典型的DPA架構
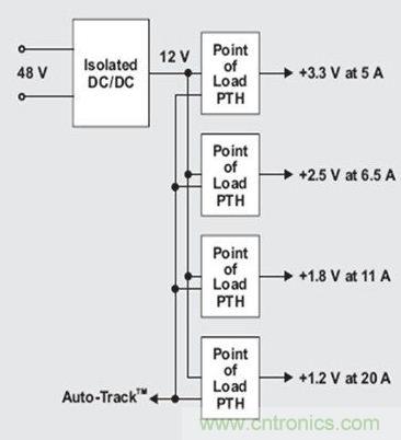
為了解決DPA在尺寸和成本方面的局限性,第二代板上電源系統轉而采用固定電壓中間總線架構(IBA)(請參見圖2)。IBA采用了單個隔離式磚形電源模塊和許多非隔離式負載點(POL)DC/DC轉換器。POL可以是一些電源模塊(例如:TI的PTH 系列),也可以是一些分立降壓轉換器。隔離式轉換器工作在與第一代板上電源系統相同的輸入電壓范圍上,即36V~75V或18V~36V。該降壓轉換器會創建一個IBA電源,并將電壓穩壓固定在3.3V、5V和12V。如何選擇電壓取決于系統設計人員。憑借TI的Auto-Track等特性,這種設計可減少板級空間的占用,降低成本,簡化電壓排序。這種架構唯一的缺點在于效率較低,這是因為每個電壓都需要進行雙轉換。

圖2:固定電壓IBA
當今,大多數電信系統都使用固定電壓IBA。但是,由于接入設備設計采用了密封封裝(seaLED enclosure),不再需要強制風冷,我們就需要一款效率更高、占用面積更小的解決方案了。正如每一個設計人員都了解的那樣,系統散熱的最佳方法就是避免熱量的產生。由于所有電能都要通過前端隔離式轉換器,因此在考慮提高效率時,前端隔離式[member]
[page]
轉換器就是要重點討論的問題。實踐證明,提高隔離式轉換器效率的方法是使其以固定占空比運行,并且不對輸出電壓進行穩壓操作,這就是非穩壓式中間總線架構。

圖3:非穩壓式IBA
這種架構使用一個非穩壓總線轉換器,其會產生一個與輸入電壓成一定比例的輸出電壓。在本例中,ALD17 5:1轉換器生成了一個輸出電壓,該電壓為輸入電壓的1/5。這種技術允許一個150W系統/電路板實現1/16的磚形設計,從而在第一個轉換階段實現96%的效率。有了寬泛輸入電壓范圍(4.5V~14V)的PWM以及TI的T2產品等電源模塊,就能采用這種非穩壓式電壓架構。這種架構的局限性在于總線轉換器的最大輸入電壓范圍是36V~55V,以確保POL的輸入電壓小于12V。之所以最大不能超過12V,是因為POL要生成不高于1V的輸出電壓,輸入電壓不能超過輸出電壓的10~12倍。但是,越來越多的電信原始設備制造商(OEM)都在考慮轉而采用這種輸入范圍,以通過這種架構來節約成本、縮小尺寸并提高效率。
一些電信OEM廠商堅持使用傳統的36V~75V的寬輸入電壓規范,輸入瞬態電壓為100V。為了滿足這些要求,電源行業推出了半穩壓IBA(請參見圖4)。該半穩壓IBA和非穩壓式IBA之間的主要區別是,如果輸入電壓超過了55V~60V的范圍,那么該半穩壓IBA就將輸出電壓穩壓至10V左右。這種方法的缺點是,隔離式電源模塊必須增加尺寸來容納穩壓電路,同時當輸入電壓超過55V時其效率會降低。TI的PTQB系列就是這類產品的一個例子。

圖4:半穩壓IBA
架構比較
為了提供有意義的對比,圖2、3和4中的每一個例子都采用了相同的輸出電壓和電流要求。這些例子均基于使用多個高性能DSP的理論基站,并配套使用了模擬和數字電路。在5A時該輸出電壓為3.3V,6.5A時為2.5V,11A時為1.8V,20A時為1.2V。圖5對之前所述的架構進行了比較。從圖5可以看出,確實有可能實現終極目標。半穩壓或非穩壓電[page]
源系統不僅實現了更高的效率,而且還節約了板級空間與系統成本。與第二代固定電壓IBA相比,半穩壓/非穩壓IBA最為顯著的改進是效率。如圖5所示,電源轉換效率提高了大約7%。對于一個200W的系統而言,這就相當于將熱負載降低了14W。

圖5:架構的比較
在這些例子中之所以均使用了電源模塊,是因為它們可提供最大的功率密度,并且是許多電信OEM廠商的首選解決方案。所有系統中均可以使用分立POL來降低成本,但是板級空間將會增加一倍。
電氣性能
設計人員接下來需要應對的挑戰是,滿足所有系統內核中不斷增加的高性能DSP和ASIC電氣性能要求。主要性能問題包括電壓穩壓、電流瞬態響應和噪聲。
穩壓和電流瞬態響應密切相關。為了在解決方案尺寸越來越小且功耗越來越低的情況下獲得更高的性能,要使用所需的電壓也不斷降低的更小的晶體管來制造數字半導體。現在低于1V的內核電壓要求將成為標準的電壓要求。除了低壓以外,對電壓容差的要求也越來越高。目前常用的標準是:線路(輸入電壓變化)、負載(負載電流微小變化)、時間、溫度和電流瞬變等造成的總電壓容差不超過3%。這樣,電源設計人員就只有30mV的電壓空間來滿足所有的數字系統要求。線路、負載、時間和溫度等DC參數還要占用大約一半(15mV)的容差預算。剩余的15mV則用來處理計算或數據傳輸負載帶來的突發電流變化(1~3個時鐘周期)。
容差預算對那些想在出現電流瞬態條件下最小化電壓偏離的電源系統設計人員提出了挑戰。如果內核電壓(VCC)超出規定容差極限,那么數字IC可能會開始復位,否則就會產生邏輯錯誤。為了防止這一情況的發生,設計人員需要特別注意所使用的POL模塊的瞬態性能。數字負載(例如:最新的千兆赫DSP)要求極快速的瞬態響應和極低電壓偏離。為了達到這些目標,許多附加的輸出電容器通常會被添加到DC/DC轉換器中,以提供直到其反饋環路能夠響應的保持時間。這種電源模塊(包括為了滿足瞬態電壓容差而添加的電容)形成了這一完整的電源解決方案。
多年來,電容技術不斷發展,容積效率不斷提高。即便使用更高的容積效率,整個電源解決方案也會超過單個電源模塊體積的兩倍。這就要求占用PCB較大的空間,而在今天更為小型化的系統中通常不能提供這樣大的空間。另外,在計入電容器成本的情況下,電源材料的成本甚至可能比電源模塊成本的一倍還高。
隨著DC/DC電源模塊技術的不斷創新,系統設計人員現在可以在使用更少輸出電容的同時獲得更快的瞬態響應、更小的電壓偏離。TI推出的T2系列下一代 PTH模塊(請參見圖6)便是一個典型的例子。這些器件集成了一種被稱為TurboTrans的新型專利技術,其允許對模塊進行自定義調諧以滿足特定的瞬態負載要求。只需使用一個單獨的外部電阻器即可完成調諧。

圖6:具有TurboTrans特性的T2系列
TurboTrans可以使輸出電容降為原來的8/1,從而降低了電容的成本并節約了PCB空間。這種技術的另一個好處是,使用具有超低等效串聯電阻(ESR)的電容器可提供增強的模塊電路穩定性。這些更新型的Oscon、聚合物鉭電容和陶瓷輸出電容都具有一個額外的好處,即不但能夠經受高溫、而且采用無鉛焊接工藝。
影響隔離式和POL轉換器性能的決定性因素是噪聲。開關式POL運行在不同頻率上并共享一個共有輸入總線時,由此產生的不同頻率及其差異會造成拍頻問題,對EMI濾波造成困難。由這些頻率的和差分所產生的頻率可以產生拍頻,其使EMI過濾變得困難。
舉例而言,如果一個系統擁有兩個POL,其中一個運行在300kHz下,而另一個運行在301kHz 下,那么其拍頻就是1kHz。這就要求具有更大、更復雜的系統濾波器。TI推出的T2電源模塊擁有一個SmartSync特性,該特性使設計人員能夠將多個T2模塊的開關頻率與特定頻率同步,從而消除拍頻,并使EMI濾波更加輕松。SmartSync可以用來設定頻率,以使開關噪聲在一個特別頻率帶(即xDSL傳輸頻率)中被最小化。TurboTrans和SmartSync是T2電源模塊上的標準特性,其并不會額外增加前面所述的系統的成本。
利用業界一流的電源模塊構建的電信系統讓系統將有助于系統設計人員縮小系統尺寸、降低功耗、滿足高性能數字電路的電源要求,同時相比穩壓電壓 IBA 系統還可以降低電源成本。


