【導讀】多級隔離技術越來越多地被用在電路的驅動系統中,以滿足高電壓隔離的需要;但這同時也使得開關管的驅動電路越來越復雜。
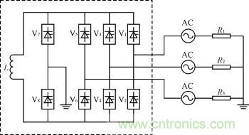
如圖1所示是一個使用在三相接地系統中的固態短路限流器。它是由晶閘管三相整流器和一個限流電感組成的。限流器主要被用在15kV的電力系統中。考慮到電源電壓的波動,晶閘管阻斷電壓限制和均壓系數等因素,圖1中所示限流器中的每個晶閘管閥在實際中必須要用8個6kV等級的晶閘管串聯組成。這樣在限流器中的晶閘管總數達到了64個,則至少需要有61路高壓隔離驅動電源用到這些晶閘管的門極驅動中。所以,開發一個新型的電源用作限流器中晶閘管的門極驅動電源是一項非常重要的任務。

圖1:三相接地系統固態短路限流器主電路拓撲
Dusan M. Raonic提出了一種晶閘管自我供能的門極驅動方式,它把一個緩沖電容作為能量存貯單元,解決了幾乎每個功率開關管都存在的對隔離電源的需求。但是,這種方式只能被用于工作在功率變換器直流側的晶閘管和GTO的門極驅動中。Chang Liuchen[3]研制了一種驅動板電源用于三相逆變器中大功率IGBT的驅動,它通過一個多繞組的變壓器,實現了4路相互隔離的輸出。這種電源的缺點是隨著輸出路數和隔離電壓的增加會導致變壓器的結構很復雜,體積極龐大。Heinemann Lothar et al[4]提出了一種具有超高壓隔離性能的電源用作IGBT的門極驅動,它使用了一種特殊結構的變壓器,于是只能有一路輸出。如果這種電源被用到如圖1所示的固態短路故障限流器中,61路驅動電源將會不可避免地導致裝置體積龐大,而且安裝和配線都會有很大的不便。
基于專利技術,研制了一種具有多路輸出,高壓隔離性能的實用新型開關電源,用于多管驅動。該開關電源采用了磁環作輸出變壓器,僅由無需彎曲的電纜穿過1次形成單匝原邊,副邊就可以輸出10W以上的功率,經過簡單的整流和穩壓形成一路驅動電源。因而驅動電源路數極易增減,既可按裝置需要隨意安裝,又易達到極高的隔離電壓(僅取決于電纜的絕緣性)。應用在要求很多路輸出,高隔離電壓的大功率裝置,如固態短路故障限流器中,此電源已體現了無可比擬的優越性。
主電路拓撲
新型電源的主電路拓撲如圖2所示。它由5個部分組成。第一部分是一個由4個二極管組成的單相整流器。第二部分是半橋拓撲結構,它主要由MOSFETS3及S4和電容C1及C2組成。這個部分是新型電源中輔助電源的主電路。

圖2:新型電源的主電路拓撲
第三部分的功能是產生一個幅值恒定的直流電流I1。由于這里采用的PWM開關控制芯片是專門為移相全橋變換器電路設計的,滿足全橋變換器需要的4路48%占空比的PWM驅動信號,通過簡單組合可形成兩路占空比48%內可調的PWM驅動信號,所以恒流源的主電路采用了一個雙Buck的電路拓撲。這個雙Buck變換器等效于兩個普通的單Buck變換器的并聯。MOSFET S1,二極管D1,電感L2組成了一個單Buck變換器;MOSFET S2,二極管D2,電感L3組成了另一個。這兩個單Buck變換器分別由兩路互補對稱的PWM驅動信號控制。它們和電感L1,二極管D3一起組成了雙Buck變換器。兩個單Buck變換器共同使用電感L1,這樣電感L2和L3的體積和重量都可以減小。二極管D3的功能是箝制恒流輸出型雙Buck變換器的輸出電壓,使它不超過整流器的輸出電壓。
第四部分是一個單相的全橋變換器,它把幅值恒定的直流電流I1變換成高頻的交流電流i2。S5和S8(或S6和S7)由同一個驅動信號控制,實現了同步開通和關斷。S1及S2和S5~S8的控制信號如圖3所示。當S6及S7開通且S5及S8關斷時,按照圖2所定義的i2的正方向,i2為正值。而當S6及S7關斷且S5及S8開通時,i2為負值。電流i2的波形是方波。和電壓型的全橋變換器不同的是,為了避免由于單相變換器中的4個MOSFET同時關斷引起的過壓,S5及S8應該在S6及S7開通以后再關斷,反之亦然。延時時間td如圖3所示。

(a) S1控制信號

(b) S2控制信號

(c) S5及S8控制信號

(d) S6及S7控制信號
圖3:MOSFET的控制信號
第五部分包括T1,T2,……Tn是一些特殊結構的變壓器和電流i2的電纜線的引線電感L4。為了減小這個新型電源的體積,功率開關管必須工作在一個很高的頻率下。這里采用了多諧振蕩零電壓軟開關技術減小開關損耗,減小器件的電壓電流應力,并獲得良好的電磁兼容性。所有8個功率開關管都工作在軟開關模式下。R3是一個電流檢測電阻用作電源的短路保護。R4是另一個電流檢測電阻,用來實現電流I1的閉環控制。
控制電路
控制電路的主要功能就是產生驅動信號,控制主電路產生一個幅值恒定的高頻電流。為了使電流幅值恒定,采用了如上節所述的雙Buck變換器電路。這個雙Buck變換器控制電路的主要部分包括一個電流反饋的PI調節器和一個PWM信號發生器。單相橋式變換器的控制電路用以產生如圖3(c)和圖3(d)所示的控制信號。所有上述的功能只要用一片集成芯片UC3875就可以實現。UC3875產生的驅動信號使兩個對角開關管的開關動作相對于另兩個對角開關管的開關動作產生相移,實現了對橋式功率級的控制,能夠在很高的頻率下允許固定頻率PWM調節結合諧振零電壓軟開關,實現高效率。
輸出變壓器
采用磁環做輸出變壓器,每個輸出變壓器的原邊僅有一匝,即高頻交流電流i2流經的一根穿過所有輸出變壓器磁環的高壓絕緣電纜線。通過輸出變壓器的增減,驅動電源路數能夠很容易地實現增減。如果電流I1和整流器的輸出電壓足夠高,僅一個電源就能夠實現大量的隔離輸出。新型電源每個輸出單元都可以很容易地放置,只要把它們安裝在相應晶閘管附近,用電纜線穿過所有磁環,用光纖傳送DSP輸出的驅動信號,既可實現整個裝置的電能與信號分開傳送,又可滿足限流器中晶閘管安裝的需要。因為,這些晶閘管被使用在高壓電力電子裝置中,每二個晶閘管的驅動電路之間的隔離電壓必須足夠地高。如果采用一根高壓絕緣電纜線作為輸出變壓器的原邊繞組,這樣原邊繞組與副邊繞組之間的隔離電壓至少等于這根高壓絕緣電纜線的絕緣電壓。這樣,只要使用一根超高壓絕緣的電纜線,變壓器的原副邊的隔離電壓就可以達到相當高的等級。由于原邊繞組的匝數僅有一匝,因此,要求導磁體具有很高的導磁率,磁環的磁路長度必須盡可能地短,而磁環的截面積則要求盡可能地大,以獲得良好的電磁耦合效果,降低激磁電流。
副邊電路
圖2第二部分所示是輔助電源的主電路,它的其它部分如圖4(a)所示。端子J及K與圖2中相同的端子相連。而新型電源隔離輸出的副邊電路如圖4(b)所示。由二極管D1—D4組成的整流橋,把交流電流變成了直流電流。由電阻R1—R7,并聯穩壓器Z1,晶體管S1和MOSFET S2組成的電路把這個直流電流變成一個穩定的電壓。即形成一路驅動電源。
仿真波形和實驗結果
為了確認設計電源的有效性,對圖2及圖4所示電路進行了仿真。仿真結果如圖5所示。仿真依據的主要參數如下:L1=1mH,L2=L3=L4=15μH,C4=C5=C6=C7=1μF。

(a)輔助電源的副邊電路

(b)隔離輸出的副邊電路
圖4:副邊電路

圖5:I1,i2,its1及驅動電源輸出電壓的仿真波形

圖6:輸出電流i2波形
根據原理分析及仿真驗證,開發了一臺700W的電源樣機,已經成功使用在380V限流器實驗裝置中,實現了長期可靠運行。用一無感電阻對輸出電流i2取樣,并把示波器采集的數據用Origin數據分析軟件還原,波形如圖6所示。電源樣機每個輸出變壓器的副邊繞組都是3匝。每路驅動電源的負載阻抗都是25Ω。它的主要特性如下:驅動電源路數為12(可以更大);每路驅動電源輸出功率可達20W;各路驅動電源之間的隔離電壓為40kV。
開發了一種新型的用于短路故障限流器中晶閘管驅動的多輸出開關電源。設計電源的輸出路數足以用來驅動所有使用在限流器中的晶閘管。使用超高壓絕緣的電纜線作為所有輸出變壓器單匝的原邊繞組,電源輸出之間的隔離電壓可以達到相當高的等級。根據限流器中的晶閘管的實際需要,電源輸出級的路數和安裝位置可以很容易地改變。相對于用其他方式研制的具有相同輸出路數,相同功率,相同隔離電壓的電源,該電源具有體積小,重量輕,效率高,可靠性強,價格低等顯著優點。使用在大功率的裝置中,新型電源也可以很好地適應那些具有大量功率電子器件的,如多用途的大型電機驅動系統的需要。



