
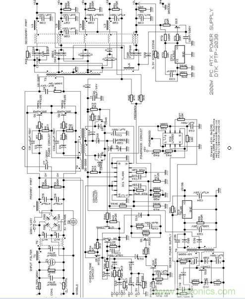
圖 電腦電源拆除圖
注:關于上圖的拆除圖的清晰原理圖,由于文章圖形大小要求,可以詳見附件:http://www.shuilikongzhifa.com/power-dl/1146
1:先拆除5V等輸出端的整流二極管(保留12V的整流二極管),更換12V處的濾波電容,參考上圖拆除圖中以下元件D(這個是供494電源的,很好找的,負極接12V輸出端的,正極連到494的12腳),R25,R26,R20,R21(494第1腳的元件)R19,R24(494第2腳的元件,并且切斷與393的連接),簡單的方法是直接切斷494第1,2腳與線路板的連接;
2:切斷494第15,16腳與線路板的連接,一般AT電源上這2腳是不用的,我們要用他來控制輸出電流;
3:拆掉LM393的1,2,3腳元件;
[page]
下面就要改電壓和電流取樣了,一般大家都在494的2個比較器的一端設一個固定的基準電壓,然后取樣輸出電壓(取樣電壓通過電位器調節比例)和固定的基準電壓進行比較,達到輸出電壓可以調節的目的,這樣的話,使的電壓的調整下限受到基準電壓的限制,而我現在是調節基準電壓,輸出端的電壓取樣用固定比列,這樣一來,基準電壓可以從0V起調,取樣電壓和基準電壓比較后的結果大家應該可以想到,
實際的結果是輸出端電壓可以到20V的電壓表顯示0V,呵呵。
利用了1個0-20V和1個0-20A的表作顯示,表的接法如下圖 :
取用一個電位器(我用的5K),1端接地,另一端接494的14腳,中心腳接到494的2腳,在原12V輸出處接一個15K電阻到494的1腳,另在494的1腳接一個5K電阻到電流表的正端,在494的2腳和3腳接一個1000P左右的電容,這樣電壓控制部分就改好了,應該很容易吧,上面兩個電阻的數值是輸出上限20V,下限可以接近0V;

圖 利用了1個0-20V和1個0-20A的表作顯示,表的接法
[page]
電流取樣部分比電壓部分稍多點,因為20A的電流表滿量程199mV,1A時10mV,0.1A時只有1mV,呵呵,這個電壓太小了,如果直接送到494去,那么電流控制精度就很差了,1mV電壓估計494不會動作,所以我拆掉了LM393的1、2、3腳元件,用它來構成一個大約40倍的放大器,這樣在10A 電流時輸出4V,0.1A時有40mV,將此電壓送到494的16腳,同15腳給定的約0-4V基準電壓比較;

圖 比較圖
輔助電源:
AT電源沒有輔助電源,用了一個幾塊錢的電子變壓器,就是點12V射燈的DD,繞了3個繞組,整流后經過一個7812,2個7805穩壓,(一個12V和兩個5V,3組獨立)兩個5V給表供電,12V給494供電,接到494的12腳,即原來拆掉的D的+端。
對了,把電源板和連接外殼處的銅箔切斷(電路板螺絲固定孔處),不要讓外殼和電源地相連,可以通過0.1的電容將外殼接地,再在原12V輸出端電容處接一個幾百歐姆1-2W的電阻(我用了2個1K1W并聯),風扇電源也要改接的哦~~~呵呵!
哈哈,現在可以用了!(另外2個5K的電位器如果用多圈的就更好了)。
相關閱讀:
分享:如何設計電流型開關電源中電壓反饋電路?
http://www.shuilikongzhifa.com/power-art/80021490
【升級版】可調電源DIY:五路獨立輸出
http://www.shuilikongzhifa.com/power-art/80021452
“家庭主夫”有福了,簡單實用的家用逆變電源電路設計
http://www.shuilikongzhifa.com/power-art/80021457





