【導讀】電池管理系統電路中,需要考慮很多因素。當需要為一個新的和基于電池的電源系統設計監視器電路時,我們應該如何去設計以達到降低成本提高可造性的目的呢?本文將講解在設計電池管理系統時的主要設計思路,以幫助工程師們能夠設計出更加優秀的解決方案。
總之,在電池管理系統電路中需要考慮的因素有很多,特別是那些決定封裝限制的因素。當封裝設計思想匯聚在一起時,考慮一下也有可能產生機械影響的電子線路與信息流的結構(例如:連接器化和導線數目)同樣也是很重要。一旦權衡過這些因素而且封裝設計思想成熟之后,只需直接插入一款采用LTC6803平臺,一個聲名卓著、可擴展和具成本效益的數據采集解決方案便大功告成了。
假定你接受了一項任務,為一個新的和基于電池的電源系統設計監視器電路,那么你會采取什么策略來優化該設計的成本和可制造性呢?最初考慮的問題將是確定系統的首選結構以及電池和有關電子組件的位置。基本結構清楚以后,接下來必須考慮的一個問題是,電路拓撲的權衡協調問題,例如,怎樣優化最終產品的通信和互連。
電池的外形尺寸將對電源系統結構有重大影響。要使用大量小型電池以適合形狀復雜的電池模塊(或電池組)嗎?或者要使用外形尺寸很大的電池,因而由于重量問題而導致對電池數量的限制或引起其他的尺寸限制?這也許是設計變數最大的部分,因為外形新穎的電池不斷上市,而且人們也在不斷努力,務求電池模塊或電池組集成到產品中后,會與整個產品概念更加一致。例如,在汽車設計情況下,電池最終也許分散在車輛上的某些空間中,這些空間如果不放電池,利用效率很低。
另一個考慮因素是,電池(或模塊化電池組)、電池管理系統(或其子系統)以及最終應用接口之間的測試信號和/或遙測信號的互連。在大多數情況下,可以做一個外殼,用來集成電池模塊或電池組中的某些數據采集電路,以便如果需要調換,那么生產ID、校準、使用規格等重要信息能隨著可替換組件帶走。這類信息對電池管理系統(BMS)或維修設備可能有用,而且最大限度地減少了線束中所需的高壓額定值導線的數量。
接下來,就給定的機械概念設計而言,監視硬件拓撲由精確定義的、所需支持的電池數量決定。在汽車應用中,一般情況下總共會有100個以上的電池測量點,而且系統的模塊化將決定一個給定的電路系統測量多少個電池。最常見的情況是,以安全斷接“維修插頭”方式,將所有電池分成至少兩個子組。通過在故障情況下保持電壓低于200V,這種方法最大限度地降低了維修人員可能遇到的觸電危險。外形尺寸較大的電池組意味著,要采用兩套隔離的數據采集系統,每套也許支持50個電池分接頭。在有些情況下,所有電子組件都在一個經濟實惠的印刷電路板上,但是這需要大量互連,如圖1(a)所示。或者,電子組件也可以分散放置,更加緊密地集成在電池模塊中,但是這需要采用遙測鏈接方法。為了實現可靠的數據完整性,內置于汽車線束中的遠端測量功能電路必須采用一種堅固型協議,例如廣泛使用的CAN總線。盡管真正的CAN總線接口涉及幾個網絡層,但是可以很方便地采用PHY層構成BMSLAN結構,以高效率地進行模塊內的通信。這類分布式結構如圖1(b)所示。該拓撲允許在幾個小型處理器之間分配計算工作量,從而降低所需的數據傳輸速率,并減輕LAN方法可能引起的EMI問題。最終的BMS應用接口很可能是至一個主系統管理處理器的CAN總線接線,而且將需要定義(或在一開始規定)特定的信息事務處理。

[page]
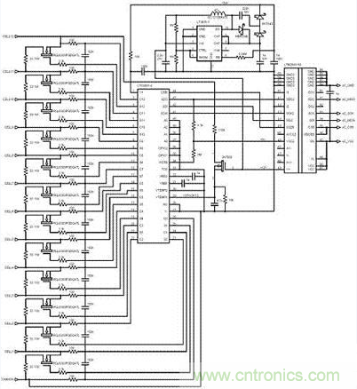
在上面實現的這些結構中,都有一個常見的測量功能構件,該構件包括一個多通道ADC、安全隔離勢壘和某種程度的本地處理能力。圖2電路顯示了一個實現數據采集功能的可擴展設計平臺。在這個圖中,實現功能的核心組件是凌力爾特的LTC6803電池組監視器IC,同時顯示的還有一個SPI數據隔離器和一些可選的特殊用途電路。該電路包括輸入濾波器和無源平衡功能,構成了一個完整的12節電池數據采集解決方案。如果需要,這類電路可以簡單地復制,以支持更多電池測量方案,同時共享主微控制器的本地SPI端口,該主微控制器反過來再提供外部CAN總線或其他LAN型數據鏈路所需。

圖2:實現數據采集功能的可擴展設計平臺
與前一代監視器件相比LTC6803的主要改進是,支持電源停機和/或單獨由電池組供電。當電源從V+引腳去掉時,電池加載將降至零(僅有nA級半導體泄漏)。工作電源可以由接通的電池組電壓提供,或從一個單獨的電源提供給V+,只要電壓始終至少與電池組一樣高就行。為了實現簡單性,LTC6803還可以直接從電池組獲取功率,在這種情況下,最低功率狀態(即備用)將僅消耗12uA電流。LTM2883數據隔離器通過一個內部隔離的DC-DC轉換器,從主處理器供電,因此該器件將自動與主處理器一起斷電。
LTM2883的一個非常有用的功能是,它還能向隔離的電子組件(即電池端)提供很大和得自主機的功率。一個小型升壓電源功能組件(圖2中的LT3495-1)就是這樣驅動的,以獨立地給LTC6803供電,以便電池僅提供ADC測量輸入電流(即在有效轉換時平均值<200nA)。該電路具有絕對最低的寄生電池泄漏,同時消除了任何電池的工作電流失配,否則這種失配可能逐步導致電池容量失衡。
LTC6803的一個方便的功能是,有兩個自由的、準確度與電池輸入類似的ADC輸入。這種方便的功能允許用很少的額外電路進行輔助測量,包括溫度、校準信號或負載電流測量。一種尤其有用的測量是,用一個門控電阻分壓器測量整個電池組的電壓,實現方法如圖2所示(采用12:1的比例,連接到VTEMP1輸入)。當電路斷電時,相關的FET斷開,這樣對電流的測量就不會不必要地加重電池的負擔。既然該端口的濾波可以獨立于電池輸入來定制,那么為了實現精確的充電電流計算所需的、真正高達200sps的奈奎斯特(Nyquist)采樣率是可能的。可以利用對單個電池測量來周期性地對整個電池組的分壓器提供軟件校準,這樣就不需要價格昂貴的電阻器了。輔助輸入的另一個非常有用的用法是,測量準確度很高的校準電源(諸如凌力爾特的LT6655-3.3,一個準確度為0.025%的基準),在這種用法中,允許軟件憑借通道至通道的固有匹配,校正其他所有通道。請注意,熱敏電阻器的溫度探頭不必以電池的電位為基準,這些探頭一般也不需要12位的分辨率。這類探頭通常適用于直接與微控制器連接,從而留出高性能LTC6803的輔助輸入,以實現要求更加苛刻的功能。
總之,在電池管理系統電路中需要考慮的因素有很多,特別是那些決定封裝限制的因素。當封裝設計思想匯聚在一起時,考慮一下也有可能產生機械影響的電子線路與信息流的結構(例如:連接器化和導線數目)同樣也是很重要。一旦權衡過這些因素而且封裝設計思想成熟之后,只需直接插入一款采用LTC6803平臺,一個聲名卓著、可擴展和具成本效益的數據采集解決方案便大功告成了。
相關閱讀:
穩定、高精度的鋰離子電池監控和保護系統設計
http://www.shuilikongzhifa.com/power-art/80021638
如何做好串聯連接電池的“電池平衡”
http://www.shuilikongzhifa.com/power-art/80021055
極具成本效益的高可靠性車載電池系統設計
http://www.shuilikongzhifa.com/power-art/80021091
危害鋰電池使用壽命的四大“誤區”
http://www.shuilikongzhifa.com/power-art/80021298