【導讀】六級能效對于一些產商既充滿機遇也充滿挑戰。而對于電源工程師而言,不增加成本就能提高效率無疑是最為理想的。本文中提出了能夠提高開關電源效率還能節約成本來滿足DOE VI的方案。
六級能效(DOE VI)解讀
要按規則辦事,首先就要了解規則,我們需要對標準有足夠的認識。DOE,全稱Department Of Energy,是美國能源部頒布的節能標準,主要對象為適配器、充電器等外置式電源。我們可以到其官網來了解其規則和下載最新的能效要求文件。

圖1:能效要求

圖2:DOE新舊版的平均效率要求曲線圖:(針對單路輸出Vo>=6V的情況,系列1為新版VI要求,系列2為舊版要求
)

圖3:六級能效計算公式
正確測試效率和空載功耗的方法。要注意以下三點:
1)測空載功耗的時候,電源的輸出端不要接負載(電子負載會帶來額外的損耗);
2)測平均效率的時候,功率分析儀的量程要注意調節,要設置在最接近實測值的那個量程;
3)測試效率和空載功耗時的電壓表和電流表接法是不一樣的,見下圖。

圖4:測試效率和空載功耗時的電壓表和電流表接法
以上接法可以滿足大部分情況,但也不絕對。對于一些小功率的電源,如幾W至十幾W的,輸入電流很小,電壓表的分流作用始終占很大的比例,這樣情況下即使測效率也要采用圖B的接法,這一點容易被忽略。針對AC-DC的測試,用萬用表是不行的,因為存在PF的問題,需要用到功率分析儀。如果是DC-DC的話,用萬用表沒有問題。
提升平均效率的方法與降低空載損耗的幾個常用方法
提升平均效率的方法:先看看效率曲線,合理的設計應該是個開口向下的拋物線。

圖5:效率曲線
第一個方法:優化變壓器,盡量提高變壓器的感量。這個一般不會增加成本,對平均效率的貢獻大約有0.3%~0.6%,具體能多少基于原來的設計。但要注意低壓滿載以及跑峰值功率的時候變壓器不要有飽和問題。但很多人都是碰到提升感量后存在變壓器飽和問題就下結論增加感量行不通。變壓器飽和問題不是一定要通過降感量來解決的,可以采用提升頻率的方式來避免飽和。高壓的時候跑低頻,低壓的時候升頻,這樣即使感量較大,在低壓也可以抑制飽和。這樣也可能會造成低壓升頻的方式需要依賴于IC,可選的不多不夠靈活。那么有沒有辦法不依賴IC,從變壓器下手呢?有沒有一種方法使變壓器的感量在滿載的時候低,在輕載的時候高呢?輕載不用擔心飽和問題,這對提升輕載效率非常有益。其實就是非線性電感了,如何去實現非線性呢?這就看各家的功力了。對于大部分來說,估計只能做到僅僅提升感量,升頻和非線性電感無法導入。
第二個方法:還是變壓器,用大一號的磁芯。比如空間允許,能用RM7的就不要用RM6。
用大一號的磁芯對平均效率的貢獻約1%~2%,這個提升作用是非常大的。而大一號的磁芯對成本的影響很小或者還有可能下降(這個跟每家的用量和制程能力有關)。即使用大一號的磁芯會導致成本上升,那也可以通過用便宜的MOS和二極管來平衡回來。這樣下來可以保持總成本不變,而換來零點幾pa的提升。做過小功率的都清楚,即使用很好的MOS和二極管,對平均效率的提升作用也有限,能有個0.5%左右就很不錯了,但成本需要增加較多。
第三個方法:控制IC的選擇,選擇輕載降頻的IC。這個對輕載的效率有好處。像3842之類的無法滿足,在這種應用中該淘汰了。設計的時候有個小技巧,可以設計滿載剛好跑65K,載輕了馬上降頻。避免滿載、3/4載等多個載都跑65K。

圖6:輕載效率
下面把提升效率的幾個常用方法列出:
提升變壓器感量;變壓器用大一號的磁芯;選擇輕載降頻的IC;增大bus電容,主要是提升低壓輸出時候的平均效率。這個看bus電壓的波動情況,到一定值對效率影響就很有限;減小Cds電容(針對有EMI預設計的情況);優化MOS的RCD吸收,一般是減小C增大R;優化副邊二極管的吸收,一般是減小C;OCP能在原邊做的就不要在副邊做,減少采樣電阻的損耗;采用Qg小Coss小的MOS,這個不一定會貴,需要多找不同家的對比;對于低壓大電流的情況,需要使用低VF的二極管,同時變壓器的副邊可以考慮采用多股線。這個會增加成本;采用性能更好的MOS和二極管。(此法一般不輕易用,只是作為對策的完整性列出)相信通過上面的調整設計,對提升效率到六級能效是沒有問題的。
降低空載損耗的幾個常用方法:
1、IC的選擇,選擇低工作電流的,現在一般是0.5mA左右,同時VCC電壓在滿足供電的前提下盡量低。
2、高壓啟動,啟動后切斷啟動線路的最好。這個在早期一般是外加電路實現的,現在都集成在IC內部了,缺點是增加成本和空間。對于小功率的,啟動時間在2~3S內的,用普通啟動就可以實現,一般不會采用高壓啟動線路或者IC,出于成本和空間的考慮。
3、現在的IC,空載都是跑burst,降低burst的個數和頻率。
4、降低驅動損耗,選擇低Qg的MOS。
5、降低變壓器的寄生電容。
6、關于RCD,這里要說明一下,合理的設計,RCD電路對空載損耗的影響幾乎可以忽略不計。實測有沒有RCD的差異在2mW左右。
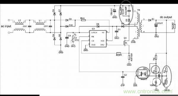
7、副邊線路的優化(此部分優化前后可以有20mW~30mW的差異,影響很大。詳見下圖):

圖7:副邊線路的優化
B、在滿足穩定的條件下,盡量提升R1、R2的值;
C、431的選型,有高低工作電流之分,典型的為1mA,也有0.5mA甚至更低。選擇低工作電流的損耗低,但成本會上升,而且抗干擾能力降低,需要折中考慮;
D、選擇了低工作電流的431后,可以將R3加大,甚至取消。
其實,對于降低空載損耗,最主要的算以上的第二條和第七條。在副邊線路已優化的情況下,如果還要進一步降低損耗,比如30mW、10mW甚至更低的要求,此時主要看IC的解決方案,外圍電路再優化也無濟于事。
相關閱讀:
經驗設計:低成本開關電源也能擁有高效率
新手進階必備:開關電源假負載的種種問題
在開關電源中,如何用假負載檢修電路?




