【導讀】四電阻差動放大器看起來很簡單,但是在電路中的性能反應平平。本文從實際出發,討論了一下交流共模抑制、分立式電阻、濾波、高噪聲增益的不足之處,并且詳細講解了各種放大器電路的設計集錦。
一、差動放大器應用電路
其中,Ad 為差動放大器的增益, t 為電阻容差。因此,在單位增益和 1%電阻情況下,CMRR 等于 50 V/V(或約為 34 dB);在 0.1%電阻情況下,CMRR等于 500 V/V(或約為 54 dB)—— 甚至假定運算放大器為理想器件,具有無限的共模抑制能力。若運算放大器的共模抑制能力足夠高,則總 CMRR 受限于電阻匹配。某些低成本 運算放大器具有 60 dB 至 70 dB 的最小 CMRR,使計算更為復雜。

二、運算放大器應用電路
OP4177器件是一款精密、低噪聲、低輸入偏置電流、四通道運算放大器,此篇主要介紹了OP4177特性、應用范圍、參考設計電路以及電路分析,幫助大家縮短設計時間。
OP4177介紹:
OPx177系列由極高精度的單通道、雙通道和四通道放大器組成,具有極低失調電壓和漂移、低輸入偏置電流、低噪聲及低功耗等特性。使用1000pF以上容性負載時輸出穩定,無需外部補償。電源電壓為30V時,每個放大器的電源電流小于500μA。內置500Ω串聯電阻可保護輸入,允許輸入信號電平高出電源電壓若干伏特,并保證無反相。
OP4177特點:
低失調電壓:60 μV(最大值)
極低失調電壓漂移:0.7 μV/°C(最大值)
低輸入偏置電流:2 nA(最大值)
低噪聲:8 nV/√Hz(典型值)

圖2 OP4177典型應用電路
[page] 三、驅動放大器應用電路
ADA4870是一款單位增益穩定的高速電流反饋型放大器,使用40 V電源能夠提供1 A輸出電流和2500 V/μs壓擺率。 ADA4870的創新架構采用ADI公司的專有高壓超快速互補雙極性(XFCB)工藝制造,可為需要驅動低阻抗負載的應用提供高輸出功率、高速信號處理解決方案。此篇主要介紹了ADA4870特性、應用范圍、參考設計電路以及電路分析,幫助大家縮短設計時間。
ADA4870特性:非常適于驅動高容性或高阻性負載、寬電源電壓范圍在 10 V至40 V、高輸出驅動電流是 1A、寬輸出電壓擺幅: 采用40 V電源,擺幅為37 V;高壓擺率: 2,500 V/μs;寬帶寬: 52 MHz大信號帶寬;70 MHz小信號帶寬、低噪聲: 2.1 nV/√Hz;靜態電流: 32.5 mA;掉電模式: 0.75 mA;短路保護和標志、限流1.2 A、熱保護。

ADA4870典型應用范圍包括:包絡跟蹤、功率場效應晶體管驅動器、超聲、壓電驅動器、PIN二極管驅動器、波形產生、自動測試設備(ATE)、CCD面板驅動器、復合放大器
四、數字放大器應用電路
TAS5731 是一款 20W,高效,數字音頻立體聲功率放大器。此篇主要介紹了TAS5731特性、應用范圍、參考設計電路以及電路分析,幫助大家縮短設計時間。
TAS5731特性:
此放大器用于驅動立體聲橋接式揚聲器。 一個串行數據輸入可處理最多兩個離散音頻通道并能與大多數數字音頻處理器和 MPEG 解碼器無縫整合。 此器件可接受寬范圍的輸入數據和數據傳輸速率。 一個完全可編程數據路徑將這些通道路由至內部揚聲器驅動器。
2 通道 I2S 輸入;8kHz 至 48kHz fS
20W 立體聲,8Ω / 18V(總諧波失真 (THD) + N = 10%)
優勢
直接連接至數字處理器
來自標準電源的高輸出功率
無需散熱器
高級處理改善了音頻體驗
TAS5731參考設計電路:

五、功率放大器應用電路
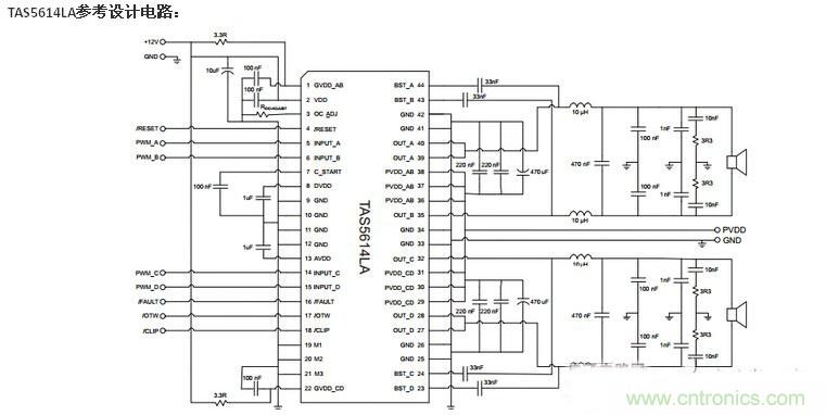
TAS5614LA是一款基于 TAS5614LA 的功能優化 D 類功率放大器。此篇主要介紹了TAS5614LA特性、應用范圍、參考設計電路以及電路分析,幫助大家縮短設計時間。

TAS5614LA特性:
TAS5614LA 使用大型金屬氧化物半導體場效應晶體管 (MOSFET) 提升功率效率,并采用新型柵極驅動方案降低空閑狀態下和輸出信號較低時的損耗,從而減小散熱器尺寸。
該器件可使用獨特的預鉗位輸出信號來控制 G 類電源。 這一優勢與 TAS5614LA 的低空閑損耗和高功率效率相結合,可實現行業領先水平的效率,從而確保構建超級“綠色”系統。
TAS5614LA 使用恒定電壓增益。 內部匹配增益電阻器確保了一個高電源抑制比,使得輸出電壓只取決于音頻輸入電壓并避免了任何電源的人工缺陷。
六、差分放大器應用電路
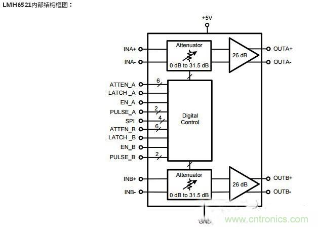
LMH6521是包含兩個高性能,數字控制可變增益放大器(DVGA)。此篇主要介紹了LMH6521特性、應用范圍、參考設計電路以及電路分析,幫助大家縮短設計時間。


LMH6521特性:
LMH6521的兩個通道都包含有一個獨立的、線性度高的差分放大器,除此之外每個通道還可配置為高速掉電模式。每一塊都被優化,用于低失真的系統設計。
編輯點評:本文介紹了部分放大器的電路設計圖,這些放大器的使用都非常廣泛。為了獲得穩定且值得投入生產的設計,應仔細考慮噪聲增益、輸入電壓范圍、阻抗比和失調電壓規格。
相關閱讀:
詳解:解密多種電流檢測放大器電路設計
實例探討:如何精確放大器電路的光強度
經典電路大放送:五種精選放大器電路設計



