一.電源線噪聲
電網中各種用電設備產生的電磁騷擾沿著電源線傳播所造成的,電源線的噪聲分為兩大類:共模干擾和差模干擾。
1.共模干擾(Common-mode Interference):兩導線上的干擾電流振幅相等,而方向相同者稱為共模干擾。(任何載流體與地之間不希望有的電位)

共模干擾的消除
共模扼流圈工作原理如下:

當電路中的正常電流通過時,電流在同相位繞制的電感線圈中產生反向的磁場而相互抵消,此時正常信號電流主要受線圈電阻的影響(和少量因漏感造成的阻尼);當共模電流流過線圈時,由于共模電流的同向性,會在線圈類產生同向的磁場而增大線圈的阻抗,使線圈表現為高阻抗,產生較強的阻尼效果,以此衰減共模電流達到濾波的目的。


共模電容的工作原理和差模電容的工作原理是一致的,都是利用電容的高頻低阻性,使高頻干擾電路短路,而低頻時電路不受任何影響。只是差模電容是兩極之間短路,而共模電容是線對地短路。
消除共模干擾的方法包括:
(1).采用雙絞線并有效接地。
(2).強電場的地方還需要采用度鋅管屏蔽。
(3).布線時遠離高壓線,更不能將高壓電源線和信號線捆在一起走線。
(4).不要和電控所共用同一個電源。
(5).采用線形穩壓電源或高品質的開關電源(紋波干擾小于50mV)
(6).采用差分式電路
2.差模干擾(Differential-mode Interference):兩導線上的干擾電流,振幅相等,方向相反稱為差模干擾。(任何兩個載流體之間不希望有的電位差)
(電容C的容量范圍大致是2200pF-0.1uF,為減小漏電流,電容量不宜超過0.1uF)

差模干擾的消除

當干擾信號頻率越高時,Zc越小,效果越明顯,而低頻時電路不受任何影響。(電容C的容量大致是0.01-0.47uF)
任何電源線上傳導干擾信號,均用差模和共模信號來表示,差模干擾在兩導線之間傳輸,屬于對稱性干擾;共模干擾在導線與地(機殼)之間傳輸,一般指在兩根信號線上產生的幅值相等,相位相同的噪聲,屬于非對對稱性干擾。在一般情況下,差模干擾幅度小、頻率低、所造成的干擾較小;共模干擾幅度大、頻率高,還可以通過導線輻射,所造成的干擾較小。
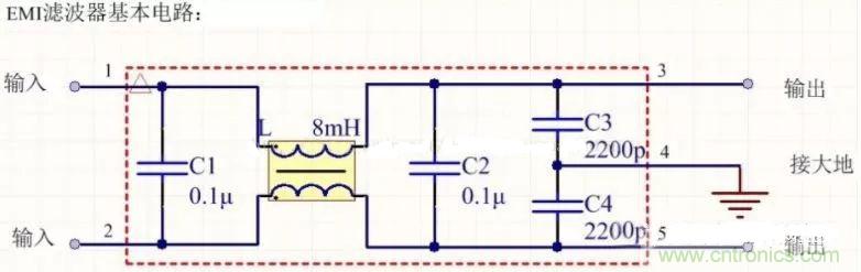
3.濾波器

該五端器件有兩個輸入端,兩個輸出端和一個接地端,使用時外殼應該接到大地。
L抑制共模干擾,對差模干擾不起作用。

其中兩條紅線是火線和零線N的共模干擾電流回路,稱為漏感電流回路。
L相對于N為220V,外殼如果不接地,存在110V的電壓
對地漏電流計算:
Icd=2*pi*f*C*Uc
其中Icd為漏電流;f為電網頻率;
Icd=ICYL+ICYN
=50*110*2*3.1415926*(2200p)*2
=0.15mA
漏電流與C成正比,這樣安全性高(但是C取的太小,漏電流太小又起不到消除干擾的目的),一般為幾百微安到幾毫安。
接地線的電阻越高,使用者面臨的風險越大,如果一個人觸碰了破損接地線的設備,漏電流將流經人體到達大地。

常用的四種簡易的EMI裝置
為降低成本和減小體積,開關電源一般采用簡易的EMI濾波器,主要包括共模扼流圈L和濾波電容,以下四種可以根據情況進行選擇:



上圖R為放電電阻,可將C1上積累的電荷放掉,避免因電荷積累而影響濾波特性,斷電后還能使電源的進電端不帶電,保證使用的安全性。

二.輸入電流畸變造成的噪聲
開關電源普遍采用橋式整流,電容濾波的裝置。在沒有PFC功能的輸入級,由于整流二極管的非線性和濾波電容的儲能功能,使得二極管的導通角變小,輸入電流變成一個峰值很高、時間很短的尖峰脈沖電流。給系統帶來了諧波干擾,并且降低了功率因數。
三.開關管及變壓器產生的干擾
開關管是開關電源的核心器件,同時也是干擾源。當開關管的頻率升高,開關管的開關頻率升高,會給整個系統增加干擾,此時如果吸收回路的二極管或者電容電阻的參數選擇不當的時候也會給整個系統帶來干擾。
開關電源工作過程中,由初級濾波大電容、高頻變壓器初級線圈和開關管構成一個高頻電流回路,該回路造成一個較大的輻射噪聲。
四.輸出整流二極管產生的噪聲
理想的二極管在承受反向電壓時截至,不會有反向電流通過。而實際二極管,當二極管正向導通時,PN結類的電荷被積累,當二極管承受反向電壓時,PN結類的電荷釋放并形成一個反向恢復電流,它恢復到零點的時間與結電容的大小有關。可以在二極管兩端并聯RC,用來吸收噪聲。
五.分布及寄生參數引起的開關電源的噪聲
開關電源的分布參數是多數干擾的內在因素,開關電源和散熱器之間的分布電容、變壓器初次級之間的分布電容、原副邊的漏感都是噪聲源,此外在高頻信號下的元件都有高頻特性。高頻工作時導線變成了發射線、電容變成了電感、電感變成了電容、電阻變成了共振電路。
推薦閱讀:
可控的開關電源軟啟動電路應用設計
淺談集成穩壓器調整率參數的測量原理和方法
《2017年協作機器人行業發展藍皮書》重磅全球首發
深入解讀高端智能手機芯片里的“外交官”-射頻前端





