交通運輸系統需求
交通運輸系統的輸入電壓可能高達 14V (單電池供電汽車)、28V (雙電池供電卡車、客車和飛機)、或更高電壓,而其數字系統需要一個或更多個低壓軌。因此,設計這類系統時,需要了解怎樣才能簡便、高效和可靠地從很高的輸入電壓降壓。以下圖 1 顯示,汽車環境中的輸入電壓可能視其運行狀態的改變而改變,而其運行狀態可能包括負載突降變化到冷車發動的各種情況,甚至出現電池反向連接。
圖 1:典型的汽車瞬態情況
NOMINAL 14V:標稱 14V
120V LOAD DUMP:120V 負載突降
6V CRANK:6V 冷車發動
85V NOISE:85V 噪聲
24V JUMP START:24V 猛然起動
REVERSE BATTERY:電池反向連接
當應用要求以非常高的效率進行電源轉換,以最大限度減少轉換過程中由功率損耗導致的熱量時,采用開關穩壓器解決方案是有幫助的。開關穩壓器本質上是單片器件,片內集成了 MOSFET,采用了同步或非同步配置。或者,開關穩壓器也可以由一個開關控制器組成,該控制器驅動采用單級或多級拓撲 (多相) 的外部 MOSFET,以提供數十安培至數百安培級的功率。為了滿足如此大的功率范圍要求,ADI公司提供了廣泛的開關穩壓器解決方案,以使用戶能夠按照最終系統所需的特定設計標準,選擇最適用的器件。相應地,我們的開關穩壓器有非常寬的輸入電壓范圍 (從 5V 直至 150V),輸出功率級從數百毫安直至高于 1,000A。
這種開關穩壓器的一個例子是 LTC3895,該器件是一個具有 150V 輸入的同步降壓型轉換器,可配置為多相運行,如圖 2 所示。

圖 2:LTC3895 原理圖以及效率隨功率損耗變化的曲線
VOUT FOLLOWS VIN WHEN VIN < 12V:VIN < 12V 時,VOUT 跟隨 VIN
EFFICIENCY:效率
POWER LOSS:功率損耗
LOAD CURRENT:負載電流
在任何交通運輸系統中都有一個常見問題:怎樣才能在不影響性能和轉換效率的前提下,獲得高降壓比和占板面積緊湊的解決方案? 直到不久前,依然沒有一款解決方案能夠在不犧牲其他性能的情況下達到所有關鍵性能標準。不過,隨著ADI公司單片、2MHz 以上、同步降壓型轉換器 LT86xx 系列的推出,所有必要的性能標準都可以立即得到滿足了。
一個很好的例子是 LT8609,這是一款 2A、42V 輸入同步降壓型開關穩壓器。獨特的同步整流拓撲提供 93% 的效率,而以 2MHz 頻率切換使設計師能夠避開關鍵噪聲敏感頻段,例如 AM 無線電,同時可提供占板面積非常緊湊的解決方案。突發模式 (Burst Mode®) 運行在無負載備用情況下保持靜態電流低于 2.5μA,從而使該器件非常適合始終保持接通的系統。LT8609 的 3.0V 至 42V 輸入電壓范圍使其非常適合汽車應用,這類應用必須以低至 3.0V 的最低輸入電壓穩定通過冷車發動和停-啟情況,并穩定通過超過 40V 的負載瞬態。其內部 3.5A 開關可在峰值負載電流為 3A 時,提供高達 2A 的連續輸出電流。原理圖和相應于 2MHz 切換頻率的效率曲線如圖 3 所示。

圖 3:LT8609 原理圖和效率曲線
由于在單電池或雙電池供電車輛中,冷車發動和負載突降情況很常見,所以很多交通運輸系統都提供很寬的輸入電壓范圍。而且使情況更加復雜的是,所需輸出電壓有可能超出這種已經很寬的輸入電壓范圍。因此,系統設計師面臨的復雜問題是,無論輸入電壓是高于、低于還是等于輸出電壓,所設計的解決方案都必須允許固定輸出。
解決這種問題的常見方法是采用 SEPIC 拓撲轉換器。不過這種轉換器的設計很復雜,需要兩個電感器,而且通常空間利用率和轉換效率都不高。因此,ADI公司設計了廣泛的 4 開關降壓-升壓型控制器,這些控制器不僅簡化了設計,還提供很高的空間利用率和轉換效率,功率損耗在 5% 至 7% 之間 (視輸入至輸出電壓范圍而定)。圖 4 所示 LT8705 是一個 4V 至 80V 輸入的降壓-升壓型控制器例子,該器件提供車輛環境中常見的一個固定 12V 輸出。

圖 4:詳細的 LT8705 原理圖,從 4V 至 80V 輸入提供固定 12V 輸出
INCREASED VOUT RIPPLE FOR VIN > 60V:VIN > 60V 時,VOUT 紋波增大
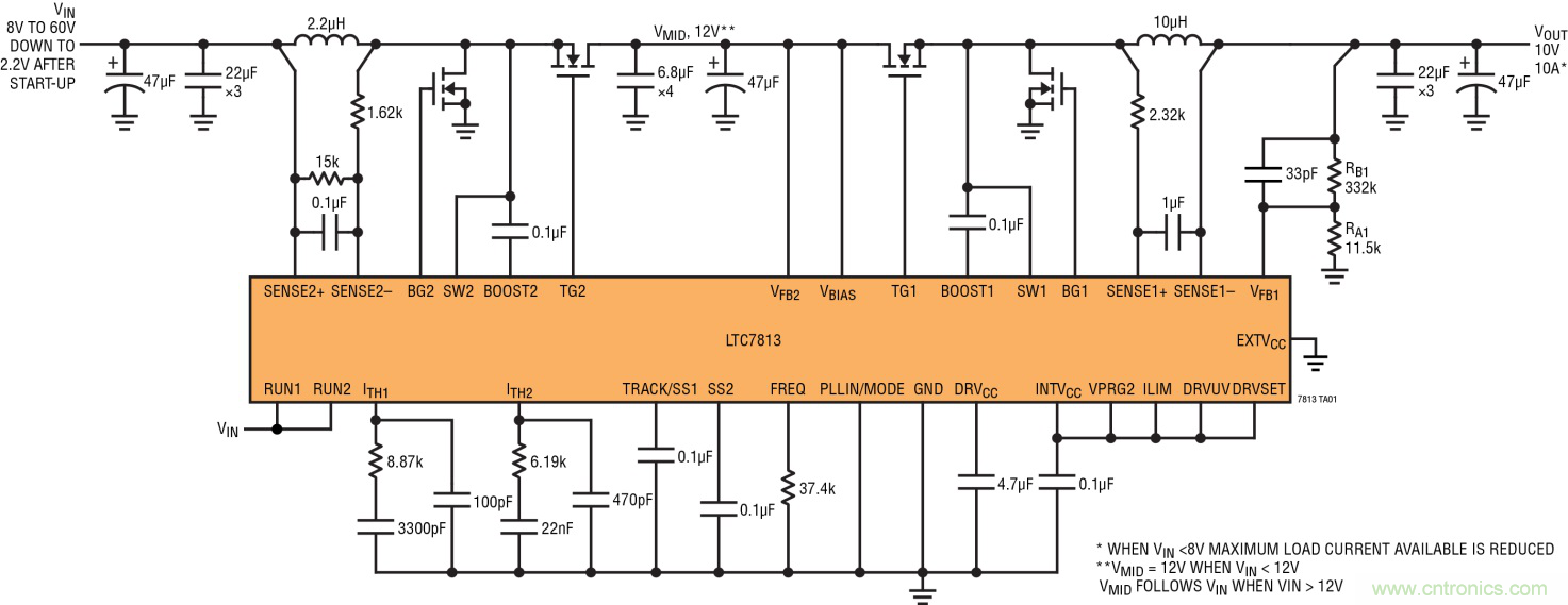
解決汽車冷車發動問題的另一種方法是,采用升壓型轉換器,后面再跟一個降壓型轉換器。在這種拓撲中,從單電池提供的升壓型轉換器之輸出設定為比電池的標稱電壓高出幾伏,然后再用一個降壓型轉換器對其降壓,使其達到下游電子組件所需的工作電壓。盡管這種方法需要兩個轉換器,但是ADI公司已經開發出一款整合了升壓型控制器和降壓型控制器的器件,兩個控制器既可獨立使用,又可作為升壓-降壓跟隨器使用。圖 5 中用LTC7813 說明這種器件的工作原理。

圖 5:LTC7813 原理圖 ~~ 一個級聯的升壓及降壓型單輸出控制器 IC
8V TO 60V DOWN TO 2.2V AFTER START-UP:8V 至 60V,啟動后降至 2.2V
低噪聲電源管理
電磁輻射 (EMR)、電磁干擾 (EMI) 和電磁兼容 (EMC) 這些術語與帶電粒子及有關磁場的能量有關,這種能量有可能影響電路性能和干擾信號傳輸。隨著無線通信的普及、大量通信設備的涌現以及通信方法日益增多、占用越來越多的頻譜 (有些頻段是相互重疊的),電磁干擾已經成為揮之不去的事實。為了減輕電磁干擾的影響,很多政府機構和監管機構都設定了通信設備及儀器儀表的電磁輻射限度。
因此,很顯然的是,低輻射是很多汽車和交通運輸設備制造商的關鍵要求。系統設計師怎樣才能滿足汽車 CISPR 25、Class 5 (圖 6 所示) 的嚴格要求,同時仍然保持高效率和很小的解決方案尺寸呢?
圖 6a:LT8614 的輻射值遠低于 CISPR25、Class 5 限制
AMPLITUDE:幅度
VERTICAL POLARIZATION:垂直極化
PEAK DETECTOR:峰值檢測器
CLASS 5 PEAK LIMIT:Class 5 峰值限制
FIXED FREQUENCY MODE:固定頻率模式
SPREAD SPECTRUM MODE:擴展頻譜模式
FREQUENCY:頻率
圖 6b:采用 Silent Switcher 拓撲的 LT8614
一種答案也許是采用ADI的 Silent Switcher® 系列器件。以 LT8614 為例,這是一款42V 輸入、4A 輸出、單片降壓型轉換器,以高于 2MHz 的開關頻率和 94% 的轉換效率切換,由于其很短的 30ns 最短接通時間,因此可滿足 16V 輸入至 1.8V 輸出降壓比。此外,由于采用了已獲專利的 Silent Switcher 技術,所以該器件可超越 CISPR 25 和 CISPR 22 Class B輻射要求,如圖 7 所示。

圖 7:LT8614 滿足 CISPR 22 和 CISPR 25 要求
NOISE FLOOR:噪聲層
FREQUENCY:頻率
RADIATED NOISE LEVEL:輻射噪聲值
CISPR 22 RADIATED CLASS B LIMITS:CISPR 22 Class B 輻射限制
低靜態電流也是關鍵要求
在交通運輸電子系統中,有很多應用要求連續供電,甚至在車輛已經停泊后,例如遙控無鑰匙進入、安防甚至個人信息娛樂系統,這類應用通常還包括導航、GPS 定位和緊急呼叫系統。也許難以理解,為什么這些系統甚至在車輛未行使時也必須保持接通,不過可以理解的是,為了應對緊急情況和保證安全,GPS 系統必須“始終保持接通”。這種要求很有必要,以便在需要時通過外部操作運用基本控制功能。
這類應用的一個關鍵要求是低靜態電流,以延長電池壽命。自 2010 年以來,ADI一直在生產備用靜態電流低于 10mA 的開關穩壓器,我們最近推出的一些較新產品的備用靜態電流已經低于 2mA 了。因此,這些產品已經為應用于很多汽車電子系統做好了充分準備。
結論
ADI公司提供了豐富的開關穩壓器產品,這些產品滿足對開關穩壓器的所有要求,而且這些產品的特性非常適合多種交通運輸系統,其特性包括:
· 很寬的輸入電壓范圍:2.xV 至 150V
· 在備用模式具低靜態電流:典型情況下低于 10mA
· 最低限度的輸出噪聲和很低的 EMI / EMC 輻射
· 擴展的溫度范圍:在 150°C 環境溫度和結溫時保證運行
· 高效率:滿負載時高達 97%,輕負載情況下高達 80%
· 低熱阻封裝:低至 10°C/W (qjc)
· 以高降壓比、高開關頻率運行:高達 4MHz
· 高電流密度:采用 3mm x 5mm MSOP 封裝,提供高達 5A 連續輸出電流
· 行業領先的 FIT 率:典型情況下低于 0.2
推薦閱讀:
電阻器色環編碼的小秘密,一開始我也不知道!
解決產品電磁兼容問題,工程師都用哪些方法呢?
菜鳥與老手搭電路板有什么區別?一比嚇一跳!
引發電路故障很難檢測,通常就是這個原因!




