【導讀】要降低的NB-IoT產品的功耗,需要在產品設計過程中選擇低功耗的器件。電源是整個產品的動力,因此,選擇效率高、性能符合產品功耗特性的DC/DC模塊是非常重要的。
當然,在選擇合適的DC/DC模塊時,工程師首要的選擇依據是產品手冊。但手冊上標稱的都是典型指標。在與設計的電路相匹配時,可能會出現一些偏差,影響電路的特性。在這種情況下,工程師就希望有手段對DC/DC模塊的性能進行一些參數的驗證。
但要建立起驗證環境絕對不是簡單的事情。需要包括示波器、萬用表、電子負載、直流源等諸多的測試設備,而且由于功率小,需要的精度比較高,有時甚至還需要軟件控制。這足以讓一名工程師感到崩潰!

如果你手中有N6705C+ N6781A, 再加上一個其它的模塊,恭喜你, 你已經具備了驗證小功率DC/DC模塊的最便捷和有效的手段!

DC/DC的測試框圖


在N6705C + N6781A,再加上一個模塊,就全部搞定
大家肯定很熟悉DC/DC的測試方法框圖。由于在N6705C中,有內置的高分辨率數字化儀、高精度電壓表、電流表、帶有功率的任意波形發生器、再利用一個直流模塊Vin,N6781A充當負載模塊,在14585A軟件的控制下,即可構成了一套小功率DC/DC的高精度測試系統。而且無需編程,分分鐘完成一系列的測試和評估!
讓我們一起看看N6705實測某DC-DC模塊從靜態、空耗、開/關時間、負載效應、源效應、效率分布曲線以及紋波抑制比等參數測試的結果。
1 DC-DC靜態輸出性能
測試描述:輸入12V正常工作電壓,測試輸出電壓大小。


2 DC-DC 空耗
測試描述:輸出端未連接任何負載的情況下,測試輸入端的電壓和功率。


3 DC-DC 開機參數
測試描述:測試輸入電壓上電時的浪涌電流及輸入,輸出電壓上升時間和時延。


4 DC-DC 關機參數
測試描述:測試關機時輸入端浪涌電流及輸入、輸出電壓下降時間和時延


5 DC-DC 負載效應
測試描述:輸出負載變化時,測試輸出電壓波動和穩定性。


6 DC-DC 源效應
測試描述:輸入電壓變化時,測試輸出電壓波動和穩定性。


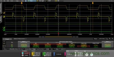
7 DC-DC效率隨輸出功率分布曲線
測試描述:對輸出功率進行調節,測試輸出功率與輸入功率比值,即效率隨輸出功率變化。在以下這張測試截圖中, 我們看到有7條曲線: 輸入的電壓、電流和功率; 輸出的電壓、電流和功率, 以及最上面這條橘黃色的效率曲線。


8 DC-DC紋波及噪聲抑制比
測試描述:在源端注入特定幅度頻率的紋波噪聲,同時在輸出端測量紋波的幅度值,并計算紋波抑制比。


所以,N6705C不僅是低功耗的神器,它的大名是“直流電源分析儀”,用它來分析一個DC/DC二次電源,手到擒來 !
推薦閱讀:




