【導讀】復雜的高功率密度數字集成電路(IC),例如圖形處理器單元(GPU)和現場可編程門陣列(FPGA),常見于功能豐富的電子環境中,包括:
● 汽車
● 醫療
● 電信
● 數據通信
● 工業
● 通信
● 游戲設備
● C消費類音頻/視頻
市場滲透率如此之高,全球對大電流低壓數字IC的需求激增也就不足為奇了。當前全球市場規模預估超過18億美元,預計該市場在2018年至2025年期間年增長率為10.87%,將達到37億美元。作為該市場最大的組成部分之一,預計FPGA的市場規模到 2025年底將達15.3億美元。數字IC市場的其他代表產品還包括 GPU、微控制器和微處理器、可編程邏輯器件(PLD)、數字信號處理器(DSP)和專用集成電路(ASIC)。
高功率密度數字IC幾乎已經滲透進入所有的嵌入式系統。FPGA可以在上述市場領域實現先進應用。例如,在汽車應用中,高級駕駛員輔助系統(ADAS)和防撞系統可以預防由人為錯誤而引起的災難。同樣,政府規定的安全功能(諸如防抱死制動系統、穩定性控制和電子控制的獨立懸掛系統等)也需要FPGA來發揮作用。
在消費類電子產品領域,對物聯網(IoT)功能、復雜的圖形引擎功能和機器對機器(M2M)功能的需求迫切需要先進的數字IC。海量數據存儲、云計算中心以及光網絡模塊的擴展網絡推動了對FPGA和數字IC的需求。
這些數字IC功能強大,但要求嚴苛,特別是在功率需求方面。傳統上,為FPGA和ASIC供電一直采用高效開關穩壓器控制器驅動高功率MOSFET完成,但是這些基于控制器的電源方案存在潛在的噪聲干擾、相對較慢的瞬態響應和布局限制等問題。近年來,可最大限度減少熱量的小型且安靜的低壓差(LDO)穩壓器已 經被用作替代方案,但它仍然存在自身的局限性。最近的電源轉換創新引入了高功率單片式開關穩壓器,它能夠為數字IC有效供電,兼具低噪聲和高效率,同時還最大限度地降低了空間需求。
開關穩壓器、電荷泵與LDO穩壓器
實現低電壓、大電流降壓轉換與調節可采用多種方法,每種方法都有各自的性能和設計權衡考量。開關穩壓器控制器能夠在寬電壓范圍內和高負載電流下高效運行,但它們需要多個外部元件(如電感、電容和FET)才能運行;而這些元件可能會成為高頻和低頻噪聲的來源。無電感電荷泵(或開關電容電壓轉換 器)也可以用來產生低電壓,但其輸出電流能力受限,瞬態性能較差,并且需要多個外部元件。因此,電荷泵在數字IC電源應用中并不常見。線性穩壓器(尤其是LDO穩壓器)很簡單,因為它們只需要兩個外部電容即可工作。但是,它們的功率可能受限,這取決于IC兩端輸入到輸出的電壓差大小、負載所需 電流的大小以及封裝的熱阻特性。這無疑限制了它們為數字IC供電的能力。
單片式降壓型轉換器的設計挑戰
摩爾定律自1965年問世以來,其遠見性和有效性一再得到驗證。晶圓制造技術的線寬不斷縮小,從而降低了數字IC的電壓。更小的幾何形狀工藝可以在最終產品中高度集成更多的高耗電功能。例如,現代計算機服務器和光通信路由系統需要更寬的帶寬來處理更多的計算數據和互聯網流量;這些系統還會產生大量的熱量,因此需要高效率的IC。汽車配備更多的車載電子設備,用于娛樂、導航、自動駕駛功能甚至發動機控制。于是,系統的電流消耗和相應的總功耗都會增加。因此,需要先進的封裝和內部功率級的創新設計將熱量驅散出功率IC,同時提供更高的功率。
高電源抑制比(PSRR)和低輸出電壓噪聲(或紋波)是重要的考慮因素。具有高電源抑制比的器件可以過濾和抑制輸入噪聲,從而獲得干凈穩定的輸出。此外,電源解決方案需要在寬帶寬范圍內具有低輸出電壓噪聲(或低輸出紋波),因為現代數字系統具有多個電源軌,其中噪聲靈敏度是設計的主要考慮因素。隨著高端FPGA對速度要求的提高,電源噪聲容差逐漸降低,以最大限度地減少誤碼。噪聲引起的數字故障會大大降低這些高速PLD的有效數據吞吐速率。大電流下的輸入電源噪聲成為對電源要求更嚴苛的規范之一。
收發器速率越高(例如在FPGA中),導致電流水平越高,這是由精細的幾何形狀電路切換產生的高功耗所致。這些IC速度很快。它們可能循環的在幾十至幾百納秒內就使負載電流從接近零到幾安培,因此需要具有超快速瞬態響應的穩壓器。
隨著留給功率穩壓器的電路板面積不斷減少,許多系統設計人員轉向使用工作于快速開關頻率下的單片式開關穩壓器,以減小外部元件的尺寸和整體解決方案的尺寸,這意味著需要接受因更高頻率下的開關損耗而導致一些效率損耗的權衡取舍。使用新一代單片式開關穩壓器可以避免這種權衡取舍。這些新的 穩壓器集成了高邊和低邊開關,具有同步操作功能,可以嚴格控制開關柵極電壓,大大縮短了死區時間,即使在高頻率下也可以實現更高的效率。
大電流單片式開關的最大挑戰之一是能否散發由IC內功率損耗產生的熱量。這一難題可以通過使用多個電源引腳和接地引腳以及帶有銅(Cu)柱的耐熱性能增強型層壓式封裝來解決,該封裝可以很輕松地將熱量從IC傳輸到電路板上。將較大的板上覆銅平面連接到這些電源引腳,使熱量分布更均勻。
全新Silent Switcher降壓型轉換器系列
顯然,適合高性能數字IC的降壓型轉換器解決方案必須具有以下特性:
● 快速開關頻率,以使外部元件的尺寸最小
● 零死區時間設計,以使高頻效率最大
● 單芯片板載電源器件,以使解決方案尺寸更小
● 多相操作支持并聯運行,以實現高輸出電流并減少紋波
● 低EMI,以滿足低系統噪聲要求
● 同步操作,以實現高效率和低功率損耗
● 設計簡單,以縮短設計周期并簡化認證與測試
● 輸出紋波極低
● 快速瞬態響應時間
● 在寬輸入/輸出電壓范圍內工作
● 高輸出電流能力
● 出色的散熱性能
● 緊湊的尺寸
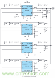
ADI公司 Power by LinearTM LTC33xx系列單片式高、中和低電流降壓型穩壓器具備這些特性。電流最高的器件是LTC3310S, 它是一款5 V、10 A的高功率密度、低 Silent Switcher® 2 單片式同步降壓型轉換器,采用9 mm2 封裝(功率密度 = 1.11 A/mm2)。該器件的固定頻率峰值電流模式架構非常適合要求快速瞬態響應的應用。LTC3310S采用集成了熱環路旁路電容的Silent Switcher 2架構,可在高達5 MHz的頻率下實現高效率、小占板面積的解決方案以及出色的EMI性能。多相操作支持最多四個器件直接并聯,以提供高達40 A的輸出電流。
LTC3310S的2.25 V至5.5 V輸入范圍支持眾多應用,包括大多數中間總線電壓。集成的低導通電阻MOSFET可提供高達10 A的連續負載電流,且熱降額極少。0.5 V至 VIN 的輸出電壓范圍非常適合負載點應用,比如高電流、低電壓的DSP/FPGA/GPU/ASIC設計。其他主 要應用包括光網絡、電信/數據通信、汽車系統、分布式電源架構及任何中高功率密度系統。圖1顯示了典型設計的簡潔性,圖2則顯示了產生4相 40A配置非常簡單。

圖1. LTC3310S典型應用。

圖2. 4個LTC3310S單片式穩壓器并聯構成一個4相、40A降壓型穩壓器。
LTC3310S低至35 ns的最短導通時間可實現高頻率下的大降壓比,并且當輸入與輸出電壓值接近時,100%占空比操作可提供低壓差性能。工作頻率可同步至一個外部時鐘。LTC3310S的總體基準電壓精度在-40°C至+125°C的工作結溫范圍內優于±1%。其他特性包括指示輸出處于穩壓狀態的電源良好信號、精準使能門限、輸出過壓保護、熱停機、芯片溫度監視器、可編程軟啟動、跟蹤、時鐘同步、模式選擇和輸出短路保護。
LTC3310S采用耐熱性能增強型18引腳3 mm×3 mm×0.94 mm LQFN封裝。E級和I級器件的額定工作結溫范圍為-40°C至+125°C,而J級和H級的額定工作結溫范圍為-40°C至+150°C。
高效率、低EMI和快速瞬態響應
Silent Switcher降壓型穩壓器設計在高開關頻率(>2 MHz)下提供高效率、超低電磁干擾(EMI)輻射,從而可實現非常緊湊且低噪聲的降壓解決方案。Silent Switcher系列采用特殊的設計和封裝技術,在2 MHz下能夠實現>92%的效率,同時可以輕松符合CISPR 25 5類峰值EMI限制。新一代的Silent Switcher 2技術的內部結構采用銅柱代替鍵合線,增加了內部旁路電容,以及集成式襯底接地平面以進一步提高EMI,使其對PCB布局不敏感,從而可簡化設計并 降低性能風險。
LTC3310S產品型號中的“S”代表它采用第二代Silent Switcher技術。IC集成了VIN陶瓷電容,以保持所有快速交流電流環路都很小,從而改善了EMI性能。該技術支持快速開關邊沿,在高開關頻率下可提供高效率,同時實現良好的EMI性能(參見圖3、圖4和圖5)。此外,它允許更快速、更干凈的低過沖開關邊沿,從而大大提高了在高開關頻率下的效率。圖6顯示了LTC3310S的高效率性能。

圖3. CISPR 25傳導EMI輻射,5類峰值限制(電壓法)。

圖4. 水平極性輻射。

圖5. 垂直極性輻射。

圖6. LTC3310S效率性能。
LTC3310S的固定頻率峰值電流模式架構簡化了補償,使IC能夠快速響應瞬態階躍。外部補償元件使控制環路得以優化,以實現更高帶寬和更快速的瞬態響應。
采用2 mm × 2 mm封裝的6 A、4 A和3 A Silent Switcher降壓器
對于更高的功率密度,第一代Silent Switcher架構是一個很好的解決方案。Silent Switcher拓撲與Silent Switcher 2拓撲類似,只是 VIN 旁路電容位于外部,而不是位于塑料密封的倒裝芯片層壓式封裝內部。為了完全實現Silent Switcher的低EMI性能,需將外部 VIN旁路電容對稱放置于封裝外部。這種電容分離式的對稱放置可以最大限度地減少熱環路的有效面積,從而降低EMI并縮小封裝占位尺寸。
LTC3309A, LTC3308A 和 LTC3307A 是5 V輸入的穩壓器,可分別支持 6 A、4 A和3 A,以實現高功率密度、低EMI單片式降壓轉換。它們的工作頻率均可達3 MHz,封裝尺寸為 4 mm2 (LTC3309A的功率密度 = 1.5 A/mm2)。
圖7顯示了一個LTC3309A的典型應用。固定頻率峰值電流模式架構非常適合于快速瞬態響應,包括 Burst Mode® 操作期間的快速瞬態響應(參見圖8)。LTC3309A采用Silent Switcher架構,并利用了外部熱環路旁路電容。這種設計可在高工作頻率下實現高效率、 小占板面積的解決方案和出色的EMI性能。
該系列輸入電壓范圍為2.25 V至5.5 V,可支持多種應用,包括大多數中間總線電壓,并與鋰電池和鎳電池類型兼容。集成的低導通電阻MOSFET可提供高達6 A的連續負載電流。0.5 V至 VIN的輸出電壓范圍非常適合負載點應用,比如高電流/低電壓DSP/FPGA/GPU/ASIC參考設計。其他主要應用包括電信/數據通信和汽車系統、分布式電源架構和通用電源系統。
LTC3309A、LTC3308A和LTC3307A可工作在強制連續或跳脈沖模式(以實現低噪聲)或低紋波、低 IQQ突發模式(以在輕負載條件下實現高效率),非常適合電池供電型系統。低至22 ns的最短導通時間仍可實現高降壓比,即使電源工作在較高頻率下也是如 此,并且當輸入與輸出電壓值相同時,100%占空比操作可提供低壓差性能。工作頻率可同步至一個外部時鐘??傮w基準電壓精度在-55°C至+150°C的工作結溫范圍內優于±1%。該器件可在過載情況下安全地承受電感飽和。其他特性包括指示輸出處于穩壓狀態的電源良好信號、內部軟啟動、精準使能門限、輸出 過壓與短路保護、熱停機和時鐘同步。
LTC3309A、LTC3308A和LTC3307A均為引腳兼容的器件,采用耐熱性能增強型、外形扁平的12引腳2 mm × 2 mm × 0.74 mm LQFN緊湊型封裝。E級和I級器件的額定工作結溫范圍為-40°C至+125°C。J級和H級的額定工作結溫范圍為-40°C至+150°C,MP級的額定工作結溫范圍為-55°C至+150°C。

圖7. LTC3309A典型應用電路。

圖8. LTC3309A在突發模式操作時的瞬態響應。
表1比較了LTC33xx Silent Switcher和Silent Switcher 2系列的產品特性。
表1. 故障模式和支持的范圍

結論
高性能數字IC(例如GPU、FPGA和微處理器)的趨勢是電流需求迅速增加且工作電壓下降,這得益于晶圓制造技術的線寬縮小。電流和電壓需求只是整個電源設計的一個部分。數字IC的進步還提出了許多其他要求,包括快速瞬態響應、低EMI、低噪聲/紋波以及有效運行以減少熱量。
傳統上,數字IC采用LDO穩壓器或基于電感的開關穩壓器控制器以及板外功率器件供電。隨著對電源性能和尺寸要求的提高,在許多情況下,這些傳統方法不再能勝任此任務。ADI公司新一代的單片式電源則完全能夠勝任,這些產品包括LTC3310S、LTC3309A、LTC3308A和LTC3307A,分別支持10 A、6 A、4 A和3 A。這些高功率密度的Silent Switcher和Silent Switcher 2降壓型穩壓器采用高散熱效率、緊湊的倒裝芯片層壓式封裝,并具有多種特性組合,可滿足多種數字IC電源問題的需求。
推薦閱讀:




