【導讀】常見的DC-DC轉換器問題是:在輸入電壓可能高于、低于或等于輸出時生成穩壓電壓,也就是說,轉換器必須執行升壓和降壓操作。從標稱12 V電池為汽車電子供電,就是一個典型場景,從引擎冷啟動(低至3 V)到負載突降(高達100 V),或者因為操作員出錯導致出現反向電池電壓(電壓變化范圍相當廣泛)。
從SEPIC到4開關拓撲,有好幾種DC-DC轉換器拓撲可以執行升壓和降壓操作,但這些解決方案中沒有任何一個能夠在主動激活開關的情況,直接將輸入電壓輸入到輸出,現在依然是這樣。
LT8210是一個同步降壓-升壓控制器,可以在直通 Pass-Thru™ 模式下運行,幫助消除EMI和開關損耗,并且最大化效率(高達99.9%)。當輸入電壓在用戶可編程窗口內時,直通功能直接將輸入傳遞到輸出端。LT8210的輸入電壓范圍在2.8 V到100 V之間,所以它的穩壓范圍從冷啟動期間的最低輸入電壓,一直到未受抑制的負載突降的峰值幅度。LT8210可以作為傳統的降壓-升壓控制器運行,支持引腳可選的連續導通模式(CCM)、脈沖跳躍或突發模式 Burst Mode® 運行,或者在直通模式中,輸出電壓可以根據編程窗口調節。當這個窗口中的輸入電壓在不主動開關FET的情況下被直接傳輸至輸出時,運行時 IQ 極低,且沒有開關噪聲。
直通操作模式
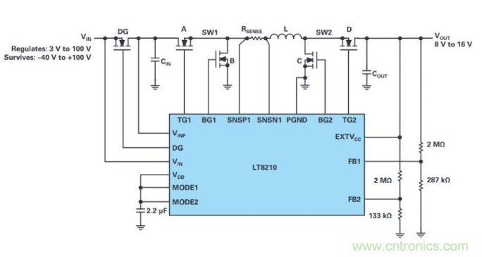
圖1顯示了簡化的LT8210示意圖,配置用于實施直通操作,輸出調節范圍為8 V至16 V。直通窗口的頂部電壓和底部電壓分別由FB2和FB1電阻分壓器設置。

圖2顯示了此電路的輸入/輸出傳輸特性。當輸入電壓高于直通窗口時,LT8210將其降低到穩定的16 V輸出。如果輸入電壓低于直通窗口,LT8210會增大該電壓,并將輸出保持在8 V。當輸入電壓在直通窗口范圍內時,頂部開關A和D保持開啟,使得輸出可以跟蹤輸入,且部件可以進入低功率狀態, VIN 和 VINP 引腳上的典型靜態電流分別為4 µA和18 µA。在這種非開關狀態下,既不存在EMI,也不存在開關損耗,因此效率可以達到99.9%以上。

圖2. 在直通輸入電壓窗口中,直通操作效率可以達到99.9%

圖3. 在直通模式下,LT8210會快速響應80 V未抑制負載突降脈沖,將輸出限制在可編程的16 V最大值。

圖4. 在直通模式下,LT8210通過增壓至可編程的8 V最小輸出電壓來響應冷啟動脈沖(<4 V)。

圖5. 直通區域的效率達到將近100%(與持續導通模式下的效率相比)。

圖6. LT8210在直通區域內具有超低靜態電流。
結論
對于DC-DC轉換器設計人員來說,汽車電池和類似的寬電壓范圍電源都是較為復雜的問題,它們需要提供保護,且要求能夠高效進行降壓和升壓轉換。LT8210同步降壓-升壓控制器將保護功能與輸入范圍廣泛的降壓-升壓轉換器和獨特的直通選項結合在一起,以消除這種復雜性。其工作電壓范圍在2.8 V和100 V之間,提供內置反向電壓保護。直通模式幫助消除開關損耗和噪聲,同時達到超低的靜態電流。在直通模式下,輸出電壓不會按傳統方式調節,而是受可編程的電壓窗口限制。

免責聲明:本文為轉載文章,轉載此文目的在于傳遞更多信息,版權歸原作者所有。本文所用視頻、圖片、文字如涉及作品版權問題,請聯系小編進行處理。






