【導讀】48 V/12 V電池系統在汽車領域的應用指日可待。過去幾年,世界上大多數主要的汽車制造商都在努力證明其系統的適用性。目前來看,很明顯這些系統有望在短期內實現。在實現無人駕駛、真正自動駕駛的全自動乘用車的漫長而艱苦的過程中,這是一個必要而關鍵的一步。
48 V/12 V電池系統在汽車領域的應用指日可待。過去幾年,世界上大多數主要的汽車制造商都在努力證明其系統的適用性。目前來看,很明顯這些系統有望在短期內實現。在實現無人駕駛、真正自動駕駛的全自動乘用車的漫長而艱苦的過程中,這是一個必要而關鍵的一步。盡管如此,這并不意味著12 V電池將退出市場;因為已安裝的車輛中存在太多舊系統,所以不可能出現這種情況。也就是說自動駕駛汽車將同時使用12 V電池和48 V電池。
圖1. 新一代汽車將采用12 V和48 V電池供電
這意味著車輛的內部系統將使用 48 V鋰離子(Li-Ion)電池或12 V封閉式鉛酸(SLA)電池,但不能同時使用這兩種。然而,由于這兩種電池各自的化學性質,除了要為其設計兩個獨立的充電電路外,還必須使用一種機制,允許電荷在其之間流動而不會對電池或車內任何系統造成任何損害。除此之外,考慮到其中一種電池在運行時出現故障的情況,使用兩種電池可提供冗余電源。
雖然這肯定會使車輛內各種電氣子系統的設計復雜化,但也存在一些優點。據一些汽車制造商稱,基于48 V的電氣系統可使內燃機車輛的燃油經濟性提高10%至15%,從而減少二氧化碳排放。此外,未來使用48 V/12 V雙系統的車輛將允許工程師集成獨立于發動機負荷運行的電動助推器技術,從而可提高加速性能。此類電動增壓器已處于開發的高級階段,并且將位于引氣系統和中冷冷卻器之間,使用48 V電壓軌使渦輪葉片旋轉。
全球范圍內的燃油經濟法規越來越嚴格,而聯網的自動駕駛功能在新型汽車上日益普及。因此,12 V汽車電氣系統已經達到了其可用功率的極限。與此同時,這些變化似乎還不夠,汽車電子系統需求也顯著增長。加上相關的功率需求,這些變化創造了一系列全新的工程機遇。顯然,3 kW功率極限的12 V鉛酸電池汽車系統必須得到補充。
此外,還存在影響這些系統工作方式的新汽車標準。新提出的汽車標準(稱為LV 148)將二級48 V總線與現有汽車12 V系統合而為一。48 V電源軌包括一個集成起動發電機(ISG)或皮帶起動發電機、48 V鋰離子電池以及一個雙向DC-DC轉換器,可從48 V和12 V電池提供10 kW級的能量。該技術適用于傳統內燃機汽車、混合動力汽車和輕度混合動力汽車,可幫助汽車制造商滿足日益嚴格的二氧化碳排放目標。
面向48 V/12 V電池系統的全新電源解決方案
此新標準要求12 V總線繼續為點火、照明、信息娛樂和音頻系統供電。而48 V總線將為主動底盤系統、空調壓縮機、可調懸架、電動增壓器/渦輪增壓器供電,甚至還將支持制動能量回收。
在車輛中增加一個48V供電網絡并非沒有重大影響。電子控制單元(ECU)將受影響,且需要將其工作范圍調至更高電壓。這就要求DC-DC轉換器制造商采用專用的IC,以實現這種高功率傳輸。
于是,ADI Power 產品部門設計開發了一些DC-DC轉換器,能夠以非常高的效率實現這一能量轉換,從而在節能的同時最大限度地減少了散熱設計方面的問題。
顯然,這需要在12 V和48 V電池之間使用一個雙向降壓和升壓DC-DC轉換器。這種轉換器可用于為其中任何一個電池充電,并且可以讓兩個電池同時為同一個負載供電(如果系統要求)。從傳統角度來看,這些最初的48 V/12 V雙電池DC-DC轉換器設計采用了不同的功率組件進行降壓和升壓。
ADI Power最近推出了一款雙向DC-DC控制器LT8228,它采用與降壓轉換相同的外部功率組件進行升壓轉換。
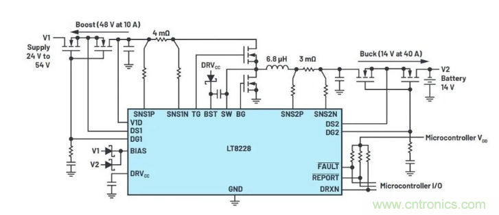
LT8228(如圖2所示)是一款具有獨立補償網絡的100 V雙向恒流或恒壓同步降壓或升壓控制器。電源的流動方向由LT8228自動決定,或由外部控制。輸入和輸出保護MOSFET用于防止出現負電壓,控制浪涌電流,并在開關MOSFET短路等故障條件下在端子之間提供隔離。在降壓模式下,V1端子的MOSFET保護可防止出現反向電流。在升壓模式下,相同的MOSFET通過一個可調整的計時器斷路器控制輸出浪涌電流并進行自我保護。

圖2. 簡化的雙向電池備用系統配置中的LT8228。
此外,LT8228還具有雙向輸入和輸出限流和獨立電流監控功能。無主、容錯均流允許增加或刪除任何并聯的LT8228,同時確保均流精度。內部和外部故障診斷和報告可通過故障和報告引腳獲得。LT8228采用38引腳TSSOP封裝。
LT8228是一款具有MOSFET保護功能的100V雙向峰值電流模式同步控制器。在降壓模式下,控制器由輸入電壓V1提供降壓輸出電壓V2;或者在升壓模式下,由輸入電壓V2提供升壓輸出電壓V1。輸入和輸出電壓最高可設置為100 V。工作模式可通過DRXN引腳由外部控制,或自動選擇。此外,LT8228可對V1和V2端子提供MOSFET保護。MOSFET可防止出現負電壓,在出現內部或外部故障時,在輸入和輸出端口之間提供隔離保護,還提供逆流保護以及浪涌電流控制。在電池備用系統等應用中,雙向功能允許使用高電壓或低電壓電源為電池充電。當電源不可用時,電池可提供經過升壓或降壓處理的電源。
為優化瞬態響應,LT8228采用兩個誤差放大器:升壓模式下的EA1和降壓模式下的EA2,分別帶有獨立的補償引腳VC1和VC2。當在輕載運行等條件下檢測到反向電感電流時,控制器在斷續導通模式下工作。LT8228在降壓和升壓模式下使用以下四個引腳進行輸入和輸出限流編程:ISET1P、ISET1N、ISET2P和ISET2N。此外,控制器利用IMON1和IMON2引腳提供獨立的輸入和輸出電流監控。在整個輸入和輸出電壓范圍(0 V至100 V)內,限流編程和監控功能均有效。
此外,LT8228可提供無主、容錯輸出均流,可用于多個并聯LT8228,從而實現更高的負載電流,更好的散熱管理和冗余性。每個LT8228均可調節至平均輸出電流,無需使用主控制器。當禁用單個LT8228或在故障條件下,它會停止向平均總線輸出電流,從而使均流方案具有容錯能力。
其他特性包括:
反饋電壓容差:±0.5%(全溫度范圍內)
雙向可編程電流調節與監控
擴展的自測、診斷和故障報告
可編程固定或同步開關頻率:80 kHz至600 kHz
可編程軟啟動和動態限流
無主、容錯均流
結論
LT8228通過使用相同的外部功率組件進行降壓和升壓,可提高48V/12 V雙電池DC-DC汽車系統的性能、控制功能并簡化設計。它可根據需要在48 V總線至12 V總線降壓模式或12 V至48 V升壓模式下工作。啟動汽車或需要額外電源時,LT8228允許兩個電池同時向同一負載供電。功率轉換設計人員利用這個功能多樣的雙向轉換器,可以輕松地配置未來全自動駕駛汽車所需的12V和48 V電池系統。

(來源:亞德諾半導體)
免責聲明:本文為轉載文章,轉載此文目的在于傳遞更多信息,版權歸原作者所有。本文所用視頻、圖片、文字如涉及作品版權問題,請聯系小編進行處理。




