【導讀】許多運動控制應用都采用永磁直流電機。因為與交流電機相比,直流電機的控制系統更容易實現。因此,在需要控制速度、扭矩或位置時,通常都采用直流電機。
常用的直流電機有兩種:有刷電機和無刷電機(或稱BLDC電機)。顧名思義,有刷直流電機帶有電刷,電刷可以使電機換向并旋轉;而無刷電機則用電子控制取代了機械換向功能。
很多應用都是既可以使用有刷直流電機,也可以使用無刷直流電機。兩種類型的電機基于相同的線圈和永磁體吸引與排斥原理,二者都具有各自的優缺點,可以根據應用需求進行具體選擇。
有刷直流電機
有刷直流電機

有刷直流電機(圖片來源:maxon集團)
直流電機使用繞線線圈來產生磁場。在有刷電機中,線圈可以自由旋轉從而驅動軸,它們被稱為“轉子“。通常,線圈纏繞在鐵芯上,當然也有“無芯“有刷電機,其繞組是自支撐的。
電機的固定部分稱為“定子“。用于提供固定磁場的永磁體通常位于定子的內表面和轉子的外部。
為了產生使轉子旋轉的扭矩,轉子的磁場需要持續旋轉,以使其磁場吸引并排斥定子的固定磁場。通常采用滑動式電子開關來使磁場旋轉。該開關由換向器和固定電刷組成,換向器通常是安裝在轉子上的分片觸點,而固定電刷則安裝在定子上。

隨著轉子的轉動,換向器不斷地接通和斷開不同的轉子繞組,導致轉子線圈不斷被定子的固定磁體吸引和排斥,從而使轉子旋轉。
有刷電機的電刷和換向器之間存在機械摩擦,而且由于是電觸點,通常無法潤滑。因此電刷和換向器在電機的整個壽命周期內都存在機械磨損,并最終將導致電機無法工作。不過許多有刷電機(尤其是大型有刷電機)都有可更換的電刷,其電刷通常由碳制成,在磨損后也可保持良好的接觸,這些電機都需要定期維護。但即使有可更換的電刷,換向器最終也會磨損到必須更換電機的程度。
要驅動有刷電機,需要在電刷兩端施加直流電壓,使電流流經轉子繞組從而旋轉電機。
如果一個有刷電機在應用中只需要向一個方向旋轉,也無需控制速度或扭矩,則完全不需要驅動電子設備。在這類應用中,只需打開和關閉直流電壓即可使電機運行或停止。這在電動玩具等低成本應用中很常見。如果需要反向旋轉,則可以通過雙極開關來實現。
如果需要控制速度、扭矩和方向,則采用由電子開關(晶體管、IGBT或MOSFET)組成的“ H橋”來驅動電機向任一方向旋轉。施加到電機上的電壓可以是任一極性,它使電機沿不同方向旋轉。而通過調制開關脈沖的寬度可以控制電機的速度或扭矩。

無刷直流電機

無刷直流電機(圖片來源:maxon集團)
無刷直流電機與有刷電機的磁吸和排斥原理相同,但結構略有不同。與有刷電機的機械換向器和電刷不同,無刷電機通過電子換向器實現定子的磁場旋轉,而這需要使用主動控制電子設備。
在無刷電機中,轉子上附有永磁體,定子上則裝有繞組。轉子可以放在內側(如上圖所示),也可以放在繞組外側(有時稱為“外轉式”電機)。
無刷電機中用到的繞組數稱為相數,它可以有不同的相數,但最常見的是三相無刷電機。另外,如小型冷卻風扇等可能就只有一相或兩相。
無刷電機的三個繞組通常以“星形”或“三角形”方式連接。無論哪種連接,都有三根線連接到電機,而且其驅動技術和波形都是相同的。

三相電機可以構建不同的磁配置,稱為磁極。最簡單的三相電機有兩個磁極:轉子只有一對磁極,一個N極,一個S極。當然也可以有更多的磁極,這需要在轉子中配置更多的磁性部分,并在定子中增加更多繞組。磁極越多,性能越高,但極數少可以實現更高的速度。

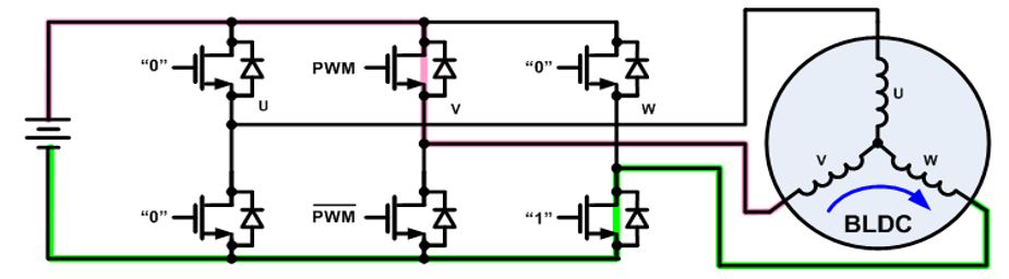
要驅動三相無刷電機,三相繞組每相需要在根據轉子位置狀態,運行在高電位或低電位上。為此,通常采用三個“半橋”驅動電路來實現驅動,每個驅動電路都由兩個開關組成。根據所需的電壓和電流,開關可以是雙極型晶體管、IGBT或MOSFET。

三相無刷電機可以采用的驅動技術有很多,其中最簡單的被稱為梯形波驅動、方波驅動或120度換向控制。梯形換向有點類似于直流有刷電機中采用的換向方法:在任何給定時間,三相中都有一相接地、一相斷開、另一相連至電源電壓。如果需要控制速度或扭矩,則可以脈寬調制連接到電源電壓的相位。由于相位在每個換向點突然切換,而轉子的旋轉是恒定的,因此扭矩會隨著電機的旋轉產生一些變化,這稱為扭矩波動。
為了改善性能,也可以采用其他換向方法。如正弦或180度換向法可以始終驅動所有三個電機相位的電流。控制器控制驅動,使得三相無刷電機每相產生正弦電流,且每相之間的相移為120度。這種驅動技術可以最大程度地減小扭矩波動以及噪音和振動,通常用于高性能或高效率的驅動器。
要適當地旋轉磁場,控制電子設備需要知道轉子上的磁體相對于定子的物理位置。通常,這個位置信息通過安裝在定子上的霍爾傳感器獲得。當磁性轉子旋轉時,霍爾傳感器會拾取轉子的磁場。驅動電子設備利用該信息,使電流按順序流過定子繞組以使轉子旋轉。

采用三個霍爾傳感器,通過簡單的組合邏輯即可實現梯形換向,無需復雜的控制電子設備。而其他換向方法(例如正弦換向)則需要更復雜的控制電子設備,而且通常需要微控制器。
除了使用霍爾傳感器提供位置反饋以外,還有很多方法可以在沒有傳感器的情況下確定轉子位置。最簡單的方法是在未驅動的相位上監測反電動勢,以感應相對于定子的磁場。還有一種更復雜的控制算法,稱為磁場定向控制(FOC),它基于轉子電流和其他參數來計算位置。FOC通常需要功能強大的處理器來快速執行許多計算,因此這種方法比簡單的梯形控制法要昂貴很多。
有刷電機和無刷電機的優缺點
下表總結了兩種電機類型的主要優缺點。根據應用需求,您可能更愿意選擇無刷電機。

使用壽命
如前所述,有刷電機的缺點之一是電刷和換向器存在機械磨損。碳刷尤其是易耗品,在很多電機的維護計劃中,都規定碳刷要定期更換。換向器的軟銅也會被電刷慢慢磨損,并最終導致電機無法工作。而無刷電機沒有運動觸點,因此不存在這種磨損。
速度和加速度
有刷電機的轉速會受到電刷、換向器以及轉子質量的限制。在極高的速度下,電刷與換向器的接觸會變得不穩定,并且電刷電弧會增大。大多數有刷電機在轉子中還使用了疊片鐵芯,這使它們具有較大的轉動慣量,也限制了電機的加速和減速速率。在轉子上采用高性能稀土磁體可以將轉動慣量降至最低。當然,這會增加成本。
電氣噪聲
電刷和換向器形成了一種電氣開關。當電機轉動時,開關打開或閉合,大量電流流過電感轉子繞組,并在觸點處產生電弧。這些電弧會產生大量電氣噪聲,會耦合到敏感電路中。在電刷上增加電容或RC緩沖器可以一定程度上減輕電弧,但是換向器的瞬時切換仍然會產生一些電氣噪聲。
聲學噪聲
有刷電機是“硬切換”的,也就是說,電流是突然從一個繞組移動到另一個繞組。隨著繞組的接通和斷開,產生的扭矩隨轉子的旋轉而變化,導致扭矩波動。而無刷電機可以控制繞組電流逐漸從一個繞組過渡到另一個繞組,這降低了扭矩波動。扭矩波動是能量在轉子上的機械脈動,它會引起振動和機械噪聲,尤其是在轉子轉速較低時更嚴重。
成本
有刷電機技術非常成熟,制造成本也很低。無刷電機因為需要更復雜的電子設備,所以總成本高于有刷電機;但因為沒有電刷和換向器,因此比有刷電機更容易制造。無刷電機現在越來越普及,特別是在汽車電機等大批量應用中。另外,電子設備(如微控制器)成本持續下降也使無刷電機更具吸引力。
總結
由于成本不斷下降而且性能更佳,無刷電機越來越受歡迎。但對有些應用來說,有刷電機仍然是最佳選擇。
從無刷電機在汽車中的應用我們可以知道,截至2020年,大多數汽車行駛時運行的電機(例如泵和風扇)都已從有刷電機轉為無刷電機,以提高其可靠性。現場故障率的降低和維護要求的降低,完全彌補了無刷電機及其驅動設備所增加的成本。
另一方面,那些不常操作的電機(例如移動電動座椅和電動窗的電機)仍然主要采用有刷電機。 因為在汽車的整個壽命周期內,這些電機的總運行時間非常短,不大可能發生故障。
隨著無刷電機及其相關電子設備的成本不斷降低,無刷電機逐漸滲透傳統有刷電機占據主導的應用。汽車行業的另一個例子是,高端車型中的座椅調節電機已經換成了無刷電機,因為它們產生的噪音更小。
來源:MPS
免責聲明:本文為轉載文章,轉載此文目的在于傳遞更多信息,版權歸原作者所有。本文所用視頻、圖片、文字如涉及作品版權問題,請聯系小編進行處理。
推薦閱讀:





