【導讀】直流快速充電(以下簡稱“DCFC”)在消除電動車采用障礙方面的作用是顯而易見的。對更短充電時間的需求推動近400千瓦的高功率電動車快充進入市場。本博客將講述典型的電源轉換器拓撲結構和用于DCFC的AC-DC和DC-DC的功率器件的概況。
圖1.電動車直流快速充電架構圖
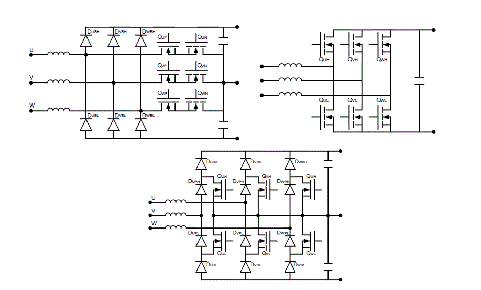
有源整流三相PFC升壓拓撲結構
三相功率因數校正(PFC)系統(也稱為有源整流或有源前端系統)正獲得越來越多的關注,近年來需求急劇增長。PFC拓撲結構對于高效地為DCFC供電至關重要。將碳化硅(SiC)功率半導體納入您的PFC拓撲結構可以解決挑戰,減少功率損失并提高功率密度的。
前端PFC升壓級可以用多種拓撲結構實現,而且幾種拓撲結構可以滿足相同的電力要求。圖2展示了DCFC應用中常見的PFC架構。它們之間的一個首要區別是雙向性。T-中性點鉗制(T-NPC)和I-NPC拓撲結構通過用開關取代一些二極管而適合雙向操作。6個開關的結構是一個雙向的perse。
圖2.用于DCFC的典型PFC升壓拓撲結構.T-NPC(左上)、6開關(右上)和I-NPC(底部)
另一個影響設計和功率器件額定電壓的重要因素是架構中的級數。6個開關的拓撲結構是一個2級架構,通常用900 V或1200 V的開關來實現快速直流電動車充電器。這里SiC MOSFET-模塊具有低RDS on(6-40 mQ)區域的首選解決方案,特別是對于每塊15 kW以上的高功率范圍。
這種集成表現出比分立解決方案更優越的功率性能,提高了能效,簡化了設計,減小了整個系統的尺寸,并最大化可靠性。T-中性點箝位(T-NPC)是一種3級拓撲結構,使用1200 V整流器(以雙向形式用開關代替),中性點路徑上有650 V開關背對背。I-NPC是一個3級架構,可能完全用650 V開關實現。650 V SiC MOSFET或IGBT與共封裝二極管代表了這些3級拓撲結構的優秀替代方案。
圖3.F1-2 PACK SiC MOSFET半橋模塊.1200 V,10 mΩ
DC-DC拓撲結構
在研究DC-DC轉換級時,主要采用了三種隔離拓撲結構:全橋LLC諧振轉換器(LLC轉換器)、全橋移相雙有源橋(DAB)零電壓過渡(ZVT)轉換器(DAB-ZVT轉換器)和全橋移相零電壓過渡轉換器(ZVT轉換器)(圖4、5和6)。
全橋LLC諧振
LLC轉換器在初級端實現了零電壓開關(ZVS),同時在諧振頻率及以下——在次級端實現了零電流開關(ZCS)從而在諧振頻率附近產生了非常高的峰值效率。作為一個純粹的頻率調制(FM)系統,當系統工作點偏離諧振頻率時,這可能是需要寬輸出電壓操作時的情況,LLC的能效就會下降。然而,先進的混合調制方案使今天的脈沖調制(PWM)與調頻相結合,限制了最大頻率失控和高損耗。不過,這些混合實現方式還是給已經有時很麻煩的LLC控制算法增加了復雜性。此外,并聯的LLCs轉換器的電流共享和同步也不是件容易的事。一般來說,當有可能在相對較小的電壓范圍內工作時,和/或當具備實施結合調頻和PWM的先進控制策略的開發技能時,LLC是一種難以超越的設計。它不僅可以提供最高的能效,而且從各個角度看都是一個非常全面的解決方案。LLC可以作為CLLC以雙向形式實現,這是另一種復雜的拓撲結構。
圖4.全橋LLC轉換器
全橋移相雙有源橋(DAB)零電壓過渡(ZVT)轉換器
帶有次級同步整流拓撲結構的DAB-ZVT轉換器也非常典型。這些都是用PWM工作,一般來說,需要比LLC轉換器更簡單的控制。DAB可以被認為是傳統的全橋移相ZVT轉換器的演變,但漏電感器在初級端,這簡化了繁瑣的次級端整流,減少了二次開關或二極管的必要額定擊穿電壓。由于實現了ZVT,這些轉換器可以在很寬的輸出電壓范圍內提供穩定的高能效。這對于支持800 V和400 V電池電壓水平的充電器來說是個方便的因素。DAB的PWM工作帶來了好處。首先,它傾向于使轉換器的電磁干擾(EMI)頻譜比調頻系統中的更緊密。此外,用固定的開關頻率,系統在低負載時的行為更容易解決。通過同步整流,DAB是一種雙向的原生拓撲結構,是快速電動汽車充電器的最通用的替代方案和合適的解決方案之一。
圖5.全橋移相式DAB ZVT轉換器
全橋移相ZVT轉換器
對于單向操作,傳統的全橋移相ZVT(圖6)仍然是一個可用的選擇,但滲透率越來越低。這種拓撲結構的工作與DAB類似,但位于次級端的電感器在整流中帶來一個顯著的差異。電感器在二極管上設置了高的反向電壓,這將與占空比成正比和反比,因此,根據工作條件,二極管上的反向電壓可能超過輸出電壓的兩到三倍。這種情況在高輸出電壓的系統中(如電動車充電器)可能具有挑戰性,通常多個次級繞組(具有較低的輸出電壓)被串聯起來。這樣的配置并不那么方便,特別是如果考慮到功率和電壓的額定值,不同的拓撲結構含單一輸出將提供相同或更好的性能。
SiC-模塊代表了上述DC-DC電源轉換級中全橋的一個非常合適和常見的解決方案,功率高于15 kW。更高的頻率有助于縮小變壓器和電感器的尺寸,從而縮小整個解決方案的外形尺寸。
圖6.全橋移相ZVT轉換器
拓撲結構的變體
所討論的拓撲結構存在多種變體,帶來額外的優勢和折衷。圖16顯示了用于快速電動車充電的全橋LLC轉換器的一個常見替代方案。在移相中,開關在輸入電壓的一半以下,并使用600 V和650 V的斷電電壓器件。650 V SiC MOSFET、650 V SuperFET 3快速恢復(FR)MOSFET和650 V FS4 IGBT將有助于解決不同的系統要求。同樣,用于初極端的二極管和整流器需要650 V的阻斷電壓等級。這些3級架構允許單極開關,這有助于減少峰值電流和電流紋波,這將導致用更小的變壓器。這種拓撲結構的主要缺點之一是,與具有較少電源開關的2級版本相比,控制算法需要額外的復雜程度。雙有源橋以及雙有源橋可以很容易地在初級端和次級端并聯或堆疊,以最配合快速電動汽車充電器的電流和電壓需求。
圖7.3-級全橋LLC轉換器-這種變體在初級端堆疊(只有一半的輸入電壓應用于每個變壓器),在次級端并聯
次級端整流
關于次級端整流,如圖8所示,可以有多種解決方案,而且都可以使用不同的拓撲結構。對于400 V和800 V的電池水平和全橋整流,650 V和1200 V的SiC肖特基二極管通常是獨特的性價比解決方案。由于其零反向恢復特性,與硅基替代品相比,這些器件大大增強了整流性能和能效,大大降低了損耗和整流級的復雜性。硅基二極管,如Hyperfast、UltraFast和Stealth,可以作為成本非常有限的項目的替代品,但要犧牲性能和增加復雜性。采用中心抽頭整流的解決方案(圖6)對于高電壓輸出整流級來說并不方便。與全橋整流不同的是,在全橋整流中,二極管的標準反向電壓等于輸出電壓,而在中心抽頭配置中,二極管要承受這個數值的兩倍。常規的全橋移相轉換器(電感在次級端),正如所解釋的那樣,在兩種整流方法(全橋或中心抽頭整流)中都需要更高的擊穿電壓二極管。為了克服常規全橋移相轉換器對1200 V或1700 V額定二極管的需求,幾個輸出將被串聯起來。
來源:onsemi
免責聲明:本文為轉載文章,轉載此文目的在于傳遞更多信息,版權歸原作者所有。本文所用視頻、圖片、文字如涉及作品版權問題,請聯系小編進行處理。
推薦閱讀:



