【導讀】對于需要低輸出電壓噪聲的便攜式系統,線性穩壓器通常是系統電源的“首選”。理想情況下,線性穩壓器直接由電池電源供電,而不是中間DC/DC轉換器供電,以實現最低噪聲性能。取決于線性穩壓器,輸出電壓噪聲低至 0.8μV有效值是可能的。
(在這個由三部分組成的系列中,我們將介紹使用不同拓撲的低噪聲便攜式電源。對于許多此類應用來說,使用低噪聲線性穩壓器是輕而易舉的,但在可能不需要線性穩壓器的應用中(由于效率、功耗或其他限制),低噪聲解決方案還可以包括基于電荷泵和基于電感的DC/DC轉換器。電路設計的進步與創新設計技術相結合,使得曾經被認為太嘈雜的解決方案無法用作低噪聲替代品。
低噪聲線性穩壓器
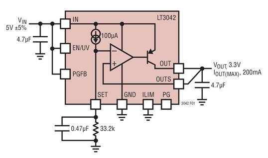
對于需要低輸出電壓噪聲的便攜式系統,線性穩壓器通常是系統電源的“首選”。理想情況下,線性穩壓器直接由電池電源供電,而不是中間DC/DC轉換器供電,以實現最低噪聲性能。取決于線性穩壓器,輸出電壓噪聲低至 0.8μV有效值是可能的。對于這些應用,凌力爾特提供了極低的輸出噪聲器件,例如 LT3042 和 LT3045,20V 輸入,0.8μV有效值線性穩壓器分別具有200mA和500mA能力。

圖1.LT3042 低噪聲線性穩壓器框圖

圖2.LT3042 集成均方根輸出噪聲
由于其獨特的電流基準架構,LT3042 和 LT3045 可輕松并聯以實現更高的輸出電流和更低的噪聲。下面是一個低噪聲電源,采用四個并聯的 LT3045 來獲得 3.3V 和 2A 的輸出電流。所用器件數量每增加一倍,輸出噪聲就會降低 √2 倍。

圖3.并聯LDO可增加電流并降低噪聲
雖然從噪聲的角度來看,用電池供電是理想的,但當考慮到效率和系統運行時間時,它通常并不理想。更常見的是,系統使用 DC/DC 轉換來實現更高效的電源轉換。在這些情況下,最低噪聲解決方案可以通過開關穩壓器后接后穩壓線性穩壓器來實現,后者具有低輸出電壓噪聲和高電源紋波抑制(PSRR);需要高PSRR規格,因為線性穩壓器必須能夠充分抑制DC/DC轉換器的開關噪聲;現在開關穩壓器頻率范圍高達4MHz,這不是一件小事。這些高頻超過了線性穩壓器的控制環路帶寬,因此PSRR不是由IC決定的,而是由器件的寄生效應決定的。并非巧合的是,LT3042 和 LT3045 還具有出色的 PSRR,在超過 2MHz 的頻率下具有 >75dB,在 10MHz 頻率外具有 >50dB。這使得它們能夠在很寬的頻率范圍內大幅降低開關頻率噪聲,同時為系統提供最小的附加輸出噪聲。

圖4.LT3045 電源紋波抑制
如果客戶正在尋找最佳的噪聲性能,那么選擇很容易。但通常術語“低噪音”更具定性;電源噪聲需要足夠低,以免對系統的測量性能和精度產生不利影響。對于這些應用,低噪聲可以通過從微伏到毫伏的RMS值來定義。
在本系列的第2部分中,我們將介紹低噪聲電荷泵解決方案。電荷泵可以提供經濟高效的電源解決方案,但噪聲水平通常在百毫伏或數十或毫伏范圍內。凌力爾特的創新工程設計帶來了輸出均方根噪聲低于 5mV 的電荷泵解決方案。
免責聲明:本文為轉載文章,轉載此文目的在于傳遞更多信息,版權歸原作者所有。本文所用視頻、圖片、文字如涉及作品版權問題,請聯系小編進行處理。
推薦閱讀:



