【導讀】數字電源是一個技術術語,用于命名使用數字信號處理技術控制電源轉換的方法。我們正處于一場革命之中,數字電源的優勢正在應用于電源轉換,并且在效率、功率密度、可靠性、穩健性和易用性方面正在取得真正的進步。盡管個數字控制理念已有 30 多年的歷史,但我們現在才看到這項技術的廣泛應用。
數字電源是一個技術術語,用于命名使用數字信號處理技術控制電源轉換的方法。我們正處于一場革命之中,數字電源的優勢正在應用于電源轉換,并且在效率、功率密度、可靠性、穩健性和易用性方面正在取得真正的進步。盡管個數字控制理念已有 30 多年的歷史,但我們現在才看到這項技術的廣泛應用。
數字電源架構的演變
開關電源的調節和控制過程包括生成驅動一個或多個功率晶體管的脈寬調制(PWM)信號。在所有開關調節器中,PWM 信號在某種意義上都是數字信號。因此,考慮使用數字控制器來生成 PWM 是一個自然的想法。
一些早的數字電源控制器使用稱為數字信號處理器 (DSP) 的專用微處理器和通用微控制器 (uC)。在這些控制器中,代表穩壓電源輸出電壓的模擬信號被數字化,然后在 DSP 中處理數字信號。雖然 DSP 的處理能力非常強大,但為了實現高頻開關電源控制所需的快速處理速度,需要高時鐘速度。這些 DSP 所需的高時鐘速度和固有的高偏置電流意味著功率轉換過程中會消耗大量功率。此外,DSP 對于開關電源應用來說過于昂貴。見圖1。
大約 10 年前,基于專用功能狀態機的數字電源控制器開始出現,首先出現在學術界,然后出現在商業產品中。這些狀態機專門設計用作數字開關電源控制器??刂破靼糜诠β兽D換目的的專用硬件外設。它們經過優化,使得數字電源開始在廣泛的應用中經濟可行。這是數字電源歷史上的轉折點。現代數字電源轉換器 ZL6105 的框圖如圖 2 所示。調節環路的關鍵元件是一個特殊的狀態機——PID數字補償器。
數字電源架構的優點
數字信號處理技術非常適合數字 PWM 信號生成,并允許實施先進的處理算法:濾波器、性能優化算法以及非線性控制和自動補償。優化的低功耗電壓設置 DAC 以及電壓和電流監控 ADC 提供的遙測設施和信息比模擬世界控制器先進得多。所有這些使數字電源技術能夠提供新水平的轉換性能、功能和集成度。
提高效率
得益于數字控制,Zl6105 能夠執行算法來優化頂部和底部 FET 柵極驅動器信號之間應用的死區時間。在同步降壓轉換器中,MOSFET 驅動電路的設計必須確保頂部和底部 MOSFET 永遠不會同時處于導通狀態。相反,兩個 MOSFTS 長時間關閉會導致電流流過其寄生體二極管,從而降低電路效率。ZL6105 具有不斷調整死區時間非重疊的算法,以限度地減少損耗,從而限度地提高效率。該電路將消除由于元件變化、溫度和負載影響而導致的死區時間差異。
集成度和可靠性
可靠性是一個術語,用于描述電源不會發生故障的相對可能性。一般來說,任何系統(包括電源)的可靠性都會隨著組件數量的增加而降低?,F代數字電源控制器的一個優點是它們高度集成,并且需要更少的組件來實現全功能電源。
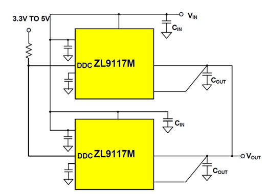
ZL6105數字電源控制器不僅集成了電源轉換控制,還集成了電源管理、故障管理和遙測功能。諸如斜坡上升和下降排序、開關相位擴展、電流共享、故障擴展等同步功能是通過專有通信總線使用通信來執行的。主機的系統監控是通過 I2C 接口使用行業標準電源管理總線命令 (PMBus?) 執行的。所有這些都從設計中消除了數十個組件。在集成 FET 控制器(如 ZL2101)甚至完全集成的電源模塊(如 ZL9117)中可以實現進一步的硬件集成,從而提高可靠性。圖 3 顯示了如何輕松地將兩個 ZL9117 模塊組合起來構建兩相均流軌。
以方式監控和響應環境變化的能力增強了數字電源的穩健性。例如,ZL6105 監控內部芯片溫度和外部溫度。這使得控制器能夠補償溫度敏感的測量結果,以實現的控制和監控。輸入、輸出電壓和輸出電流監控使 ZL6105 能夠檢測系統故障,并通過可配置的故障反應防止對電源和負載造成災難性后果。
易于使用和自動補償
穩定性是電源的關鍵運行要求。在穩壓電源中,穩定性由反饋路徑的特??性控制。電源工程師需要確保在所有負載條件、環境條件和組件特性變化下穩定運行。設計在所有這些條件下保持穩定的反饋環路是一項耗時的任務。
數字電源解決方案提供了模擬補償的替代方案。數字補償無需外部元件,只需改變數字寄存器中存儲的增益值即可進行調整。數字濾波器不僅僅是模擬濾波器的替代品。數字濾波器可以執行遠遠超出模擬濾波器能力的功能。例如,在高 Q (>0.5) 二階電路中,設備中的極點是復共軛極點,這可能需要補償網絡中的復共軛零點才能有效補償。傳統的模擬補償器僅提供實零點進行補償。另一方面,數字濾波器可以輕松提供復共軛零點來補償高 Q 電源。
盡管如此,即使有這一優勢,在許多情況下也不足以在所有條件下穩定和優化電源。初始電感器和電容器值可能會有 +/- 10% 的變化。這會顯著改變控制環路,甚至導致電源穩定性顯著降低。例如,電解電容器的電容和ESR等特性會隨著溫度而發生很大變化。真正需要的是一種自動補償電源的方法。
Intersil 的 Zilker Labs 近發布了幾款具有自動補償功能的部件。所有這些都使用先進的數字算法來表征工廠并確定適當的補償設置以實現穩定運行。
所有這些轉換器都使用數字 PWM 控制器的專用狀態機和嵌入式微控制器來監控電路、環境條件和配置文件,以實時設置和修改狀態機操作。
在自動補償過程中,微控制器通過系統地調整補償系數,同時觀察系統的響應,來調整狀態機以穩定功率轉換過程。雖然這確實會對輸出產生輕微的擾動,但它幾乎難以察覺,并且完全在允許的瞬態包絡內。
在實際應用中,自動補償很容易使用。只需啟用電源,控制器即可完成所有工作。圖 5 顯示了典型電源在電源得到充分補償之前(上)的瞬態響應。第二條跡線(下方)顯示自動補償后的瞬態響應。
自動補償的另一個好處是該設備具有補償算法的特征??梢栽陔娫吹恼麄€使用壽命期間監控增益、Q 和固有頻率的值,并且可以在系統發生故障之前多次觀察到設備的顯著變化。這允許用戶結合系統健康狀況的預測診斷以提高可靠性。
自動補償為設計工程師節省了大量時間,產生更穩定的電源,并有可能提高電源系統的可靠性和魯棒性。
結論
與傳統模擬控制器相比,數字電源控制在性能、可靠性、大量功能和易用性方面具有許多優勢。從傳統的模擬功率控制切換到數字功率控制既簡單又有益。
免責聲明:本文為轉載文章,轉載此文目的在于傳遞更多信息,版權歸原作者所有。本文所用視頻、圖片、文字如涉及作品版權問題,請聯系小編進行處理。
推薦閱讀:
支持 OTA 更新的MCU很多 為何 ESP32這么受歡迎?



