【導讀】充電電池正越來越多地用于更高的電壓和更大的功率,其應用包括電動汽車 (EV) 和混合動力汽車 (HEV)、電動工具、草坪清理設備和不間斷電源。眾所周知,雖然任何一種化學制品都需要仔細監測和管理,以確保有效、可靠和安全的操作,但為了滿足這些車輛或設備的功率需求而需要串聯層疊幾十個電池單元,就需要設計人員給予更多的關注,特別是每塊電池的電池單元數量增加的情況下。
充電電池正越來越多地用于更高的電壓和更大的功率,其應用包括電動汽車 (EV) 和混合動力汽車 (HEV)、電動工具、草坪清理設備和不間斷電源。眾所周知,雖然任何一種化學制品都需要仔細監測和管理,以確保有效、可靠和安全的操作,但為了滿足這些車輛或設備的功率需求而需要串聯層疊幾十個電池單元,就需要設計人員給予更多的關注,特別是每塊電池的電池單元數量增加的情況下。
監測和測量單個電池單元或只包含幾個電池單元的小型電池組只是一種適度的挑戰,相比由多個電池單元串聯而成的電池串來說要簡單得多。疊接多電池單元的設計者需要考慮諸多問題,如在高共模電壓下進行測量、是否存在危險電壓、單個電池單元故障的影響、大量電池單元的的復用、電池單元不匹配和平衡,以及疊接電池的溫差等,不勝枚舉。這些電池既需要先進的電池管理集成電路 (BMIC) 和電池管理系統 (BMS) 來進行參數測量和控制,也需要設計人員掌握一些工程知識,以便正確使用它們。
本文將討論常見的、特別是多單元電池的管理基礎知識及各種挑戰。然后介紹并說明如何使用 Analog Devices、Renesas Electronics Corp. 和 Texas Instruments 提供的 BMIC。這些器件專門用來解決由多個電池單元串聯而成的電池串的獨特管理問題。
串聯電池串帶來了獨特的挑戰
常見的電池監測包括流入和流出電池的電流(電量)測量、端子電壓監測、電池容量評估、電池溫度監測以及充電/放電周期管理,從而優化能量儲存性能并在電池的使用壽命內最大限度地增加充放電次數。使用廣泛的 BMIC 或 BMS 可為僅由一個或兩個電池單元構成的、電壓為個位數的小型電池組提供這些功能。BMIC 或 BMS 作為數據采集前端,其數據報告給電池管理控制器 (CMC);在更復雜的系統中,CMC 與被稱作電池管理控制器 (BMC) 的高級功能器件連接。
在本文中,“電池單元”是一個單獨的儲能單元,而“電池”是指由多個電池單元串聯和/或并聯組成的整個電源組。雖然一個電池單元只產生幾伏電壓,但一個電池組可以由幾十個或更多的電池單元組成,以提供高達幾十伏的電壓,而多個電池組組合后可提供甚至更高的電壓。
為了有效管理,需要測量的關鍵電池參數是端子電壓、充電/放電電流和溫度。現代電池組對所需的測量性能相當嚴苛:每個電池單元必須能夠在幾毫伏(mV) 和幾毫安 (mA) 之內以及大約 1 攝氏度 (℃) 條件下對其進行測量。對電池單元進行如此嚴苛監測的原因包括:
確定電池組的充電狀態 (SOC) 和健康狀態 (SOH),從而準確地預測電池組的剩余容量(運行時間)和總預期壽命。
提供實現電池平衡所需的數據,盡管電池的內部存在差異以及不同的位置、溫度和老化情況,但可以平衡已充電電池單元之間的電壓。如果不進行電池平衡,將導致電池組性能降低,甚至損壞電池單元。平衡過程可通過無源或有源技術來完成;后者效果更佳,但成本更高,也更復雜。
要防止許多可能損壞電池并造成諸如車輛及其乘員等用戶安全問題的情況。這些包括了多種不利情況,如:
過壓或以過大的電流充電,可能導致熱擊穿。
欠電壓:單次過放電不會導致災難性故障,但可能開始溶解陽極導體。隨后重復的過度放電周期會導致充電電池單元中出現鋰電鍍情況,并再次出現潛在的熱擊穿。
溫度過高會影響電池電解質材料的性能,導致 SOC 降低;這也會增加固體電解質中間相 (SEI) 的形成,從而導致電阻率增加且不均勻,造成功率損失。
溫度過低也是一個問題,因為溫度過低可能造成鋰沉積,進而導致容量損失。
過電流以及由于內部阻抗不均勻和最終的熱失控而導致的內部發熱;這會增加電池中的 SEI 層,增大電阻率。
例如,在測試臺或其他良性環境下,準確測量某個電池單元的電壓是相當直接地做法,這是一個難題。設計人員只需在想要測量的電池單元上連接一個浮動(非接地)或電池供電型數字電壓表 (DVM)(圖 1)。
圖 1:測量串聯電池的任何單個電池單元的電壓從概念上來講非常簡單,只需要一塊浮動數字電壓表即可。(圖片來源:Bill Schweber)
然而,由于許多原因,在電動汽車或混合動力汽車等的電氣條件和惡劣環境下,要想自信且安全地進行測量是相當困難的。這點在具有代表性的電動車電源組例子中表現的很清楚。這種電源組包括 6720 個鋰離子電池單元,由八個控制模塊管理(圖 2)。
圖 2:實際電池組是指以模塊形式呈現的、以串聯和并聯方式連接的電池單元陣列,這種陣列中儲存了大量的能量;這些就是使得電池電壓測量變得非常復雜的因素。(圖片來源:Analog Devices)
每個電池單元的容量為 3.54 安培小時 (Ah),因此總標稱儲能為 100 千瓦小時(3.54 Ah x 4.2 V x 6720 個電池單元)。在 96 個以串聯形式連接的電池單元組中,每組包括 70 個以并聯方式連接的電池單元,電池電壓為 403.2 V(96 × 4.2 V),容量為 248 Ah(100 kWh/403.2 V 或 3.54 A × 70)。
由于存在高共模電壓 (CMV),在測量只有個位數的低電壓時,必須滿足分辨率和準確度要求,以獲得有意義的毫伏級精確度。這就是一種挑戰,它可能使測量系統過載或影響讀數的有效性。這里的 CMV 是指相對系統公共點(也被稱為“地”,盡管這種說法有誤),直至被測電池單元的所有串聯電池的電壓之和。請注意,在電動車中,可以串聯多達 96 個甚至 128 個電池單元串聯,以達到數百伏的 CMV。 由于高 CMV,為了電氣完整性和用戶/系統安全,必須將電池與系統的其他部分進行電隔離,因為要杜絕這兩者暴露在全 CMV 之下。 電氣噪聲和電涌極易嚴重影響毫伏量程表的讀數。 必須在幾毫秒內且幾乎同時地測量多個電池單元,以確定準確的電池單元和電池組的總體狀態。否則,電池單元之間的測量時間偏差會造成誤導性結論以及基于誤導性結論的措施。 大量的電池單元意味著在電池單元和數據采集子系統的其他部分之間需要某種多路復用布局,否則互連線路的尺寸、重量和成本會大大增加。
最后,還有一些與安全、冗余和錯誤報告有關的重要和強制性注意事項,這些都是必須考慮的。各個行業的標準不同;工業和電動工具與汽車大不相同,有關汽車的標準是最嚴格的。在任務關鍵型汽車系統,如與電池管理有關的系統,其功能缺失不得導致危險情況發生。在這種系統內部出現故障的情況下,“安全”狀態要求關閉電子裝置,并且必須通過儀表盤燈或其他指示器提醒車輛駕駛員。
然而,對于一些系統來說,發生故障或功能缺失有可能導致危險事件,不能簡單地將其關閉,因此安全目標可能包括指定的“與安全相關的”可用性要求。在這類情況下,可能需要容忍系統中某些類型的故障,以避免危險事件。
為滿足這類與安全相關的可用性要求,需要在特定時間段內提供基本功能或已定義的“退出”路徑——盡管存在已定義的故障條件,且安全系統必須在該時間段內容忍故障發生。憑借這種容錯性能,系統能夠在可接受的安全水平下繼續運行更長時間。ISO 26262“道路車輛功能安全”的關鍵部分為系統開發人員提供了與安全相關的可用性要求的指導。
集成電路公司加緊提供解決方案
供應商已經開發了 BMS 集成電路,旨在解決精確讀取串聯電池的問題——盡管會面臨高 CMV、惡劣電氣環境。這些 IC 不僅能提供基本的讀數,而且還解決了多路復用、隔離和定時偏移等技術問題。這類 IC符合相關的安全標準,并能在適當的情況下,達到 ASIL-D 汽車應用的認證要求,這是汽車領域最高、最嚴格認證級別。
汽車安全完整性等級 (ASIL) 是由 ISO 26262 道路車輛功能安全標準規定的風險分類方案。該標準改編自 IEC 61508 中關于汽車工業的安全完整性等級 (SIL) 規定。
隔離式 CAN 架構基于星形配置,具有很強的穩定性,因為隔離式 CAN 架構中的通信線斷裂只會破壞一個 IC,而電池組的其他部分仍然安全。然而在 CAN 架構中,要求每個 IC 都有一個微處理器和 CAN,使得這種方法成本更高,而且通信速度卻相對較慢。
菊花鏈結構通常比較經濟實惠,因為這種架構的菊花鏈基于通用異步接收/發射器 (UART),能夠實現可靠、快速的通信,而且沒有 CAN 的復雜性。在這種架構中,最常見的隔離方式是電容式隔離,但也可以采用變壓器式隔離。但是,菊花鏈結構中出現斷線會導致通信中斷,因此有些菊花鏈系統會采取“變通”措施,并在斷線期間可以支持一些操作。
其中具有代表性的 BMS IC 有:
MAX17843 由 Analog Deveice 提供:MAX17843 是一款可編程 12 通道電池監測數據采集接口,具有豐富的安全功能(圖 3)。該器件經過優化后用于汽車系統的電池、HEV 電池組、電動汽車以及任何疊接一長串電壓最高可達 48 V 的二次金屬電池的系統。
圖 3:MAX17843 的 12 通道電池監測數據采集接口集成了多種安全功能,使其非常適用于汽車應用并滿足各種規定。(圖片來源:Analog Devices)
MAX17843集成了一條高速差分 UART 總線,用于強大的菊花鏈串行通信。這條總線支持在一個菊花鏈中連接多達 32 個 IC(圖 4)。UART 使用電容隔離,不僅減少了物料清單 (BOM) 成本,還降低了及時故障 (FIT) 率。
圖 4:12 通道 MAX17843 在其菊花鏈 UART 配置中使用電容電隔離,一條菊花鏈支持多達 32 個器件。(圖片來源:Analog Devices)
模擬前端由一個 12 通道電壓測量數據采集系統和一個高壓開關組輸入構成。所有的測量都是在每個電池單元上以差分形式進行的。滿量程測量范圍為 0 至 5.0 V,有效范圍為 0.2至 4.8 V。測量期間,使用高速逐次逼近 (SAR) 模數轉換器 (ADC) 以 14 位分辨率通過超采樣對電池單元電壓進行數字化。可以在 142 μs 內完成對所有 12 個電池單元的測量。
MAX17843采用雙掃描方法收集電池單元測量值并對其進行誤差修正,因此在工作溫度范圍內實現了出色的測量精度。在 +25°C 和 3.6 V 的條件下,電池單元差分測量的精確度規定為 ±2 mV。為了便于設計導入該 IC,Analog Devices 提供了 MAX17843EVKIT# 評估套件。這種套件帶有基于 PC 的圖形化用戶界面 (GUI),可用于設置、配置和評估。
由 Renesas 提供的 ISL78714ANZ-T:ISL78714 鋰離子 BMS IC 可監控多達 14 個串聯電池單元,提供精確的電池電壓和溫度監控、電池平衡和豐富的系統診斷功能。在典型配置中,主 ISL78714 通過串行外設接口 (SPI) 端口與主微控制器通信,并且還有多達 29 個 ISL78714 器件通過一個強大的專有雙線菊花鏈相連(圖 5)。這種通信系統高度靈活,可以使用電容隔離、變壓器隔離或兩者的組合使用,且速度高達1 兆比特/秒 (Mb/s)。
圖 5:ISL78714 使用 SPI 端口將多個器件連接在一個可使用電容式或變壓器式隔離的雙線菊花鏈中。(圖片來源:Renesas Electronics Corp.)
初始電壓測量精度為 ±2 mV,在 20°C 至 +85°C 下且 1.65 至 4.28 V 范圍內的分辨率為 14 位;在 ±5.0 V 的電池單元輸入范圍內,板裝配后的器件精度為嚴格的 ±2.5 mV(負電壓范圍通常用于滿足母線排需求)。
BQ76PL455APFCR(和 BQ79616PAPRQ1)均來自 Texas Instruments: bq76PL455A 是一款 16 單元電池監測和保護器件,專為高可靠性、高電壓工業應用而設計。集成的高速、差分、電容隔離接口支持多達 16 個 bq76PL455A 器件,通過高速 UART 接口以高達 1Mb/s 的速度通過雙絞線菊花鏈與主機通信(圖 6)。
圖 6:bq76PL455A 16 單元電池管理 IC 針對工業應用,使用電容隔離來連接多達 16 個器件,通過菊花鏈布局以高達 1 Mb/s 的速度通過雙絞線通信。(圖片來源:Texas Instruments)
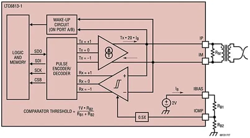
LTC6813-1 來自 Analog Devices, Inc.:LTC6813-1 是一款符合汽車標準的多單元電池組監測器,通過其帶有可編程噪聲濾波器的 16 位三角積分 ADC,可測量多達18 個串聯的電池單元且總測量誤差小于 2.2 mV(圖 9)。請注意,相比其他能夠直接支持電池單元的 IC 來講,該器件可支持的數量更多。所有 18 個電池單元都可以在 290 μs 內完成測量,并且能夠選擇較低的數據采集速率以獲得更高的降噪效果。
(作者:Bill Schweber 來源:得捷電子DigiKey)
免責聲明:本文為轉載文章,轉載此文目的在于傳遞更多信息,版權歸原作者所有。本文所用視頻、圖片、文字如涉及作品版權問題,請聯系小編進行處理。
推薦閱讀:
實現機器人操作系統——ADI Trinamic電機控制器ROS1驅動程序簡介
ST 的RS-485收發器兼備傳輸穩定性與速度,適用于工業自動化、智能建筑和機器人
羅姆集團旗下SiCrystal與意法半導體新簽協議,擴大碳化硅襯底供應



