【導讀】在汽車、工業和逆變器應用中,對在更高輸出功率水平下提高效率的需求日益增長。而在電動汽車 (EV) 領域,通過提高電機驅動效率和加快電池充電速度,此類優化對于擴展性能和延長續航里程至關重要。對于工業而言,提高效率是減少全球能源消耗和增強可持續性的必需條,因此當前重點是直流微電網技術的效率效益。在綠色可再生能源方面,高效率會促進光伏發電、水力發電和風力發電的采用,以便從有限的自然資源中最大限度獲取能源。
在汽車、工業和逆變器應用中,對在更高輸出功率水平下提高效率的需求日益增長。而在電動汽車 (EV) 領域,通過提高電機驅動效率和加快電池充電速度,此類優化對于擴展性能和延長續航里程至關重要。對于工業而言,提高效率是減少全球能源消耗和增強可持續性的必需條,因此當前重點是直流微電網技術的效率效益。在綠色可再生能源方面,高效率會促進光伏發電、水力發電和風力發電的采用,以便從有限的自然資源中最大限度獲取能源。
為了實現這一基本效率目標,電力電子行業正在向提高開關頻率和電壓過渡,同時仍試圖平衡成本與性能并減小總體尺寸(圖 1)。然而,實現這種轉變需要集成下一代半導體器件,并定期發布新版本的功率 MOSFET 以及寬帶隙 SiC 和 GaN。
這給設計工程師帶來了挑戰:在開關功率晶體管技術持續進步的背景下,如何才能保證功率驅動產品不會過時,從而在不需要不斷重新設計的情況下利用這些新一代技術?
圖 1:開關頻率越高,解決方案尺寸就越小,但晶體管技術的選擇取決于輸出功率并受限于成本。
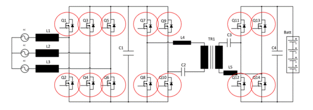
以典型的電源設計需求為例:電動汽車需要一種高效、緊湊的先進三相電池充電器解決方案。采用雙向功率驅動,同時在兩個方向上應同樣有效:交流轉直流和直流轉交流。交流側應具有有源功率因數控制 (PFC),直流側應具有低開關損耗,并與電壓高達 800 VDC 的電池包連接。該設計需在高開關頻率下運行,以減小電感元件的尺寸和重量。
圖 2 所示為一種可能的解決方案,其中結合了三相 PFC、全橋雙向 LLC 和有源整流器。該解決方案需要 14 個功率晶體管,為實現最佳性價比,可以混合使用 MOSFET、SiC 和可用的 GaN 器件。
圖 2:雙向電動汽車電池充電器設計的可能解決方案。
所有功率晶體管都需要使用單獨的柵極驅動器,高側晶體管(Q1、Q3、Q5、Q7、Q9、Q11 和 Q13)還需要電隔離。如果柵極驅動器具有單獨的 Out+ 和 Out- 引腳,則可以在導通和關斷周期使用不同的柵極電阻來優化開關特性。此外,還可以選擇隔離 Vpos 和 Vneg 以在導通周期期間充分增強晶體管,并在關斷周期期間快速對柵極電容進行放電。負“關斷”電壓還可消除因源極電感造成的錯誤導通,從而提高開關可靠性[有關負柵極驅動電壓(也適用于低側開關)需求的詳細分析,請參閱 RECOM 網站中提供的白皮書“使用 IGBT 和 SIC MOSFET 來設計可靠耐用之晶體管電路” ]。這就是問題所在:不同的開關技術以及不同版本的晶體管,其最大柵極驅動電壓不盡相同(圖 3)。
圖 3:晶體管柵極驅動電壓因技術和版本原因存在差異。
針對 +15/-9 V 非對稱電源電壓的 IGBT 而優化的柵極驅動器設計,將對只有 1 V 余量到負絕對最大限值的第一代或第二代 SiC 造成嚴重壓力,并且完全無法兼容第三代 SiC 晶體管。需要從第一代 SiC 過渡到第二代或第三代 SiC 的設計中存在類似問題:+20 V 正軌電壓將等于或超過新一代的絕對最大限值,導致過早出現故障。
目前的趨勢是,每一代新型功率晶體管都將在較低的柵極驅動電壓電平下完全增強或完全耗盡,但最佳柵極驅動電壓電平仍會因制造商、開發迭代和晶體管類型而有所不同。 由于隔離柵極驅動器電源電壓(Vpos和Vneg)由隔離變壓器或隔離 DC/DC 轉換器提供,盡管柵極驅動器本身適用于所有晶體管類型,但每種功率晶體管的選擇都需要不同的解決方案。這意味著即使使用引腳兼容的二級供應商開關晶體管,也可能需要對隔離電源進行重大設計更改。
可編程隔離非對稱電源則可以滿足此類需求,以支持柵極驅動器電路針對不同的晶體管選項(可能包括尚未發布的新一代晶體管)進行優化。
RECOM 發布了此類產品:RxxC2T25S。這是一款采用 SOIC 封裝的 SMD DC/DC 轉換器,并帶有集成隔離變壓器(圖 4)。通過改變反饋分壓器電路中的電阻值,可以將輸出單獨設置為處于 +2.5 V 至 +22.5 V 和 -2.5 V 至 -22.5 V 的范圍內,這意味著只要組合輸出在 18 至 25 V 范圍內,一種電源解決方案即可提供 +15/-9、+20/-5、+18/-4、+15/-3 或任何其他輸出電壓組合。這支持設計人員通過更改 BoM 電阻值(而不是 PCB 設計),在一級和二級功率晶體管供應商之間輕松切換。這也意味著,如果推出具有 +14.5/-3.5 V 最佳柵極驅動電壓的全新一代功率晶體管,則該解決方案足以滿足未來需求。最后,輸出電壓可獨立調節,這對于將柵極驅動到非常接近絕對最大值電壓電平以獲得盡可能高的開關效率至關重要。
圖 4:采用 SOIC 封裝的隔離 DC/DC 轉換器,具有可編程的非對稱穩壓輸出。
隨著功率水平增加到千瓦級,柵極驅動器和柵極驅動器電源周圍的環境要求變得更加嚴苛。盡管先進的 WBG 功率晶體管技術的開關損耗較低,但預計環境工作溫度較高。高電壓的硬開關會產生非常高的 dv/dt 轉換速率,因此良好的 CMTI(共模瞬態抗擾度)、低隔離電容和高隔離度對于保證開關穩定可靠至關重要。
RxxC2T25S 的環境工作溫度范圍為 -40 ℃ 至 +100 ℃(1.5 W 負載),最高 +125 ℃(0.6 W 負載),特別是 CMTI 為 ±150 kV/μs,隔離電容僅為 3.5 pF 和 3 kVAC/1 分鐘隔離(額定重復峰值電壓為 ±1200 VDC)。輸出還提供全面保護措施,可以防止短路、過載和過溫故障。
欠壓鎖定功能意味著,只有輸入電壓和輸出電壓都穩定后,才會激活 DC-OK 引腳,因此該引腳可以連接到柵極驅動器上的使能引腳,以確保從首個開關周期開始就處于穩定狀態(圖 5)。
圖 5:使用 RxxC2T25S 的全面隔離柵極驅動器解決方案。R1-R4 設置輸出電壓。
總之,RxxC2T25S 是設計人員期待已久的解決方案。一款堅固耐用的 SMD 部件,專為隔離柵極驅動器應用而設計,具有滿足期望的所有技術功能,并且能夠自由選擇輸出電壓,從而可利用現有解決方案以及未來設計獲得最大效率。
免責聲明:本文為轉載文章,轉載此文目的在于傳遞更多信息,版權歸原作者所有。本文所用視頻、圖片、文字如涉及作品版權問題,請聯系小編進行處理。
推薦閱讀:
車用TVS、電阻和溫度傳感器選型:三款位居C位的元件,推薦給你




