【導讀】小型衛星收集的能量較少,隨著運營商越來越多地使用更快速的板載處理,應盡可能多地將電力預算分配給有效載荷。傳統的配電架構包括一個隔離式 DC-DC 轉換器(用來降低外部母線輸入電壓),然后是本地化的負載點(POL)轉換器;但由于 I2R 損耗較大,這種架構變得效率低下。為了完成新一代太空任務,需要在轉換損耗、功率密度、物理尺寸以及與最新超深亞微米器件開關速度相匹配的瞬態響應等方面做出改進。
小型衛星收集的能量較少,隨著運營商越來越多地使用更快速的板載處理,應盡可能多地將電力預算分配給有效載荷。傳統的配電架構包括一個隔離式 DC-DC 轉換器(用來降低外部母線輸入電壓),然后是本地化的負載點(POL)轉換器;但由于 I2R 損耗較大,這種架構變得效率低下。為了完成新一代太空任務,需要在轉換損耗、功率密度、物理尺寸以及與最新超深亞微米器件開關速度相匹配的瞬態響應等方面做出改進。

圖 1:FPA? 與傳統中間架構的對比。
Vicor 的分比式電源架構(FPA)采用模塊化方法,可以最大限度地減少 I2R 分配損耗,提高效率并改善瞬態響應。FPA 包括兩個階段:穩壓和變壓。首先,使用一個升降壓(buck-boost)拓撲,從外部電源生成 48V 中間電壓軌,這比通常輸入到 POL 的較低母線電壓要高得多。例如,對于相同的功率,48V 輸出母線所需的電流比 12V 中間母線(P = VI)低 4 倍,而 PDN 損耗是該電流的平方(P = I2R),其可將損耗降低 16 倍。先配置穩壓器并穩壓至 48V 輸出,將實現最高的效率。

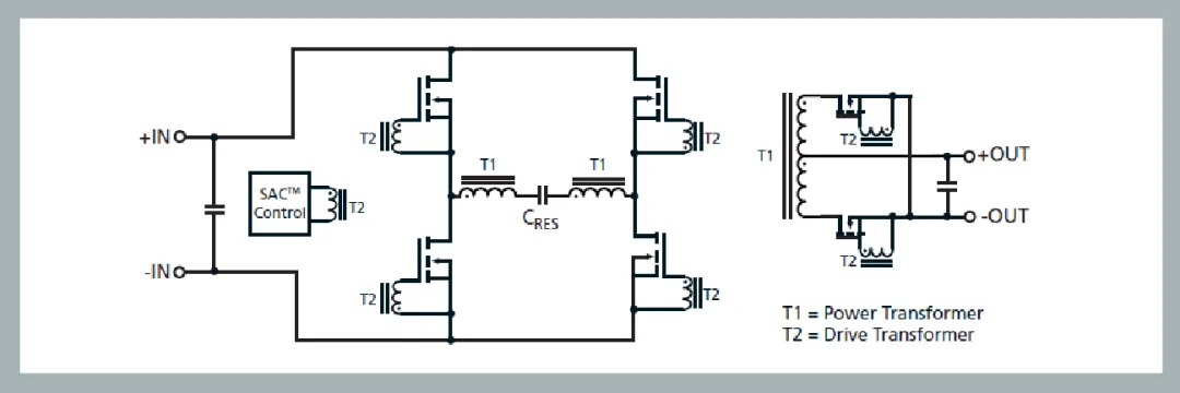
圖 2:全橋 SAC? 串聯諧振拓撲
FPA? 的第二階段使用變壓器將 48V 中間電壓軌轉換為所需的負載電壓。輸出電壓是輸入電壓的固定比例(K 因數),由匝數比決定。電壓降低的同時,電流會相應增加,例如,1A 的輸入電流可能會倍增至 48A 的輸出電流:

預穩壓模塊(PRM?)和變壓模塊(VTM?)的電流倍增器相結合,形成了 FPA。這兩款器件相互配合,發揮其作用以完成 DC-DC 轉換。PRM 把未穩壓的輸入電源轉換為穩壓后的“分比式母線”,然后由 VTM 將 48V 轉換(降壓)為所需的負載電壓。
VTM 的高帶寬可避免對大容量負載點電容的需求。即使沒有任何外部輸出電容,VTM 的輸出在應對突發功率激增時也只會出現有限的電壓擾動。少量的外部旁路電容(采用低 ESR/ESL 陶瓷電容)就足以消除任何瞬態電壓過沖。VTM 提供獨特的電容倍增功能,而不會受到內部控制環路努力維持穩壓帶來的帶寬限制。例如,當使用 1/48 的 K 因數時,有效的并聯輸出電容是輸入電容的 2304 倍,即 CSEC = CPRI * K2。這意味著 VTM 下游所需的去耦電容顯著減少,只需在其輸入端添加少量電容,就能達到與傳統降壓模塊 1V 輸出端通常添加的大型鉭電容相同的能量存儲效果,如下所示。低阻抗是高效地為低電壓、高電流負載供電的關鍵要求,使用 VTM 還可以將從二次側(secondary side)看到的有效電阻降低 K2 倍。這允許將 VTM 放置在靠近負載的位置,無論是橫向還是縱向,使配電網絡(PDN)的損耗更低。FPA 的低電流、高電壓中間母線意味著 PRM 可以物理上遠離 VTM 而不影響效率。這在決定 PRM 的放置位置時提供了更大的靈活性,減少了對負載區域擁塞的擔憂,并為電源平面的設計提供了更多自由,以實現最大的電流密度。這種布局規劃與傳統的磚塊方法大不相同,后者要求隔離式 DC-DC 和 POL 靠近放置,以最小化 I2R 分配損耗。
目前的航天級隔離式 DC-DC 轉換器和降壓 POL 都是基于 PWM 的器件,輸出功率與開關頻率的占空比成正比。這些硬開關轉換器使用方波來驅動電感器或變壓器,MOSFET 在開關時會損耗能量。方波包含大量諧波,必須進行濾波,否則會通過傳導或輻射影響整個系統。VTM 的拓撲在原邊繞組中使用正弦電流,產生更清潔的輸出噪聲頻譜,所需的濾波更少。現有的航天級降壓穩壓器和正向/反激式 DC-DC 轉換器的效率分別在 67% 到 95% 和 47% 到 87% 之間。
為了滿足未來新太空應用星座的電力分配以及低電壓、高電流需求,Vicor 正在為其正弦振幅轉換器(SAC)拓撲結構申請航天級認證。與現有的航天級 DC-DC 轉換器相比,這種零電流開關/零電壓開關(ZCS/ZVS)技術的效率更高,功率密度更大,電磁干擾(EMI)更低。SAC 是一種基于變壓器的串聯諧振正向架構,以與初級諧振電路諧振頻率相同的固定頻率運行,如下文所示:
一次側的場效應晶體管(FET)被鎖定在串聯諧振電路的自然諧振頻率上,并在零電壓交叉點開關,消除了功率損耗并提高了效率。在諧振狀態下,電感和電容的反應相互抵消,最小化輸出阻抗,使其變為純電阻,從而減少壓降。由此產生的極低輸出阻抗使 VTM 能夠幾乎瞬時(<1μs)響應負載的階躍變化。流經諧振電路的電流為正弦波,諧波含量較少,從而形成更清潔的輸出噪聲頻譜,需要對負載電壓進行的濾波更少。
SAC 采用正向拓撲,輸入能量直接傳遞到輸出。一次側的漏感被最小化,因為它不是關鍵的儲能元件。SAC 正向拓撲的獨特操作方式使其能夠實現更高的開關頻率,使用的磁性元件更小,固有損耗更低。由此帶來的效率提升意味著能量轉換過程中浪費的功率更少,可以簡化熱管理,并允許以更小的封裝提供更大的輸出電流和更高的功率密度。更快的操作頻率使能量可以更頻繁地傳輸到輸出端,提高了對動態負載變化的瞬態響應能力,僅需幾個周期。
Vicor 的 DC-DC 部件已通過波音公司的風險評估,并被設計用于提供航天級互聯網服務的 O3b 衛星。初期,Vicor 將提供四種耐輻射的 DC-DC 轉換器:

圖 3:新型 BCM?、PRM? 和 VTM? 耐輻射 DC-DC 轉換器。
300W、9A、849W/in3 的隔離式 ZVS/ZCS SAC? 母線轉換模塊(BCM3423PA0A35C0S)。接受 94 至 105V 的直流輸入,輸出固定為輸入 31 至 35V 的 1/3。最大環境效率為 94%,封裝尺寸為 33.5 x 23.1 x 7.4mm,重量為 25.9g。
200W、7.7A、797W/in3 的非隔離式 ZVS 升降壓穩壓器(PRM2919P36B35B0S)。接受 30 至 36V 的輸入電壓,輸出可調電壓范圍為 13.4 至 35V。最大環境效率為 96%,封裝尺寸為 29.2 x 19.0 x 7.4mm,重量為 18.2g。
200W、50A、1204W/in3 的隔離式 ZVS/ZCS SAC DC-DC 轉換器(VTM2919P32G0450S)。接受 16 至 32V 的輸入電壓,輸出電壓固定為輸入電壓的 1/8,范圍為 2 至 4V。最大環境效率為 93%,封裝尺寸為 29.2 x 19.0 x 4.9mm,重量為 11g。
150W、150A、903W/in3 的隔離式 ZVS/ZCS SAC DC-DC 轉換器(VTM2919P35K01A5S)。接受 13.4 至 35V 的輸入電壓,輸出電壓固定為輸入電壓的 1/32,范圍為 0.42 至 1.1V。最大環境效率為 91%,封裝尺寸為 29.2 x 19.0 x 4.9mm,重量為 13.3g。
這四款 DC-DC 轉換器采用了冗余系統架構,包含兩個相同的并聯動力系統,并具有容錯控制,以滿足單粒子效應(SEE)要求。為了降低制造成本,這些部件采用了鍍層環氧樹脂模塑 BGA 封裝,具有出色的導熱性,被命名為 SM-ChiP?,兼容標準的表面貼裝、“拾取和放置”(pick-&-place)以及回流焊接工藝。這些 DC-DC 轉換器屬于 EAR99 管制類別,工作溫度范圍為 -40 至 125°C,并提供多種過壓、短路電流、欠壓和熱保護功能。目標總劑量輻射耐受度為 50kRad(Si);SEE 和其他可靠性數據將在今年晚些時候發布。
為了突顯這些新型耐輻射 DC-DC 轉換器的卓越功率密度,圖 4 和圖 5 分別比較了它們與現有航天級開關 POL 和隔離式 DC-DC 轉換器的相對尺寸。每個轉換器的功率密度(W/in3)、效率(%)和電流密度(A/in2)分別用藍色、橙色和紅色標注。通常會為不同的負載條件指定一系列效率值。

圖 4:航天級開關 POL 與 VTM2919 系列的比較。

圖 5:航天級隔離式 DC-DC 與 BCM? 及 PRM? 的比較。
與現有的合格轉換器相比,新型抗輻射商用現貨 SAC? DC-DC 轉換器的體積和規格更小,實現了輸出功率、密度和效率的大幅提升。穩壓后的電壓更加清潔,需要的大容量去耦電容更少。這些部件將從明年開始積累使用經驗,目前已有評估板可供使用。

圖 6:用于航天器航空電子設備的模塊化 100V 配電解決方案。
本文轉載自:Vicor
免責聲明:本文為轉載文章,轉載此文目的在于傳遞更多信息,版權歸原作者所有。本文所用視頻、圖片、文字如涉及作品版權問題,請聯系小編進行處理。
推薦閱讀:
意法半導體公布2024年第三季度財報、電話會議及資本市場日直播時間
【測試案例分享】提高信號完整性的秘密武器:實時示波器測試TDR阻抗的全新方案





