【導讀】這篇文章是我結合多年的工作經驗和實踐編寫而成的,這是一篇針對性很強的技術文章。在這篇文章中,我只是分析研究了Wi-Fi產品的一般射頻電路設計,而且主要分析的是Atheros 和Ralink的解決方案,對于其他廠商的解決方案并沒有進行研究。希望能夠對大家的設計工作起到一定的幫助作用。
I. 前言
這是一篇針對性很不強的技術文章。在這篇文章中,我研究,討論了Wi-Fi產品中的射頻電路設計,包括各個組成部分,如無線收發器,功率放大器,低噪聲放大器,如果把這里的某一部分深入展開討論,都可以寫成一本很厚的書。
這篇文章具有一般性。雖然說這篇文章主要分析了Atheros和Ralink的方案,但是這兩家廠商的解決方案很具有代表性,而且具有很高的市場占有率,因此,大部分Wi-Fi 產品也必然是具有一致或者類似的架構。經常瀏覽相關網站的人一定知道,在中國市場熱賣的無線路由器,無線AP很多都是這兩家的解決方案。
這篇文章具有一定的實用性。這篇文章的編寫是基于我們公司的二十余種參考設計電路,充分吸收了參考設計的精華,并提取其一般性,同時,本文也重在分析實際的電路結構和選擇器件時應該注意的問題,并沒有進行深入的理論研究,所以,本文具有一定的實用性。
這篇文章是我在自己的業余時間編寫的(也可以說我用這種方式消磨時間),如果這篇文章能夠為大家的工作帶來一點幫助,那將是我最高興的事。
第1章. 射頻設計框圖
做技術的,講解某個設計的原理時,都會從講解框圖開始,本人也不例外,先給大家展示一下Wi-Fi產品的一般射頻設計框圖。

圖1-1 Wi-Fi產品的一般射頻設計框圖
如圖1-1所示,一般Wi-Fi產品的射頻部分由五大部分組成(這是我個人的見解,不同的工程師可能會有不同的想法),藍色的虛線框內統一看成是功率放大器部分。無線收發器(Radio Transceiver)一般是一個設計的核心器件之一,除了與射頻電路的關系比較密切以外,一般還會與CPU有關,在這里,我們只關注其與射頻電路相關的一些內容。發送信號時,收發器本身會直接輸出小功率的微弱的射頻信號,送至功率放大器(Power Amplifier,PA)進行功率放大,然后通過收發切換器(Transmit/Receive Switch)經由天線(Antenna)輻射至空間。接收信號時,天線會感應到空間中的電磁信號,通過切換器之后送至低噪聲放大器(Low Noise Amplifier,LNA)進行放大,這樣,放大后的信號就可以直接送給收發器進行處理,進行解調。
在后續的講解中,我會將圖1-1中的各個部分逐個展開,將每一個都暴露在大家眼前,也會詳細講解每一部分的設計,相信大家在認真仔細的閱讀這篇文檔之后,就可以對射頻的各個組成部分有一個比較清晰的認識。
第2章. 無線收發器
我把無線收發器(在本章的以下內容中簡稱收發器)放在了第一個模塊,主要原因就是因為,它一般會是一個設計的核心器件之一,有的時候還可能集成在CPU上,就會是一個設計中的最重要的芯片,同時,理所當然,收發器的重要性決定了它的外圍電路必然很復雜,實際上也是如此。而且,如果沒有參考設計,完全由我們自主設計的時候,這顆芯片也是我們應該放在第一優先的位置去考慮,這顆芯片從根本上決定著整個設計的無線性能。這樣,這一部分的設計講解起來會比較困難,可是還是想最先講解這里。
收發器通常會有很多的管腳,在如圖2-1中,我只給出了射頻電路設計時會關注的管腳,可以看到,有幾個電源管腳,數字地,模擬地,射頻輸出,功率放大器增益控制,功率檢測,溫度檢測,射頻輸入,低噪聲放大器增益控制,發射、接收切換等管腳,在接下來的內容中,我會把這些管腳分模塊逐個講解。

圖2-1 一般的無線收發芯片(射頻電路設計相關)
2.1. 無線收發器芯片的技術參數
不同的設計,收發器一般會很不一樣,我們大多數時候都不會想著去更換它。一般我們選用收發器,會直接按照參考設計進行,盡管如此,我還是像從一個研發人的角度出發,說一說,在選擇無線收發器時應該關注的一些參數(射頻電路相關的參數)。
2.1.1. 協議,頻率,通路與傳輸速率
在收發器的Datasheet中,一般會在開始的幾段話中就指出該芯片支持哪些協議,工作在什么頻率上,幾條通路(也就是幾發幾收),我們公司目前的主打產品設計都是支持802.11n的。這三項參數的重要性想必不用我說,大家也應該體會得到,它們參數決定著最終的產品的功能。
一段典型的描述如:The Atheros AR9220 is a highly integrated single-chip solution for 2.4GHz and 5GHz 802.11n-ready wireless local area network (WLANs) that enables high-performance 2×2 MIMO configurations for wireless stations applications demanding robust link quality and maximum throughput and range.
從這段描述中,我們可以知道,AR9220支持802.11n草案(一般來說都會兼容802.11b/g)。同時,AR9220也支持雙頻,2.4GHz和5GHz,這樣,我們就可以得知,它也支持802.11a。2×2 MIMO說明AR9220是二發二收(2T2R)。
傳輸速率和協議及通路密切相關,感興趣的同事可以查閱相關資料。
從AR9220的Datasheet中我們可以得知,20MHz帶寬,最高傳輸速率可以達到130Mbps,40MHz帶寬時,最高的傳輸速率可以達到300Mbps。
2.1.2. 調制方式
調制方式和傳輸速率是密切相關的,不同的傳輸速率對應著不通的調制方式。芯片支持的調制方式一般會在Datasheet的特性描述中給出。例如,AR9220支持的調制方式有BPSK,QPSK,16QAM,64QAM,DBPSK,DQPSK,CCK。
2.1.3. 時鐘頻率
時鐘頻率,時鐘頻率包括兩種,收發器外接晶振的頻率和內部倍頻后的工作頻率,這項參數同樣應該是我們關注的。
2.1.4. 輸出功率
有一個現象我一直也弄不清楚,為什么在收發器的Datasheet中不給出其發射功率?這項參數對于我們RF工程師是很重要的,因為這項參數決定著后續功率放大電路的設計,我們要保證收發器的輸出功率足以驅動功率放大器,這樣,我們才能夠設計合理有效的放大器。
2.1.5. 接收靈敏度
和輸出功率一樣,收發器接收靈敏度這項參數也不會在Datasheet中給出,在實際的設計過程中,有了這項參數,我們才能合理地設計低噪聲放大器的放大倍數,才能保證低噪聲放大器的輸出可以被收發器有效的接受。
2.1.6. 射頻接口
這項參數關系著我們后續的射頻電路的結構。一般來說,收發器應該具有的射頻輸入管腳包括:射頻輸出管腳,功率放大器增益控制管腳,功率放大器輸出功率檢測輸入管腳,低噪聲放大器增益控制管腳,切換器收發控制管腳,一般Ralink的方案還會有PA溫度檢測管腳。
2.1.7. 供電電壓與功耗
從全局的角度看,供電電壓與功耗同樣會是我們不得不關注的技術參數,這兩項參數關系著電源電路的設計和散熱的設計。
2.2. 差分射頻信號的處理
2.2.1. 收發器本身具有的管腳
對于射頻信號,為了增強收發器的抗干擾能力,一般會采用差分信號的處理方式,也就是說,收發器會以差分形式將信號發送出去,同時外部電路也必須為收發器提供差分射頻信號的輸入。如圖2-2所示,紅色方框內的四只管腳就是這個收發器的差分射頻信號的輸入,輸出管腳,也是最重要的射頻信號管腳。

圖2-2 收發器的射頻輸入與輸出管腳
這里必須指出的是,Atheros的收發器一般會同時對輸入與輸出做差分處理。但是Ralink一般要求外部輸入的信號是差分的,而自身輸出的射頻信號則不是差分的。圖2-3和圖2-4分別給出了RT3052(Ralink)和AR9220(Atheros)的主要射頻信號管腳。不難發現,Atheros的設計相比Ralink要更加細膩,不只是收發器芯片,在后續電路的設計中,也會發現,Atheros考慮的問題很周全,我想,這也是我們作為研發人應該具備的一種精神。

圖2-3 RT3052的主要射頻信號管腳

圖2-4 AR9220的主要射頻信號管腳
2.2.2. 收發器發送的差分信號
收發器發送的差分信號,我們要想辦法把他們合二為一。為什么要這樣做,收發器送出的信號是要給功率放大電路的,功率放大電路處理的是單端信號。
平衡器通常用來處理差分信號的問題,除此之外,我們知道,電感和電容都能夠改變信號的相位,從差分信號到單端信號,基本的方法就是用電感和電容組成兩條不同的通路,這樣,經過處理電路的兩路信號就在相位上相差了180°,從而可以使原本相位相差180°的差分信號同相,得到單端信號。相反,使單端信號通過兩條不同的通路,就得到了差分信號。
下面讓我們來分別看一下這兩種方法的電路形式。
方法一,使用平衡器。原本相位相差180°的差分信號經過平衡器(Balun,俗稱巴倫),就可以得到合二為一的單端射頻信號。如圖2-5所示,圖中的F1就是一個平衡器,差分信號RFOUT_P和RFOUT_N經過F1得到單端信號RF_OUT。

圖2-5 典型的平衡電路
方法二,使用分立元件。典型的使用分立元件的處理電路如圖2-6所示。

圖2-6 典型的分立元件處理電路
2.2.3. 平衡器的參數與選擇
在Atheros的方案中,平衡器往往使用的很多,我在這里給出平衡器的主要參數和簡要的選型指南。如前所述,在我們的Wi-Fi產品中,平衡器常用于處理差分信號,其主要的參數如下:
- 不平衡阻抗
- 平衡阻抗
- 工作頻率
- 不平衡端口回波損耗
- 相位變化
- 插入損耗
例如,常用的平衡器HHM1711D1典型參數如圖2-7所示。這樣我們在設計是就可以根據我們的需求選擇合適的平衡器了。

圖2-7 HHM1711D1的典型參數
2.2.4. 收發器接收的差分信號
收發器接收的信號來自于前端的低噪聲放大器,和功率放大器一樣,低噪聲放大器處理的也是單端射頻信號,這樣,我們必須將低噪聲放大器輸出的信號進行轉換。同樣,對于低噪聲放大器的輸出信號同樣有兩種處理方式:使用平衡器和使用分立元件。Atheros的方案中,有些使用平衡器;Ralink的方案中,至今還沒有使用過。
其實大家也一定想到了,收發器接收信號和收發器發送信號差不多就是互為逆過程,因此電路的結構也差不多是相反的。沒錯,看了下面的實際電路圖就知道了。 先來介紹使用平衡器的方案。在某實際案例中,采用了如圖2-8所示的平衡器電路。單端信號RF_IN經過平衡器F5后得到差分的射頻信號RFIN_P和RFIN_N。

圖2-8 某案例采用的平衡器電路
再來看看采用分立元件實現的方法,圖2-9是Ralink慣用的方式,圖2-10是Atheros常用的處理方式。可以看出,這兩種設計方法大同小異。

圖2-9Ralink常用的分立元件信號處理方式

圖2-10 Atheros常用的分立元件信號處理方式
2.3. 收發器的電源管腳
收發器一般會有很多個電源管腳,可以大概分為幾類,從圖2-2也可以看出來,一般會具有主電源管腳,核電壓電源管腳,IO電源管腳,鎖相環(Phase Lock Loop,PLL)電源管腳等。
在射頻電路設計中,我們一般會比較關注的是模擬電源。對于射頻電路的供電,如果讓我在線性穩壓電源(LDO)和開關電源(DC/DC)之間選擇,那么我會毫不猶豫的選擇線性電源。
為什么?和開關電源有仇?的確有仇!
直到現在我還清晰得記著在大學里面的遭遇。一次我為某高校設計一款校園廣播設備,考慮到校園廣播的較大的輸出功率,對電源的要求也就比較苛刻,我到科技市場轉了一圈發現了一款做工精良的開關電源,當時我就被這個家伙華麗的外表欺騙了,毫不猶豫地買了下來。可是當我完整設計后,接通電源,從收音機里面傳來的不是悅耳的音樂聲,而是令人極度反感的“嗡嗡”聲,巨大的交流聲。為了解決這個問題,我幾乎絞盡腦汁,把有可能造成問題的部分都重新設計了,可是問題依然沒有解決。后來,我突然意識到:“是不是開關電源的問題?”剛好手頭有一臺車載電臺的電源(大功率線性穩壓電源),當我把這個電源接上去之后,哇,整個世界都安靜了!開關電源害得我不但損失了一些錢,還浪費了我大量的時間,從那以后,我的設計再也沒用過開關電源。
對于收發器的電源管腳,通常的處理方法就是在每個電源的管腳處都放置一個0.1uF的電容,耗電比較大的管腳旁,需要放置更大容量的電容,1-10uF或者更大。一般來說,收發器的模擬電源供電和數字電源供電要用電感或者磁珠隔開,并且一定要在電感或磁珠后放置容量比較大的電容,如果條件允許的話,最好放置電解電容,會對電源的性能起到很大的提升作用,同時并聯幾個容量比較小的瓷片電容,就可以濾除不同頻率的交流成分。
2.4. 收發器完整的外圍電路設計
回想一下,我們在前面的敘述中講解了如何選擇收發器,收發器相關的差分信號處理,收發器的電源供給,這三方面的內容基本上較完整的覆蓋了收發器射頻電路設計的內容,也就是說,把這三部分弄清楚,基本上就完成了這部分的設計。
想必大家應該比較清楚那三部分的結構了,好,讓我們來試一下,在圖2-2那個芯片的外圍放置一些器件,再連上幾條線,完成無線收發器及其外圍電路設計。在這里,我們對收發器輸出的差分信號用平衡器處理得到單端信號RFOUT,來自低噪聲放大器的接收信號RFIN用分立元件處理得到差分信號RFIN_P,RFIN_N。這樣,就得到了如圖2-11所示的原理圖。

圖2-11 完整設計的無線收發器外圍電路
第3章. 功率放大器
功率放大器,Power Amplifier,俗稱PA,主要的作用就是將無線收發器(Radio Transceiver)送來的射頻信號進行功率放大,保證有足夠大的輸出功率滿足設計需求。功率放大器的設計是一個十分專業的話題,也有很多人,很多高級的射頻工程師在這方面進行過十分深入的研究,我在這里只針對我們的Wi-Fi產品的常用的設計方法進行討論。
我們的產品中,功率放大器的組成無非就是一顆芯片配上幾顆外圍的器件,但是在大功率的場合,幾乎不會有人用集成電路去做功率放大,一般都是用分立元件設計出來的,晶體管或場效應管。在我們目前的所有設計中,功率放大器都是用集成電路來實現的。如圖3-1所示,是通常的功率放大器的設計框圖。

圖3-1 功率放大器的框圖
功率放大器的設計會考慮很多參數,但主要分為三類:增益,噪聲,非線性。增益,和最終的輸出功率有關,噪聲和非線性關系著信號質量。
我在這里把功率放大器(在本章的以下內容中簡稱功放)分為以下幾個部分進行討論:功放芯片的選擇,功放芯片的供電,輸入回路,輸出回路,功率檢測,增益控制,溫度檢測。
3.1.1. 功放芯片的管腳
功放芯片屬于微波功率器件的范疇,圖3-2給出了一個典型的功放芯片的原理圖符號,包括以下管腳:
- VCC 主電源供電管腳
- VC1 一級功率放大供電管腳
- VC2 二級功率放大供電管腳
- RFIN 射頻信號輸入管腳
- RFOUT 射頻信號輸出管腳
- GAIN_1 增益控制管腳之一
- GAIN_2 增益控制管腳之二
- POWER_DETECT 內建功率檢測輸出管腳

圖3-2 典型的功放芯片
值得注意的是,GAIN_1和GAIN_2是來自收發器(Transceiver)的控制信號,是直流電壓,POWER_DETECT是功放芯片輸出的發射功率檢測值,也是直流電壓,而RFIN和RFOUT是最重要的射頻信號管腳。
3.1.2. 功放芯片的主要廠商
在市場上的產品中,功放芯片的供應商基本上就是這四家:SiGe,SST,Microsemi,Richwave,表3-1,表3-2給出了幾個實際項目中所采用的功放芯片的型號。

表3-1 Atheros的設計中采用的功放芯片

表3-2 Ralink的設計中采用的功放芯片
通過以上表格,我們很容易發現,Atheros很喜歡Microsemi的芯片,而Ralink則比較喜歡Richwave和SST的,在BCM4323這個項目中,使用的功放芯片是SiGe的,在AP96現在的設計中,使用的也是SiGe的Frontend Module。
3.1.3. 功放芯片的主要參數
功放芯片的選擇是一個復雜的過程,在實際的選擇過程中,我們一般會考慮如下的幾項參數:
- 工作頻率
- 小信號增益
- 最大線性輸出功率
- 1dB壓縮點輸出功率
- 誤差向量幅度(EVM)
- 相鄰信道功率比(ACPR)
- 噪聲系數
- 是否內建功率檢測功能
- 是否內建增益控制功能
- 供電電壓
- 消耗的電流
以上的這些參數,并不是在每顆功放芯片的Datasheet中都會完整給出,有些Datasheet只能給出部分參數。各項參數的意義想必大家都很清楚,我在這里就不做過多的解釋了。一個典型的功放芯片的Datasheet(片段)如下:
- 2.3-2.5GHz Operation
- Single Positive Supply Voltage Vcc = 3.3V
- Power Gain ~ 27dB
- Quiescent Current ~ 90mA
- EVM ~ -30dB at Pout = +19dBm
- Total Current ~ 150mA for Pout = +19dBm
- Pout ~ +26dBm for 11g OFDM Mask Compliance
- Total Current ~220mA for Pout = +23dBm 1 Mbps DSSS
- On-Chip Input Match
- Simple Output Match
- Robust RF Input Tolerance > +5dBm
- Small & Low-Cost 3x3x0.9mm3 MLP Package
- Cost Reduction over LX5510, LX5510B
從以上的敘述中我們了解到,這顆功放芯片的工作頻率是2.3-2.5GHz,采用3.3V單電源供電,靜態工作電流是90mA,19dBm功率輸出時,EVM的值是-30dB,等等。
功放芯片的性能很重要,當然,在滿足性能的前提下,我們會選擇最便宜的
3.2. 功放芯片的供電
圖3-2展示的一般功放芯片有三個電源管腳,分別是VCC,VC1,VC2,其中的VCC是主電源供電,VC1是芯片內部第一級放大的供電,VC2是芯片內部第二級放大的供電。這里有個很重要的問題需要注意,VC1和VC2 不是簡單的供電管腳,這兩個管腳通常不會直接連接到電源上,一般會串聯一個電感(或者電阻)再連接到電源上,為什么呢?這是因為這是為芯片內的功率晶體管(或場效應管)供電的管腳,通常在分離元件組成的功率放大電路中,我們都會看到在晶體管的集電極(或者場效應管的漏極)上都串有電感,而電感是不容易集成到芯片中的,這樣,就需要在芯片的外部放置電感,這樣,就得到了典型的功放芯片的供電方式,如圖3-3所示。

圖3-3 典型的功放芯片供電方式
除了上面提到的電感的問題,另一個值得注意的就是,功放電路處理的模擬信號,是正統的模擬電路,因此需要尤其注意其電源要與數字電路的電源分開。另一個極為重要的問題是,如圖3-3所示,在每個電源管腳處,都需要放置一個濾波電容組合,例如VCC管腳處放置的是100pF和1000pF的濾波電容組合,VC1管腳處是10pF的電容。濾波電容的組合形式是這樣的,對于主電源管腳VCC,需要盡量多地放置不同容量的電容,而且這些電容的容量最好是不同數量級的,例如可以這樣組合:10uF+1uF+0.1uF+1000pF+100pF+10pF,不同容量的電容用于濾除不同頻率成分的擾動。對于VC1和VC2這兩個管腳,要注意,放置的濾波電容容量要較小,通常在1-10pF。
3.3. 輸入回路
功放電路的輸入回路一般包括兩個部分,一個是帶通濾波器(Band Pass Filter,BPF),一個是Π型匹配網絡,我們分開兩部分來講。
3.3.1. 帶通濾波器
我們知道,2.4GHz頻段的子載波有13個,頻率從2.412GHz到2.437GHz,相鄰兩信道之間的頻率間隔是500MHz,很容易理解,從收發器(Transceiver)輸出的信號包括了從2.412GHz到2.437GHz這樣的一個頻率帶,因此,為了能夠使有用的信號順利地進入功放芯片,無用的雜亂信號被濾除,一般會在功放芯片的輸入回路上放置一個帶通濾波器。
帶通濾波器有三種實現方法,一種是使用已經設計好的專用帶通濾波器,這在Ralink的方案中使用的很多;一種是使用分立元件組成的帶通濾波器,這種方法用的不是很多;第三種方法幾乎是Atheros專有的,就是印制帶通濾波器,這種濾波器最突出的優點就是沒有成本,最突出的缺點是占用的空間比較大,而且還需要凈空區,在AP51中就使用了這種濾波器。
用分立元件設計帶通濾波器需要復雜的計算過程,也需要較強的數學功底,我們在這里不進行過多的研究。接下來我們主要討論如何選擇一款已經設計好的帶通濾波器。帶通濾波器的參數并不多,主要有:
- 輸入阻抗
- 輸出阻抗
- 通頻帶
- 通頻帶內的衰減
- 通頻帶以外的衰減
通常情況下,成品的帶通濾波器,輸入和輸出阻抗都會控制在50歐姆的標稱值,對于通頻帶相關特性,一張圖表足以反映出來。如圖3-4給出了我們常用的HMD845H的S21參數與頻率之間的關系。很明顯,該帶通濾波器的通頻帶為2.4GHz-2.5GHz,對于通頻帶以外的頻率,衰落的很快。

圖3-4 HMD845H的S21參數
3.3.2. Π型匹配網絡
匹配,這件事在射頻設計中是極其重要的,很多時候,我們設計或者調試射頻電路,都是在解決匹配的問題,永遠記住這樣一條經典的準則:共軛匹配傳輸功率最大。Π型匹配網絡一般直接放在功放芯片的輸入端,也就是放在RFIN這個管腳處,通常芯片的管腳不會匹配到50歐姆,我們也不會知道管腳的輸入特性,這樣的話,Π型匹配網絡的必要性就可想而知了。
Π型匹配網絡,顧名思義,形狀很像字母Π,我們來看一下實際的Π型匹配網絡。圖3-5給出的是Ralink常用的一種Π型匹配網絡。

圖3-5 Ralink常用的Π型匹配網絡
3.3.3. 完整設計的輸入回路
以上我們討論了功放電路的輸入回路的兩個組成部分,帶通濾波器和Π型匹配網絡,有了這兩個部分,我們就可以設計一個完整的輸入回路了。如圖3-6所示,就是一個設計完整的功放電路輸入回路。圖中的U9就是一款成品的帶通濾波器,而C108,C109和L14就組成了一個Π型匹配網絡。

圖3-6 完整設計的功放電路的輸入回路
3.4. 輸出回路
在輸出回路中,最重要的組成部分(在很多設計中也是唯一的組成部分)就是低通濾波器,這時可能有人會問,為什么這里要用低通濾波器,而不是像輸入回路那樣使用帶通濾波器?原因很簡單,這里的低通濾波器要解決的主要問題時由于功放引起的高次諧波,如二次諧波,三次諧波甚至更高次數的諧波,當然,低通濾波器還要解決的問題就是匹配問題。其實,在射頻電路的設計中,匹配的這個問題會一直伴隨著我們。
濾波器的設計需要很復雜的計算,在這里我不想探討過多的理論知識,所以,我就不給出如何計算的方法,只給出一般的低通濾波器的形式。這里需要指出的是,Atheros的設計一般會使用三個元件,而Ralink一般會使用五個元件。如圖3-7所示,是Ralink常用的濾波器形式。在圖中,C112,C111,C113,C110和C114就組成了一個低通濾波器,來自功放芯片的信號PA_OUT經過濾波器后得到LPF_OUT這信號送至后續電路。
圖3-7 Ralink常用的低通濾波器
這時,我們就可以把功放芯片的輸出端與低通濾波器相連接,就得到了一般射頻功率放大電路的完整的輸出回路,如圖3-8所示。

圖3-8 完整設計的功率放大器輸出回路
3.5. 功率檢測
功率檢測功能在我們的很多設計中都可以找到,這項功能可以使無線收發器(Radio Transceiver)時刻監視著功放電路的輸出功率,這樣,當功放的輸出功率改變時,無線收發器就可以調整自身的輸出功率或者改變功放電路的增益,使功放電路的輸出功率穩定在一個固定的值。
功率檢測電路輸出的是直流電壓值,這個電壓值送給無線收發器之后,無線收發器自身內部進行A/D轉換,就可以得知功放電路的輸出功率了。
功率檢測實現的方法通常有兩種,在Ralink的設計中,通常使用功放芯片自身的功率檢測功能;在Atheros的設計中,除了使用功放芯片本身的功率檢測功能之外,一般還會有一種Atheros特有的設計,我們將分成兩部分討論。
3.5.1. 芯片內建的功率檢測
我們在圖3-2中已經看到,一般的功放芯片會有POWER_DETECT這樣的一個管腳,這個管腳的作用就是用于功率檢測的。使用芯片內建的功率檢測功能可以簡化電路設計,常見的完整形式如圖3-9所示。

圖3-9 常見的使用內建功率檢測功能的電路形式
3.5.2. 芯片外圍的功率檢測電路
我們在這里用單獨的一節來討論外圍的檢測電路,其實要講的就是Atheros的方案,因為這個設計實在是太有個性了,讓我們來一起見識一下吧。如圖3-10所示,就是Atheros常用的功率檢測方案。圖中的PC1就是一個印制耦合器(Printed Coupler),來自功率放大器的輸出信號LPF_OUT經過耦合器,就在2,3腳感應到高頻交變電壓,這個電壓隨著輸出功率的增大而增大L18,L19,D1,C217,R248組成了常規的整流電路,這樣,就得到了隨著輸出功率的變化而變化的直流電壓POWER_DETECT,無線收發器就可以得到這個電壓值從而做作出相應的動作。
這里有一點需要注意的是,整流二極管D1一定要選擇工作頻率很高的二極管,例如這個設計中的SMS7630的工作頻率就達10GHz。

圖3-10 Atheros常用的功率檢測方案
3.6. 增益控制
增益控制的作用就是可以改變功放電路的增益,從而能改變輸出功率。改變功率放大器最終輸出功率的方法有兩種,一種是無線收發器改變自身的輸出功率,另外一種就是改變功放電路的增益,在這里我們主要關注后者。通常功放芯片的增益控制管腳會有兩個或者兩個以上,分別改變的是第一級放大和第二級放大的增益值,圖3-11是典型的增益控制原理圖。來自收發器的控制信號PA_GAIN經過R245和C248組成的RC濾波電路(濾除來自收發器的可能的交流成分)通過兩個電阻作用于功放芯片的GAIN_1和GAIN_2兩個管腳,從而控制功率放大電路的增益,也控制著最終的輸出功率。

圖3-11 典型的增益控制原理圖
3.7. 溫度檢測
溫度檢測功能在Ralink的方案中使用的很多,但是在Atheros的方案就未曾見過。這一功能可以檢測功放芯片的溫度,防止芯片溫度過熱而燒毀。另外一個更加重要的作用就是根據環境溫度調整功放電路的輸出功率。很多情況下,環境溫度的改變,會對功放芯片的輸出功率會造成比較大的影響,如果無線收發器通過溫度檢測電路得知當前的溫度并適當的調整自身的輸出功率或者改變功放的增益,就可以使功放電路在環境溫度改變時依然可保持穩定的功率輸出,這對于提高產品的穩定性是有好處的。
圖3-12給出的是Ralink的典型的溫度檢測電路。圖中的RT1是熱敏電阻,當環境溫度改變時,自身的阻值會發生變化,這樣,顯而易見,TMP_DET的值就會發生變化,這樣,收發器就可以檢測到環境的溫度了。溫度檢測電路一般會放置在功放芯片的附近。

圖3-12 Ralink常用的溫度檢測電路
3.8. 完整設計的功率放大電路
在以上的內容中,我們討論了功率放大電路的各個組成部分,現在,讓我們將這些部分組合到一起,就可以完成功率放大電路的設計了,如圖3-13所示。我們來看一看,試一試能否找出之前的各部分,如果可以,那么你已經基本了解Wi-Fi產品的一般功率放大電路的架構了。
通常情況下,在功放芯片的Datasheet中會給出一份參考設計,這對于我們的設計具有一定的指導作用。

圖3-13 完整設計的射頻功率放大電路
第4章. 低噪聲放大器
低噪聲放大器在框圖1-1中位于收發切換器(Transmit/Receive Switch)和無線收發器(Radio Transceiver)之間,對天線感應到的信號進行放大,這樣才能使無線收發器進行有效的處理。可以說,低噪聲放大器的性能直接影響著整個設計的靈敏度。
低噪聲放大器的框圖如圖4-1所示,有四個部分組成,輸入回路,輸出回路,放大電路,增益控制,在以下的內容中,我們將逐個討論。

圖4-1 低噪聲放大器的框圖
4.1. 低噪聲的放大器的主要參數
低噪聲放大器,顧名思義,就可以知道其具有極低的噪聲系數。噪聲系數的物理含義是:信號通過放大器之后,由于放大器產生噪聲,使信噪比變壞;信噪比下降的倍數就是噪聲系數。
除了噪聲系數以外,以下幾個參數也是我們需要關注的:
- 功率增益
- 增益平坦度
- 工作頻帶
- 動態范圍
功率增益主要就指低噪聲放大器的增益能力,增益平坦度描述放大器在工作頻帶內頻率變化引起的功率增益的波動,工作頻帶就是指放大器的正常工作的頻率范圍,動態范圍是指放大器允許輸入的最小和最大功率范圍。
4.2. 低噪聲微波器件的選擇
芯片或者晶體管(場效應管)的選擇,以下簡稱微波器件的選擇,往往對于低噪聲放大器的設計起著至關重要的影響。我們先來看一看在我們公司的設計中,通常選用什么微波器件。表4-1和表4-2給出了Atheros和Ralink常用的低噪聲放大器微波器件。
我們不難發現,這些器件的選擇沒有太多的共性,我們能看到有四種解決方案,第一種是采用微波三極管來實現,第二種是使用專用低噪聲放大器芯片,第三種是集成在前端模塊(Frontend Module)中,第四種就是不使用低噪聲放大器。我們在這里只討論采用晶體管和專用芯片的方法。

表4-1 Atheros常用的低噪聲放大器微波器件
表4-2 Ralink常用的低噪聲放大器微波器件
微波器件(晶體管或芯片)的參數,基本上就決定了低噪聲放大器的性能,我們來看一下最常用的SGA-8343的參數,如圖4-2所示。圖中給出的參數包括最大增益,噪聲系數,S21,工作頻率,供電電壓,消耗的電流等等。對于專用的低噪聲放大器芯片,參數也基本如此,在這里我們就不詳細說了。

圖4-2 SGA-8343的參數表
4.3. 輸入回路
和功率放大器一樣,低噪聲放大器的輸入回路中也會有匹配網絡,但是Atheros好像是不走尋常路,很少看到低噪放的輸入匹配網絡,而Ralink則不一樣,幾乎在每個設計中都中規中矩的使用Π型匹配網絡,如圖4-3所示,就是Ralink常用的Π型匹配網絡,我個人是比較推崇這種做法的。有了匹配網絡,我們可以最大限度的保證我們的設計是高性能的,也就是High-Performance。

圖4-3 Ralink常用的Π型匹配網絡
4.4. 輸出回路
和輸入回路一樣,輸出回路通常也會放置匹配網絡,同樣,Atheros一般還是不這樣做,他們最多會放置一個專有的印制帶通濾波器(Printed Band Pass Filter),Ralink的輸出回路上的Π型匹配網絡基本上會輸入回路上的一致,在這里不給出具體的形式了。
4.5. 電源與增益控制
增益控制的作用是很明顯的,當接收到的信號強度較低時,我們可以提高低噪聲放大器的增益,保證信號可以正常被接收;當接收信號的強度較高時,可以降低低噪聲放大器的增益,以免造成信號阻塞。這就是所謂的自動增益控制(Auto Gain Control,AGC)同樣,這對于提高產品的穩定性,是很重要的。
我為什么要把電源與增益控制放在同一節呢?因為低噪聲放大器的增益是依靠改變供電電壓來實現的,這樣就很容易理解了。學過模擬電路的都會知道,三極管放大電路的放大倍數和供電電壓有密切關系,對于芯片說也同樣如此。圖4-4給出了常見的增益控制的電路形式。圖中的LNA_GAIN既是來自無線收發器(Radio Transceiver)增益控制信號,又是低噪聲放大器的供電電源,C104是濾波電容,顯而易見,低噪聲放大器的增益直接與LNA_GAIN的電壓有關。

圖4-4 常見的增益控制的電路形式
4.6. 完整設計的低噪聲放大器
在這里,我要向大家展示的是一款設計十分細膩的低噪聲放大器,這也是我見過的設計最為優秀的低噪聲放大器,就是來自某實際案例中的2.4GHz頻段的放大器,讓我們來一同領略它的風采,如圖4-5所示。
圖中的LNA_GAIN是來自無線收發器(Radio Transceiver)的增益控制信號,放大器使用的晶體管就是最常用的SGA-8343,R238,R239,R240是基極的偏置電阻,C219,L20,C220組成了低通濾波器,來自切換芯片(Switch)的LNA_IN通過低通濾波器之后經由C218耦合至低噪聲放大器,Q2與C221,L51,C214,R240,C210,R239,R238,C211,R241,C215,L52組成了共射極放大電路,最終輸出RFIN送至收發器進行處理。
尤其值得我們注意的是,在每一個節點處,都放置了濾波電容,這樣,就可以最大限度的消除任何可能的噪聲,從而實現性能優秀的低噪聲放大電路。

圖4-5 某實際案例中設計精良的低噪聲放大器
第5章. 收發切換電路
收發切換電路實現的功能就是進行發射與接收的切換,通常其最重要的組成部分就是一顆芯片,我們分成四個部分來討論:芯片的選擇,發射與接收回路,天線回路,控制管腳的處理。
5.1. 切換芯片的選擇
切換芯片在結構上,通常就是一個單刀雙擲的開關,開關擲向哪一邊決定于加在控制管腳上的電壓。切換芯片的典型內部結構如圖5-1所示。

圖5-1 切換芯片典型的內部結構
在選擇切換芯片時,我們主要關注以下幾個參數:
- 工作頻率
- 切換速度
- 關斷的隔離度
- 導通的衰減
- 能夠承受的功率
- 控制電壓
- 功率消耗
有一個比較奇怪的現象時我們很少看到在Datasheet中提到切換速度這樣的參數。在絕大多數設計中,幾乎無一例外的使用了NEC公司的uPG2179作為切換芯片(Switch),其典型參數如圖5-2 所示。

圖5-2 切換芯片的典型參數
5.2. 發射與接收回路
切換芯片位于靠近天線的地方,決定著天線作為發射天線還是作為接收天線。功率放大器和低噪聲放大器都會直接與切換芯片相連,這樣,發射與接收回路上的匹配就是必不可少的。關注一下Atheros和Ralink的方案,會發現,Atheros會在發射回路上放置Π型匹配網絡,但是Ralink則不會,一般就是通過電容直接耦合。
如圖5-3所示,就是Atheros的典型發射與接收回路SW10就是那顆切換芯片。LPF_OUT是來自功率放大器的輸出信號,R186,C121與R194組成了Π型匹配網絡,LNA_IN是送至低噪聲放大器的信號,SWITCH_TX與SWICTH_RX這兩個信號的組合就控制著是打開發射通路還是打開接收通路。

圖5-3 Atheros的典型的發射與接收回路
5.3. 天線回路
在5-4中我們已經看到,在Atheros的方案中,會在天線回路中放置一個印制濾波器(Printed Filter),圖中的PF1就是Atheros專有的印制濾波器。同樣,Ralink一般也不會在天線回路中設置濾波器或匹配電路。
5.4. 控制信號的處理
我們已經知道,圖5-4中的SWITCH_TX和SWITCH_RX是來自無線收發器(Radio Transceiver)的控制信號,是直流電壓,這樣,為了穩定這個電壓值,避免造成切換器的誤動作,我們一般會在控制通路上串聯一個電阻(或電感),一般是小于1K的電阻,并且在控制管腳的位置放置濾波電容(1-10pF),這樣,我們就可以很好的保證切換芯片沒有誤動作,從而,我們就得到了如圖5-4所示的完整的切換電路的設計。

圖5-4 完整設計的切換電路
第6章. 天線與天線連接器
在這一章里,我要講的不是天線的設計,因為目前我還不太懂天線設計,而且天線設計是一個十分專業和復雜的學科。在這里我想要說的其實就只是一個問題:一定要在天線或者天線連接器的附近放置一個Π型匹配網絡,這一點是我們做射頻設計的人必須要牢記的事實。看一下Atheros 和Ralink的方案,會發現Π型匹配網絡是必不可少的,典型的設計如圖6-1所示。

圖6-1 典型的天線連接器電路設計
第7章. 完整設計的射頻電路
在前面幾章的內容中,我們分成五章分別講解了射頻電路的無線收發器(Radio Transceiver),功率放大電路(Power Amplifier,PA),低噪聲放大器(Low Noise Amplifier,LNA),收發切換電路(Transmit/Receive Switch),天線與天線連接器(Antenna And Connector),在每章的最后一節,我們都給出了每一部分的完整設計。我想你已經知道了——沒錯,只要把我們每個部分的完整設計組合在一起,那么我們就得到了Wi-Fi產品的一般射頻電路的完整設計,我們不要急,我們再來回顧一下在本文一開始提到的射頻設計框圖,如圖7-1。相信大家這時一定已經可以把每一個部分細化,得到更加詳細的射頻設計框圖。

圖7-1 射頻設計框圖
通過前面的討論,我們已經知道,功率放大器是由帶通濾波器,Π型匹配網絡,功率微波器件,增益控制,供電電路,功率檢測,溫度檢測低通濾波器這些部分組成的;低噪聲放大器是由Π型匹配網絡,低噪聲放大電路和增益控制組成的;收發切換器是由Π型匹配網絡,切換芯片,濾波器組成的;天線和連線連接器部分是由Π型匹配網絡和連接器組成的。于是,我們得到了Wi-Fi產品一般射頻電路的詳細框圖,如圖7-2所示。

圖7-2 射頻設計詳細框圖
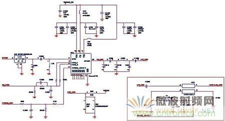
現在,讓我們將各個模塊的詳細電路圖,看看我們得到了什么。沒錯,我們得到了完整的設計圖,如圖7-3所示。在這個原理圖中,我們設計的是一收一發的情況,如果是二發二收,那么原理圖就是兩個圖7-3,復制而已。

圖7-3 完整詳細的原理圖
由于時間有限,編寫者水平更加有限,錯誤之處在所難免,歡迎大家批評指正。
推薦閱讀:




