【導讀】本文指導用戶選擇適當的變壓器,用于高速模/數轉換器(ADC)前端的信號調理。本文還闡述了如何合理選擇無源元件,在較寬的輸入頻率范圍內改善增益的平坦度,而且不會犧牲ADC的動態特性。文中給出了變壓器原級和次級匹配的差別,詳細描述了中等頻率至高頻應用中高速ADC設計所面臨的增益平坦度與動態范圍的沖突問題。
本文討論一種將單端信號(通常來自經過緩沖的解調電路)轉換成差分信號(以便饋入高中頻ADC)的電路。這些電路使用一個寬帶變壓器、匹配電阻及濾波電容來完成此任務。還討論了變壓器的最優匹配方法,以便保持高速ADC的高動態范圍,同時又使增益突起和帶寬降低效應減至最小。
用200MHz變壓器來實現單端至差分轉換
我們選擇MAX1449來示例及分析兩種可能的輸入配置。圖1給出一種采用寬帶變壓器的典型交流耦合單端至差分轉換設計方案,其中變壓器采用Mini-Circuits®公司的T1-IT-KK81 (200MHz),采用50Ω一次側匹配及25Ω/22pF濾波網絡。在此結構中,來自50Ω阻抗信號源的單端信號通過變壓器后被轉換成差分信號。一次側的50Ω匹配使信號源和變壓器之間有良好的匹配。但這同時也意味著變壓器一次側和二次側之間的失配。從一次側看過去是一個組合的25Ω阻抗,而二次側上卻是一個很大的失配阻抗,即20kΩ的ADC輸入電阻并聯22pF電容。這將影響輸入網絡的頻率相應,并將最終影響轉換器的頻率響應。變壓器的標稱漏感在25nH至100nH范圍內。再加上22pF的輸入濾波電容,將產生一個位于110MHz至215MHz之間的干擾諧振頻率
在這個頻率附近,將產生一個惱人的增益突起。

圖1. 利用200MHz變壓器將來自50Ω信號源的單端信號轉換成差分信號。
用800MHz變壓器來實現單端至差分轉換
圖2給出一種與圖1類似的交流耦合配置,但這次是采用性能更好的寬帶變壓器,例如Mini-Circuits公司的ADT1-1WT (800MHz),采用一次側匹配和25Ω/10pF濾波網絡。盡管這種變壓器具有75Ω的阻抗,但其較低的泄漏電感可獲得更好的頻率響應,-1dB頻率高達400MHz,與之相比T1-IT-KK81則只有50MHz。

圖2. 與圖1類似,利用變壓器將單端信號轉換成差分信號,但這次是采用800MHz變壓器,因此能提供更好的性能。
變壓器—200MHz對比800MHz
圖3給出兩種匹配方案、濾波網絡元件與變壓器的測試結果。從圖中的兩條曲線可看出頻響特性的顯著改善。T1-IT-KK81型變壓器在90MHz至110MHz之間明顯地出現了一個大約0.5dB的增益突起,而ADT1-1WT型變壓器的曲線在高達300MHz的頻率范圍內平坦度保持在0.1dB以內。這種條件(即ADT1-1WT型變壓器、50Ω一次側匹配以及在INP與INN上接10pF輸入濾波電容)下的動態性能仍能在
= 50MHz頻率上獲得58.4dB的SNR。雖然圖3中只給出80MHz至260MHz測試頻率下的情況(僅對ADT1-1WT型變壓器),但實驗室測試結果證明,即使在輸入頻率遠超出第8奈奎斯特區時,其增益平坦度仍能保持在0.1dB以內。

圖3. 用800MHz變壓器所獲得的增益平坦度比用200MHz變壓器所獲得增益平坦度有很大的改善。
對變壓器二次側的阻抗進行匹配有助于進一步提高增益平坦度。方法之一是在變壓器的二次側,而非一次側,進行匹配。
特別是對于高中頻應用,匹配阻抗的位置非常關鍵。根據對增益平坦度及動態性能的不同要求,交流耦合輸入進來的信號可在變壓器的任何一側進行匹配。寬帶變壓器是一種可方便快捷地在一個較寬頻帶上將單端信號轉換成差分信號的常用器件。
一次側匹配
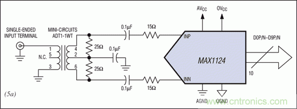
我們選擇MAX1124 (10位,250Msps)來示例不同的匹配方案及其對ADC增益帶寬及動態范圍的影響。我們從一次側匹配結構開始(圖4a),將一個50Ω阻抗的兩個分別接在變壓器的頂端/底端和中心抽頭之間的25Ω電阻上(圖5a)。后接0.1µF交流耦合電容及輸入濾波網絡(15Ω串聯電阻及ADC輸入阻抗)。現在,饋入轉換器的將是一個經過良好平衡的二次側信號。和圖4a中的配置一樣,在INP與INN上沒有連接其他的輸入濾波電容。采用此種配置,幾乎可完全消除450MHz至550MHz頻率范圍內的增益突起。如果需要,還可通過將15Ω隔離電阻換成30Ω來增加更多的直流衰減。盡管這種方法能使頻率響應更加平坦,但也損失了一些帶寬(圖5b)。


圖4. 在這個一次側匹配結構中(圖4a),變壓器一次側的良好平衡被二次側的不平衡破壞了,在450MHz和550MHz之間產生最大增益突起(圖4b)。


圖5. 將經過良好平衡的二次側信號饋入轉換器(圖5a),可完全消除450MHz至550MHz范圍內的增益突起。同時還可增加直流衰減,使頻率響應更加平坦,不過這會損失一些帶寬(圖5b)。
結論
本文的討論表明,無源器件的正確選擇不僅在高速模數轉換器的輸入網絡設計中扮演著重要角色,而且正確地使用這些器件也一樣重要。例如,如果增益平坦度是系統設計中的一個重要因素,則須小心避免在轉換器的差分輸入上產生不平衡及諧振,以確保真實地再現其動態性能。未使用輸入濾波電容的那兩種結構可能會有INP及INN拾取噪聲之憂,對此問題的簡單分析表明,這會導致0.2dB至0.5dB的信噪比(SNR)下降。當看重高帶寬、寬頻程內的增益穩定性(平坦度)以及高動態性能時,采用10位數據轉換器的大多數高中頻應用都能接受如此小的噪聲性能下降。
本文來源于Maxim。
推薦閱讀:




