【導讀】在很多情況中,為了阻擋由于虛地引起的直流電平,在 運放的輸入端串入了電容。這個電容實際上是一個高通濾波器,在某種意義上說,像這樣的單電源運放電 路都有這樣的電容。設計者必須確定這個電容的容量必須要比電路中的其他電容器的容量大 100倍以上。 這樣才可以保證電路的幅頻特性不會受到這個輸入電容的影響。如果這個濾波器同時還有放大作用,這個 電容的容量最好是電路中其他電容容量的 1000倍以上。如果輸入的信號早就包含了 VCC/2的直流偏置, 這個電容就可以省略。
這些電路的輸出都包含了 VCC/2的直流偏置,如果電路是最后一級,那么就必須串入輸出電容。
這里有一個有關濾波器設計的協定,這里的濾波器均采用單電源供電的運放組成。濾波器的實現很簡單,
但是以下幾點設計者必須注意:
1.濾波器的拐點(中心)頻率
2.濾波器電路的增益
3.帶通濾波器和帶阻濾波器的的 Q值
4.低通和高通濾波器的類型(Butterworth、Chebyshev、Bessell)
不幸的是要得到一個完全理想的濾波器是無法用一個運放組成的。即使可能,由于各個元件之間的負雜互 感而導致設計者要用非常復雜的計算才能完成濾波器的設計。通常對波形的控制要求越復雜就意味者需要 更多的運放,這將根據設計者可以接受的最大畸變來決定。或者可以通過幾次實驗而最終確定下來。如果 設計者希望用最少的元件來實現濾波器,那么就別無選擇,只能使用傳統的濾波器,通過計算就可以得到 了。
一、一階濾波器
一階濾波器是最簡單的電路,他們有 20dB每倍頻的幅頻特性
1、低通濾波器
典型的低通濾波器如圖十三所示。

圖十三
2、高通濾波器
典型的高通濾波器如圖十四所示。

圖十四
3、文氏濾波器
文氏濾波器對所有的頻率都有相同的增益,但是它可以改變信號的相角,同時也用來做相角修正電路。圖 十五中的電路對頻率是 F的信號有 90度的相移,對直流的相移是 0度,對高頻的相移是 180度。

圖十五
二、二階濾波器
二階濾波電路一般用他們的發明者命名。他們中的少數幾個至今還在使用。有一些二階濾波器的拓撲結構
可以組成低通、高通、帶通、帶阻濾波器,有些則不行。這里沒有列出所有的濾波器拓撲結構,只是將那
些容易實現和便于調整的列了出來。
二階濾波器有 40dB每倍頻的幅頻特性。
通常的同一個拓撲結構組成的帶通和帶阻濾波器使用相同的元件來調整他們的 Q值,而且他們使濾波器在 Butterworth和 Chebyshev濾波器之間變化。必須要知道只有 Butterworth濾波器可以準確的計算出拐點 頻率,Chebyshev和 Bessell濾波器只能在 Butterworth濾波器的基礎上做一些微調。
我們通常用的帶通和帶阻濾波器有非常高的 Q值。如果需要實現一個很寬的帶通或者帶阻濾波器就需要用 高通濾波器和低通濾波器串連起來。對于帶通濾波器的通過特性將是這兩個濾波器的交疊部分,對于帶阻 濾波器的通過特性將是這兩個濾波器的不重疊部分。
這里沒有介紹反相 Chebyshev和 Elliptic濾波器,因為他們已經不屬于電路集需要介紹的范圍了。
不是所有的濾波器都可以產生我們所設想的結果――比如說濾波器在阻帶的最后衰減幅度在多反饋濾波器 中的會比在 Sallen-Key濾波器中的大。由于這些特性超出了電路圖集的介紹范圍,請大家到教科書上去 尋找每種電路各自的優缺點。不過這里介紹的電路在不是很特殊的情況下使用,其結果都是可以接受的。
1、Sallen-Key濾波器
Sallen-Key濾波器是一種流行的、廣泛應用的二階濾波器。他的成本很低,僅需要一個運放和四個無源器 件組成。但是換成 Butterworth或 Chebyshev濾波器就不可能這么容易的調整了。
這個電路是一個單位增益的電路,改變Sallen-Key濾波器的增益同時就改變了濾波器的幅頻特性和類型。 實際上 Sallen-Key濾波器就是增益為 1的 Butterworth濾波器。

圖十六
2、多反饋濾波器
多反饋濾波器是一種通用,低成本以及容易實現的濾波器。不幸的是,設計時的計算有些復雜,在這里不 作深入的介紹。如果需要的是一個單位增益的 But terworth濾波器,那么這里的電路就可以給出一個近似的結果。

圖十七
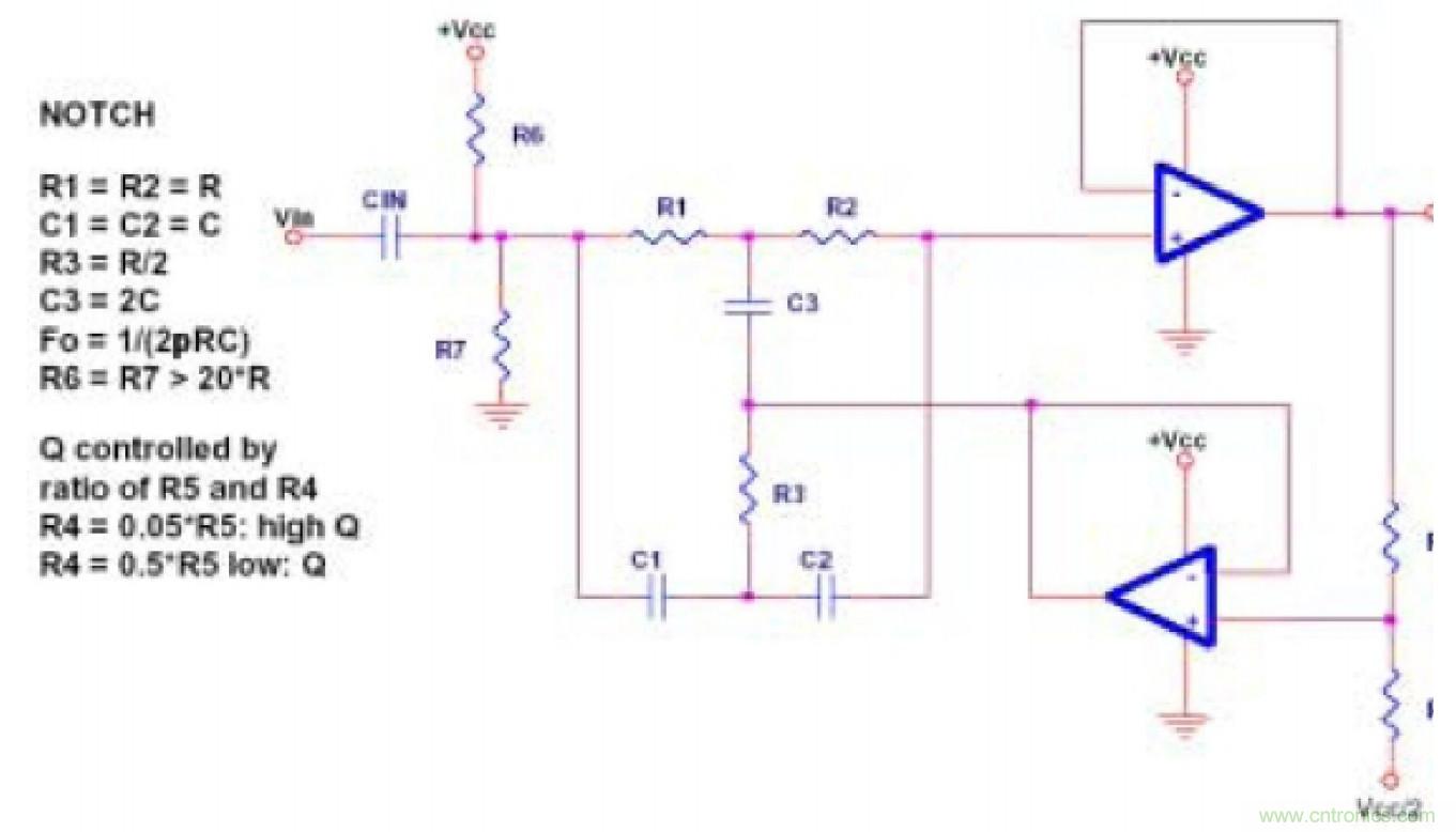
3、雙 T濾波器
雙 T濾波器既可以用一個運放也可儀用兩個運放實現。他是建立在三個電阻和三個電容組成的無源網絡上 的。這六個元件的匹配是臨界的,但幸運的是這仍是一個常容易的過程,這個網絡可以用同一值的電阻和 同一值的電容組成。用圖中的公式就可以同時的將 R3和 C3計算出來。應該盡量選用同一批的元件,他們 有非常相近的特性。
4、單運放實現

圖十八
如果用參數非常接近的元件組成帶通濾波器,就很容易發生振蕩。接到虛地的電阻最好在 E-961%系列 中選擇,這樣就可以破壞振蕩條件。

圖十九
5、雙運放實現
典型的雙運放如圖 20到圖 22所示

圖二十

圖二十一

圖二十二
推薦閱讀:




