【導讀】天線陣列和濾波器常常通過改變鈦酸鋇鍶(BST)電容上的電壓來進行調諧。將這種鐵電材料應用于電容時,只需施加一個電壓,即可導致其晶體結構發生細小的變化,從而改變其介電常數,電容值因而隨之改變。相比于傳統的變容二極管,電子可調諧BST電容能夠處理更高的功率和更大的信號幅度。
在典型應用中,調諧電容可補償器件容差,調整濾波器的截止頻率,或者匹配可調諧天線的網絡阻抗。BST電容的調諧是通過施加0 V至30 V的電壓來實現。現代電子器件所用的電源電壓呈現越來越低的趨勢,3.3 V、2.5 V甚至1.8 V電源已成為常用電源,尤其是在電池供電的應用中。如果僅僅針對這一功能而增加一個單獨的電源,盡管可以獲得調諧的好處,但并不總是值得這樣做。因此,需要一種簡便的方法來產生所需電源。
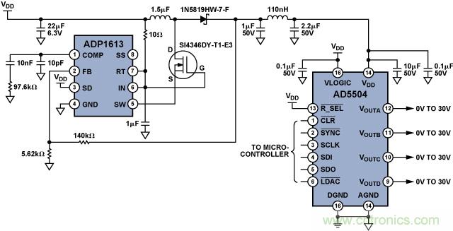
以此應用為例,假設電源電壓為3 V,但為了完全控制BST電容,需要20 V以上的電壓。兩個主要電路模塊分別是升壓開關轉換器ADP1613和高壓DAC AD5504。圖1所示電路可產生高達30 V的DAC輸出電壓。DAC輸出設置BST電容的偏置電壓,從而調整天線響應。

圖1. 升壓電源和高壓DAC為BST電容提供調諧信號
AD1613是一款升壓DC-DC開關轉換器(圖4),集成了功率開關,能夠提供高達20 V的輸出電壓。通過使用外部器件,它可以輸出更高的電壓。如圖所示,ADP1613從3 V輸入產生32 V輸出。 ADIsimPower™工具可以幫助設計人員根據輸入要求輕松確定適當的器件。
ADP1613的32 V輸出為四通道12位高壓DAC AD5504(圖5)供電,而該DAC的四路輸出各自可以提供最高60 V的電壓。R_SEL 引腳上的電壓決定其滿量程輸出。在此應用中,R_SEL連接到VDD,從而將滿量程輸出設置為30 V。DAC寄存器通過3 V兼容串行接口進行更新。利用脈沖將負載引腳(LDAC)拉低,可以同時更新所有四個DAC,因此可以同時改變四個BST電容。
圖2所示為一個用作可調諧匹配網絡的BST電容的等效電路。圖3顯示了BST電容與電壓的傳遞函數以及天線響應。BST電容可以從Agile RF等供應商處購得。

圖2. BST電容等效電路

圖3. 偏置電壓與BST電容的關系以及相應的天線響應

圖4. ADP1613功能框圖

圖5. AD5504功能框圖
諸如圖1所示的電路對目前正受到兩種對立要求夾擊的新一代移動電話有利。一方面一如既往地需要減小尺寸和功耗,而另一方面又需要提高性能,以便通過在更小的體積中安裝更多天線和無線電系統來利用更多的頻段。就體積和效率而言,天線設計人員漸已達到物理設計的極限,一旦縮小天線體積,效率即會下降。可調諧天線解決了多頻段、多模式手機中的這一問題,并且能夠擴展手機的工作頻率范圍,例如從美國GSM850切換到歐洲GSM900,同時尺寸和效率保持不變。在多用途設備中,發送短信、通話或瀏覽網絡會涉及到不同的頭部和手部位置,這會給天線提供不同的負載阻抗,導致天線失諧和信號質量下降。可調諧阻抗匹配網絡則能根據條件變化隨機應變,恢復失諧的信號。
升壓DC/DC開關轉換器工作頻率為650 kHz/1300 kHz
ADP1613 升壓轉換器采用2.5 V至5.5 V單電源供電,卻能夠提供150 mA以上的電流和高達20 V的電壓。通過將一個2 A、0.13 ?功率開關與一個電流模式脈寬調制調節器集成在一起,其輸出隨輸入電壓、負載電流和溫度變化而改變的幅度不到1%。工作頻率可通過引腳選擇,并可通過優化實現高效率或最小外部元件尺寸:650 kHz時,其效率可達到90%;1.3 MHz時,其電路能夠以最小空間實現,因而非常適合便攜式設備和液晶顯示器中的空間受限環境。可調軟啟動電路可將浪涌電流降至最小,從而確保安全、可預測的啟動條件。ADP1613在開關狀態下的功耗為2.2 mA,在非開關狀態下的功耗為700 μA,而在關斷模式下的功耗為10 nA。它采用8引腳MSOP封裝,額定溫度范圍為–40°C至+85°C,千片訂量報價為0.70美元/片。
四通道12位DAC提供高壓輸出
四通道12位高壓DAC AD5504 提供引腳可選的0 V至30 V或0 V至60 V輸出范圍。該器件功能完整,內置精密基準電壓源、溫度傳感器、四個雙緩沖DAC和四個高壓放大器。上電時,數字部分使能并設置為已知狀態,模擬部分則保持禁用狀態,n power-up, the dig直到通過SPI端口發出上電命令。如果芯片溫度超過110°C,溫度傳感器將斷開模擬輸出,并設置一個報警標志。在30 V模式下,AD5504的最大微分非線性(DNL)額定值為1 LSB,而最大積分非線性(INL)額定值為3 LSB。它采用10 V至62 V和2.3 V至5.5 V電源供電,正常模式下的功耗為2 mA,而掉電模式下的功耗為30 μA。它采用16引腳TSSOP封裝,額定溫度范圍為–40°C至+105°C,千片訂量報價為9.92美元/片。
推薦閱讀:






