【導讀】無論基本采樣數據采集系統無論是用于物聯網、智能家居還是工業控制,如果不采取保護措施,都將因混疊而導致不準確問題,因為當模擬輸入采樣不足而產生雜散信號時,就會發生混疊。混疊將頻率高于奈奎斯特頻率(采樣頻率的一半)的信號分量疊回基帶頻譜,使它們無法與所需信號分離,從而導致誤差。
無論基本采樣數據采集系統無論是用于物聯網、智能家居還是工業控制,如果不采取保護措施,都將因混疊而導致不準確問題,因為當模擬輸入采樣不足而產生雜散信號時,就會發生混疊。混疊將頻率高于奈奎斯特頻率(采樣頻率的一半)的信號分量疊回基帶頻譜,使它們無法與所需信號分離,從而導致誤差。另外,高于奈奎斯特頻率的噪聲也會向下混合至基帶,從而降低所需基帶信號的信噪比 (SNR)。
若要防止混疊,解決方案是對輸入信號進行帶寬限制,即將所有輸入信號分量限制在模數轉換器 (ADC) 采樣頻率的一半以下。模擬低通濾波器也稱為抗混疊濾波器,可用來實現帶寬限制。在對帶寬進行限制時,濾波器不能增加信號失真、噪聲或幅度的頻率差異。抗混疊低通濾波器設計必須為快速滾降提供足夠的阻帶衰減,以降低大幅高于奈奎斯特頻率的信號幅度。
本文討論了抗混疊低通濾波器的設計準則,以及應將它們與 ADC 的規格仔細匹配的原因和方法。然后,文章將展示如何使用 Analog Devices 的示例器件,通過有源或開關電容濾波器元件來實現這些濾波器。
何為混疊?
當系統進行數據采集時,采樣率不足就會發生混疊。如果信號包含任何高于奈奎斯特頻率的頻率,就會與轉換器采樣器中的采樣頻率混合,并映射到低于奈奎斯特頻率的頻率,從而導致不同的信號在采樣過程中發生混合且彼此無法區分(即,互相混疊)(圖 1)。

圖 1:混疊示例。以 2 兆樣本 / 秒采樣(左上方)的 80 千赫 (kHz) 正弦波沒有混疊現象。而將采樣率降至 100 千樣本 / 秒(左下方)時,信號被解釋成具有 20 kHz 的頻率。在放大視圖(右側)中,正確采樣的信號和混疊信號發生了重疊。該跡線上的點顯示了樣本位置。 請注意,混疊信號使用了正確采樣數據的子集。(圖片來源:Digi-Key Electronics)
左上方網格中顯示的信號是 80 kHz 正弦波,采樣率為 2 兆樣本 / 秒 (MS/s)。在 2 MS/s 時,奈奎斯特頻率為 1 兆赫 (MHz);該信號遠低于此頻率。左下方網格顯示了采樣率降至 100 千樣本 / 秒 (kS/s) 時發生的情況。此時,奈奎斯特頻率為 50 kHz,而 80 kHz 正弦波頻率高于奈奎斯特頻率,因而發生混疊。
在圖像右側,正確采樣和混疊的信號被水平擴展和重疊,其中點表示實際樣本。請注意,混疊信號包含以 2 MS/s 采樣的信號樣本子集。采樣是一種混合操作,且該操作的輸出由輸入信號的和與差以及采樣頻率組成。
在 100 kS/s 的采樣率和 80 kHz 的信號頻率下,差頻為 20 kHz。兩種情況的頻率測量值都顯示在網格下方。參數讀數 P1 讀取正確采樣信號的頻率為 80 kHz,而混疊信號的頻率為 20 kHz。
設計抗混疊低通濾波器
在設計抗混疊濾波器時,第一步是確定采集系統所需的帶寬。這可確定低通濾波器的截止頻率。濾波器截止頻率通常設置為 -3 分貝 (dB) 或半功率點。在該頻率下,濾波信號的幅度下降至 DC 處幅度的 0.707。如果采集系統設計要求較平坦的頻率響應,則可以使用較低的衰減值(例如 -1 dB)來定義截止頻率。截止頻率幅度越高,抗混疊濾波器頻率響應的滾降就越重要。
在確定采集系統的帶寬后,即可設置采樣率。理論上的最低采樣頻率是采集系統帶寬的兩倍。然而,這個理論上的限值在實踐中并不是一個很好的采樣頻率,因為可實現的抗混疊濾波器不可能像完美的理論濾波器那樣,硬生生地衰減高于截止頻率的信號。這意味著采樣率應該更高。這里需要權衡的是,存儲器需求會隨著采樣頻率提高而增加。在存儲器昂貴的時代,這使得采樣率盡可能接近奈奎斯特頻率,通常是介于輸入帶寬的 2.5 到 4 倍之間。而存儲器成本的降低放松了此要求,因此采樣率可以更高;帶寬的五到十倍也并非聞所未聞。
考慮設計一種需要 100 kHz 采集帶寬的超聲傳感器。采樣率可以是 500 kHz 至 1 MHz。
現在可以選擇 ADC。對于我們的示例,可以選擇采樣率為 1 MS/s 的 12 位逐次逼近轉換器,例如 Analog Devices 的 LTC2365ITS8#TRMPB。其 12 位分辨率可提供 72 dB 的理論動態范圍。該 ADC 具有出色的動態性能,包括 -72 dB 的信納比 (SINAD) 規格和 -73 dB 的 SNR,兩者的采樣頻率均為 1 MS/s(圖 2)。

圖 2:Analog Devices 的 LTC2365ITS8#TRMPB 12 位逐次逼近 ADC 的框圖和 SINAD 性能。(圖片來源:Analog Devices)
以 1 MS/s 的采樣率運行時,奈奎斯特頻率為 500 kHz。100 kHz 低通濾波器的輸出必須具有阻帶衰減,以使高于奈奎斯特的信號分量下降至 ADC 本底噪聲。在本例中,對于高于 500 kHz 的頻率,此值大于 -73 dB。
選擇濾波器類型
低通濾波器有許多可能的類型或配置。最常用的是巴特沃斯、切比雪夫和貝塞爾濾波器。這些濾波器的頻率響應不同,并根據應用提供一些關鍵的差異因素(圖 3)。

圖 3:巴特沃斯(灰色)、切比雪夫(藍色)和貝塞爾(橙色)濾波器的頻率響應比較。濾波器的類型區別在于通帶平坦性、相位延遲和過渡區的坡度。(圖片來源:Digi-Key Electronics)
所示的三種濾波器響應都有各自的具體特點。例如,巴特沃斯濾波器具有最平坦的幅度響應。這意味著,該濾波器在通帶頻率范圍內提供最平坦的增益響應,并在過渡區具有適度的滾降。
貝塞爾濾波器提供統一的時間延遲,以實現恒定的群延遲。這意味著,該濾波器具有隨頻率變化的線性相位響應和優異的脈沖輸入瞬態響應。這種優異的相位響應是以通帶的平坦度和通帶以外的初始滾降衰減較慢為代價的。
切比雪夫濾波器設計成在過渡區呈現出更陡峭的滾降,但在通帶中具有更多的紋波。若設計采用這種濾波器類型,則通常會基于特定的最大紋波。例如,如果截止頻率幅度限制為 -1 dB,則紋波規格通常將設置為最大 1 dB。
這些濾波器在時域中對脈沖的響應有助于理解如何選擇適當的濾波器類型(圖 4)。

圖 4:濾波器對輸入脈沖的響應(左上角)在切比雪夫(右上角)、巴特沃斯(左下角)和貝塞爾(右下角)濾波器類型中表現出時域脈沖響應差異。(圖片來源:Digi-Key Electronics)
貝塞爾濾波器具有線性相位頻率響應,能夠使脈沖以最小的失真通過,但既沒有巴特沃斯濾波器的幅度平坦度,也沒有切比雪夫濾波器的銳截止特性。選擇的過濾器類型取決于應用:
如果幅度精度是最重要的考慮因素,則應選擇巴特沃斯濾波器
如果所需的采樣率接近信號帶寬,則切比雪夫濾波器將是首選
如果主要考慮脈沖保真度,則貝塞爾濾波器是最佳選擇
濾波器階數
濾波器階數代表了指濾波器設計的復雜性。該術語與設計中電抗元件(例如電容器)的數量有關。此外,它還代表了濾波器傳遞函數中的極數。
濾波器的階數影響過渡區滾降的陡度,進而影響過渡區的寬度。一階濾波器的滾降為每倍頻程 6 dB,或每十倍頻程 20 dB。n 階濾波器的滾降速率為 6×n dB/ 倍頻程或 20×n dB/ 十倍頻程。因此,一個八階濾波器的滾降率為每倍頻程 48 dB 或每十倍頻程 160 dB。
以前文所述的超聲傳感器設計為例,按照 500 kHz 的奈奎斯特頻率來算,所有高于 100 kHz 的信號都需要衰減至少 -73 dB。八階濾波器在 500 kHz 下將信號衰減約 -98 dB(圖 5)。六階濾波器在 500 kHz 下將帶外信號衰減約 -83 dB。 因此,對于我們的示例,使用六階濾波器就足夠了,但是使用八階濾波器可以提供更低的帶外信號幅度。如果成本相同,則應選擇八階濾波器。稍后在討論元器件時,將對這種權衡進行更多討論。

圖 5:比較四階(藍色)、六階(橙色)和八階(灰色)濾波器響應的滾降。(圖片來源:Digi-Key Electronics)
濾波器的階數可通過級聯多個濾波器來增加。例如,兩個二階低通濾波器可以級聯在一起,以構成一個四階低通濾波器,依此類推。多個有源濾波器的級聯代價是,功耗、成本和尺寸都會增加。
六階或八階濾波器的選擇還取決于所選濾波器元器件的可配置性。濾波器 IC 若配置為四個二階濾波器,則可以實現一個六階濾波器,但若濾波器 IC 配置為雙四階濾波器,則只能實現一個八階濾波器。
濾波器組件
抗混疊濾波器若要用于聲頻和超聲頻率,則可以使用有源或開關電容濾波器來實現。通常,使用任一濾波器類型的結果非常相似。在使用 16 或更高位超高分辨率 ADC 的應用中,由于出現噪聲的可能性較低,因此首選有源濾波器。開關電容濾波器需要時鐘信號,因此出現噪聲的可能性較高,這是由于來自時鐘信號的串擾導致。
Analog Devices 的 LTC1563 系列提供 4 極或四階有源濾波器,它們使用單個電阻器來控制截止頻率。該系列提供巴特沃斯或貝塞爾型濾波器配置。LTC1563-2 是一款 4 極巴特沃斯配置的濾波器元器件,最大截止頻率為 256 kHz。該濾波器 IC 可以通過級聯方式實現八階低通響應(圖 6)。

圖 6:使用兩個 Analog Devices 的 LTC1563-2 器件實現的一個八階 20 kHz 巴特沃斯濾波器。(圖片來源:Analog Devices)
如果應用需要可變的截止頻率,則 Analog Devices 的 LTC1564IG#TRPBF 是一個不錯的選擇。該八階低通濾波器使用 4 位控制總線以數字方式控制帶寬,可在 10 kHz 到 150 kHz 的范圍內以 10 kHz 步幅變動截止頻率。此外,增益也可按數字方式進行編程。該濾波器具有 122 dB 的動態范圍,適用于 16 至 20 位分辨率的采集系統(圖 7)。

圖 7:僅使用兩個 IC 的 16 位 500 kS/s 采集系統。LTC1564IG#TRPBF 提供高達 150 kHz 的可變帶寬和高達 24 dB 的增益。(圖片來源:Analog Devices)
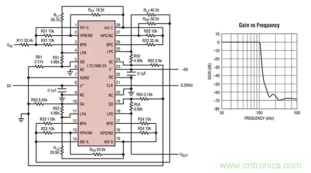
此外,可變截止頻率設計也可以通過開關電容濾波器來實現。Analog Devices 的 LTC1068-25IG#PBF 是一款通用開關電容器八階低通濾波器,最大截止頻率為 200 kHz。該 IC 由四個二階濾波器構件組成,可以通過級聯方式創建八階低通濾波器(圖 8)。

圖 8:使用 LTC1068-25IG#PBF 開關電容濾波器的八階低通濾波器。截止頻率使用開關時鐘來設置,等于開關時鐘頻率除以 32。(圖片來源:Analog Devices)
通用有源濾波器 IC 也可以用于抗混疊。它們需要更多的元件來設置濾波器特性。Analog Devices 的 LTC1562-2 是一款低噪聲 / 低失真的四二階濾波器,可以配置為具有低通、高通或帶通響應的巴特沃斯、切比雪夫、橢圓或等紋波延遲響應濾波器。截止頻率為 20 至 300 kHz,可使用電阻值進行編程。通過三個電阻器可設定中心頻率、增益和 Q 值。該四二階濾波器的設計可配置為產生二階、四階、六階或八階濾波器。
總結
數據采集系統需要使用抗混疊低通濾波器,以確保可以正確地重建所有目標采樣信號。所需的濾波器特征取決于與之配對的 ADC 的帶寬、幅度分辨率和采樣率。如上所述,有多種設計選項可用于實現低通濾波器,包括有源、數字可控和開關電容器件。
免責聲明:本文為轉載文章,轉載此文目的在于傳遞更多信息,版權歸原作者所有。本文所用視頻、圖片、文字如涉及作品版權問題,請電話或者郵箱聯系小編進行侵刪。





