【導讀】國際電信聯盟(ITU)分配了免許可的915 MHz工業、科學和醫學(ISM)無線電頻段供區域2使用,該區域在地理上由美洲、格陵蘭島和一些東太平洋群島組成。在該區域內,多年來無線技術和標準的進步使此頻段在短距離無線通信系統中頗受歡迎。該ISM頻段對應用和占空比沒有任何限制,常見用途包括業余無線電、監視控制與數據采集(SCADA)系統以及射頻識別(RFID)。
電路功能與優勢
國際電信聯盟(ITU)分配了免許可的915 MHz工業、科學和醫學(ISM)無線電頻段供區域2使用,該區域在地理上由美洲、格陵蘭島和一些東太平洋群島組成。在該區域內,多年來無線技術和標準的進步使此頻段在短距離無線通信系統中頗受歡迎。該ISM頻段對應用和占空比沒有任何限制,常見用途包括業余無線電、監視控制與數據采集(SCADA)系統以及射頻識別(RFID)。
但是,無論何種應用,該頻段中的無線電傳輸都要求信號鏈電路之后有一個放大器模塊來驅動天線。在美國,根據FCC的規定,對于使用直接序列擴頻(DSSS)或跳頻擴頻(FHSS)的50通道無線電系統,以及對于使用FHSS的少于50個通道的無線電系統,采用915 MHz ISM頻段的擴頻發射機的最大峰值輸出功率分別為36 dBm和30 dBm。

圖1.CN-0522簡化功能框圖
電路描述
工作在915 MHz ISM頻段
電路的RF輸入信號必須通過表面聲波(SAW)濾波器,以將驅動放大器的輸入限制為902 MHz至928 MHz頻段。選擇濾波器時,必須在帶內平坦度和帶外抑制之間取得平衡。在選擇過程中,應注意SAW濾波器也是插入損耗的來源,它會降低信號鏈的總增益。
該參考設計所用的SAW濾波器的典型最大插入損耗為2.9 dB,端接阻抗為50Ω。
放大器
ADI公司的兩級RF功率放大器 ADL5605的工作頻率范圍為700 MHz至1 GHz,典型增益為23.0 dB,最小噪聲系數為4.7 dB,從881 MHz±13 MHz開始的最小輸出三階交調截點(IP3)為43.4 dBm。
有源偏置已集成在ADL5605中,只需將5 V電壓施加于VBIAS引腳并通過RF扼流電感(L1)施加于RFOUT引腳,便可設置兩個放大器級的最優偏置點。建議使用18 nH的電感,因為這也會為915 MHz ISM頻段提供一定的輸出匹配。為了濾除電源線上的RF信號和高頻噪聲,ADL5605的輸出級偏置以及VCC和VBIAS引腳上均需要三個去耦電容。

圖2.ADL5605功能框圖
阻抗匹配
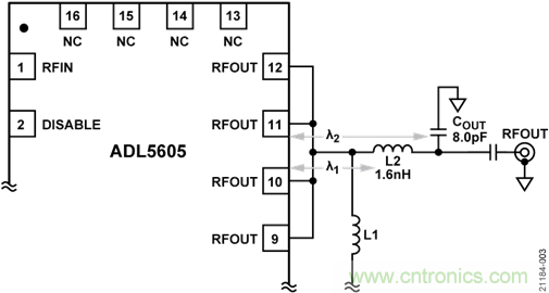
對于915 MHz ISM頻段,ADL5605的RFIN引腳上不需要外部匹配元件。同時,使用微帶線作為電感,并連接一個額外的串聯電感(L2)和一個并聯電容(COUT),即可將其RFOUT引腳輕松匹配至50Ω。RFIN和RFOUT引腳均需要外部隔直流電容。

圖3.ADL5605 RFOUT匹配參數
根據ADL5605數據手冊,當放大器的工作頻率高于868 MHz時,L2和C OUT的推薦值分別為1.6 nH和8.0 pF。這些元件的正確布局對于匹配至關重要。然而,在Keysight Advanced Design System (ADS)軟件中對該參考設計進行仿真得到的建議元件間距值為:λ1 = 94.5 密耳,λ2 = 240 密耳(與925 MHz至961 MHz頻段相同,參見ADL5605數據手冊)。這些值是從元件中心測量到放大器的邊緣。
小信號性能和相位噪聲
該設計產生的S參數和相位噪聲測量結果如圖4和圖5所示。在915 MHz的中心頻率,該電路實現了20 dB的增益,輸入和輸出回波損耗分別大于11 dB和6 dB。該系統的相位噪聲很低,在10 kHz和100 kHz的頻率偏移時,相位噪聲值低于-110 dBc/Hz;在1 MHz和10 MHz的頻率偏移時,相位噪聲值分別低于-130 dBc/Hz和-140 dBc/Hz。

圖4.輸入回波損耗(S11)、反向隔離(S12)、正向增益(S21)、輸出回波損耗(S22)與頻率的關系

圖5.相位噪聲與頻率偏移的關系(915 MHz輸入)
設計的輸出功率(POUT)與輸入功率(PIN)的關系圖如圖6所示,確認在大約11 dBm的輸入電平下實現了1 W的最大輸出電平。

圖6.POUT與PIN的關系(915 MHz輸入)
此設計的RF輸入以SAW濾波器或放大器的最大額定值(以較低者為準)為限。使用默認板載SAW濾波器時,電路的最大輸入為15 dBm。ADL5605本身可以處理高達20 dBm的輸入。
過溫管理
利用ADI公司的 ADT6402溫度開關實現過溫管理功能以監視板溫度,在其達到設定的閾值時禁用放大器,從而讓EVAL-CN0522-EBZ冷卻。該溫度傳感器的精度很高,典型額定值為±0.5°C(最大值為+6°C,從-45°C到+ 115°C),在整個額定溫度范圍內都能保持高精度和線性度,無需用戶校準或校正。

圖7.ADT6402功能框圖
S0、S1和S2引腳的狀態選擇ADT6402的溫度斷路點和遲滯。CN-0522的引腳S2硬連線至VCC,而引腳S0和S1可利用焊接跳線JP1和JP2連接至VCC或GND(或保持浮空)。這些引腳配置將溫度斷路點和遲滯選項限制為表1所列的選項。
表1.選擇斷路點和遲滯1

1 0 表示引腳接GND,1表示引腳接VCC,"浮空"表示引腳浮空。
由于ADL5605的散熱特性良好,建議將斷路點設置為至少95°C。
ADT6402具有一個高電平有效推挽輸出(TOVER/TUNDER),該輸出在溫度測量值超過斷路點時使能。TOVER/TUNDER通過緩沖門連接到ADL5605的DISABLE引腳,當溫度開關跳閘時,放大器關斷,只有在系統冷卻到斷路點以下的溫度(加上遲滯)之后才再次開啟。緩沖門確保放大器(ADL5605)的DISABLE引腳的5 V邏輯電平和1.4 mA電流要求得到滿足。
為了獲得最佳性能,必須使ADT6402的GND引腳和熱源的GND引腳的熱阻最小。因此,ADT6402安裝在EVAL-CN0522-EBZ的背面,靠近連接至ADL5605裸露焊盤的散熱通孔。
布局考慮
功率放大器在使用時會產生大量熱量,因此必須特別注意電路的散熱。為了減輕功耗影響,EVAL-CN0522-EBZ設計有三層厚的接地層,并在ADL5605周圍和下方布置了多個散熱通孔。
在Cadence® Sigrity™ PowerDC™軟件中對CN-0522設計進行的仿真表明,在正常工作期間,放大器周圍的印刷電路板(PCB)溫度接近85°C。為了實現較小尺寸,沒有在板上增加用于放置散熱器的條件。但是,CN-0522設計有過溫管理功能,可將EVAL-CN0522-EBZ溫度保持在系統性能最佳的水平。此特性還能防止ADL5605芯片達到其最高結溫。

圖8.CN-0522 PCB熱仿真(主面)
使用LTM8045進行USB電源管理
CN-0522的電源通過microUSB端口供應,并由LTM8045 μModule調節。這個小型、獨立的DC-DC轉換器簡化了穩壓器電路設計,因為它已經包括了電流模式控制器和用于低噪聲放大器電源的功率器件。
該設計在正常工作期間大約需要307 mA電流,主要由ADL5605消耗(ADT6402僅需要30μA)。但請注意,ADL5605在較高輸出電平下會消耗更多電源電流。例如,根據ADL5605數據手冊所述,輸出為30 dBm時,電流消耗大于560 mA。CN-0522中使用的所有有源器件僅需要5 V單直流電源。
配置為單端初級導體(SEPIC)時,LTM8045的輸出電壓由VOUT+和FB引腳之間的反饋電阻(RFB)的值設置,該電阻值通過公式1計算。
其中:
RFB 為反饋電阻,單位為kΩ。
VOUT 為期望輸出電壓,單位為V。
對于5 V的輸出電壓,該公式得出的RFB值為45.3kΩ,在CN-0522中實現為兩個并聯的60.4kΩ和182kΩ電阻,以提供兩條反饋路徑(參見圖9)。

圖9.LTM8045配置為5 V SEPIC(VOUT側)
為使LTM8045開關瞬變引入的噪聲最小,穩壓輸出通過一個阻尼LC濾波器和一個鐵氧體磁珠。該濾波器用于抑制80 MHz至150 MHz的開關噪聲。圖10顯示了LTspice®中仿真的LTM8045輸出噪聲的FFT圖。

圖10.使用LTspice得到的LTM8045輸出噪聲FFT圖
LTM8045的開關頻率由RT引腳和GND之間的外部電阻設置,電阻值通過公式2計算。
其中:
RT 為外部電阻,單位為kΩ。
fOSC為期望開關頻率,單位為MHz。
對于5 V的輸入和輸出電壓電平,根據數據手冊所述,LTM8045的最佳開關頻率為800 kHz。將此值代入公式2中的fOSC,可計算出外部電阻值為115 kΩ。對于該配置,推薦的輸入和輸出電容分別為4.7μF和100μF。

圖11.LTM8045配置為5 V SEPIC(VIN側)
為了限制啟動期間 來自電源的浪涌電流,LTM8045設計有軟啟動功能,該功能使用SS和GND之間的外部電容實現。要計算軟啟動時間,請使用公式3。
其中:
tSS 為軟啟動時間,單位為秒。
CSS為外部電容,單位為μF。
此設計使用兩個并聯連接的0.1μF電容作為軟啟動電容,因此軟啟動時間約為367 ms。
常見變化
如果不需要1 W的功率水平,HMC450可以用作915 MHz ISM頻段的替代驅動放大器。與ADL5605相比,HMC450具有更高的增益、噪聲系數和輸入回波損耗,但代價是輸出匹配要求更高,并且輸出IP3和輸出1 dB壓縮點(P1dB)較低。HMC450的飽和輸出電平僅為700 mW左右。
如果使用HMC450,則溫度開關必須替換為ADT6401,其與ADT6402引腳兼容且有相同的規格,但輸出為低電平有效輸出。
ADI公司還提供類似的用于在2.45 GHz ISM頻段中進行傳輸的放大器設計。有關更多信息,請參閱 電路筆記CN-0417。
電路評估與測試
本節介紹用于測試CN-0522的S參數和相位噪聲的設置和步驟。
有關更多信息,請參閱CN-0522用戶指南。

圖12.EVAL-CN0522-EBZ頂視圖

圖13.EVAL-CN0522-EBZ底視圖
設備要求
進行測試需要如下設備:
● EVAL-CN0522-EBZ
● Keysight® E5061B矢量網絡分析儀
● Rohde & Schwarz® SMA100A信號發生器
● Rohde & Schwarz FSUP信號源分析儀
● 5 V交流/直流USB電源適配器
● USB A型轉microUSB電纜
● SMA電纜
● 20 dB衰減器(選配),用于信號源分析儀的輸入保護
設置與測試
要測量S-參數,請執行以下步驟:
1.將矢量網絡分析儀設置為所需的測量條件。頻率范圍必須設置為包括902 MHz至928 MHz頻段,而源電平必須設置為0 dBm。
2.使用校準套件對矢量網絡分析儀執行完整的2端口校準。請注意,EVAL-CN0522-EBZ的RF輸入(J1)可以直接連到測試端口,因此測試設置僅需要一根測量電纜。
3.使用5 V電源適配器和microUSB電纜為EVAL-CN0522-EBZ供電。
4.使用校準的測試設置將EVAL-CN0522-EBZ連接在矢量網絡分析儀的測試端口上。
5.將測量值設置為所需的S參數。
6.在矢量網絡分析儀上執行自動縮放功能。如果需要,隨后可調整比例。

圖14.S參數測量設置
要測量相位噪聲,請執行以下步驟:
1.將信號源分析儀設置為所需的測量配置。
2.將信號發生器的輸出設置為915 MHz的頻率和0 dBm的電平。
3.如果設備可以處理放大器輸出(0 dBm輸入時約為20 dBm),請參考信號源分析儀數據手冊上的最大輸入電平。如有必要,將衰減器連接到信號源分析儀的輸入。
4.使用5 V電源適配器和microUSB電纜為EVAL-CN0522-EBZ供電。
5.將信號發生器的輸出連接到EVAL-CN0522-EBZ的RF輸入(J1)。
6.將EVAL-CN0522-EBZ的RF輸出(J2)連接到信號源分析儀。
7.在信號源分析儀上執行測量運行。

圖15.相位噪聲測量設置
推薦閱讀:



