【導讀】現代電源轉換設備一般會采用開關技術,進行測量時需要特殊處理,包括使用差分探頭。這是因為,與之前采用模擬技術的設備不同,這類設備不借助變壓器來降低線電壓,而是使用整流后線電壓作為直流總線電源(圖 1)。這種拓撲結構與接地和差分信號存在有趣的聯系。
現代電源轉換設備一般會采用開關技術,進行測量時需要特殊處理,包括使用差分探頭。這是因為,與之前采用模擬技術的設備不同,這類設備不借助變壓器來降低線電壓,而是使用整流后線電壓作為直流總線電源(圖 1)。這種拓撲結構與接地和差分信號存在有趣的聯系。

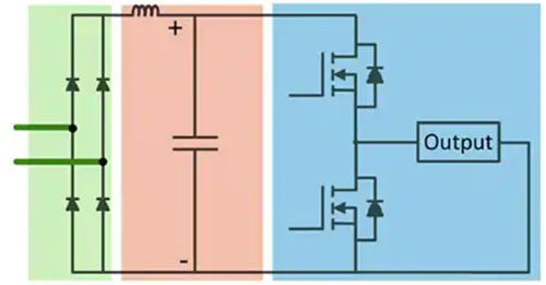
圖 1:所示為開關模式電源轉換器的功能框圖,該電源轉換器用于對線電壓進行全波整流,以生成直流總線電壓。(圖片來源:Teledyne LeCroy)
在圖 1 的配置中,電路對交流線路進行全波整流。對于 120 Vrms 的交流線路,峰間電壓為 340 VAC。電容器的全波整流電壓為 170 VDC。對于 240 V 線路,這些值將翻倍。這個可用作開關模式穩壓器的直流電源。
電源開關配置為半橋拓撲結構,上下開關交替連接到輸出端。穩壓器(圖中未顯示)生成脈沖寬度調制 (PWM) 信號,該信號通過驅動 MOSFET 的柵源電壓來調節輸出電壓。
為什么需要差分探頭
圖 1 中,有幾點需要注意。首先,電路中沒有任何點參考接地。輸入線路有火線和零線。零線在其源頭處參考接地,在到達用電設備之前可能有幾伏離地電壓。電源轉換器的電壓基本上是浮動電壓。嘗試借助采用普通無源探頭的示波器測量電壓時,需要在某處連接示波器地線。將地線連接到該電路的任何一點都可能導致問題。
要注意的第二點是,上部 MOSFET 電壓位于下部 MOSFET 的漏極電壓上。該電壓在零伏和直流總線電壓之間切換。這對接地的示波器測量提出了另一個問題。
這個測量問題的解決方案是使用差分探頭。
鑒于遇到的電壓最高可達 680 V,因此必須采用高壓差分探頭(圖 2)。

圖 2:所示為高壓差分探頭的功能框圖,該探頭不需要接地,因為它可以測量 + 和 – 探頭輸入端之間的電壓差。(圖片來源:Art Pini)
差分探頭可測量輸入端之間的電壓差。高壓差分探頭包括了衰減器并會在每個輸入端提供過載保護。典型衰減值在 50:1 至 2000:1 范圍內。因此,高壓差分探頭的輸入電壓范圍為 1500 至 7000 V。
將受測設備建模成一個差分源,由兩個差分源、一個正分量 (VP) 和一個負分量 (VN) 以及一個共模分量 (VCOM) 組成。共模分量與 + 和 – 輸入共用。+ 輸入對應 VP + VCOM,– 輸入端對應 VCOM - VN。理想情況下,探頭會測量這些輸入電壓或 VP +VN 之間的差,從而消除 VCOM 項。現實中的差分探頭會衰減掉共模電壓,但不會完全將其消除。差分探頭的共模抑制比 (CMMR)(即衰減掉的共模信號與其未衰減振幅的比率)單位為 dB,表示差分探頭的有效性。該品質因數具有頻率相關性,通常隨著頻率的增加而下降。
如何使用差分探頭
讓我們來看看如何使用高壓差分探頭測量 120 V 輸入的開關模式電源轉換器(類似于圖 1 中那個)的上部柵源電壓。直流總線電壓約為 170 V。上部 MOSFET 的柵源電壓將取決于下部 MOSFET 的開關信號上,這是一個在 0 至 170 V 之間切換的 PWM 信號。該柵源電壓將為 4 至 12 V 的量級。
進行這種測量時,推薦使用 Teledyne LeCroy 的 HVD3106A-NOACC 高壓差分探頭。這款 120 MHz 帶寬探頭的額定電壓為 1000 V RMS。其差分額定電壓為 1500 V(直流加交流峰值),甚至可以與 240 V 交流電源轉換器完美匹配。該探頭具有 1500 V 的偏移范圍,可以輕松垂直展開測得的波形以查看細節。該探頭的 CMRR 在最高 60 Hz 時為 85 dB,在 1 MHz 時為 65 dB。這意味著 170 V 共模信號的衰減將優于 65 dB。衰減后的共模信號的振幅約為 95 mV。由于柵源電壓為 4 至 12 V 的量級,因此共模干擾對測量的影響很小。
對于更高的電壓,例如與 1500 VDC 太陽能光伏 (PV) 逆變器測量相關的電壓,建議使用 HVD3206A 探頭。這款探頭的最大差分額定電壓為 2000 V(直流加峰值交流),并且具有與 HVD3106A-NOACC 探頭相同的帶寬和 CMRR。
最后,對于大型三相機器及其控制器,推薦使用 HVD3605A 高壓差分探頭,其最大電壓輸入為 7000 V(直流加交流峰值)。之所以能實現如此高的電壓范圍是由于該探頭中配有 200:1 或 2000:1 衰減器。該探頭的 CMRR 在 60 Hz 時為 85 dB,10 kHz 時為 70 dB,1 MHz 時為 64 dB,偏移范圍為 6000 V。
HVD3000A 系列探頭均具有 1% 或更高的增益精度,提供帶配件和不帶配件兩種版本,示波器線纜引線長度分別為 2.25 m 和 6 m(圖 3)。

圖 3:HVD3000A 系列提供的一些高壓差分探頭配置,提供帶配件和不帶配件版本以及長達 6 m 的示波器線纜。(圖片來源:Teledyne LeCroy)
配件包因型號而異,包括與不同電壓配套的夾子或小型抓具。
結語
在沒有接地參考且待測信號取決于另一個高壓信號的情況下,高壓差分探頭非常有用。針對這些情況,Teledyne LeCroy 推出了 HVD3000A 系列探頭。所有這些探頭都非常適合用于需要接地隔離的開關模式電源轉換器的測量。它們完全集成到了 Teledyne LeCroy 示波器操作系統中,并自動感應和標定以實現精確測量。
(來源:中電網,作者:Art Pini)
免責聲明:本文為轉載文章,轉載此文目的在于傳遞更多信息,版權歸原作者所有。本文所用視頻、圖片、文字如涉及作品版權問題,請聯系小編進行處理。
推薦閱讀:





