【導讀】本實驗活動的目標是研究多相濾波器作為正交信號生成技術,并生成差分可調諧放大器,去創建一個多相放大器或者濾波器,能夠生成輸入信號源的四個正交相位(即以90°為增量的相位)。
目標
本實驗活動的目標是研究多相濾波器作為正交信號生成技術,并生成差分可調諧放大器,去創建一個多相放大器或者濾波器,能夠生成輸入信號源的四個正交相位(即以90°為增量的相位)。
背景知識
正交頻率轉換在現代無線收發器架構中很常見,因為當今的數字通信系統中同時部署了幅度調制和相位調制。
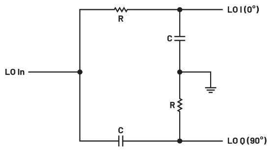
圖1顯示了簡化的一階多相電路,通常部署在許多諸如ADL5380這樣的正交解調器中。這個簡單的多相電路由互補的RC子電路組成。從輸入到一個輸出的低通傳遞函數在轉折頻率處使相位偏移–45°,而到另一個輸出的高通傳遞函數在轉折頻率處使相位偏移+45°。兩個輸出之間的凈相位差為90°。如果兩個路徑的R和C值匹配,則兩條路徑具有相同轉折頻率,更重要的是,在所有頻率下,一個輸出的相位都與另一個輸出保持90°的相移。兩個輸出信號(LO I 0°和LO Q 90°)的相對幅度僅在兩個RC路徑的–3 dB轉折頻率處相等。
圖1.簡化的一階多相濾波器。
正交本振(LO)信號的產生是邊帶抑制外差接收器中的一個重要功能模塊。正交精度,即同相和正交90°相移信號的相位精度,直接決定了鏡像抑制比(IRR),這是決定接收器靈敏度的重要規格參數。
材料
?ADALM2000主動學習模塊
?無焊試驗板和跳線套件
?兩個1 nF電容(標記為102)
?兩個1 kΩ電阻
說明
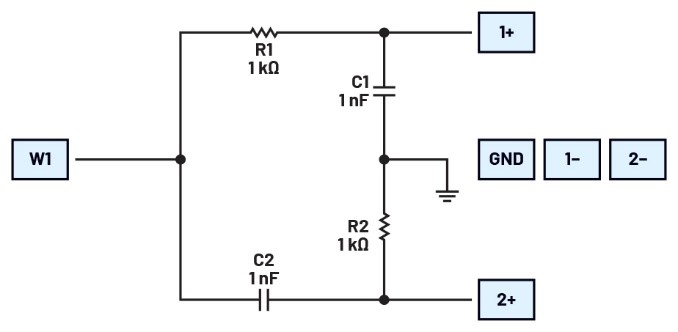
在無焊試驗板上構建圖2所示的多相濾波器電路。
圖2.多相濾波器電路。
硬件設置
圖2中的藍色方塊表示連接ADALM2000模塊AWG和示波器通道的位置。試驗板電路參見圖3。
圖3.簡化的一階多相濾波器試驗板連接。
在Scopy中打開網絡分析儀軟件工具。配置頻率掃描范圍,起始頻率為10 kHz,停止頻率為30 MHz。將幅度設置為2 V,將偏置設置為零。選中示波器通道下拉菜單下的使用通道1作為參考框,以測量一個輸出路徑相對于另一個輸出路徑的相位。見圖4。
圖4.Scopy網絡分析儀輸出。
程序步驟
根據您使用的R和C值來計算預期的RC轉折頻率。運行一次頻率掃描并確保將數據保存到.csv文件中,以便之后在MATLAB?或Excel中使用。
差分多相調諧放大器
通過在NPN差分放大器中添加二階LC和CL低通和高通濾波器部分作為差分輸出負載,可以生成輸入正弦波信號的所有四個90°相位(0°、90°、180°和270°)。圖5所示就是這種調諧放大器。
材料
?ADALM2000主動學習模塊
?無焊試驗板和跳線套件
?一對SSM2212 NPN匹配晶體管(Q1、Q2)
?兩個2N3904 NPN晶體管(Q3、Q4)
?兩個100 μH電感器(各種具有其他值的電感器)
?兩個1 nF電容(標記為102)
?兩個0.1 μF電容(標記為104)
?兩個10 Ω電阻
?兩個150 Ω電阻
?兩個470 Ω電阻
?三個1 kΩ電阻
?一個10 kΩ電阻
?所需的其他電阻和電容
說明
在無焊試驗板上構建圖5所示的電路。使用 SSM2212 匹配的晶體管對作為 Q1 和 Q2。晶體管Q3和Q4可以是2N3904器件。設置L1 = L2 = 100 μH,C1 = C2 = 1 nF。R1應等于R2,并使用值470 Ω。同樣,R3應等于R4,并使用值150 Ω。
圖5.多相放大器。
圖6.多相放大器試驗板連接。
硬件設置
圖5中的藍色方塊表示連接ADALM2000模塊AWG、示波器通道和電源的位置。確保在反復檢查接線之后,再打開電源。試驗板電路參見圖6。
打開電源電壓控制窗口,先接通再斷開固定的+5 V和-5 V電源。在Scopy中打開網絡分析儀軟件工具。配置頻率掃描范圍,起始頻率為100 Hz,停止頻率為30 MHz。將幅度設置為1 V,將偏置設置為零。
程序步驟
根據您使用的L和C值來計算預期的LC轉折頻率。
接通電源。通過交流耦合電容器(圖5中的C4),將示波器輸入通道2交替連接到電阻器R1、R2、R3和R4末端的四個可能的輸出。運行單次頻率掃描并將每次掃描存儲在波形快照中,以比較每個輸出的相對增益和相位響應。請務必將所有頻率掃描數據導出到.csv文件,以便采用Excel或MATLAB進行深入分析。
使用示波器和函數發生器軟件儀器(在時域中),將AWG頻率設置為諧振頻率,并將幅度設置為1 V峰峰值。在示波器通道1上觸發。觀察四個輸出的相對幅度和相位,并將每個波形存儲在通道2上作為參考通道,以比較每個輸出的幅度和相位。參見圖7至10。
圖7.0°相移。
圖8.90°相移。
圖9.180°相移。
圖10.270°相移。
(來源:ADI公司,作者:Antoniu Miclaus,系統應用工程師Doug Mercer,顧問研究員)
免責聲明:本文為轉載文章,轉載此文目的在于傳遞更多信息,版權歸原作者所有。本文所用視頻、圖片、文字如涉及作品版權問題,請聯系小編進行處理。
推薦閱讀:




