中心議題:
- 列出電流型熱電偶溫度變送器的設計構架
- 介紹具體設計電路及對其進行調試及測量
解決方案:
- 采用電流型變送器更合理
- 對熱電偶的冷端進行溫度補償,穩定電信號
前言
熱電偶是工業上廣泛使用的溫度傳感器,它最大的優勢就在于溫度測量范圍極寬,理論上從-270℃的極低溫度到2800℃的超高溫度都可以測量,并且實際應用中在600℃-2000℃的溫度范圍內可以進行最精確的溫度測量。在化工、石油、電力、冶煉等行業的自動化控制系統中熱電偶發揮著對溫度的監控作用。因此我們開發設計出一套具有較高精度和穩定性的實用性K型熱電偶溫度變送器。
設計構架
a.設計要求
整套系統要求在0~100℃范圍對應輸出4mA~20mA的電流型溫度變送器。
在實際的工業化需求中,往往需要設計為標準信號的變送器,以便與儀表和后續接口電路兼容。在輸出為模擬信號時,有電壓型和電流型兩種變送器。電壓型變送器的輸出為0~5v,雖然其在信號處理方面具有優勢,但抗干擾能力較差,在遠距離傳輸時信號衰減大,而電流型變送器卻在這方面獨具優勢。因此在工業實踐中得以廣泛應用。
通常,電流型變送器有輸出0~20mA和4~20mA兩種。對于輸出0~20mA的變送器,雖然電路調試及數據處理都比較簡單。但對于輸出4~20mA的變送器,能夠在傳感器線路不通時,通過是否能檢測到正常范圍內的電流,判斷電路是否出現故障,因此使用更為普遍。
b.電路功能
信號的放大
熱電偶測溫的原理是基于熱電轉換效應。雖然它集放熱、轉換為一體,能直接實現溫度到電壓的輸出,但輸出幅度很微小。如K型熱電偶的靈敏度為0.04mv/℃。因此,對其信號必須進行放大。
溫度補償
當熱電偶測溫時,其冷端溫度受環境變換影響較大,從而會影響最后測量的電信號。為了能得到穩定的電信號,以便算出真實的待測溫度,需要對熱電偶的冷端進行溫度補償。
原理框圖

主要器件
熱電偶作為感溫元件,采集溫度信號;鉑電阻作為補償電阻,補償熱電偶的冷端溫度;XTR101為小信號處理專用芯片,將輸入的微弱信號放大后便于遠端傳輸;RL為遠端的負載電阻,便于電信號的測量。
具體電路的設計
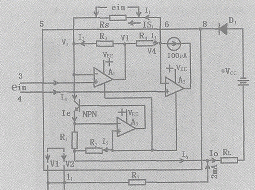
a.XTR101信號調理芯片
為了得到穩定的4mA~20mA的輸出電流,我們選用常用的信號放大芯片XTR101。
XTR101是一個精密、低漂移的雙線變送器,它可以把微弱的電壓信號進行放大并變換成4mA~20mA的電流信號后進行遠距離傳送。它由一個高精度的儀表放大器、壓控輸出電流源和2個精密的1mA電流源組成。
其輸入管腳為:3、4;輸出管腳為:7、8;且;輸出范圍4mA~20mA;增益調節端為Rs端;電源端Vcc=24V。
XTR101芯片電路圖如圖2所示,R1=1kΩ,R2=52.6Ω,R3=R4=1.25kΩ,Rs為調增益的電阻。

圖2 XTR101芯片電路圖
圖中:I1=(V4-V3)/Rs=ein/Rs;I2=(V1-V3)/R3;I3=(V1-V4)/R4.
且I4=I1+I2;I3=I1+0.1mA;I4=Ie。
可導出:Ie=2ein/Rs+ein/1250+0.1mA (1-1)
又因為R1兩端電壓和R2兩端電壓相等,即Ie•R=I5•R2,
可求得:I5=I9Ie
I6=I5+Ie=20Ie (1-2)
由(1-1)、(1-2)可導出:
Io=I8+2mA=(40/Rs+0.016Ω)ein+4mA
b.要點分析
增益調節
Rs為增益調節電阻,調節Rs可使輸入電壓ein在從最小值變到最大值時使輸出電流Io從4mA變到20mA。即△I=16mA的輸出電流。需要注意的是:為使Io不超過20mA,當Rs=∞時,ein不應超過1V,而當Rs減小時,ein也應相應減小。
輸入偏置
由于XTR101使用的是單電源,因此在正常工作時,信號輸入端應加+5V左右的偏置電壓。該電壓可利用2個內部參考電流源或其中之一通過一個電阻產生,如圖3中的R2。
圖3熱電偶測溫電路
由于2個輸入端都存在直流偏壓,這就相當于在放大器的輸入端存在一個共模電壓,XTR101的技術指標中已經包含了這部分誤差。如果偏置不是5V,而是另外一個共模電壓CMV,則會在輸入端引入(CMV-5)/CMRR的失調誤差(CMRR是共模抑制比)。
零點調整
XTR101可以把任何范圍(小于1v)的電壓信號變換為4~20mA的輸出電流,它的任務就是在輸入電壓最小時使輸出電流為4mA,即零點調整,也就是使零點能夠上下偏移。可利用圖3中的電阻R3和1mA的內部參考電流源在R3上所產生的壓降V3來作為偏移電壓進行零點調整。即調節R3,讓其在V3=(V3)min時,使
ein=V4-(V3)min=0。
溫度補償
當熱電偶測溫時,其冷端溫度受環境變換影響較大,從而會影響最后測量的電信號。為了能得到穩定的電信號,以便算出真實的待測溫度,需要對熱電偶的冷端進行溫度補償。
我們選用鉑電阻作為補償元件,是因為它在常溫下具有很好的穩定性。
設熱電勢為E(t,t0),若冷端溫度t0變化t1后,熱電勢就變為E(t,t1),
即△E=E(t,t0)-E(t,t1),鉑電阻就是用于對隨溫度變化的△E進行自動補償。將鉑電阻和熱電偶的冷端一同置于室內環境溫度下,將熱電偶放入冰水混合液中。調節R3使輸入電壓為0mV,而在其后的各溫度點進行測量時,不再調節R3,雖然環境溫度會變化,對熱電偶有影響,但鉑電阻的阻值也會隨環境溫度的變化而變化,導致其兩端的電壓改變,這種變化的電壓就是用于抵消熱電偶受溫度變化影響的電勢,從而達到補償目的。
我們選用分度號為100的鉑電阻,即在0℃時的電阻為100Ω,在266℃時的電阻為200Ω,所以鉑電阻的敏感系數為△R/△t=100Q/266℃,在溫度為t時刻時,鉑電阻的阻值Rpt=100Ω+(100Ω/266℃)t。
c.各參數的選擇計算
增益調節電阻
為了實驗的調節方便,選擇溫度范圍:0℃~100℃。當t=100℃時,Io=20 mA,RL選510Ω,所以URL=10.2V,這就需要調節Rs,即調節增益電阻。當溫度為0℃時,熱電偶電壓E為0 mV,靈敏度為:0.04mV/℃。
當溫度為0℃時,Io=4mA,ein=0mV;
當溫度為100℃時,Io=20mA,ein=4mV。
根據公式(1-1):△Io=(40/Rs+0.016/Ω)△ein
又因為△Iomax=20mA-4mA=16mA,△emax=4mV-0mV=4mV
所以有16 mA=(40/Rs+0.016/Ω)4mV
得Rs=10Ω
調零電阻和溫度系數補償電阻
將熱電偶的熱端置于100℃的溫度環境中,設此時環境溫度為20℃。由于熱電偶的溫度系數為0.04mv/℃,若其冷端感應的溫度由20℃變化至100℃,則熱電偶兩端的電壓由3.2 mV變化至0mV,電壓差為3.2mv。這個差值應由Rpt100和R1的并聯電阻兩端電壓自動補償。
當冷端溫度為20℃時,Rpt100=1000+(100Ω/266℃)*20℃=107.52Ω。
當冷端溫度為100℃時,Rptl00=100Ω+(100Ω/266℃)*100℃=137.6Ω。
由:[137.6*R1/(137.6+R1)-107.52*R1/(107.52+R1)]*1mA=0.04mV/℃*(100-20)℃
可得:R1=51.7Ω。
根據公式:Io=(40/Rs+0.016/Ω)ein+4mA,和Io的輸出范圍:4mA~20mA當T=0℃時,要使Io=4mA,就要調節R3,既調零電阻。將熱電偶熱端置于0℃的溫度環境中。此時環境溫度仍為20℃,即溫差為-20~C,熱電式E=-20℃•0.04mV/℃=0.8mV,3、4間的輸入信號ein=0mV,Rpt100(20℃)=100Ω+(100Ω/266℃)*20℃
=107.52Ω。
根據圖3,可得:
V4=E(t,t0)+1mA•[Rpt100(20℃)/(Rpt100(20℃)+R1)]
V3=1mA•R3
在0℃測量點(零點):V4=V3,
即:1mA•[107.52-51.7/(107.52+51.7)]-0.8 mV=1mA*R3
可推出:R3=34.11Ω
調試及測量
a.調試
調零。將熱電偶觸頭放入冰水混合液中,即0℃中。接上電源后,邊調節電位器R3,邊測RL兩端電壓,直至RL兩端電壓約為2.04V,即輸出電流Io為4 mA。
將熱電偶放入沸水中,接上電源后,邊調節電位器Rs,邊測RL兩端電壓,直至RL兩端電壓約為10.2V。即輸出電流10為20mA。
將熱電偶插入加熱爐內的測試端,控制爐內溫度,從0℃開始,每上升20℃,測量一次RL兩端電壓,直到100℃。
b.數據分析
在量程范圍內等間距取樣5個點,分別按照正行程、反行程,測出輸出電流,其數據曲線如圖4所示,計算出線性度、靈敏度、重復性及遲滯。

(1)靈敏度S
S=△Y/△X=(20-4)/(100-0)=0.16mA/℃
(2)線性度δL
圖4理論直線為白色,實際特征曲線為紅色
δL=|16.71-16.80|/(20-4)×100%=0.56%
(3)重復性δK
δK=(16.78-16.65)/(20-4)×100%=0.81%
(4)遲滯δH
δH=(16.78-16.61)/(20-4)×100%=1.06%
(5)精度A
A=√(δL)2+(δK)2+(δH)2=1.44%
結論
這套熱電偶溫度變送器的測量精度達到1.44%,即滿量程誤差為1.44℃,完全能滿足實際要求。并且該系統選價適中,元件少,電路結構清晰,性能穩定,不僅能直接應用于工業溫度測量,還將對以后傳感器教學、實驗及畢業設計具有指導意義。




