- 直接輸出模式控制
- 低功耗、較高靈敏度和可靠性
- 標準的SSOP-24封裝,芯片體積小,外圍電路簡單
- 小家電、數碼產品、智能家居電子產品、手持設備等的觸摸按鍵
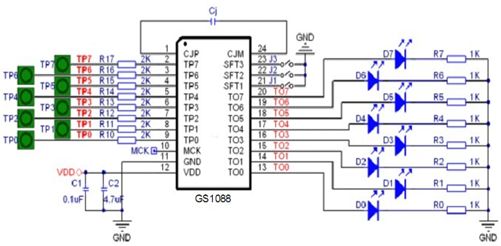
中廣芯源推出了8通道觸摸感應的觸摸控制芯片GS1088,這是一款整合了8通道觸摸感應的觸摸控制芯片。該芯片能夠通過直接輸出模式控制,方便替代以往機械式按鍵。該芯片的工作電壓為 2.0VDC-5.5VDC,在3V供電空載模式下,耗電量低于80uA低功耗模式。此外該芯片可以通過外部端口接高電平或低電平調整觸摸靈敏度,具有較高靈敏度和可靠性防止外部噪聲干擾一起誤動作。

獲取詳細信息請登錄http://www.zgsemi.com





