【導讀】本文講解的可穿戴醫療設備語音報警電路設計,主要是用集成語音芯片ISD2560組成。具有較強功能的語音錄放芯片,是一種永久記憶型語音錄放電路設計。值得醫療設備擁有!
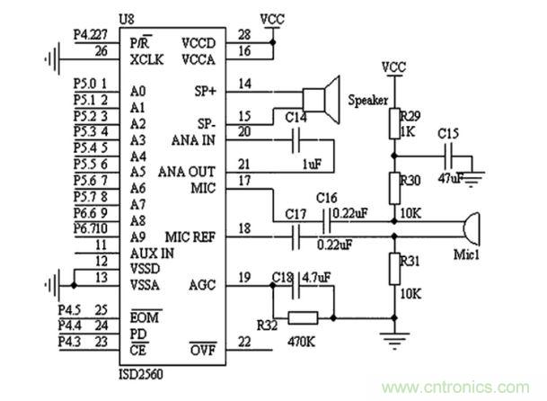
可穿戴醫療設備語音報警電路: 電路如圖所示,主要由集成語音芯片ISD2560組成。
ISD2560是Winbond公司生產的一款具有較強功能的語音錄放芯片,是一種永久記憶型語音錄放電路,錄音時間為60s,可重復錄放10萬次。該芯片采用多電平直接模擬量存儲專利技術,能夠非常真實、自然地再現語音。通過事先錄制好的聲音,實現血壓測量值的自動聲音提示,如果血壓高出正常血壓的上下限值,還會發揮報警,提醒使用者就醫。具體做法:經過一段時間(大概為正常人的一個月)的精確測量,在電腦上處理數據,得到血壓的正常范圍,將其上下限設置為報警范圍,時時監控佩戴者的血壓值,如果血壓超出正常范圍,則開始計時,將日期時間等數據都要記錄下來,如果超出正常范圍的時間超出五分鐘,則開始報警提醒,提示內容為:尊敬的用戶您好,此時您的血壓偏高低,建議您立即進行電壓測量,并服用相應的藥物!





