【導讀】根據中國國家應急管理部門統計,2022年第一季度,智能汽車發生自燃的事故一共發生了640起,平均1天有7輛電動車發生自燃。電動車起火的原因主要是以下幾點:電池過熱、電池老化、電池遭受碰撞、高負荷運行等等。其中,電池的高負荷運行是最嚴重的原因之一。
ADAS高功耗、低效率所帶來的能源危機
新能源車發熱和能耗問題
根據中國國家應急管理部門統計,2022年第一季度,智能汽車發生自燃的事故一共發生了640起,平均1天有7輛電動車發生自燃。電動車起火的原因主要是以下幾點:電池過熱、電池老化、電池遭受碰撞、高負荷運行等等。其中,電池的高負荷運行是最嚴重的原因之一。
視覺算法算力的高功耗和低效率
隨著特斯拉通過視覺算法來實現自動駕駛。各大Tier 1大廠紛紛進入算力的軍備競賽,算力不斷加大,較大的算力需要消耗較高的功耗。

圖1 視覺算法引發功率消耗問題
ADAS的多傳感器融合策略
實際上自動駕駛領域,變化的區域占整個圖像的很小一部分,大部分視覺數據是無用數據。傳統的視覺處理花費了大量精力來處理這些無用的背景,這浪費了大量的算力和時間。采用事件處理系統,通過時間系統觸發判斷方式,可以提高100-1000倍的處理速度,減少運算量。

圖2 多傳感器融合技術策略
事件相機無法提供深度信息,目前依靠相機的計算方式還屬于簡單的蠻力計算。采用事件相機結合激光雷達、毫米波雷達、超聲波雷達等方式就可以實現完美的3D感知。同時,也可以避免依靠海量數據和海量算力造成的資源浪費。
ADAS域架構多傳感器融合技術
多傳感器同步問題
圖像事件系統能解決視覺識別的大部分算法,但是,它也存在一些局限性。除了傳統的圖像算法,激光雷達、毫米波雷達、超聲波雷達也越來越多地被用于ADAS。隨著ADAS的智能化要求的不斷提高,自動駕駛系統需要采用多個不同類型的傳感器協同處理的方式實現。

圖3 多傳感器融合面臨時間延遲的挑戰
各傳感器采集數據,然后通過總線發送給域控制器,存在一定程度的延時,并且,各傳感器延時的時長不固定。為了提高自動駕駛的傳感器之間的深度融合、決策規劃和融合定位等性能,自動駕駛高級域控制器與其關聯的傳感器均需要做時間同步。
常用的時間同步主要包括:GPS同步、SyncE、NTP和PTP(IEEE 1588)時間同步。對于ADAS來說,主要采用的是時間敏感網絡TSN(Time Sensitive Network)技術。

圖4 時間敏網絡技術TSN原理
TSN最初來源于音視頻領域Ethernet AVB的應用需求,用于解決音視頻網絡的高帶寬、高實時性、和高傳輸質量的需求。TSN的核心原理是基于時間流量調度和管理,通過TSN網絡中的時間感知整形器TAS(Time Aware Shaper)的調度來實現的。

圖5 采用鎖相環技術實現時鐘頻率相位鎖定
TSN可以比較精確的計算出傳輸線的時延問題。但是,如果主從設備采用自己獨立的時鐘,還會存在頻偏問題,這就需要采用精度非常高的晶振來實現傳輸功能。基于成本等綜合考慮,通常采用OCXO/VCXO+PLL的方式實現從設備時鐘的頻率鎖定,與主時鐘實現頻率同步。
在ADAS應用中,采用TSN結合OCXO+鎖相環的方式,就可以實現各傳感單元和GPU/FPGA的時間同步,消除累計誤差,實現時鐘源的統一和多傳感器完全融合。
傳感器高速數據交換問題
圖像事件系統含有海量數據,要滿足多傳感器深度融合,這些數據就必須要在極短時間完成信息交換。受流線型處理器啟發,人們一直采用獨立于處理器的32位或64位局部總線。該總線最高工作頻率為33MHz/66MHz,峰值速度達533MB/s。這種總線被稱為外設互聯標準總線(PCI總線)。

圖6 PCI總線架構框圖
后來,在PCI總線的基礎上,又衍生出PCI-X總線協議,其工作頻率提高到133MHz,峰值帶寬達到1064MB/s。再后來,又發展到PCI-X 2.0。
PCI總線在發展到PCI-X 2.0之后,傳輸速率很難做進一步的提升。這是因為,時鐘和數據信號之間的傳輸線寄生電感形成串擾,嚴重影響數據信號的波形,很容易對采樣信號形成誤判,影響通信效率。

圖7 高速數字信號引發的碼間干擾
數字信號在高速傳輸的時候,很容易產生天線效應,向周圍輻射,產生電磁感應,形成碼間干擾。碼間干擾,包括感染源信號和被干擾信號。這導致傳輸信號判決門檻的不斷提高。為了提高抗碼間干擾問題,有人提出采用差分傳輸模型。

圖8 差分信號消除碼間干擾
這種差分信號傳輸方法,后來經過一系列演變和改進,發展成后來的USB和PCIe傳輸總線,PCIe總線經過迭代,現在已經演進到現在都PCIe5.0,根據最新消息,PCIe剛剛已經發布PCIe6.0和PCIe7.0規范。

圖9 PCIe總線技術提升傳輸速率
不同技術算力的功耗對比
基于SRAM工藝的動態功耗
目前,市面上大部分視覺算法處理系統都是基于GPU和FPGA實現的,這些處理器大部分都是基于靜態隨機存儲器工藝為核心單元。

圖10 SRAM單元內部架構
SRAM單元用六只N溝道CMOS管組成,其中四個CMOS管組成基本RS觸發器,用于記憶二進制代碼,另外兩個做門控開關,控制觸發器和位線。

圖11 SRAM架構動態功耗
由于SRAM的上管和下管都是工作在深度飽和狀態。所以,CMOS反相器從一種穩定工作狀態轉變到另一種穩定工作狀態時,會出現上下管同時導通的情況。此時,CMOS的內阻非常小,此時對應的電流會非常大,所以,產生的動態功耗非常大。
基于Flash工藝的動態功耗
除了基于CMOS的SRAM處理器之外,Excelpoint世健的工程師Wolfe Yu介紹了Microchip推出的一種基于疊柵MOS的Flash架構FPGA處理器。

圖12 Flash架構FPGA與SRAM架構FPGA的差別
Flash架構的FPGA最大的一個特點,工作點是靜態的,動態切換也不會出現大的電流波動,可以節約高達50%的功率損耗。Wolfe表示Microchip最新PolarFire與同類器件28nm產品相比,其算力能做到其他器件2.6 倍GOPS/W。
Microchip基于ADAS技術一攬子解決方案
在政策、互聯網跨界競爭、消費者內在需求等因素驅動下,ADAS滲透率將快速提升。也有一些低端車型,也開始搭載部分ADAS功能,提升賣點。
Microchip基于時間敏感網絡解決方案
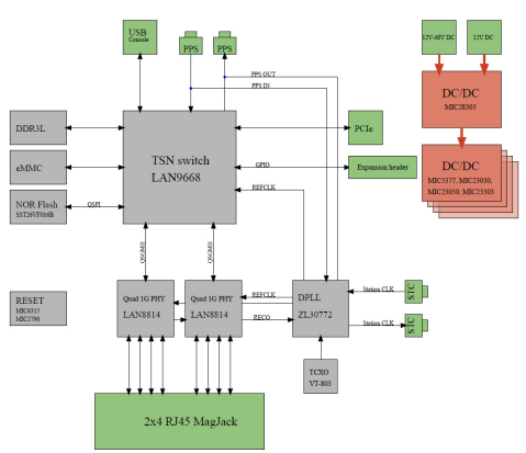
Microchip推出LAN937X系列TSN交換器件。作為業界符合IEEE 802.1AS標準的功能的交換解決方案,可實現更低延遲的數據流量和更高的時鐘精度。下一步,Microchip還會推出集成1000 BASE TI PHY的LAN969X系列產品。
TSN可以實現網絡傳輸延遲,但是,由于時鐘晶體存在頻偏差異,可能引發不同節點之間的頻率誤差,為了解決頻偏問題,人們通常會在節點中,采用PLL鎖相環和VCXO來鎖定時鐘頻率。同時,為了更進一步同步GPS的1PPS時鐘,還需要同步1PPS時鐘。Microchip的ZL307XX系列集成5個PLL ,支持1PPS,SYNCE。滿足大部分以太網時間同步要求。目前,Microchip已經和部分車企展開合作,開始評估Microchip的時鐘解決方案。

圖13 Microchip TSN解決方案
LAN93XX搭配1000BASE-T1 PHY LAN887X,配合同步數字鎖相環 ZL307XX的精確計時的IEEE 1588v2和IEEE 802.1AS-2020、用于多傳感器時間同步,符合IEEE P802.1Qci、IEEE P802.1Qav等,可以滿足ADAS實時聯網的需求。針對低端市場,Microchip的LAN937X配合100BASE-T1 LAN8770,也可以滿足客戶需求。
Microchip首款車用PCIe交換機介紹
2022年2月,Microchip宣布推出市場上首款汽車級認證的PCIe交換機PM430XX/PM440XX。新發布的PFX、PSX和PAX交換機解決方案為ADAS提供了尖端的計算互連能力,第4代PCIe交換機提供高速互連,支持ADAS架構中的分布式實時安全關鍵數據處理。

圖14 Microchip PCIe SWITCH解決方案
Microchip基于FLASH工藝的低功耗FPGA介紹
因為Microchip所采用Flash工藝這一獨特的工藝制程,其功耗最多只有相同制式的FPGA的50%。
在ADAS機器視覺算法應用中,采用Microchip的FPGA做攝像頭前端采樣、預處理,圖像拼接等應用中,有著很好的表現。
Microchip帶功能安全的PolarFire FPGA系列內置安全加密認證、可以保護設計、數據、網絡不受攻擊,Flash自帶SEU免疫性能的FPGA,是數據中心、工業、汽車和航空航天應用的理想之選。

圖15 Microchip基于Flash工藝FPGA與友商的功耗比較
除此之外,Microchip集成功能安全的MCU、DCDC、USB HUB、AES加密芯片,以及諸如CAN、LIN總線等,也是ADAS和汽車行業應用的主流方案。針對Microchip基于ADAS技術一攬子解決方案,Excelpoint世健都提供相應的技術支持和指導,降低視覺算法算力的功耗,提高效率,助力自動駕駛技術發展。
(作者:世健)
免責聲明:本文為轉載文章,轉載此文目的在于傳遞更多信息,版權歸原作者所有。本文所用視頻、圖片、文字如涉及作品版權問題,請聯系小編進行處理。
推薦閱讀:





