【導讀】在 選頻放大電路對于150kHz導航信號進行放大檢波[1] 中一系列的設計中,如果直接將基于工字型的電感接入放大器的輸入端,則會引起電路的自激振蕩。其中的原因很可能是 高頻管的Cbc的存在形成的Hartley振蕩器[2] 。但是使用繞制副繞組將天線接入放大電路,不僅會使天線制作變得麻煩,也會降低了系統的增益。下面則測試使用2SK241高頻管組成的前級LNA對來自于天線信號直接進行放大。
1.放大電路設計目標
在 選頻放大電路對于150kHz導航信號進行放大檢波[1] 中一系列的設計中,如果直接將基于工字型的電感接入放大器的輸入端,則會引起電路的自激振蕩。其中的原因很可能是 高頻管的Cbc的存在形成的Hartley振蕩器[2] 。但是使用繞制副繞組將天線接入放大電路,不僅會使天線制作變得麻煩,也會降低了系統的增益。下面則測試使用2SK241高頻管組成的前級LNA對來自于天線信號直接進行放大。
2.晶體管2SK241
2SK241[3] 是由東芝生產的FET低噪聲高頻信號放大器。它的主要信號如下圖所示:

▲ 2SK241的基本參數

▲ 2SK241測試參考電路
之所以選擇這個三極管,還是由于之前在遵照由柃木憲次所著的《高頻電路設計與制作》,對于其中的內容進行實踐中購買了2SK241晶體管,所以手邊有2SK241晶體管。下面基于它進行測試。

▲ 高頻電路設計與制作
02 基本測試
1.靜態測試
測試電路如圖所示:

▲ 靜態測試電路
(1)工作電流
在工作電壓為+12V的時候,工作電流為 Id=4.2mA 。T1漏極工作點為4.86V。
通過 DH1766可編程直流電源[4] 改變輸出2SK241的工作電源,同時讀出輸出電流。可以得到上述電流的工作電流與電壓之間的關系。

▲ 工作電壓與工作電流
可以看到在 工作電壓
的時候,輸出與Vcc之間基本上呈現線性關系。
時,對應的
,對應的電阻:




(2)輸入阻抗
使用 NanoVNA矢量網絡分析儀[5] 測量2SK241的輸入阻抗。
◎ 150kHz輸入阻抗:
電阻(kΩ):555.04
并聯電容(pF):9.4

▲ NanoVNA矢量網絡分析結果
由于測量的輸入阻抗還包括有偏置電阻360k歐姆,所示實際上2SK241在150kHz的輸入阻抗為:1.024MΩ。
2.放大接收天線
使用上述電路對于自行繞制的工字型電感組成的150kHz的諧振電路信號進行放大。

▲ 自行繞制的工字型電感
(1)工字型電感參數
◎ 工字型電感參數(150kHz):
電感(uH):1064.5
電阻(Ω):6.69
品質因子(Q):149.9

▲ 使用NanoVNA測量工字型電感參數
(2)諧振電容
在工作頻率
下對應的諧振電容為:1.06nF

選擇一個標稱為102的陶瓷電容,使用NanoVNA測量在150kHz下的參數:
◎ 在150kHz電容參數:
電容(pF):985.8
串聯電阻(Ω):22.75
品質因子(Q):47.31

▲ 并聯諧振電容測量結果
根據上述測量的LC,可以計算出對應的諧振頻率:

(3)測量LC并聯諧振阻抗
利用NanoVNA測量LC并聯阻抗。
◎ LC并聯諧振參數:
諧振頻率(kHz):156
電阻(kΩ):46.476
品質因子(Q):46.325

▲ LC并聯諧振阻抗測量
可以看到由于所選用的電容(0.9858nF)所需要的電容(1.06nF),所以還需要并聯電容進行補償。補償電容為:
。

重新選擇兩個電容,分別是 51pf,22pf進行并聯,將諧振頻率調整到150kHz。如下是NanoVNA測量諧振對應的阻抗。

▲ 測量諧振LC的阻抗
根據前面測量2SK241對應的輸入端口還有 9.4pF的并聯電容,因此,將上述諧振回路連入2SK241放大電路的時候,需要減少10pF左右。為此,需要使用20pF可調電容來調整諧振頻率。
下圖中綠色便是一個最大為55pF可調電容器。

▲ 匹配有可調電容的諧振回路
03 放大導航信號
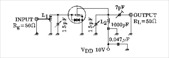
1.接收電路
下圖給出了接收電路的基本形式。
根據【2-2-3】測量接收天線諧振阻抗,它的并聯阻抗為46.47kΩ,【2-1-2】測量2SK241放大電路在150kHz下輸入阻抗為超過1MΩ。
為了達到阻抗匹配,可以使用1:4的升壓變壓器,將諧振電路接入T1柵極。為了簡單起見,下面直接將諧振回路接入T1的柵極。雖然此時,輸入阻抗不匹配,但可以達到放大器的SNR最大化。

▲ 接收電路
2.接收波形
將信號燈無線發送線圈放置在距離測試電路板3米的距離,打開發送狀態,測量到此時T1的漏極輸出電壓波形如下圖所示。
◎ T1漏極信號測量值:
交流信號有效值(V):0.669
直流信號(V):4.97

▲ 測量2SK241的漏極輸出波形
3.接入倍壓整流電路
將T1的漏極的輸出電路連接倍壓整流電路。整流采用BAT54對肖特基二極管完成。負載R2取10k歐姆。根據 整流電路對應的阻抗是多少?[6] 實驗可以知道,此時倍壓整流電路對外阻抗大約是R2的一半,也就5k歐姆,小于T1的輸出阻抗(R1)。

▲ 加入倍壓整流電路
(1)T1漏極波形
如下為倍壓整流時對應T1漏極信號波形:

▲ 倍壓整流時對應T1漏極信號波形
(2)輸出直流電壓
無線線圈信號源距離測試電路2.5米左右,對應的輸出倍壓整流直流電壓:672mV。將信號源搬移到5米距離,倍壓整流輸出為65.9mV。如果將信號源靠近測試電路,輸出倍壓整流電壓會超過5V。
※ 測試總結
1.基本結論
本文設計了基于高頻信號放大FET 2SK241 150kHz高頻放大電路。相比之前基于 基于超聲波升壓中周構建的150kHz的單管選頻放大電路[7] 具有更高的增益。對比在 選頻放大電路對于150kHz導航信號進行放大檢波[1] 測量得到的檢波結果,在遠距離(大于3米)的情況下,輸出倍壓檢波幅值大了近10倍左右。
基于FET2SK241只需要借助于接收諧振回路便可以的完成對接收信號的放大,可以避免在使用LC選頻放大帶來的調節麻煩。同時也可以避免電路出現自激振蕩的情況。
2.設計參考
參考電路在【3-3】中給出了。其中具體參數:
(1)繞制接收線圈
在 討論工字型接收線圈天線不同匝數對于低頻定位信號檢測影響:150kHz導航信號[8] 接收線圈制作的參數。繞制所需要的一個大型的工字型磁骨架。它的外形和參數如下:

▲ 工字型磁芯
◎ 工字型磁芯:
直徑:14mm
高:19.mm
頂、底厚度:3mm

▲ 使用Litz線繞制120匝之后的電感
◎ 測量實際電感參數:
NanoVNA測量結果:

SmartTweezer測量結果:

(2)電路其它參數
FET晶體管:2SK241,靜態電流4mA
可調電容:51pF
倍壓整流肖特基管:BAT54
參考資料
[1]選頻放大電路對于150kHz導航信號進行放大檢波:https://zhuoqing.blog.csdn.net/article/details/116274717
[2]高頻管的Cbc的存在形成的Hartley振蕩器:https://zhuoqing.blog.csdn.net/article/details/116372637
[3]2SK241:https://html.alldatasheet.com/html-pdf/30633/TOSHIBA/2SK241/245/1/2SK241.html
[4]DH1766可編程直流電源:https://zhuoqing.blog.csdn.net/article/details/110821452
[5]NanoVNA矢量網絡分析儀:https://zhuoqing.blog.csdn.net/article/details/116295857
[6]整流電路對應的阻抗是多少?:https://zhuoqing.blog.csdn.net/article/details/113618551
[7]基于超聲波升壓中周構建的150kHz的單管選頻放大電路:https://zhuoqing.blog.csdn.net/article/details/116196406
[8]討論工字型接收線圈天線不同匝數對于低頻定位信號檢測影響:150kHz導航信號:https://zhuoqing.blog.csdn.net/article/details/116304763
免責聲明:本文為轉載文章,轉載此文目的在于傳遞更多信息,版權歸原作者所有。本文所用視頻、圖片、文字如涉及作品版權問題,請聯系小編進行處理。
推薦閱讀: