中心議題:
- 可控硅觸發電路的設計誤區
- 電感負載的不當應用
- 不可用的無級直流輸出調壓電路
在電子制作中,運用單向或雙向可控硅作為開關、調壓的執行器件是很方便的,而且還可以控制直流、交流電路的負載功率。但是,目前有些電子制作文章中,對可控硅的運用常有謬誤之處。常見的電路設計不當之處大約有以下幾點。
一、觸發電路的問題
若欲使可控硅觸發導通,除有足夠的觸發脈沖幅度和正確的極性以外,觸發電路和可控硅陰極之間必須有共同的參考點。有些電路從表面看,觸發脈沖被加到可控硅的觸發極G,但可控硅的陰極和觸發信號卻無共同參考點,觸發信號并未加到可控硅的G—K之間,可控硅不可能被觸發。
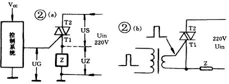
圖1a例為555組成的自動水位控制電路,用于水塔自動保持水位。該文制作者考慮到水井和水塔中的水不能帶市電,故555控制系統用變壓器隔離降壓供電。555第3腳輸出脈沖接入雙向可控硅的G點。由于雙向可控硅T1對控制電路是懸空的,555第3腳輸出脈沖根本不能形成觸發電流,可控硅不可能導通。再者,該電路雖采用隔離市電的低壓供電,但控制電路仍然通過G、T1極與市電相連, 當220V輸入端B為火線時, 井水和水塔供水將代有市電電壓,這是絕不允許的!

正確的方式見圖1b。可控硅與抽水電機組成抽水控制開關,SCR的觸發由T2與G間接入電阻控制。當水位降低時,控制觸點開路,555第3腳輸出高電平(此電路部分省略),使Q導通,繼電器J吸合,SCR觸發導通,電機開始運轉。當水位達到時, 觸點經水接通,555第3腳輸出低電平,Q截止,SCR在交流電過零時截止,抽水停止。

上述電路因設計考慮不周,出現了不該有的低級錯誤。但類似水塔供水控制系統與市電不隔離的設計,卻常出現在電子書刊中。
觸發電路設計不當的第二個例子常見于電子制作稿中,其電路見圖2, 圖中對電路進行簡化。其實, 無論控制系統完成何種控制,無論是單向還是雙向可控硅, 圖2的觸發電路是不能正常工作的。其問題在于,控制系統發出觸發信號UG,其參考點是共地,而可控硅T1或T2的參考點是負載熱端。實際上, 加到可控硅的觸發電壓UG是與負載端電壓UZ相串聯的。雙向可控硅究竟是T1還是T2為觸發參考點,視觸發信號的相對極性來決定的。如按圖2中標注,T1在下,T2在上, 則UG相對于T1必須是正極性的, 且與T1的電壓同參考電位。但無論T1還是T2作參考點, 按圖2的接法,可控硅導通時,UZ常近似等于Uin,如此高電壓加到觸發極G和T1之間, 將立即使觸發極被擊穿,可控硅被損壞。

改進此電路的方法之一是,采用觸發變壓器隔離控制系統的參考點, 觸發信號可以由BT33組成鋸齒波發生器受控于控制系統(矩形波也可以),這樣,不受初級參考點的影響,觸發變壓器次級可直接接在G與T1之間,與負載上電壓無關。
另一簡單改進方法是,將負載電路Z移到圖2的T2與Uin之間。不過,這種用法受到限制,因負載兩端都無法接入任何參考點。
[page]
二、電感負載的應用
近來, 市場上出售一種調光器, 類似某些調光臺燈內控制電路,利用控制RC充電時間。通過雙向二極管控制可控硅的導通角,控制負載電路的功率, 實為調功器。這種調功器用于控制白熾燈、電阻加熱器等電阻性負載,要求可控硅耐壓高于交流電的峰值電壓即可。一般臺燈調光。常用反壓400V的可控硅,考慮到提高可靠性,600V已足夠。
可控硅用于控制電感負載,譬如電風扇、交流接觸器、有變壓器的供電設備等,則不同。因為這種移相式觸發電路,可控硅在交流電半周持續期間導通,半周過零期間截止。當可控硅導通瞬間,加到電感負載兩端電壓為交流電的瞬時值, 有時可能是交流電的最大值。根據電感的特性,其兩端電壓不可能突變,高電壓加到電感的瞬間產生反向自感電勢, 反對外加電壓。外加電壓的上升曲線越陡,自感電勢越高,有時甚至超過電源電壓而擊穿可控硅。因此,可控硅控制電感負載,首先其耐壓要高于電源電壓峰值1.5倍以上。此外,可控硅兩電極間還要并聯接入RC尖峰吸收電路。常用10— 30Ω/3W 以上電阻和0.1—0.47uF/600V的無極性電容。
交流調功電路中,可控硅是在交流電過零期間關斷, 從理論上講,關斷時電流變化為零,無感應電壓產生。加入RC尖峰抑制電路,是為了抑制可控硅導通時的自感電勢尖峰。如不加入此電路,不但可控硅極易擊穿,負載電路的電感線圈也會產生匝間、或電機繞組間擊穿,這點是決不能忽視的。
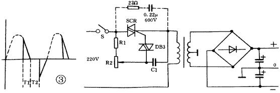
三、該無級直流輸出調壓電路能用嗎?
圖3是某電子雜志刊出的無級直流輸出調壓電路。原作者稱,利用Rc移相網路控制SCR的導通角改變變壓器初級的電流,從而獲得兩路連續可調的2x(0—17V) 的直流輸出電壓,負載電流為800mA 。很明顯,推薦電路(圖3)是普通移相式調功電路和降壓變壓器整流濾波電路的串聯, 從基本原理分析,似乎無大的原則問題。變壓器初級每半周電流有效值隨可控硅導通角變化,次級輸出電壓的峰值、平均電流值都隨之而變。當然,一定負載時輸出整流電壓也必然改變。本人看后,極感興趣,依此原理制作了一臺輸出100±40V范圍變化的維修代用直流電源,并依照圖中虛線加入RC吸收回路。實驗時,該電路一接入電源,距此10米遠的電視機屏幕上即出現兩條緩慢移動的黑帶(從鄰居的責問中得知),同時,空載下不到十分鐘,SCR即擊穿。更不能容忍的是,降壓變壓器鐵心發出拖拉機啟動時的聲音,室內電度表也發出同樣的聲音,而且,隨著輸出電壓的調低,聲音更大。

SCR擊穿后, 本人在市電輸入電路加入RC低通濾波,改用1000V/5A雙向可控硅,變壓器的噪聲和干擾脈沖幅射沒什么大的變化,只是SCR未擊穿。為了不擾鄰,以及快的速度將輸出電壓調到60V, 用電壓表測量次級電壓,盡管負載電流僅100mA,濾波電容為470uF/100V,但萬用表的表針抖動呈虛線狀,可見其紋波大到什么程度。
冷靜下來后,仔細分析其原因,得出以下結論:經過移相調功之后,變壓器初級電壓已不是正弦波,而是鋸齒波沿陡峭的前沿形成沖擊磁場,使變壓器、電度表等鐵芯電感發出相當大的噪聲。近似垂直上升的突變電壓,在變壓器初級大電感兩端產生極高的反電勢,因此擊穿可控硅,時間稍長,甚至還要擊穿變壓器初級層間絕緣和電度表的電壓線圈。當調低輸出電壓時,t1減小,t2增大,這種占空比極小的鋸齒形電壓,(見圖中波形)。
一般的濾波電路是無能為力的, 除非將負載電流減到極小,或濾波電路采用LC濾波。無論如何,占空比極小的電源還是不能適應的,其電壓平均值將隨負載大幅度變化。電壓調得越低,其紋波濾除越困難,這是很明顯的。實驗中發現,若在小范圍內調整,如變壓器初級電壓在180~220V之間變化, 上述噪聲明顯減小,次級紋波也降低, 但又有何價值呢?




