【導讀】不管是用于過程控制安裝還是工業自動化系統,I/O模塊或現場接線盒在整個產品生命周期中都面臨著各種獨特的挑戰。產品管理層需要決定每個產品使用多少個通道以及進行哪些組合。電子設計人員必須決定如何對項目中的各種模擬或數字信號實現出色性能以及成本高效的系統。
不管是用于過程控制安裝還是工業自動化系統,I/O模塊或現場接線盒在整個產品生命周期中都面臨著各種獨特的挑戰。產品管理層需要決定每個產品使用多少個通道以及進行哪些組合。電子設計人員必須決定如何對項目中的各種模擬或數字信號實現出色性能以及成本高效的系統。所有不同的產品和大量接線圖可能使安裝技術人員心力交瘁。如果我們能夠設計出一種具有極高靈活性的系統來應對這些難題,生活是不是會更輕松?ADI公司的新產品系列軟件可配置輸入/輸出(SWIO) IC可實現此目標,它可隨時支持引腳上的幾乎任意功能和組合。
對于過程控制或工廠自動化中的工業可編程邏輯控制器(PLC)或分布式控制系統(DCS),最終客戶和應用的要求不同。產品經理要定義正確的產品、策略和優化是一項艱巨的任務。1一個最終客戶可能需要更多模擬輸出通道,如4 mA至20 mA,而另一個最終客戶可能需要更多數字輸入。或者這個客戶的一個平臺需要更多模擬通道,而另一個平臺需要更多數字通道。這種困境的示例如圖1所示。隨著工業4.0的出現,消費者的行為和需求也發生了變化,因此,制造商需要更靈活的系統來快速輕松地適應不斷變化的要求。為此,制造商不能再依賴為大眾市場產品設計的固定的大規模系統和可預測的需求。相反,他們需要靈活的系統,此類系統支持快速重新配置,停機時間和資本投入也處于非常低的水平。

圖1.通道數和配置可能性
SWIO組件不僅支持其通道作為輸入或輸出編程,而且支持作為模擬或數字編程。此外,還可對它們進行高效設置,用于讀取2線或3線RTD或熱電偶。
由于軟件可配置I/O可進一步用于需要更新至10BASE-T1L工業以太網系統的棕地裝置,所以可將其用作為基于以太網的控制網絡之間的連接橋梁。它還支持開發標準化的可配置現場I/O單元,此類單元能夠在現有支持HART®的4 mA至20 mA傳感器和執行器與10BASE-T1L或100米光纖回程之間進行轉換。
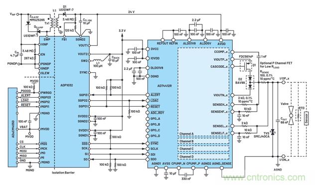
圖2顯示四通道SWIO器件AD74413R,該器件旨在滿足過程控制、工廠自動化或樓宇控制應用(本文重點介紹工業應用)。此器件是用于工業輸入和輸出操作的完全集成式整體解決方案。AD74413R具有一個16位、∑-Δ ADC和四個13位DAC,采用支持–40°C至+105°C工作溫度范圍的9 mm × 9 mm、64引腳LFCSP封裝。每個通道均采用通過時鐘高達24 MHz的SPI總線寫入配置寄存器的方式來配置。用戶可通過AD74413R寄存器圖改進每個操作模式的默認配置。

圖2.軟件可配置I/O組件和典型應用示例
AD74413R的16位、Σ-Δ ADC可通過單個轉換請求測量四個通道中的一個或多個通道以及多達四個診斷輸入上的電流或電壓。轉換速率高達4.8 kSPS,并提供可選50 Hz和60 Hz抑制濾波器。
每通道13位R-string DAC本質上是單調線性的。這些DAC支持高達25 mA的電流輸出,并具有用于故障診斷的開路檢測能力。同樣,也可提供真正0 V到11 V的電壓輸出。
AD74413R具有在價格敏感應用中驅動DAC和ADC的高精度內部基準電壓源,然而需要高性能時,可使用外部基準電壓源。
可能的功能和操作模式
每個通道的功能概述見表1。該組件可支持電壓輸出、電流輸出、電壓輸入、外部供電的電流輸入、環路供電的電流輸入、外部RTD測量、數字輸入邏輯和環路供電的數字輸入。上電或器件復位后,也有高阻抗模式作為默認功能。
表1.可能的功能選擇

電壓輸出放大器可產生高達11 V的單極性電壓。內部低電壓電荷泵允許放大器產生真零輸出電壓。在此模式下,外部檢測電阻提供電流反饋(加壓測流FVMI方法),通過SENSEL_x引腳的負反饋調節正確的電壓水平。
在電流輸出模式下,DAC提供的電流輸出(通常為0 mA至25 mA)通過檢測傳感器電阻(SENSEL_x和SENSEH_x引腳)上的差分電壓來調節。在低阻負載情況下,要降低裸片上的功耗,可連接一個外部PMOS以通過0 mA至25 mA輸出電流。
電流輸入模式可支持外部供電和環路供電配置。16位Σ-Δ ADC通過檢測電阻自動測量電流。可濾波檢測引腳(SENSEHF_x和SENSELF_x)用于此目的。此外,這兩種類型的電流輸入功能都有可確保最小230 Ω接收阻抗的額外HART兼容模式。2
電壓輸入模式通過其中一個濾波端口(SENSELF_x)和地感使用ADC測量電壓。可針對浮空電壓選擇額外下拉選項。在電壓輸入模式下,也可通過ADC中的專用范圍設置獲得熱電偶讀數。
電阻測量模式使用從2.5 V偏置電壓獲得的電壓對外部2線RTD進行偏置。通過上拉電阻至偏置電壓,可確保精確的比率測量。低激勵電流可最大限度地降低功耗,從而減少RTD的自熱。
數字輸入模式支持IEC 61131-2 I型、II型和III型器件。閾值可通過專用寄存器編程。每個通道都有一個專用通用輸出(GPO)和用戶可編程防抖濾波。
穩健性和診斷
由于工業環境的性質,AD74413R設計為在嘈雜環境中功能穩健,并能承受接線錯誤和浪涌事件等過壓情況。由于片內線路保護裝置,螺絲端子連接到比AVDD引腳更高的電位時不會將電源輸入IC。可使用額外的TVS二極管承受輸入/輸出端子上的高浪涌。此外,為了提高AD74413R的穩健性,將循環冗余校驗(CRC)內置在SPI接口中。

圖3.具有ADP1032電源管理單元的AD7441xR的典型應用電路
多個診斷功能可確保AD74413R正常運行,它們可針對大多數常見故障場景提供警告。片內診斷功能可監測電源電壓、基準電壓、裸片溫度(報警或關斷)和螺絲端子。端子上連接的故障電壓高于AVDD或低于0 V時,對最后一個因素的診斷有助于進行接線錯誤檢測。外部檢測電阻可進一步協助診斷以及正常操作。例如,它可以為電壓模式提供短路檢測,或幫助調節電流輸出模式。用戶也可以選擇編寫自己的診斷程序來測試連接的傳感器/執行器,因為AD74113R可以施加電壓或電流,并從現場設備讀取電流或電壓響應。
如果發生報警情況,ALERT引腳將置位。ALERT_STATUS寄存器可確定故障來源。
配套解決方案
一個常見應用請求是I/O模塊或PLC具有微處理器隔離功能或在總線側有電子控制單元。數據和電源都應該是電氣分離的。為了這兩個目的,ADI公司為SWIO系列開發了專用電源和數據隔離器。ADP1032是高性能隔離式電源管理單元(PMU),包括帶有降壓調節器和數據隔離通道的隔離式反激穩壓器。如圖2所示。
兩個調節器進行相移以應對極低的電磁干擾(EMI)。電流模式反激控制器可提供6 V至28 V電壓。它具有欠壓閉鎖(UVLO)、過流/過壓保護、使能控制、軟啟動和壓擺率控制。此外,它還有7個低功率數字隔離通道——4個用于SPI,3個用于通用通信。
I/O模塊中的另一個典型需求是驅動繼電器或燈。AD74413R的GPO也可能編程為特殊數字輸出(DO)。通過外部PMOS和ADM1270限流控制器,此引腳可調節幾百毫安用于驅動繼電器或燈。ADM1270為這些感性或電阻負載提供浪涌限流和過流保護。在AD74413R的評估板上可找到典型應用示例。
需要HART調制時,AD5700可為基于AD74413R的系統提供調制解調器功能。
由于本文的范圍涉及工業應用,我們主要討論AD74413R。還有一個更輕的版本為AD74412R,目標是構建控制應用。它具有–40°C至+85°C的更小工作溫度范圍、更低的電流輸入和輸出精度以及高達26.4 V的電源電壓。
結論
借助正確的SWIO IC,制造商可開發一個平臺來代替多個陳舊的固定功能I/O模塊。他們也可將該技術用于I/O隨著每次安裝而動態變化的多個最終應用中。對于傳統上依賴帶多個I/O模塊的控制柜且每個通道類型需采用指定布線的系統,由于最終用戶現在可以安裝可在控制室編程的單個模塊,硬件的需求隨之消失,從而有助于降低產品管理、物流、制造和支持成本。由于SWIO技術可應用于已經可用的裝置,所以也可作為基于以太網的控制網絡之間的連接橋梁。
參考資料
1 Bela G. Liptak.儀器儀表工程師手冊,第II卷:過程控制和優化。CRC出版社,2005年9月。
2 HART通信協議。國際現場通信技術基金會。
(來源:ADI公司,作者:Hakan Uenlue,高級現場應用工程師)
免責聲明:本文為轉載文章,轉載此文目的在于傳遞更多信息,版權歸原作者所有。本文所用視頻、圖片、文字如涉及作品版權問題,請電話或者郵箱聯系小編進行侵刪。


