【導讀】三極管屬于電流型驅動元器件,因此一般在基極都會串一個限流電阻,一般小于等于10K,但是在基極為什么會下拉一個電阻呢?舉例說明。如下圖,是溫度開關控制馬達電路圖。
簡單講解一下三極管,如果三極管工作在飽和區(完全導通),Rce≈0,Vce≈0.3V,且這個0.3V,我們就認為它直接接地了。那么就需要讓Ib大于等于1mA,若Ib=1mA, Ic=100mA,它的放大倍數β=100,三極管完全導通。如下圖,是一個NPN三極管。
三極管屬于電流型驅動元器件,因此一般在基極都會串一個限流電阻,一般小于等于10K,但是在基極為什么會下拉一個電阻呢?舉例說明。如下圖,是溫度開關控制馬達電路圖。
如圖是溫度開關控制馬達轉和停,溫度開關相當于一個按鍵開關。在B極串個開關,N管就能夠做個開關管使用。圖中馬達是一個直流有刷馬達,只要正極接通12V,負極接地,馬達就開始轉。
當溫度開關導通,回路I流過的電流的為
三極管CE完全導通,Vce ? 0.3V,這時候,馬達兩端的電壓壓降接近 12V,它就能夠轉動,因為三極管be的導通后阻抗遠遠小于2K電阻R2,所以電流大部分流過三極管;當溫度開關斷開,ib 就沒有電流,ic 也沒有電流。
由于溫度開關在關斷的瞬間,三級管ib、ic上的電流并不能夠一下子降到零,而是慢慢降到零,這是制造工藝必然存在的,在這段時間,三極管是工作在放大區,是容易受到干擾。因此需要接個下拉電阻R2,這個電阻一是給三極管提供了個放電回路,二是為點A提供一個能量分散的通路。
放電回路怎么理解?
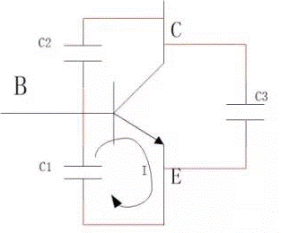
如下圖三極管寄生電容,三極管實際工藝制造模型,三極管BE、BC、CE之間分別有電容C1、C2、C3。這三個電容的存在一方面是我們不需要的,另一方面,又是工藝中無法避免克服的,是制造工藝過程中必然存在的現象。我們把這種電容一般稱之為雜散電容,或者說是寄生電容。
由于有電容的存在,三極管勢必有延時。當ib沒有電流時,電容C1開始放電,形成回路I,這個時候B點的電壓從0.7V降到0V,工作在放大區,容易受到干擾,在C1兩端加個電阻R2,電容上的電一部分就會從電阻R2上釋放掉,并且電阻阻值越小,電容放電越快。因此,電阻R2給電容提供了一個通路釋放電荷,大大減短了三極管工作在放大區的時間。
給能量提供一個分散通路怎么理解?
為什么說電阻 R2 為點A提供了一個能量分散通路。如圖2所示,溫度開關斷開時,此時點A是懸空的,A點電壓不確定,為高阻態(阻抗無窮大),容易出現誤導通的現象,而且也容易受到周圍環境干擾,比如靜電、雷擊等使器件損壞。
當使用環境出現雷擊,高壓靜電等情況,在點A下拉一個電阻接到地,大部分電流就會順著電阻流入地,給能量提供一個分散通路。如果沒有接這個電阻,當發生雷擊時,由于A點左邊阻抗無窮大,A點右邊接三極管,阻抗相對左邊來說是很低的,因此電流會全部往阻抗低的方向跑,流入三極管,造成電流過大,使器件性損壞。
關于MOS管
由于篇幅限制,關于MOS管基礎知識,移步此處:MOS管基本認識。
下拉電阻的作用有兩個:
防止在靜電作用下,電荷沒有釋放回路,容易引起靜電擊穿
MOS管在開關狀態工作時,就是不斷的給Cgs充放電,當斷開電源時,Cgs內部可能儲存有一部分電荷,但是沒有釋放回路,MOS管柵極電場仍然存在且能保持很長時間,建立導電溝道的條件沒有消失。在下次開機時,在導電溝道的作用下,MOS管立即產生不受控的巨大漏極電流Id,引起MOS管燒壞。
免責聲明:本文為轉載文章,轉載此文目的在于傳遞更多信息,版權歸原作者所有。本文所用視頻、圖片、文字如涉及作品版權問題,請聯系小編進行處理。
推薦閱讀:
【坐享“騎”成】系列之四:泰克方案化解智能座艙HDMI顯示接口測試難點



