【導讀】理想二極管使用低導通電阻功率開關(通常為MOSFET)來模擬二極管的單向電流行為,但沒有二極管的壓降損失。借助額外的背靠背MOSFET和控制電路,該解決方案可以提供更多的系統控制功能,例如優先源選擇、限流、浪涌限制等。在傳統解決方案中,這些功能分散在不同的控制器中,因此實現完整的系統保護會很復雜且麻煩。這里我們將研究理想二極管的主要電路規格,并介紹一個應用示例和新的理想二極管解決方案,該解決方案還在單個IC中集成了實現整體系統保護所需的其他功能。
摘要
本文研究具有背靠背MOSFET的理想二極管以及其他更先進的器件。文中還介紹了一種集成多種功能以提供整體系統保護的理想二極管解決方案。二極管是非常有用的器件,對許多應用都很重要。標準硅二極管的壓降為0.6 V至0.7 V。肖特基二極管的壓降為0.3 V。一般來說,壓降不是問題,但在高電流應用中,各個壓降會產生顯著的功率損耗。理想二極管是此類應用的理想器件。幸運的是,MOSFET可以取代標準硅二極管,并提供意想不到的應用優勢。
簡介
理想二極管使用低導通電阻功率開關(通常為MOSFET)來模擬二極管的單向電流行為,但沒有二極管的壓降損失。借助額外的背靠背MOSFET和控制電路,該解決方案可以提供更多的系統控制功能,例如優先源選擇、限流、浪涌限制等。在傳統解決方案中,這些功能分散在不同的控制器中,因此實現完整的系統保護會很復雜且麻煩。這里我們將研究理想二極管的主要電路規格,并介紹一個應用示例和新的理想二極管解決方案,該解決方案還在單個IC中集成了實現整體系統保護所需的其他功能。
理想二極管基礎知識
圖1顯示了采用N溝道功率MOSFET的基本理想二極管。將MOSFET放置在適當的方向,使其本征體二極管與要模擬的二極管功能方向相同(上方)。當VA高于VC時,電流可以自然地從左向右流過本征二極管。當電流沿該方向流動時,控制電路使MOSFET導通,以減小正向壓降。當VC高于VA時,為了防止電流反向(從右到左)流動,控制電路必須將MOSFET快速關斷。理想二極管的壓降很低,由MOSFET的RDS(ON)和電流大小決定。例如,在1 A負載下,10 mΩ MOSFET的端子會產生1 A × 10 mΩ = 10 mV的壓降,而常規二極管的典型壓降為600 mV。理想二極管的功耗為1 A2 × 10 mΩ = 10 mW,明顯低于常規二極管的1 A × 600 mV = 600 mW(典型值)。
圖1.二極管和理想二極管
得益于MOSFET技術的進步,現在出現了低RDS(ON)的MOSFET。如果在理想二極管解決方案中添加背靠背MOSFET,雖然會使壓降略微增加,但也會帶來許多系統控制功能。圖2顯示了此電路概念。
圖2.具有背靠背MOSFET的理想二極管
原有的Q1可以控制和阻斷從VB流向VA的反向電流。添加的MOSFET Q2可以控制和阻斷從VA流向VB的正向電流。
此解決方案通過導通/關斷一個或兩個MOSFET,或者限制任一方向的電流流過,可實現全面的系統控制。
理想二極管應用實例及主要規格
理想二極管有許多應用。以工業UPS備用電源系統(圖3)為例。該系統使用24 V主電源。此電源的工作范圍為19.2 VDC至30 VDC,瞬態電壓可高達60 V。將24 V電池用作備用電源。為確保備用電源充分可用,在正常運行期間(當電池處于待機狀態時),電池充滿至24 V。當主電源中斷時,電池提供備用電源,從24 V放電至19.2 V以下,直至系統不再運行,或者直至主電源恢復,以較早出現的情形為準。這里需要一個理想二極管電路來提供ORing功能,用于在系統電源和備用電池之間切換。除了ORing功能,該系統還需要過壓、欠壓、熱插拔和eFuse保護,以防范常見的系統故障,增強系統魯棒性。
圖3.工業UPS備用電源系統
ORing與源選擇器
圖4展示了電源ORing概念。為簡單起見,這里使用二極管符號代替理想二極管電路。在這種簡單的ORing配置中,電壓較高的電源占主導地位并為負載供電,另一個電源處于待機狀態。如果兩個電源具有不同的電壓值,該解決方案會很有效。當兩個電壓彼此接近時,或者當存在電壓波動而導致電壓值交叉時,電源可能會來回切換。
圖4.輸入電源ORing
在這個用例中,簡單的ORing功能是不夠的,原因有二。首先,電池電壓與系統標稱電壓24 V差不多。兩個電源可能會來回切換,這是我們不希望看到的。源阻抗和負載電流的影響進一步放大了這個問題。例如,當VS為負載供電時,負載電流會在VS源阻抗兩端產生壓降,使其端電壓降至略低于電池端電壓(當前空載)的水平。電池隨即接通,現在承載負載電流,這同樣會在電池阻抗兩端產生壓降,導致電池端電壓下降。同時,在無負載情況下,主電源端電壓升高,使得VS試圖接管。在這種情況下,就會在兩個電源之間持續振蕩直到兩個電壓彼此偏離為止。
其次,24 V系統電源的電壓范圍為19.2 VDC(最小值)至30 VDC(最大值),峰值電壓瞬態可高達60 V。備用電池電壓充電至24 VDC,當主電源電壓下降到電池電壓以下但仍在其工作范圍內時,將由電池供電。這也是我們不希望看到的,因為電池會放電至非理想備用電壓。每當系統電壓低于24 V且高于其最小工作范圍時,系統便可能會嘗試同時對電池進行充電和放電。源選擇器在這種情況下很有用。圖5顯示了使用具有背靠背MOSFET的理想二極管的源選擇器概念。通過背靠背MOSFET,控制器可以完全切斷兩個方向的電流路徑,就像機械開關斷開一樣。圖6是具有背靠背MOSFET的理想二極管的符號表示。此符號在圖5中表示可實現源選擇器功能。在此配置中,VS設置為高優先級。VB關斷,只有在VS低于其工作電壓范圍時才導通。
圖5.輸入源選擇器
圖6.具有背靠背MOSFET的理想二極管的符號表示
圖7顯示了電池處于待機狀態和備用期間的電源選擇器操作。
圖7.輸入源選擇器操作
其他重要系統保護要求
雖然圖6所示是一個閉合或斷開的機械開關,但請注意,借助適當的電流檢測電路,控制器也可以調節電流。浪涌限制(熱插拔)、過載/短路保護(eFuse)和欠壓/過壓(UV/OV)等重要功能,均可利用已有的相同功率MOSFET來實現。
熱插拔
如圖3所示,當電路板插入背板(主系統電源和備用電池所在的板)時,系統板需要熱插拔功能來限制給輸入電容C充電時的浪涌電流。這種熱插拔功能通過檢測和控制流過圖2中Q2的電流來實現。
eFuse
此功能可保護系統免受過流或短路情況的影響。使用圖2中相同的Q2,可監測、限制和關斷流經Q2的電流。eFuse應用中的限流閾值精度對于優化系統功耗預算非常重要。
UV/OV
控制器持續監測電源電壓。欠壓保護(UVLO)使Q2(圖2)保持安全關斷狀態,直至電源電壓上升到其最低工作電平(本例中為19.2 V)以上。當輸入瞬態電壓超過設定的最大電平(本例中選擇電壓值>30 V)時,過壓保護(OV)功能就會將Q2關斷。
重要的理想二極管電路規格及其對系統性能的影響
我們回到理想二極管,研究其用于ORing或源選擇器功能時的一些關鍵規格。
反向電流響應時間
參考圖2,這是Q1在電壓VA和VB反轉并使VB大于VA之后關斷的時間。此反向電流響應時間tR必須很小(100 ns),以防反向電流從VB流回VA。在該系統中,當主導電源VS(在驅動負載時)關斷、瞬變至較低電壓或短路時,電壓可能反向。在這種情況下,tR防止反向電流從板電容C或從備用電池流回VS,或者盡可能減小反向電流。
過壓情況后的恢復
在沒有備用電池的系統中(圖8),電容C提供備用電源,通常稱其為保持電容。在這種配置中,VS上的瞬態過壓條件會觸發Q2(圖8)關斷。電容提供必要的電力以保持系統運行,同時其電壓因放電而下降。當VS回到正常工作范圍時,Q2重新導通。Q2重新導通的時間tON必須很短,使電容壓降盡可能低。圖9顯示了一個相對比較結果,在保持電容量相同的情況下,一半tON可將壓降降低一半。
圖8.具有保持電容的系統
圖9.壓降與tON的關系
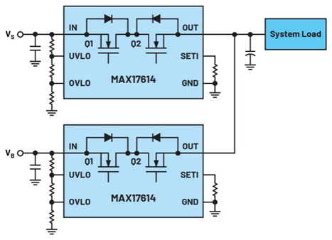
我們研究了不同功能,如源選擇器、熱插拔、eFuse、UV/OV和關鍵規格,目的是防范常見的系統故障,增強系統魯棒性。使用許多單一功能IC來實現所有這些功能會很麻煩。這種解決方案很復雜,需要許多元器件。MAX17614是一款全新的高集成度解決方案,通過單個IC即可實現高性能理想二極管功能以及許多其他功能,從而為電源系統提供全面保護。該器件的工作電壓范圍為4.5 V至60 V,提供3 A輸出,具有理想二極管/優先電源選擇器功能,以及可調限流、熱插拔、eFuse、UV和OV保護功能。圖10和圖11分別顯示了MAX17614在ORing應用和優先電源選擇器應用中的簡化原理圖。
圖10.MAX17614的電壓ORing應用
圖11.MAX17614的優先電源選擇器應用,其中VS具有優先權
結語
背靠背MOSFET解決方案可提供更多系統控制功能,如源選擇、熱插拔、eFuse、UV/OV等。使用單一功能IC的組合來提供完整系統保護的傳統解決方案既復雜又麻煩。我們研究了UPS備用電源應用,并簡要介紹了一種理想二極管解決方案,該解決方案還將其他需要的功能集成到單個IC中,以實現整體系統保護。
免責聲明:本文為轉載文章,轉載此文目的在于傳遞更多信息,版權歸原作者所有。本文所用視頻、圖片、文字如涉及作品版權問題,請聯系小編進行處理。
推薦閱讀:
悉尼科技大學利用MVG緊縮型吸波暗室成為澳大利亞天線研究領域領導者



