【導讀】為深入剖析當前電源設計普遍面臨的難題,并提供一系列切實可行的解決方案和創新設計思路,德州儀器專家創建“電源設計小貼士”系列技術文章,介紹電源設計的常見提示和技巧,幫助設計人員更好應對電源設計挑戰,助力設計更加高效、可靠。
為深入剖析當前電源設計普遍面臨的難題,并提供一系列切實可行的解決方案和創新設計思路,德州儀器專家創建“電源設計小貼士”系列技術文章,介紹電源設計的常見提示和技巧,幫助設計人員更好應對電源設計挑戰,助力設計更加高效、可靠。
為了優化電動汽車 (EV) 的電源,車載充電器 (OBC) 必須高效、輕便、小巧。電動汽車重量減輕后,也需要更低的功率來驅動,從而提高整體效率。
OBC 需要支持適當的電網到車輛 (G2V) 電壓和當前的電池充電算法;因此,它可以作為電網和電動汽車之間的功率調節接口(圖 1)。此外,它必須能夠通過車輛到電網 (V2G) 供電,為電動汽車補充峰值容量可能波動的可再生能源。
圖 1 OBC 需要支持適當的 G2V 電壓并通過 V2G 供電
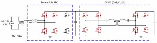
為方便電網和電動汽車內的高壓電池連接,需要一個電磁干擾 (EMI) 濾波器、功率因數校正 (PFC) 和一個隔離式直流/直流功率級。圖 2 展示了此架構。
圖 2 這個簡化原理圖顯示了 OBC 如何作為電網和電池之間的接口
本次討論的范圍僅限于直流/直流級。截至撰寫本文時,直流/直流級的兩種常見選擇是電容-電感-電感-電容 (CLLLC) 和雙有源電橋 (DAB) 拓撲(圖 3 和 4)。這兩個選項都可以實現小尺寸解決方案,并滿足必要的 G2V 和 V2G 功率需求。
圖 3該原理圖顯示了 CLLLC 的基本拓撲
圖 4 該原理圖顯示了 DAB 拓撲
更大限度地提高 OBC 性能并減小其尺寸
為了理解這兩種拓撲選項如何影響 OBC 的尺寸和性能,本文進一步將范圍限制在電池充電運行階段(或 G2V),考慮如何通過提供開關可承受的最大電池功率來更大限度縮短充電時間。例如,請考慮在以下工作條件下運行的開關:
?PDISS = 20W
??JA = 3°C/W
?TA = 65°C
根據公式 1,開關的 TJ= 125°C:
TJ=PDISS??JA+TA (1)
此設計中的開關不能承受高于 125°C 的溫度;因此,該條件代表 OBC 在不影響開關性能的情況下可為電池提供的最高功率級別。目標是更大程度地降低開關中的功率耗散,并盡快為電池充電。
有兩大因素決定了開關中的大部分功率損耗:均方根 (RMS) 電流和開關保持零電壓開關 (ZVS) 的能力。
鑒于其低電容及快速導通和關斷特性,德州儀器 (TI) 的 GaN 開關能夠使轉換器運行時的開關頻率比硅片的更高。更高的工作頻率直接影響無功元件的尺寸,并實現更小的變壓器、電感器和電容器。本文首先為 DAB 和 CLLLC 建立基準設計,然后探討如何增強電路來擴展轉換器的 ZVS 范圍。
基準 DAB 和 CLLLC 性能比較
表 1 概述了 OBC 的基本要求。
表 1 OBC 電源要求
為 DAB 和 CLLLC 創建詳細的設計有助于確定更可行的儲能回路設計。設計過程超出了本文的討論范圍;然而,電路仿真最好能夠充分地估算開關中的損耗,并驗證與總體功能的符合性。本文將仿真器配置為在不同的功率級別以及輸入和輸出電壓下以批量模式運行,并測試了不同的 DAB 和 CLLLC 電感、電容和匝數比等值。在每次仿真運行中,本文都會收集有關 VIN、VOUT、開關功率、RMS 電流和開關 ZVS 條件等參數的數據。表 2 總結了兩種優化的拓撲設計。
表 2 DAB 和 CLLLC 優化設計
圖 5 突出展示了各仿真結果。雖然每個拓撲中有八個開關,但圖表僅繪制了功率損耗最高的開關。對于每個開關,都有三個圖。第一個是開關中的總損耗。第二個是流經開關的 RMS 電流。最右側的第三個圖展示了特定 GaN 開關開啟時最壞情況下的漏源電壓。這是 ZVS 損耗量的關鍵指標;該電壓越高,相應開關中的損耗越大。因此,開關的 RMS 電流及其維持 ZVS 的能力決定器件的主要功率損耗。
圖 5 仿真結果顯示了 CLLLC 和 DAB 的 RMS 和 ZVS 基本情況
通過仔細研究上述數據,可以明顯地看出 CLLLC 能夠在更寬的運行范圍內維持 ZVS。因此,增強型 ZVS 有助于降低 CLLLC 開關中的功率損耗。話雖如此,但在 6.6kW 運行功率下,DAB 具有卓越的性能,這得益于它在大部分范圍內具有良好的 ZVS 和更低的 RMS 電流。這些觀察結果建議尋找一種方法來改進 ZVS,而不對 RMS 電流產生不利影響。
利用換向電感器提高 ZVS
圖 6 和圖 7 展示了與圖 3 和 4 相同的 CLLLC 和 DAB 電路,其中在拓撲中添加了額外的電感器(以黃色突出顯示),以便提供在更寬的工作范圍內維持 ZVS 所需的額外電流?,F在,假設有一種情況,即這些額外的電感器始終可以正常工作。
圖 6 該原理圖顯示了帶換向電感器的 CLLLC
圖 7 該原理圖顯示了具有換向電感器的 DAB
為便于參考,表 3 列出了新增電感器的值,其他儲能回路參數與上表相同。
表 3 具有換向電感器 (LC) 值的 DAB 和 CLLLC 設計
圖 8 展示了重復圖 5 中的仿真后的結果。
圖 8 每個電路的 RMS 和 ZVS 結果顯示了 LC 的影響
在這種情況下,請注意 DAB 能夠在整個工作條件范圍內實現全 ZVS。GaN 開關的 VDS 在開通時始終為 0V 這一事實清楚地說明了這一點。CLLLC 雖然無法實現完整的 ZVS,但能夠明顯改善 ZVS。不過,還要注意,ZVS 的改善會顯著降低兩種拓撲中的 RMS 電流。僅從功率損耗來看,DAB 轉換器似乎在大部分范圍中都具有優勢。
言歸正傳,本文將比較圖 8 和圖 5,您會發現在某些情況下換向電感器實際上會增加損耗。這就引出了一個問題:是否有可能創建一種混合方法,將圖 5 和圖 8 中所示的損耗降到最低?
盡量減少總損耗:一舉多得
增加換向電感器可實現更廣泛的工作條件,其中轉換器可保持 ZVS。當轉換器無法保持 ZVS 時,這種做法具有巨大優勢。換向電感器的問題在于,它只會在無 ZVS 時改善損耗。如果轉換器已經處于 ZVS 中,則換向電感器會因電流增加而影響運行,從而導致開關中的歐姆損耗更大。
這個思維過程產生了一種混合測試方法,其中換向電感器在較重負載下保持關閉狀態,在較輕負載下開啟。圖 9 顯示了重復使用此方法進行仿真后的結果,這使設計能夠利用每種拓撲的較低 RMS 電流和重負載下的自然 ZVS 能力。
為了防止開關中出現不需要的 RMS 電流或解決方案尺寸,本文只是謹慎增加了足夠的換向電感和工作時間,以適應開關的熱范圍。請注意,DAB 轉換器不能在工作范圍內實現全 ZVS。ZVS 得到了很大改善,但僅在需要時保持在上述的 20W 開關目標范圍內。

圖 9 這些是使用混合方法獲得的 RMS 和 ZVS 結果
為了更好地體現各種權衡因素,圖 10 總結了每種情況的功率損耗。您可以看到在開關中的功率損耗方面,DAB 轉換器具有明顯優勢。
圖 10 每種情況下的功率損耗摘要有助于直觀顯示各種權衡
為了更好地說明這兩個轉換器之間的性能,圖 11 更改格式重新繪制了圖 10 中所示的數據。該圖顯示了假設開關不能安全地耗散超過 20W 的功率,每個轉換器可提供的最大功率。請記住,20W 表示開關可承受的最大損耗且仍保持結溫低于 125°C。
圖 11 該圖顯示了每個轉換器可提供的最大功率
CLLLC 更好,還是 DAB 更好?
圖 11 中的藍線在紅線上方證明了 DAB 轉換器能夠在整個范圍內提供比 CLLLC 更大的功率。這使人們很容易以為 DAB 是當之無愧的贏家。但是,請記住超小尺寸和重量是 OBC 的核心要求。DAB 轉換器需要兩個額外的電感器,但 CLLLC 只需要一個。因此本文認為,CLLLC 更勝一籌。
與大多數工程設計工作一樣,最好的方法大多就是根據要求進行權衡。獲得巨大優勢往往會有代價,這次也不例外。本文認為,CLLLC 在尺寸方面比 DAB 更具優勢。
免責聲明:本文為轉載文章,轉載此文目的在于傳遞更多信息,版權歸原作者所有。本文所用視頻、圖片、文字如涉及作品版權問題,請聯系小編進行處理。
推薦閱讀:
【聚焦產業變革?共筑創新生態】IIC Shanghai 2025盛大啟幕




