- 斷電放大器的保護措施
- ESD保護二極管
- 反極性保護二極管
奇怪的是,在臺上放我收到這樣的問題涉及的電壓梑超聲沒有電源電壓。感興趣的電壓通常適用于任何一個輸入或關閉放大器的輸出電壓。為了節省電力,用戶將有選擇地關閉了其系統的某些部分。在電壓,這往往導致被用于聯合國動力系統的部件。用戶通常想知道如何把放大器將對此有何反應犯錯誤的電壓,以及必須采取預防措施,以確保把放大器的安全。
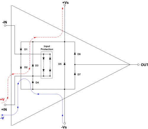
要了解如何保護場外放大器,我們必須先看看ESD保護二極管,這些放大器的國防抯第一線。該ESD保護二極管的高壓持續時間短的放大器,但可能會損壞或長期接觸低直流電壓的破壞,如果目前通過他們不限。圖1顯示了一個典型的ESD保護二極管的運算放大器。

圖1。過放電流路徑從+IN至用品
通過第7天D1的二極管組成放大器抯ESD保護網絡。內盜ñ之間的虛線所示形成另一個保護網絡,保護過壓條件放大器輸出級的二極管1。在一些反一系列二極管并聯網絡各不相同放大器放大器。為了估計之間的放大器,看看在絕對最大額定值表下的差分輸入電壓放大器的數據表中的投入二極管數目。
當放大器的電源是關閉,對盜ñ電壓二極管D1上又通過個人財產。圖1顯示了從目前的路徑+中通過保護二極管的供應,假設一個返回路徑存在的理由。紅色跟蹤顯示了積極的電壓+隊,藍色的跟蹤路徑就顯示了對負電壓朧第路徑類似的路徑可以從輸出通過二極管D6和D7,在電壓的情況下,是在把放大器的輸出目前的供應。最重要的安全預防措施,是限制電流進入小康放抯引腳。
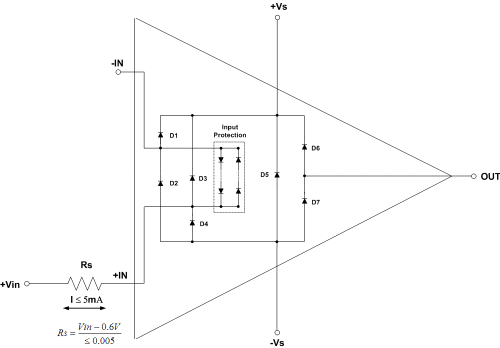
沒有限流,二極管和放大器可以損壞或毀壞。我們通常建議限制目前進入任何放大器引腳5毫安或更低。通常,所有的需要添加,是一個串聯電阻。圖2顯示了圖1限流過放。盧比,幾乎沒有正常工作條件下對整體電路功能的影響。假設與盫仛引腳接地,計算如下式所示盧比的最壞情況下:


圖2。目前有限的關閉放大器
在最近的另一把安培調查涉及FET輸入放大器,一個用戶想知道是否關閉放大器的增益配置仍會出席了同相輸入端的高輸入阻抗的直流電壓。
放大器的輸人小于0.6V的電壓為高輸入阻抗,因為ESD二極管至少需要0.6V的進行。沒有傳導路徑,輸入仍然顯示為高阻抗。如果輸入電壓大于0.6V的,但是,目前將開始流過的ESD二極管和其他搒尼亞克路徑?關閉內放。為了限制在D3的電流,利用方程解決盧比。憑借五第4糟糕的情況適用于外的放大器輸入,RS必須至少有680歐姆,不完全是高輸入阻抗。
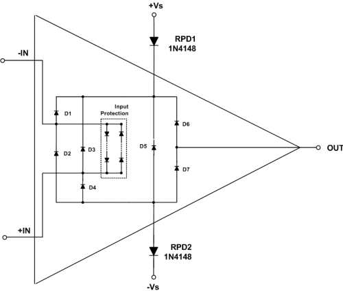
反向極性保護,能夠幫助在這些應用中。作為國防電子原設計師,反極性保護的東西,我經常到我的設計中。反極性保護電路確保安全,即使是錯誤的極性電源連接到該系統的偏置引腳。納入反向極性保護是一種簡單,低成本的保險政策,所需要的是一對二極管。如果正確的電源極性適用,正向偏置二極管和電路按預期工作。如果電源極性相反的應用,該二極管反向偏置。沒有電流通過的電路保護。圖3顯示了反向極性保護二極管放大器。

圖3。運算放大器的反向極性保護
反極性保護二極管,也讓高輸入阻抗超過一個更大的輸入范圍達到,因為二極管添加一個額外的電壓降之前,必須克服目前可以流動。通過預防維生素D3的+隊引腳電流流典雅完成的外部二極管RPD1。為正電壓,RPD1反向偏置,因此,防止通過D3的電流。當前沒有通過ESD二極管D4類,這是反偏不從輸入流向負鐵路,但它旨在通過場效應管輸入級PN結的另一條道路。二極管RPD2形成一個額外的電壓屏障,必須在任何電流流克服。



