【導讀】嵌入式系統等需要進行大量計算和數據處理的應用,通常使用微控制器、微處理器和現場可編程門陣列(FPGA)等器件來執行復雜的計算例程,因為這些器件具有多功能性、高速度和靈活性。然而,這些推薦使用的器件也存在限制和不同的電源要求,如果在系統開發的早期階段未加考慮,系統的性能和可靠性可能會受影響。其中一個限制是掉電狀況下系統可能出現故障。當電源電壓降至最低工作電壓以下時,微控制器可能會發生故障并導致系統出錯。幸運的是,電壓監控器專門設計用于解決這個問題。
嵌入式系統等需要進行大量計算和數據處理的應用,通常使用微控制器、微處理器和現場可編程門陣列(FPGA)等器件來執行復雜的計算例程,因為這些器件具有多功能性、高速度和靈活性。然而,這些推薦使用的器件也存在限制和不同的電源要求,如果在系統開發的早期階段未加考慮,系統的性能和可靠性可能會受影響。其中一個限制是掉電狀況下系統可能出現故障。當電源電壓降至最低工作電壓以下時,微控制器可能會發生故障并導致系統出錯。幸運的是,電壓監控器專門設計用于解決這個問題。
本文討論了高性能電壓監控器,包括ADI公司產品系列中的一些產品,介紹了電壓監控器的功能、輸入和輸出基礎以及高性能電源監控產品的其他基礎知識。
01 電壓監控器定義及其工作原理
電壓監控器是一類用于監控電壓供應軌的器件,只要滿足監控條件,它就會提供一個可用來執行某種操作的輸出。它會檢測被監控電壓供應軌是否低于或超過預定義的電壓水平(稱為閾值)。它提供的輸出信號通常稱為復位信號,用于將另一個器件置于另一種工作模式,例如復位模式或活動模式。對于那些在特定電壓范圍之外運行會導致錯誤和故障的應用來說,使用電壓監控器也是十分合適的。有時,復位輸出也用于使能和禁用另一個器件,例如在任何需要一定輸入電壓范圍才能正常運行的應用中。一個典型的應用例子是使用電壓監控器來讓穩壓器正常運行,如圖1a所示。為了確保啟動期間正常運行,LDO穩壓器要求輸入中有足夠的能量,或者說需要足夠高的輸入電壓水平。
眾所周知,電壓監控器是與微控制器或MCU密切相關的搭檔。當命令正在執行的時候,如果電源電壓降至最低工作范圍以下,MCU就有發生故障和造成系統出錯的風險。在這種情況下,MCU的電源電壓即為被監控電壓,MCU的最低工作電壓應為閾值電壓。我們將在文中進一步討論如何定義閾值電平。用于監控微控制器電源的電壓監控器的一個簡單例子是ADM809如圖1b所示。監控器檢測被監控的電壓水平,并將其饋入 VCC 引腳。一旦被監控的電壓低于閾值,低電平有效復位輸出就會將微處理器置于復位模式,直至電壓供應恢復到正常水平。
圖1. ADM809是電壓監控器的一個簡單例子,它監控輸入電壓以(a)在輸入電壓水平處于正確范圍以內時使能LDO穩壓器,并(b)在掉電狀況下將微處理器系統置于復位模式。
02 電壓監控器有哪些重要輸入規格參數?
關于電壓監控器,需要了解四個重要輸入規格參數。這將有助于系統設計人員實施電壓監控器來提升系統在應用中的可靠性。這些規格參數包括復位閾值、閾值精度、復位閾值滯回和上電復位。
復位閾值
復位閾值是電壓電平;當被監控的電壓低于此值時,它就會發出復位信號。在電壓監控器產品中,復位閾值通常標記為 VTH。當被監控電壓 VCC降至復位閾值電壓 VTH以下時,它會產生低電平復位輸出,如圖2中的時序圖所示。在應用中,閾值電壓設置為允許系統正常運行的最小電壓。
圖2. 電壓監控器的被監控電壓 VCC和復位輸出信號的時序圖。
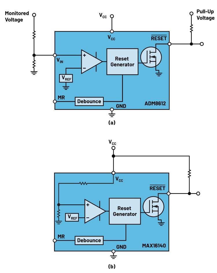
設置復位閾值的一種方法是通過外部電阻分壓器。被監控電壓的一小部分與基準電壓源進行比較,以了解被監控電壓是否高于或低于復位閾值,如圖3a所示。ADM8612 是此配置的一個例子。一些電壓監控器的復位閾值是在工廠通過激光調整由內部電阻分壓器設置的,例如 MAX16140。這帶來了一些優勢,例如外部元件更少,可以為解決方案騰出額外空間,滿足緊湊型應用的需求,如圖3b所示。它還能實現更高的精度,因為它不依賴于外部因素(例如使用具有容差的標準值電阻)。然而,外部電阻方案支持靈活地調整復位閾值電平。
圖3. 復位閾值的設置方法:(a) ADM8612復位閾值通過外部電阻分壓器設 置,(b) MAX16140復位閾值通過工廠調整的內部電阻分壓器設置。
閾值精度
閾值精度是指實際閾值與計算的復位閾值或目標復位閾值的接近程度。一些因素會影響閾值的精度,包括電阻分壓器和基準電壓。電阻分壓器和基準電壓都是模擬電路,受溫度等環境因素的影響。這導致復位閾值有一定的容差。基準電壓和電阻越穩健,容差就越嚴格,閾值精度就越高。閾值精度通常以百分比表示。假設電壓監控器的閾值精度為±1%,閾值設置為3.3 V,那么實際閾值可能在3.267 V至3.333 V左右。
了解閾值精度非常重要,因為這對于設置復位閾值至關重要。如果在設置復位閾值時不考慮精度,系統可能會陷入不理想的故障區域。
復位閾值滯回
復位閾值滯回是指被監控的電壓回到正常區域后,取消復位信號所需的額外電壓。在監控欠壓的電壓監控器中,復位閾值滯回通常表示為 VHYST 或 VTH+HYS。滯回有多項益處。首先,它確保被監控的電壓回到正常水平,并且相對于閾值有一定的安全裕量。其次,它能讓電源在復位取消之前先穩定下來,從而有助于解決電源噪聲和不穩定性問題。在沒有滯回的情況下,當被監控電壓超過閾值時,電壓監控器會反復發出或取消復位信號。這可能發生在有電源噪聲的應用中,或發生在電池供電的系統中,因為受內部電阻的影響,電壓會隨著負載電流而下降。圖4中的紫色陰影區域顯示了一個例子。同時,由于存在滯回,復位輸出將使系統保持復位模式,直到電源穩定,從而消除系統的不穩定和振蕩行為,如圖4.4中的藍色陰影區域所示。
圖4. 有滯回和無滯回的復位輸出行為比較。
上電復位
在啟動期間,當電源電壓開始上升時,電壓監控器的內部電路沒有足夠的偏置。因此,復位輸出處于未定義狀態。隨著電源電壓繼續上升,它將達到某一電壓供應水平,使電壓監控器脫離未定義狀態并發出有效的復位信號。讓監控器處于規定狀態并提供有效復位輸出的最小電源電壓稱為上電復位電壓或 VPOR。考慮圖3b中的電壓監控器簡化示意圖。假設開漏復位輸出上拉至 VCC,在未定義狀態下,復位輸出將反映電源電壓 VCC。這會在復位輸出中產生一個毛刺,稱為上電毛刺。當電源電壓達到 VPOR時,監控器就會發出有效的復位輸出信號,如圖5所示。
圖5. 啟動過程中的上電毛刺和上電復位電壓 VPOR。
在某些應用中,上電毛刺會被忽略且無關緊要,例如在高壓系統中。但是,對于某些應用來說,例如在邏輯高電壓閾值較低的器件中,這是不可取的。
設計電壓監控器時,需要考慮的一個因素是復位輸出極性和時序。您可以根據應用選擇極性——低電平有效輸出或是高電平有效輸出。
低電平有效
低電平有效輸出意味著,只要被監控電壓低于閾值電壓,復位輸出就會變為低電平。圖2中的時序圖顯示了具有低電平有效輸出的電壓監控器的響應。為了便于識別,低電平有效復位輸出標記為RESET(讀作RESET杠)。當被監控電壓上升到閾值電壓以上時,RESET輸出將在指定時間內保持有效,然后才會變為高電平。此時間延遲稱為復位超時周期 (tRP),它可以是固定時間,也可以通過外部電容調整。
高電平有效
根據輸出要求,系統可能需要高電平有效輸出。與低電平有效輸出相反,在高電平有效輸出中,當被監控電壓低于閾值時,復位輸出變為高電平;當被監控電壓在復位超時周期 tRP后上升到閾值電壓以上時,復位輸出變為低電平。圖解參見圖6。
圖6. 高電平有效復位輸出的VCC和復位信號的時序圖。
根據具體應用,需要考慮的另一個因素是輸出拓撲結構。主要使用兩種輸出拓撲結構——開漏拓撲和推挽拓撲。
推挽輸出拓撲
推挽輸出拓撲由一對互補MOSFET組成,如圖7所示。當底部FET關斷且頂部FET導通時,復位輸出變為高電平;當底部FET導通且頂部FET關斷時,復位輸出變為低電平。推挽輸出提供從低電平到高電平、從高電平到低電平的幾乎軌到軌的高速響應。
圖7. 推挽輸出拓撲。
低電平有效推挽復位輸出適用于大多數應用,但也可采用其他輸出類型。如圖8所示,單電壓系統中的推挽輸出很簡單,但多電壓系統中的推挽輸出需要更加留心,尤其是當微控制器只有一個復位輸入時。
圖8. 單電壓系統。
開漏輸出拓撲
對于開漏拓撲,監控電路的復位輸出是內部MOSFET的漏極。為了產生類似圖3b所示的邏輯信號輸出,需要從復位連接一個外部上拉電阻到電源電壓。當MOSFET導通時,復位信號變為低電平;當MOSFET關斷時,復位信號變為高電平。上拉電阻可以連接到除監控電路電源之外的電壓軌。這對于需要不同于監控器電源電壓的復位電平的系統來說非常有利。
開漏輸出的另一個優點是“線或”功能。將兩個或多個監控電路的開漏輸出連接到同一總線上,可以實現“負邏輯或”電路。這意味著,當任何一個監控電路的復位輸出變為低電平時,總線為低電平。僅當所有復位輸出都是高電平時,總線才為高電平。如果想要監控多個電源,并在任何一個電源電壓下降時觸發復位,這種拓撲會很方便。
應用案例
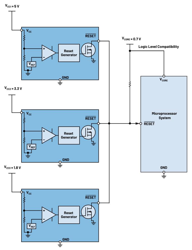
圖9、10和11顯示了電壓監控器不同輸出拓撲和極性的一些典型應用案例。圖9顯示了一個應用開漏拓撲的多電壓系統示例。在多電壓軌系統中,可以利用菊花鏈連接的低電平有效輸出來執行時序控制,如圖10a和10b所示。在某些應用中,正確的電源時序控制可能是首要的考慮因素之一。多軌系統(如基于FPGA的解決方案)通常需要并指定適當的電源時序,以防止出現系統故障和不穩定情況。圖11a和11b顯示了應用高電平有效輸出的示例。對于這些情況,高電平有效輸出用于使能或禁用高側MOSFET,以實現開/關控制方案。此類配置可用于過壓保護、低壓時序控制等電路。高側MOSFET也可使用電壓監控器的低電平有效輸出來驅動。有關詳細信息,請參閱文章“利用低電平有效輸出驅動高側MOSFET輸入開關以實現系統功率循環。”
圖9. 多電壓系統共用一個微處理器復位輸入。
圖10. 使用低電平有效輸出(a)推挽拓撲和(b)開漏拓撲的多軌時序控制
圖11. 高電平有效輸出極性的應用。(a)采用推挽拓撲的N溝道MOSFET低壓時 序控制。(b)采用開漏拓撲的P溝道MOSFET過壓保護電路。
電壓監控器用于使能、禁用或復位另一個器件。監控器的常見應用是復位微控制器。監控器保護系統免受錯誤和故障的影響,從而提升應用的整體可靠性。設計時需要考慮電壓監控器的輸入、輸出和時序規格。監控器具有不同的輸出拓撲和極性,在不同的應用場景中可以發揮不同的優勢,從而實現預期功能并提高系統可靠性。
免責聲明:本文為轉載文章,轉載此文目的在于傳遞更多信息,版權歸原作者所有。本文所用視頻、圖片、文字如涉及作品版權問題,請聯系小編進行處理。
推薦閱讀:
貿澤與TE Connectivity 和Microchip Technology聯手推出聚焦汽車Zonal架構的電子書




