【導讀】您是否正在搜尋有關數字隔離器的更多信息?我們將為您提供幫助。根據 TI E2E™ 社區的反饋,我們搜集并整理了關于數字隔離器設計攻關的最常見問題清單。希望這份清單能為您提供隔離信號與電源的有用見解。
1.基礎型和增強型數字隔離器至簡的區別是什么?
基礎型數字隔離器必須根據組件級標準,通過一套測試,如 Deutsches Institut für Normung (DIN) V Verband der Elektrotechnik, Elektronik und Informationstechnik (VDE) V 0884-11。DIN V VDE V 0884-11 定義了隔離器可以耐受的電壓水平,比如最大浪涌隔離電壓,VIOSM;最大瞬態隔離電壓,VOITM;及最大重復峰值隔離電壓,VIORM(參見白皮書“高壓增強型隔離:定義與測試方法”中的解釋)。增強型數字隔離器,除通過這些測試外,還必須通過最小浪涌電壓測試等級 10,000 VPK.測試。
2.能為數字隔離器兩端施加不同的電壓嗎?
可以。數字隔離器可以在建議的工作條件下為設備兩端供電。由于隔離勢壘隔離了兩端,每端均可在建議的工作條件下獨立施加任意電壓值。舉例來說,可以為 ISO7721 施加 3.3 V VCC1(在 2.25 V - 5.5 V 之間)和 5 V VCC2(也在 2.25 V - 5.5 V 之間)。除構建隔離外,通過這種方法,您還可以把數字隔離器用作邏輯電平轉換器。隔離器兩端相互獨立。
3.數字隔離器信號電壓可以異于它的電源電壓嗎?
不能。數字隔離器的輸入/輸出信號電壓取決于它的電源電壓。因此,如果要使數字隔離器兼容它所對接的設備,最好是保持信號電壓與隔離器電源電壓相同。例如,如果 ISO7721 的電源電壓為 5 V,它對接微控制器(MCU),那么很重要的一點就是 MCU 信號也工作在 5V 邏輯電平。
4.無輸入信號的數字隔離器的邏輯狀態是什么?
如果數字隔離器的輸入通道無電壓或者說引腳保留為浮置,它相應的輸出引腳為預定義狀態(稱為默認狀態或故障保護狀態),可能為低,也可能為高,這取決于所選的設備。設備部件編號的后綴“F”,指示該隔離器輸出通道的默認狀態。例如,ISO7721DWR 中沒有 F,則表示該設備的默認狀態為高。同樣的,ISO7721FDWR 中有 F,則表示該設備的默認狀態為低。
5.能把數字隔離器沒用的通道引腳保留為浮置嗎?
不能。數字隔離器未用通道的輸入引腳可出于測試目的保留為浮置,但在應用中,浮置未用引腳會導致產品的抗噪度下降。
浮置的引腳尤其當系統進行電磁兼容性(EMC)/免疫測試時,更易于拾取噪音。為使系統對此種噪音免疫,最佳做法是將通道輸入鎖定在各自的默認邏輯狀態。
例如,對于 ISO7721DWR 來說,最佳做法是將不用的信號輸入引腳通過上拉電阻連接到它的 VCC(首選 4.7-kΩ 電阻)。對于 TI ISO7721FDWR,最好是將不用的信號輸入引腳接至它的接地引腳。對于這兩種設備,所有不用通道的輸出引腳最好都不要連接。
6.如何確定數字隔離器的功耗?
您可以根據其數據表列出的規格來計算數字隔離器的功耗。找到與輸入電壓(2.5 V、3.3 V 和 5 V)對應的電源電流特性表。在這個表格中,找到最接近于您的應用信號速度的數據傳輸率。數據表中將列出針對該特定數據傳輸率的電流消耗,分別作為隔離勢壘各端的電流(ICC1 和 ICC2)。將這兩個電流值相加,您將獲得工作條件下的設備總電流消耗。用這個總電流消耗除以數字隔離器的通道數,就得到了每個通道的電流消耗。某些數據表還分別提供每個通道的總供電電流。例如,ISO7041 數據表顯示了每通道參數總供電電流下的典型電流消耗為 4.2 µA,它是 ICC1(ch) 與 ICC2(ch) 電流的和。
7.如何為數字隔離器構造隔離型電源?
為數字隔離器構造隔離型電源有幾種可選的方法;最佳解決方案須視具體的應用需要而定。
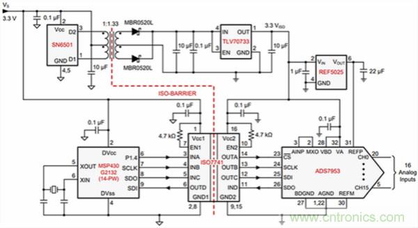
一個選擇是使用 TI SN6501這樣的變壓器驅動器,此種驅動器可用于具有次級側變壓器和可選整流低壓差穩壓器的推挽式配置(圖 1)。SN6501的功率高達1.5 W,可作為隔離型電源。此設備具有高度靈活性,幾乎可用在所有應用中。這是因為變壓器和匝數比能為電源提供必要的隔離等級和輸出電壓。如果您需要為其他設備提供隔離電源,則可使用 SN6505x 而不是 SN6501,獲得高達 5 W 的輸出功率。SN6505 具有額外的保護特性,例如過載和短路、熱關斷、軟啟動和壓擺率控制等,方便設計人員構筑穩健的解決方案。

圖 1:運用 SN6501 構建 ISO7741 的隔離型電源
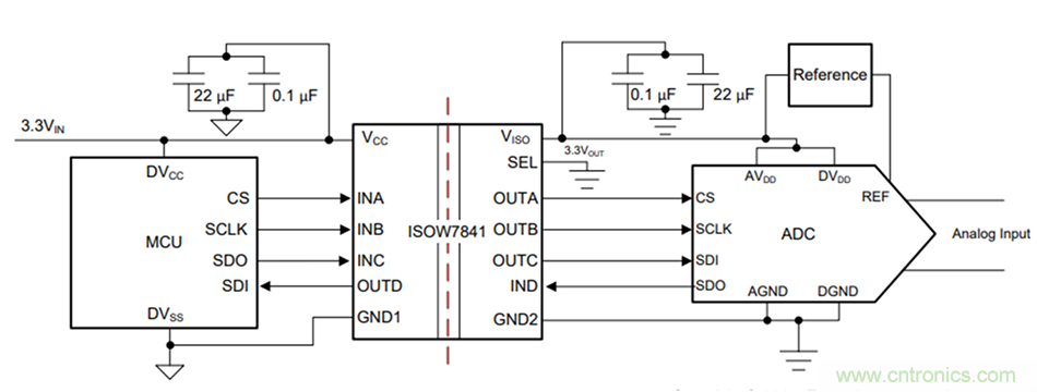
另一個針對空間受限應用的可選方法是ISOW78xx系列設備,包括 ISOW7841,該系列可在 16 引腳小型塑封集成電路封裝中提供信號和電源隔離。如圖 2 所示,這種組合占空間?。徊恍枰儔浩?,也易于通過認證。

圖 2:運用 ISOW7841 通過集成信號和電源打造數字隔離器
推薦閱讀:




