中心論題:
- IGBT 在UPS 中的應用情況。
- IGBT 在使用時的損壞原因。
- IGBT 損壞的解決對策。
- PFC 整流器應用于IGBT提高效率。
- 單管IGBT用于功率控制取得很高的效率和較大的充電電流。
- 內含過流限流電路保證在過流狀態時器件的安全。
引言
在UPS 中使用的功率器件有雙極型功率晶體管、功率MOSFET、可控硅和IGBT,IGBT 既有功率MOSFET 易于驅動,控制簡單、開關頻率高的優點,又有功率晶體管的導通電壓低,通態電流大的優點、使用IGBT 成為UPS 功率設計的首選,只有對IGBT的特性充分了解和對電路進行可靠性設計,才能發揮IGBT 的優點。本文介紹UPS 中的IGBT 的應用情況和使用中的注意事項。
IGBT 在UPS 中的應用情況
絕緣柵雙極型晶體管(IGBT)是一種MOSFET 與雙極晶體管復合的器件。據東芝公司資料,1200V/100A 的IGBT 的導通電阻是同一耐壓規格的功率MOSFET 的1/10,而開關時間是同規格GTR 的1/10。由于這些優點,IGBT廣泛應用于不間斷電源系統(UPS)的設計中。這種使用IGBT 的在線式UPS 具有效率高,抗沖擊能力強、可靠性高的顯著優點。
UPS 主要有后備式、在線互動式和在線式三種結構。在線式UPS 以其可靠性高,輸出電壓穩定,無中斷時間等顯著優點,廣泛用于通信系統、稅務、金融、證券、電力、鐵路、民航、政府機關的機房中。本文以在線式為介紹對象,介紹UPS 中的IGBT 的應用。
圖1 為在線式UPS 的主電路,在線式UPS 電源具有獨立的旁路開關、AC/DC 整流器、充電器、DC/AC 逆變器等系統,工作原理是:市電正常時AC/DC 整流器將交流電整流成直流電,同時對蓄電池進行充電,再經DC/AC 逆變器將直流電逆變為標準正弦波交流電,市電異常時,電池對逆變器供電,在UPS 發生故障時將輸出轉為旁路供電。在線式UPS輸出的電壓和頻率最為穩定,能為用戶提供真正高質量的正弦波電源。
圖1 在線式不間斷電源主電路圖
①旁路開關(AC BYPASS SWITCH)
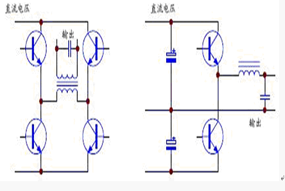
旁路開關常使用繼電器和可控硅。繼電器在中小功率的UPS 中廣泛應用。優點是控制簡單,成本低,缺點是繼電器有轉換時間,還有就是機電器件的壽命問題。可控硅常見于中大功率UPS 中。優點是控制電流大,沒有切換時間。但缺點就是控制復雜,且由于可控硅的觸發工作特性,在觸發導通后要在反向偏置后才能關斷,這樣就會產生一個最大10ms的環流電流,如圖2。如果采用IGBT,如圖3,則可以避免這個問題,使用IGBT 有控制簡單的優點,但成本較高。其工作原理為:當輸入為正半周時,電流流經Q1、D2,負半周時電流流經D1、Q2。
圖2:SCR 的延時關斷現象圖

圖3:應用IGBT 的旁路開關
②整流器AC/DC
UPS 整流電路分為普通橋堆整流、SCR 相控整流和PFC 高頻功率因數校正的整流器。傳統的整流器由于基頻為50HZ,濾波器的體積重量較重,隨著UPS 技術的發展和各國對電源輸入功率因數要求,采用PFC 功率因數校正的UPS 日益普及,PFC 電路工作的基頻至少20KHZ,使用的濾波器電感和濾波電容的體積重量大大減少,不必加諧波濾波器就可使輸入功率因數達到0.99,PFC 電路中常用IGBT 作為功率器件,應用IGBT 的PFC 整流器是有效率高、功率容量大、綠色環保的優點。
③充電器
UPS 的充電器常用的有反激式、BOOST 升壓式和半橋式。大電流充電器中可采用單管IGBT,用于功率控制,可以取得很高的效率和較大的充電電流。
④DC/AC 逆變器
3KVA 以上功率的在線式UPS 幾乎全部采用IGBT 作為逆變部分的功率器件,常用全橋式電路和半橋電路,如下圖4。
IGBT 損壞的原因
UPS 在使用過程中,經常受到容性或感性負載的沖擊、過負荷甚至負載短路等,以及UPS 的誤操作,可能導致IGBT 損壞。IGBT 在使用時的損壞原因主要有以下幾種情況:
1過電流損壞;
IGBT 有一定抗過電流能力,但必須注意防止過電流損壞。IGBT 復合器件內有一個寄生晶閘管,所以有擎住效應。圖5 為一個IGBT 的等效電路,在規定的漏極電流范圍內,NPN 的正偏壓不足以使NPN 晶體管導通,當漏極電流大到一定程度時,這個正偏壓足以使NPN 晶體管開通,進而使NPN 和PNP 晶體管處于飽和狀態,于是寄生晶閘管開通,門極失去了控制作用,便發生了擎住效應。IGBT 發生擎住效應后,漏極電流過大造成了過高的功耗,最后導致器件的損壞。
2過電壓損壞;
IGBT 在關斷時,由于逆變電路中存在電感成分,關斷瞬間產生尖峰電壓,如果尖峰電壓過壓則可能造成IGBT 擊穿損壞。
3橋臂共導損壞;
4. 過熱損壞和靜電損壞。
IGBT 損壞的解決對策
1. 過電流損壞
為了避免IGBT 發生擎住效應而損壞,電路設計中應保證IGBT 的最大工作電流應不超過IGBT 的IDM 值,同時注意可適當加大驅動電阻RG 的辦法延長關斷時間,減小IGBT 的di/dt。驅動電壓的大小也會影響IGBT 的擎住效應,驅動電壓低,承受過電流時間長,IGBT 必須加負偏壓,IGBT 生產廠家一般推薦加-5V 左右的反偏電壓。在有負偏壓情況下,驅動正電壓在10—15V 之間,漏極電流可在5~10μs 內超過額定電流的4~10 倍,所以驅動IGBT 必須設計負偏壓。由于UPS 負載沖擊特性各不相同,且供電的設備可能發生電源故障短路,所以在UPS 設計中采取限流措施進行IGBT的電流限制也是必須的,可考慮采用IGBT 廠家提供的驅動厚膜電路。如FUJI 公司的EXB841、EXB840,三菱公司的M57959AL,57962CL,它們對IGBT 的集電極電壓進行檢測,如果IGBT 發生過電流,內部電路進行關閉驅動。
這種辦法有時還是不能保護IGBT,根據IR 公司的資料,IR 公司推薦的短路保護方法是:首先檢測通態壓降Vce,如果Vce 超過設定值,保護電路馬上將驅動電壓降為8V,于是IGBT 由飽和狀態轉入放大區,通態電阻增大,短路電路減削,經過4us 連續檢測通態壓降Vce,如果正常,將驅動電壓恢復正常,如果未恢復,將驅動關閉,使集電極電流減為零,這樣實現短路電流軟關斷,可以避免快速關斷造成的過大di/dt 損壞IGBT,另外根據最新三菱公司IGBT 資料,三菱推出的F 系列IGBT 的均內含過流限流電路(RTC circuit),如圖6,當發生過電流,10us 內將IGBT 的啟動電壓減為9V,配合M57160AL 驅動厚膜電路可以快速軟關斷保護IGBT。
圖5:IGBT 等效電路圖

圖6 三菱F 系列IGBT 的RCT 電路
過電壓損壞
防止過電壓損壞方法有:優化主電路的工藝結構,通過縮小大電流回路的路徑來減小線路寄生電感;適當增加IGBT 驅動電阻Rg 使開關速度減慢(但開關損耗也增加了);設計緩沖電路,對尖峰電壓進行抑制。用于緩沖電路中的二極管必須是快恢復的二極管,電容必須是高頻、損耗小,頻率特性好的薄膜電容。這樣才能取得好的吸收效果。常見電路有耗能式和回饋式緩沖電路。回饋式又有無源式和有源式兩種,詳細電路設計可參見所選用器件的技術手冊。
橋臂共導損壞
在UPS 中,逆變橋同臂支路兩個驅動必須是互鎖的,而且應該設置死區時間(即共同不導通時間)。如果發生共導,IGBT 會迅速損壞。在控制電路應該考慮到各種運行狀況下的驅動問題控制時序問題。
過熱損壞
可通過降額使用,加大散熱器,涂敷導熱膠,強制風扇制冷,設置過溫度保護等方法來解決過熱損壞的問題。
此外還要注意安裝過程中的靜電損壞問題,操作人員、工具必須進行防靜電保護。
結論
1. IGBT 兼具有功率MOSFET 和GTR 的優點,是UPS 中的充電、旁路開關、逆變器,整流器等功率變換的理想器件。
2. 只有合理運用IGBT,并采取有效的保護方案,才可能提高IGBT 在UPS 中的可靠性。




